ALD-H-350A Manual.pdf - 第72页
在线预览 ALD-H-350A Manual.pdf PDF 文档。

第七章 附件
| 68
第七章 附件
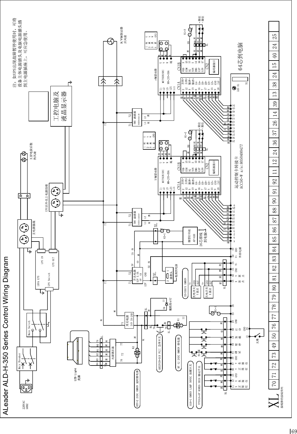
7.1 电气接线图
(见下一页)
7.2 机器结构图
(如需订购配件,请联系服务厂商。)


第七章 附件
| 70
7.3 常遇问题及解决方法
NO
问题表现 解决方法
1
机器运行过程中晃动
原因:机器未调至水平。使用水平尺将机器调至水平,拧
紧固定地角的螺丝。调机器水平步骤如下:
将机器四只地角悬空;
将机器左右调至水平(因机器的重心在后方,需调机器后
方的两只地角);
将机器前后调至水平(只需调前方的一只地角即可,因为
三点决定一面);放下机器悬空的地角,拧紧固定地角的螺
丝。
2
触摸机器遭电击 机器地线未接或接触不良
万用表检查机器的地线,保证地线接触良好。注:切务将
静电线与接地线混接或接错。
3
打印机不能正常打印 原因一:打印纸不足,打印机指示灯显示为绿色。
解决方法:更换打印纸。
原因二:操作不当解决方法:设备重新启动。
4
机器长时间发出“嘀
嘀……”声音。
机器断电或电源进线接触不良导致 UPS 报警检查 UPS 供电
处,确认原因并接好。
5
运用程序无法运行,提示为
机器电源断开或机器程序
运行。
原因一:机器电源开关未开或急停键按下
解决方法:打开电源开关或取消急停。
原因二:非法操作机器导致 AOI 运用程序无法运行,关闭
后其运用程序已作为垃圾文件,无法释放,若立即运行会
冲突;或者原有的数据已经破坏。
解决方法:注销一次,再运行。或者关闭机器电源,重新
启动后再运行。
6
运用程序无法运行,提示为
X 轴或 Y 轴不能移动
原因一:运动控制卡线的接口接触不良解决方法:关闭运
用程序,开启测试软件:确定其它按键正常,只是 X 轴或
Y 轴不能移动。拔出运动控制线的接口,检查是否有针倾
斜或断,其运动控制卡接口处孔堵塞。
原因二:X 或 Y 虑波器处线接触不良或脱落。
解决方法:关闭电源,打开机器外壳确认是否其虑波器处。
原因三:运动控制卡上的接线松动。
解决方法:打开机器盖,使用万用表检测,锁紧松动处。
原因四:机器盖上的风扇已坏,盖内温度过高,导致驱动
器自动保护而无法运行。
解决方法:更换风扇。
原因五:插运动控制卡的 PCI 槽内灰尘太多或运动控制卡
的金手指氧化。
解决方法:a.清理 PCI 插槽内的灰尘,清洗金手指。
b.将运动卡换插到另外一条 PCI 插槽。
7
显示器黑屏 原因一:显示器电源未开或其信号线未插或接触不良
解决方法:检查显示器的电源线和信号线并解决其黑屏。
原因二:显示器电源线内部接触不良
解决方法:使用万用表检测显示器电源线。
原因二:S 端子信号线接触不良或其某些针断掉
解决方法:查看 S 端子线接口处针是否倾斜和图像采集卡
接口处是否堵塞,用万用表检查 S 端子线是否有断路。
8
CAD 导入编程,某一标准
无法移动到其连接的元件
原因:导入前有多余的元件数据未删除,且其多余元件数
据的坐标超出软件限位。