NPM-D3使用说明书・维修保养篇.pdf - 第515页
NPM-D3 EJM6DC-MB-14M-06 14-3 -6 设 置 调整角度,拧紧调整用螺栓 建议拧紧扭矩为 3.0 N ・ m 6 调整信号塔的角度 用六角扳手 (3 mm) 拧松调整用螺栓 调整用螺栓 1 2 通知 在出厂时,信号塔为 横放方式。

NPM-D3 EJM6DC-MB-14M-06
14-3-5
设置 3
维修保养篇
14-3
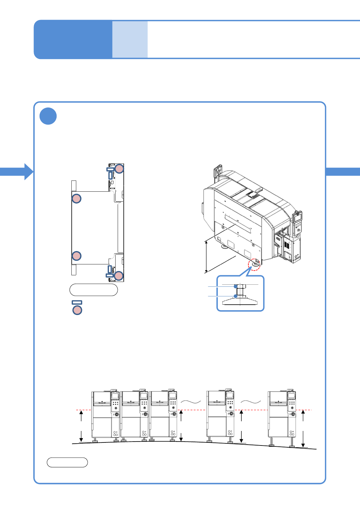
保持水平
设置后,建议半年进行一次水平确认。
注意
水平测量器的设置位置
调整螺栓的位置
前侧
■有关基板搬送高度
●NPM-D3 的标准基板搬送高度是900~920 mm。
●根据客户工厂的地面状态,生产线的基板搬送高度如下图可能会有变化,下图#3和#18 ,交换
台车会有不能正常连接的可能性。
●一条生产线中所有的NPM-D3 的基板搬送高度如果不是 900~920 mm的情况,请事先联络销
售担当或者服务部门。
①按下图位置设置水平测量器。
●水平测量器:4个
③用螺母固定。②通过调整螺栓进行水平调整。
●调节到3个单位(0.06 mm/m)以下。
●调整螺栓:4个
5
基板搬送高度
900~920 mm
螺母
调整螺栓
床面
基板
搬送高度
NG
900 mm
#10
#1 #2 #3 #18
885 mm 920 mm
NG
940 mm
OKOK

NPM-D3 EJM6DC-MB-14M-06
14-3-6
设
置
调整角度,拧紧调整用螺栓
建议拧紧扭矩为3.0 N・m
6
调整信号塔的角度
用六角扳手(3 mm)
拧松调整用螺栓
调整用螺栓
1
2
通知
在出厂时,信号塔为
横放方式。

NPM-D3 EJM6DC-MB-14M-06
地线
V:第2相
W:第3相
U:第1相
■变压电源分支的配线图(一部分)
请确认设备电源的电压设定和工厂的初级电源是否一致。
●本公司出厂时,按照客户要求来设定。
确认变压电源分支的电源
(例: AC 200 V 时)
1
●确认连接L10电缆的分支。
前侧
确认供给电压显示标牌上所表示的电压数值
2
●在AC 290 V以上(AC 380 V以
上的分支)的状态使用时,请确
认地线和各相之间电压处于AC
290 V以下,并且供给电源侧
用星形接法将N (中性) 端子连
接到地线。
注意
●切换初级电源的分支时,请确认工厂的初级电源电压是否与插座切换电压一致。否则会造成主变压
器发热而发上故障。
●请单独使用工厂电流断路器。而且,进行电气施工时,请确认规格书的额定电力后,与电气施工公
司联络。如果与其他设备并用电流断路器,会有可能发生火灾。
●即使关掉主电源、对主电源的初级电源供电,操作时请注意。
前侧
初级电源电压(工厂侧)
警告
电源、空气源和设备的连接,要在设置后再进行
主电源
的连接
确认初级电源和设备电源
的电压
维修保养篇
14-4-1
变压电源分支
变压器
14-4-1-1