KD-2077_使用说明书.pdf - 第28页
第 1 部 基本篇 第 1 章 设备概要 1 - 15 1-2-6 印刷基板 规格 1 .基板条件 基板 尺寸 Min. (X) 50mm x (Y) 30mm 注 1 Max. (X) 410mm x (Y) 360mm 基板厚度 Min. 0.4mm Max. 4.0mm 最大允许重量 2000g 翘曲允许值 每 50mm 不超过 0.2mm ,向上翘曲、向下翘曲均 应不超过 1mm (依 据 JIS B 8461 ) 基板 材质 …

第 1 部 基本篇 第 1 章 设备概要
1
-
14
1-2-4 对象胶粘剂及注射器
可供使用的胶粘剂,应当为临时固定 SMT 实装元件的类型,并且仅限在充分脱泡的状态下充填
在指定注射器中的胶粘剂。
注射器 Iwashita Engineering㈱制 30cc 型(PS30S)
推荐胶粘剂 汉高日本株式会社㈱
LOCTITE 3609
贺利氏株式会社 PD955M
SOMAR 株式会社 IR-120H
注)推荐使用由胶粘剂制造公司充填的胶粘剂。客户自行充填胶粘剂时,请使用胶粘剂专
用充填机,以确保没有空气混入。
现在所销售的所有胶粘剂均标明了有效期限,请注意在期限内使用。
此外,对胶粘剂的保管环境(冰箱的低温保管)有条件要求,请注意根据要求进行保
管。
1-2-5 对象元件
表 1-2-5-1 对象元件
元件名 形状
方芯片电阻 1608、2012、3216、3225 (5025、6432)
网络电阻 (SOP,SOJ,PLCC 类型除外)
无引线电阻晶圆电阻 1.6×φ1.0、 2.0×φ1.25、 3.5×φ1.4、 5.9
×φ2.2
积层陶瓷电容 1608、2012、3216、3225、4532、5750 (5632)
钽芯片电容 3216、3528、6032、7343
铝电解电容
芯片薄膜电容
可变可调电容、芯片式电位计、可调电容器
芯片式铁氧体磁珠
芯片式电感器
SOT 封模部 1608/2012、SOT-23、SOT-89、SOT-143、
SOT-223
SOP 8、14、16、18、20、24、28、32、40 管脚
SOJ 16、18、20、24、26、28、32、40 管脚
注 1
PLCC 18、20、22、28(正方)、28(长方)、32、44
、
52、68、84 管脚
注 1
QFP, BQFP 间隙 0.3/0.4/0.5/0.65/0.8/1.0mm,不超过
50mm
连接器 间隙 0.4mm 以上,不超过 150mm
注 1
IC 接口
间隙 0.5mm 以上,不超过 50mm
注 1
注 1: 通过特别订购针对应。

第 1 部 基本篇 第 1 章 设备概要
1
-
15
1-2-6 印刷基板规格
1.基板条件
基板尺寸
Min.
(X) 50mm x (Y) 30mm
注 1
Max. (X) 410mm x (Y) 360mm
基板厚度
Min.
0.4mm
Max.
4.0mm
最大允许重量 2000g
翘曲允许值
每 50mm 不超过 0.2mm,向上翘曲、向下翘曲均应不超过 1mm(依
据 JIS B 8461)
基板材质
纸酚醛树脂、玻璃环氧树脂
(X):基板传送方向 (Y):与基板传送方向垂直
注 1: 如果装备了可选项的自动基板宽调整,则最小基板尺寸为(X) 50mm x (Y) 50mm 。
2.基板制限条件
(1) 不可点胶范围
50~410mm
50~360mm
3 mm 3 mm
塗布不可範囲
Φ2.5~4.0 mm
+0.1
0
6 mm
標準5 mm
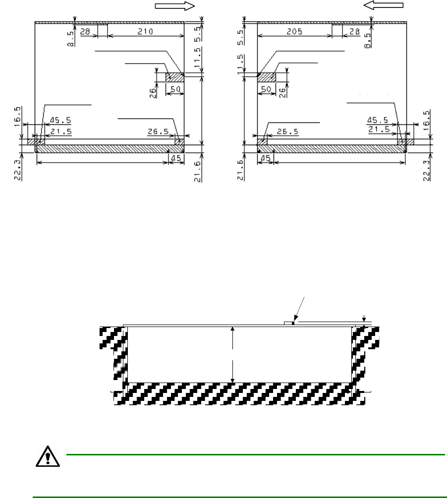
图 1-2-6-1 基板上面不可点胶范围(基板俯视图)
注 1.有基板幅自动调整功能时,最小尺寸为 50mm。
注 2.在以外形基准决定位置的方式下,可以点胶。
工厂出厂时的尺寸。
注意
标准
不可点胶范围
注 1
30
注 2
注
2

第 1 部 基本篇 第 1 章 设备概要
1
-
16
(2) 基板下面
图 1-2-6-2 基板下面(斜线阴影部位为不可设置支撑销的范围)
*为后面基准时上下面相反。
(3) 元件高度及基板背面传送高度的范围
3 mm.
3 mm.
最大40 mm.
基板裏面
搭載可能範囲
最大2 mm.
既搭載部品
图 1-2-6-3 元件高度及基板背面传送高度的范围
如果已经有装载好的元件,则自元件边缘起 4mm 以内的范围内不能点胶。
(“0.1 秒/点胶”时不能有已装载的元件)
3
3
注意
已装载元件
基板背面可装
载的范围
基板传送方向(前基准)
基板传送方向(前基准)
停止挡销
尖端接触位置
停止挡销和连动
停
止挡销尖端接触位置
停止挡销和连动
从动销和连动
从动销和连动
(销基准使用时)
(销基准使用时)
(销基准使用时)
(销基准使用时)
360(受动销设定范围)
360(受动销设定范围)
187
(可动范围)
187
(可动范围)
最大 2.5mm