5OM-1602-004_w.pdf - 第125页
5OM-1602 4-8 1201-004G(M914W A---0001) 综合模块图 A B C D 1 2 3 4 5 6 7 8 9 10 1 1 12 A B C D E F G H F201~203 F200 3 3 Q201 2 Q204 K28 Q205 K29 M66 2 Q206 +48V(D) G2 +24V(G) G4 24G5A 24G8A 24G1,2A F13 48D3A F14 48D3B F33 48D…

5OM-1602
4-7
0910-001
电路图符号

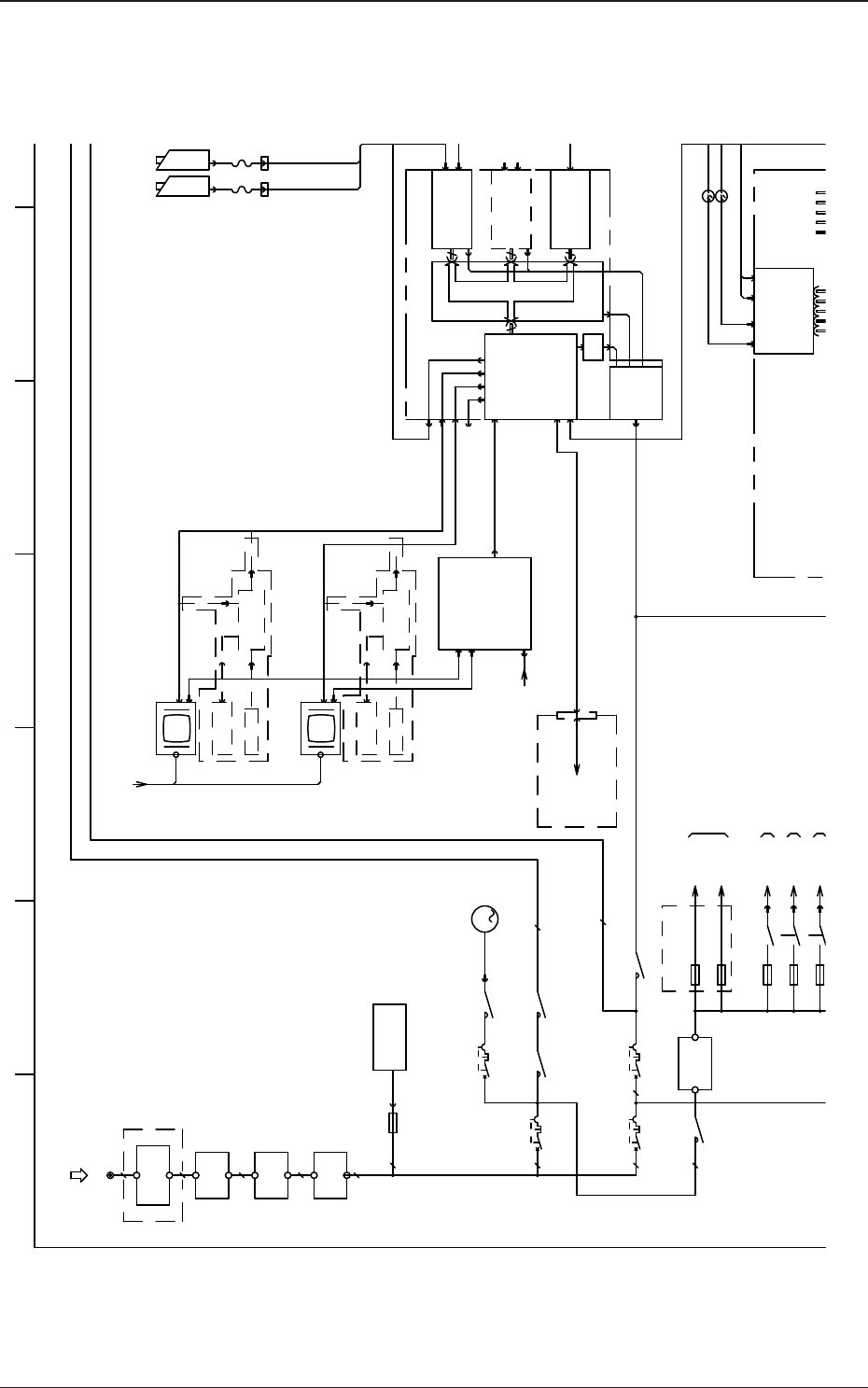
5OM-1602
4-8
1201-004G(M914WA---0001)
综合模块图
A
B
C
D
1
2 3 4 5 6 7 8 9 10 11 12
A
B
C
D
E
F
G
H
F201~203
F200
3
3
Q201
2
Q204
K28
Q205
K29
M66
2
Q206
+48V(D)
G2
+24V(G)
G4
24G5A
24G8A
24G1,2A
F13
48D3A
F14
48D3B
F33
48D3E
K38
U27
+24V(A)
G1
24A1
+24V(B)
+24V(C)
+24V(F)
F1
K1A
24B1
24B3
F42
24C
24F
3
CONTROL
U82
MOTION
U85
HLSC
(CN8)
RS485
I/OSSCNET
+5V
U81
CPU
COM1 LAN
AC-IN
+5V
(CN5)
CN1
HLS LINK (HEAD)
HLS LINK
HLS LINK (IF+HEAD)
HLS LINK
SERIAL
SERIAL
I/O
24B1
ID:0
AE LINK
DOM
D81
3
2
M63F
CT(2)-Axis
U
CU-SRS(1)
M33
NLNSDD
M32
M31
Servo Motor AMP
A31
CNP1
48V/24V
CN1A
SSC
M34
HL
CN3
24V
M33
NLNSDD
M32M31
A31
M34
HL
24B124F
24B1
48D3A
48D3B
Servo Motor AMP
U
HH-SRS(2)
24G*
24G*
24F
NOISE
FILTER
Z02
NOISE
FILTER
Z01
Q200
3
3
3
3φ AC200V-AC400
3
M
TRANSFORMER
T01
3
K33A
3
2
LAN2
CPU
U91
USB(1)
VGA
LAN1
USB(2)
U165
CN1
CN3
DC-IN
CN2
124
124
U92
Frame
Grabber
PIO
CAM
+12V
AC-IN
DOM
+5V
+12V
CPCI
PCI
INPUT
+48V(F)
G7
48H
124
U93
Frame
Grabber
PIO
CAM
124
U94
COUNTER
IN
OUT
Trigger
CN2
CN3
CN1
CN6
CN8
CN5
CN7
E191
E39
48H
E39
(1)
(2)
(2)
CN4
U178
USB HUB
LCD
(TP)
REAR
N74
24B3
LCD
(TP)
FRONT
N74
N76
N75
Option
A31:
A41,A45,A47:
A31:
U95:
Option
CN1B
CNP1
48V/24V
CN1A
SSC
CN3
24V
CN1B
F2
24A2
24A0
F5
24A3 OUTPUT
K25
F7
F52
24B2
F41
X7210
F43
48D3G
A161,A53:
A43,A49,A51:
24F
24F
U
SL-SRS
AE LINK
K75
K71
K77
K72
24G1,2B
24G5B
24G8B
24B1
U178
USB HUB
N76
N75
Option
2CH1CH 2CH1CH
OUTPUT
U181F
SV-NET
CN1 CN4
CN2
24A2
A63F
Servo Motor
AMP
CN2
CN1
CN3 CN5
48D3K
AE LINK(CH2)
K10
F29
48D3J
A63R:
F30
48D3K
A63F:
CH1 CH2 CH2CH1
(CN9) (CN10)(CN13)
A_LINK
AE_LINK
U181R
SV-NET
CN1 CN4 CN2
24A2
AE LINK
A162,A55:
E192
(2)
E193
(2)
E194
(2)
E191
(1)
E192
(1)
E193
(1)
E194
(1)
K1B
COM2
G21
G22
COM1
COM2
+5V
F34
48D3F
F44
48D3H
K50
K33B
ILB
U05 U07 U08
U06
24C
U27
24A*48D
CN3
CN4
CN1
CN2
CN1
CN4
CN5
CN3
CN4
CN3
CN4
HLS LINK
HLS LINK
SERIAL
Relay P.C.B
CNVR-L
CUT(2)
24B1
24A1
24A3
24B1
24A3
PWR
U12
CN3
CN4
U14
CN3
CN4
CNVR-R
U01
CN3
CN4
CN1
CN2
PNL
24A1
U09
CN3
CN4
CUT(1)
CN1
CN2
CN1
CN2
CN1
CN2
CN1
CN2
CN1
CN2
3
D91
A63R
M63R
CT(1)-Axis
Servo Motor
AMP
CN2CN1
48D3J
CN3 CN5
AE LINK
U
SL-SRS
(F) (R)
NA-BAL
M53
Stepping Mot AMP
A53
CN9
EMG
CN10
PWR
N2
AE
N1
AE
CN5CN1
M54
NA-BAR
48D3F
CN7CN3
A161
CN9
EMG
CN10
PWR
N2
AE
N1
AE
CN5CN1
CN7CN3
M162
NA-W2
NL-LA1
M41
A41
CN9
EMG
CN10
PWR
N2
AE
N1
AE
CN5CN1
M42
NL-LA2
CN7CN3
NA-LA1
M43 M44
NA-LA2
NR-LA1
M49
A49
CN9
EMG
CN10
PWR
N2
AE
N1
AE
CN5CN1
M50
NR-LA2
CN7CN3
A43
CN9
EMG
CN10
PWR
N2
AE
N1
AE
CN5CN1
CN7CN3
48D3E
48D3G
(可動-可動)
NA-W1
M161
AE LINK(CH1)
K52
K52
(RS232C)
U190
U180
U25
X1
LINE SENSOR
U03
CN6
CN5
X2
Slip
24B1 24F
LINE SENSOR
U03
U147
Conn.
CN1
X1
24B1 24F
U25
X2
CN1 CN6
CN5
Rings
U37
Slip
J1
Rings
U37
U04
U04
FB
U69
CN9
CN8
CN6
U
FB-SRS(2)
FB
U69
U68a
CN9
X100
Connector PCB
CN8
CN6
U68b
X100
Connector PCB
FEEDER
FEEDER
U68a
X100
Connector PCB
U68b
X100
Connector PCB
FEEDER
FEEDER
F21-24
F25-28
U27
A21R
Servo Motor
A22R A23R
M21R
X-Axis
Linear Scale
I/F
U21R
M22R
U22R
M23R
U23R
AMP
Y1-Axis
Linear Scale
Y2-Axis
Linear Scale
Servo Motor
AMP
Servo Motor
AMP
I/F I/F
CN5
U24R
Connector
PCB ENCD
Q222R
Q223R
A21F
Servo Motor
A22F A23F
M21F
X-Axis
Linear Scale
I/F
U21F
M22F
U22F
M23F
U23F
AMP
Y1-Axis
Linear Scale
Y2-Axis
Linear Scale
Servo Motor
AMP
Servo Motor
AMP
I/F I/F
CN5
Connector
PCB ENCD
Q221F
Q222F
Q223F
3
M
3
M
3
M
3
M
3
M
3
M
CN12
24B1
CN12
24B1
U24F
B36(1)
B36(2)
B61(1)
B61(2)
(CN15)(CN3)
(CN14)
U
HH-SRS(1)
U
CU-SRS(2)
CPU1-LINE:LAN1
U
FB-SRS(1)
U
HH-SRS(1)
U
HH-SRS(2)
P.C.B
U147
Conn.
P.C.B
J1
(R) (F) (R) (F)
P2A 2A P2B 2B P2C 2C P2D 2D P2A 2A P2B 2B P2C 2C P2D 2D
2 3 412 3 41
IF
Stepping Mot AMP Stepping Mot AMP Stepping Mot AMP Stepping Mot AMP
Q221R
+5V(J)
G8
5J
F61
M
M M M
M
M M
M
M M M
M
M M
M M M M M
M M
24B4
X17110
1
2 3 4 5 6 7 8 9 10 11 12
A
B
C
D
E
F
G
H
ATX Power Supply
Key Board
U95
Beam Connector
Relay Panel
Beam Connector
Relay Panel
Beam Connector
Relay Panel
Main Power Supply
Control Power Supply
SSCNET3 (Optic)
PEC Recognition Lighting
PEC Recognition Lighting
PEC Recognition Lighting
PEC Recognition Camera
Beam Connector
Relay Panel
LED Lighting
Control PCB
Component
Recognition
Camera
CPU1 (Operation and Recognition PC)
Power
Supply
Track Ball
Key Board
Track Ball
Extermal LAN
Image Changer
Extermal LAN Connection Panel
Lighting Surge
Protector
Attached externally to the Machine
Vacuum Pump
Main Power
Supply
Control Power
Supply
Main Power Unit for the Head Unit
Multi-axis Board
Main Power Unit for the Transfer Unit 2-Axis Board
Main Power Unit for the Transfer Unit 2-Axis Board
Power Unit for the Transfer Unit 2-Axis Board
Power Input Circuit
CT Axis SV-NET Power Supply
CT Axis SV-NET Power Supply
Main Power Unit for the Transfer Unit 2-Axis Board
Safety Circuit
Safety Circuit
Cooling Fan
Power Supply for OP
(1) (2) (1) (2)
N74: Power Unit for the Front and Rear Monitors
External Power Unit for the Input and Output Machines through I/F
Head Unit Multi-Axis Board Control Power Unit
Main Power Unit for the LED Lighting Control PCB
Power Unit for the External Unit (1)
Power Unit for the External Unit (2)
External Unit
Connecting Bundled
Connector
Beam Connector
Relay Panel
Each Loads and Sensor
Power
Supply
ATX Power Supply
CPU2 (Control PC)
ConverterConverter
Each Loads
and Sensor
External Unit Connecting
Bundled Connector (Front)
External Unit Connecting
Bundled Connector (Rear)
External Conveyor
IF Panel
X18512 X18514
Beam Connector
Relay Panel
Beam Connector
Relay Panel
External Unit Connecting
Bundled Connector
Line Sensor
Light
Reception
Line Sensor
Light
Emission
Light
Reception
Light
Emission
SSCNET3 (Optic)
15 Lane 15 Lane
15 Lane 15 Lane
Beam Connector
Relay Panel
Beam Connector
Relay Panel
SSCNET3 (Optic)
SSCNET3 (Optic)

5OM-1602
4-9
1201-004G(M914WA---0001)
综合模块连接图 (A 部详细图 )
1
2 3 4 5 6
F201~203
F200
3
3
Q201
2
Q204
K28
Q205
K29
M66
2
Q206
+48V(D)
G2
F13
48D3A
F14
48D3B
F33
48D3E
K38
U27
3
CONTROL
U82
MOTION
I/OSSCNET
ID:0
NOISE
FILTER
Z02
NOISE
FILTER
Z01
Q200
3
3
3
3φ AC200V-AC400
3
M
TRANSFORMER
T01
3
K33A
3
2
LAN2
CPU
U91
USB(1)
VGA
LAN1
USB(2)
U165
CN1
CN3
DC-IN
CN2
124
124
U92
Frame
Grabber
PIO
CAM
+12V
AC-IN
DOM
+5V
+12V
PCI
124
U93
Frame
Grabber
PIO
CAM
124
U94
COUNTER
IN
OUT
Trigger
U178
USB HUB
LCD
(TP)
REAR
N74
24B3
LCD
(TP)
FRONT
N74
N76
N75
Option
A31:
A41,A45,A47:
Option
F43
48D3G
A161,A53:
A43,A49,A51:
24B1
U178
USB HUB
N76
N75
Option
2CH
1CH 2CH1CH
K10
G21
COM1
COM2
+5V
F34
48D3F
F44
K33B
3
D91
U190
U180
B36(1)
B36(2)
CPU1-LINE:LAN1
(R) (F)
ATX Power Supply
Key Board
PEC Recognition Camera
Beam Connector
Relay Panel
CPU1 (Operation and Recognition PC)
Power
Supply
Track Ball
Key Board
Track Ball
Extermal LAN
Image Changer
Extermal LAN Connection Panel
Lighting Surge
Protector
Attached externally to the Machine
Vacuum Pump
Main Power
Supply
Control Power
Supply
Main Power Unit for the Head Unit
Multi-axis Board
Main Power Unit for the Transfer Unit 2-Axis Board
Main Power Unit for the Transfer Unit 2-Axis Board
Power Unit for the Transfer Unit 2-Axis Board
CPU2 (Control PC)
SSCNET3 (Optic)
SSCNET3 (Optic)