5OM-1602-004_w.pdf - 第131页
5OM-1602 4-14 1201-004L(M914WB---0002) 电源部 2 1 2 3 4 5 6 7 8 9 10 11 12 A B C D E F G H 10D 48D L120 L220 + - L1 L2 FG DC48V F13(5A) F14(5A) 48D3A 48D3B G2 K38 10D 48D3E 48D2E 1 2 U27 DC24V (L) (N) FG U27:X2715,X2717 24G…

5OM-1602
4-13
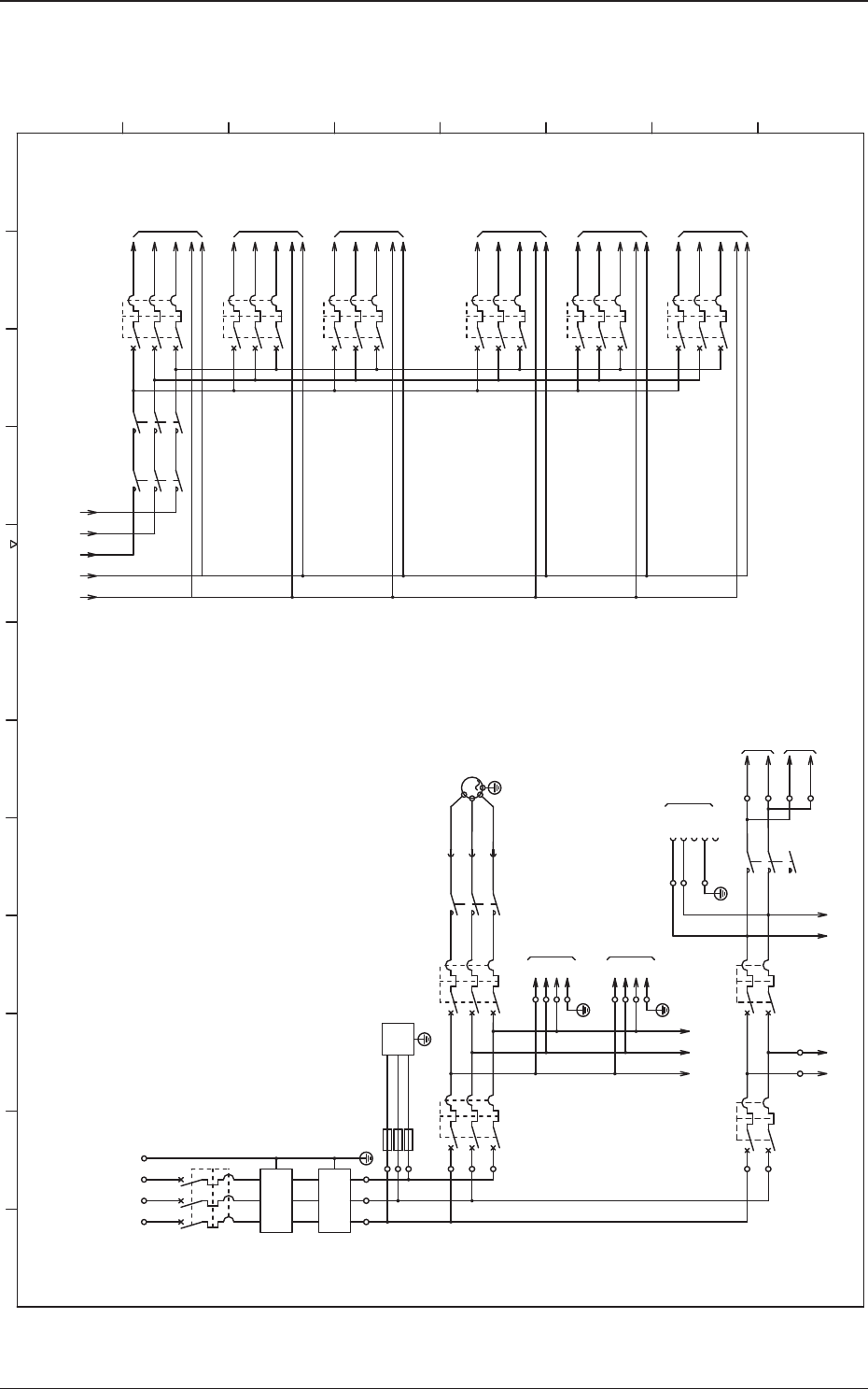
0910-001A(M914WB---0001)
电源部 1
1
2 3 4 5 6 7 8 9 10 11 12
A
B
C
D
E
F
G
H
(5A)
(5A)
(5A)
Z1
PEL3L2L1
Absorber
6
NOISE FILTER1
4
5
1 2 3
L10
L20
L30
L22
L32
Lightning
Surge
L12
Q200
L300
L200
L100
F201
F203
F202
L11
L21
L31
321
5
4
NOISE FILTER2
6
Z2
F200
L115
L215
L315
Q221F
Q223F
Q222F
L313
L213
L113
L314
L214
L114
A22F
L121
L221
L121
L221
L121
L221
L221
L121
L221
L121
L221
L121
A22R
A23R
A21R
L117
L217
L317
L116
L216
L316
Q222R
Q223R
Q221R
Servo Motor AMP(Y1)
Servo Motor AMP(Y2)
Servo Motor AMP(X)
L318
L218
L118
A23F
A21F
[C-/01/2A]
[C-/01/2G]
[C-/02/2A]
[C-/03/2A]
[C-/03/2G]
[C-/04/2A]
Servo Motor AMP(Y1)
Servo Motor AMP(Y2)
Servo Motor AMP(X)
L310L210L110
[B-/01/2G]
Q201
L310
L210
L110
400W
Vacuum Pump
3
M
M66
U
V
W
K29
Q205
65
43
1 2
L331
L231
L131
L330
L230
L130
L310L210L110
[B-/01/8A]
3
5 6
4
2
K33A
1
Q204
Q206
L220L120
[B-/02/1A]
L220
L120
For Power Supply to Control PC
K28
L122
L222
3
1
4
2
L221
L121
5 6
A81
For Power Supply to Operation/Recognition PC
A91
[N-/11/1A]
[R-/01/2A]
L112
L212
L312
L221L121
[B-/01/8A]
L221L121
[B-/01/4H]
CPU1
CPU2
3
5 6
4
2
K33B
1
L111
L211
L311
:1
[D-/12/1B]
[D-/22/1B]
:2
:3
:4
:1
:2
:3
:4
[B-/02/7A]
Check
Check Check Check
Check
External Unit Connecting Bundled Connector (Rear)
-X1300B1
-X1300B1
External Unit Connecting Bundled Connector (Front)
[LF/01/2A]
K100
OP : Lead Coplanarity
:1
X:REED-K100
:2
:3
:1
:2
1
2 3 4 5 6 7 8 9 10 11 12
A
B
C
D
E
F
G
H

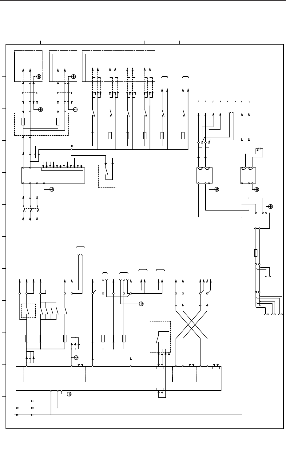
5OM-1602
4-14
1201-004L(M914WB---0002)
电源部 2
1
2 3 4 5 6 7 8 9 10 11 12
A
B
C
D
E
F
G
H
10D
48D
L120
L220
+
-
L1
L2
FG
DC48V
F13(5A)
F14(5A)
48D3A
48D3B
G2
K38
10D
48D3E
48D2E
1 2
U27
DC24V
(L)
(N)
FG
U27:X2715,X2717
24G
10G
+
-
10G
24G
X2711
:2
:1
[B-/01/3H]
[D-/12/1C]
10H
48H
(L)
(N)
FG
DC48V
G7
48H
10H
+
-
-
RC+
RC-
+
DC24V
FG
DC24V
(L)
(N)
DC24V
24A2
24F
24C
G1
F7(6.3A)
24A1
24A0
K1A
4 3
F1(3.15A)
13 14
F2(6.3A)
23 24
K25
4 3
F5(6.3A)
F42(5A)
F52(6.3A)
24A(+)
24B3
K27
F41(3.15A)
24A3
24B1
24C
10A
10B
10C
48D3F
48D3G
48D2G
5 6
48D3H
4 3
[D-/02/2E]
[MH/01/1B,5B]
L110
U27
K1B
33 34
43 44
24A30
CN2
CN1
1
3
:1
:2
:3
:4
1
2
RC+
RC-
CN2
1
2
RC+
RC-
CN2
1
2
RC+
RC-
CN2
1
2
X2702
24A1
G
AUX
48D3J
[D-/12/1B]
48D3K
(6.3A)
F30
[D-/22/1B]
U27
3 4
5 6
K10
1 2
3 4
5 6
L240
L140
CN02
11
12
K15
56
X2708
:1
X2708
:2
U27
10D
10D
10D
10D
10D
10D
10D
48D2F
3 4
K50
1 2
48D2H
48D2J
48D2K
:1
X2712
:2
X2713
24B1
10B
24B1
10B
-X1300B2
-X1300B2
24A20
L210
L310
[B-/01/3F]
L3
L340
X:G1
:4
:5
:6
X:G1
-1 -2 -3
CNT
TOG
X14106
U27:X2716,X2717
[D-/22/1C]
X14906
:A1
X131P1
:A2
:A1
X231P1
:A2
(Robot Cable)
:1
:2
:A1
:A2
:A1
:A2
:A3:A3
:A4
(Robot Cable)
:A3:A3
:A4
10
9
8
7
6
5
4
3
2
1
REF
PV
COM
PC
-S
-V
+S
+V
PF
TOG
(SLOT1,2)
(SLOT4)
(SLOT5)
+
-
:2
X:REED-X19601
:1
[LF/01/2C]
U96:X9601
X:REED-G04
[LF/01/2D]
F70,71
10F
10C
:2
:1
24A0
24B1
24B2
24B3
24B4
G4
X15306
X15506
(L)
(N)
FG
DC5V
G8
+
-
5J1
10J
:1
:2
:1
:2
:1
:2
:1
:2
(3.15A)
F61
10J
5J
X:5VOP2
X:5VOP3
X:5VOP4
X:5VOP1
C129
-2
-3
-1
-4
-2
-3
-1
-4
-2
-3
-1
-4
-2
-3
-1
-4
X:G01A
-B1
10A(-)
-B2
-B3
-A1
-A2
-A3
24B(+)
10B(-)
DC24V
(SLOT3)
-2
X:G01A
X:G01B
-1
X:G01B
X:G01A
-B5
X:G01A
-A5
X:G01A
-B6
X:G01A
-A6
24F
10F
X:G2,04
-B1
-A1
-B2
-A2
-B3
-A3
X:G07
-2
-1
X:G2,04
(6.3A)
F29
(10A)
F44
(10A)
F43
(10A)
F34
(10A)
F33
24F
10F
:2
:1
:2
:1
X7210
:3
X17110
[R-/01/12D]
[D-/01/1A]
[B-/03/2A]
[B-/03/1A]
[B-/03/1A]
[B-/03/9A]
[BL/02/6E]
[BL/01/6F] [BL/03/6F] [C-/*1/8F] [D-/*1/3F]
[F-/01/9D] [F-/01/9H]
[BL/04/6F] [F-/07/3F]
[D-/*1/3F]
[D-/02/2E] [F-/01/2E] [F-/02/3F] [F-/13/5F]
-X1300D1
[D-/12/1E]
-X1300D1
[D-/22/1E]
SL-SRS or DL-SRS
HH-SRS or HM-G500
HH-SRS or HM-G500
Rear Side
Front Side
Cooling Fan
For Safety Circuit
Power Input Circuit
For Safety Circuit
DC Load Power Source
DC Load Power Source
Front/Rear Touch Panel Screen
DC Sensor Power Unit
HLS Input Circuit Power Output ON
Feeder Bundled Connector Relay
Multi Layer Tray (1)
DC Sensor Power Unit
Feeder Bundled Connector Relay
Multi Layer Tray (2)
DC Sensor Power Unit
External Power Unit for the Input and Output Machines through I/F
HEAD Unit DC Load Power Source
External Unit Connecting
Bundled Connector (Rear)
External Unit Connecting
Bundled Connector (Front)
For Power Unit for the LED Lighting
Control PCB
Lighting Control PCB Capacitor
OP : Coplanarity (Power to the Sensor)
OP : Coplanarity(IF_PCB)

5OM-1602
4-15
1103-002G(M914WB---0003)
电源部 ( 共享继电器电路 )
U
U
10A
318
319
K28
A2
A1
-X2742
:9
:9
-X2741
:10
X2742
:10
X2741
X2705
:4
:3
X2704
:4
X2704
:3
34
E2E1
S132
S131
E1 E2
K65A
4 3
K27
121
H101
POWER ON LED
H201
POWER ON LED
RED
GREEN
306
K31
307
3 4
5
8
10 9
X2701
:4
316
K1 K2
K4K3
JP
4
3
b
a
b
a
Control
CircuitTimer
OFF Delay
K4
K3
K2
K1
54
44
34
24
14
A
B
T22
T21
PET11
T12
T31
T32
13
23
33
43
53
A2A1
X2725
:3
X2728
:4
X27150
:3
:5
X27150
X27150
:2
:4
X27150
:6
X27150
-X2704
:2
:2
-X2705 -X2705
:1
:1
-X2704
U27
315
K2
(1sec)
14
13
8
1
K1A
426
421
4 3
K43
420
408
405A
401
S101F
S101B
24A1
300
95
K2
441
445
K3
412
K1A
X2701
:1
56
X27150
:7
X2705
[B-/02/5A]
10A
24A1
[B-/02/5B] [B-/03/1H]
2 1
S105F
402
2 1
405
S105B
2 1
409
2 1
412
X2725
:1
X2728
:2
K33B
A1 A2
K10
A1 A2
K21
6 8
K38
A1 A2
418
:2
:1
419
22 21
K38
X2723
K66A
24A0
[B-/02/5A]
24A2
[B-/02/5A]
K126
1516
24A3
[B-/02/5B]
K50
A1 A2
K22
6 8
417
22 21
K50
24A2
A2
:2
X2701
:6
X2701
:5
405B
X8203(1CH)
K129
3 4
390
:2
X2762
:4
X2762
:6
X2762
10 9
393
:2
X2763
:4
X2763
:6
X2763
:1
X2762
:3
X2762
:5
X2762
:1
X2763
:3
X2763
:5
X2763
[F-/12/5D]
A1
A2
K1B
[B-/02/5A]
24A1
[B-/03/9A]
10A
[B-/03/12A]
[B-/03/7H]
K33A
A1 A2
K11
6 8
34
K15
21 22
K10
1 2 3 4 5 6
1
K31
12
1
K31B
12
6261
U27
:12
X27150
:11
X27150
:10
X27150
:9
X27150
:8
X27150
:1
X27150
:13
X27150
336
334
331
332
333
335
24A2
:1
X27153
:2
:3
:1
X27154
:2
:3
24A2
610
K2
14 13
X1
X2
1314
RED
GREEN
X1
X2
:B1
:B2
:B3
:B1
:B2
:B3
[D-/12/2E]
-X1300D1
[D-/22/2E]
-X1300D1
S105FS105B
-X2701
:3
T32
Y1
A1
441A
S131 S132
444
S131 S132
T33
T31
415
K33B
416
2221
K33A
T22
T12
T42
T41
S14
S24
2221
1112 1112
3132 3132
D1
D2
D3
D4
W
BK
BR
BL
W
BK
BR
BL
K4
440
443
A2X1
X2
S44
S54
L1
D1
D3
D4
D2 D
10A24A1
24A1
430
429
414
:22
:47
10A446
S151F
S151B
Y
Y
:3
X:S151F
:2
:4
:1
:5
:3
X:S151B
:2
:4
:1
:5
:2
X22765
:1
1
2 3 4 5 6 7 8 9 10 11 12
A
B
C
D
E
F
G
H
HLS Input Power Input
PC Power Input
Main Power Input Delay
Power Supply for Control
POWER ON PB (Rear)
POWER ON PB (Front)
Cover Lock (Rear Side)
Cover Lock (Front Side)
Control Panel (Front)Control Panel (Rear)
Emergency StopEmergency Stop
Head Main Power Input
Conveyor Main Power Input
DC Load Power Input
CUT(1)(2) Main Power Input
Motion Control PCB :U82
DI Connector 1CH
Conveyor Emergency Stop
Power ON (Green) Light ON
Safety Relay Monitor
To Transfer Unit Motor
Driver Conveyor Emergency
Stop Input
SL-SRS or DL-SRS
External Unit Connecting Bundled
Connector (Rear)
External Unit Connecting Bundled
Connector (Front)
Linear Motor Main Power Input
Linear Motor Main Power Input
Feeder Cart
Detection (Front)
Feeder Cart
Detection (Rear)
Sensor Circuit Correction