5OM-1602-004_w.pdf - 第203页
5OM-1602 5-22 1 103-003 批量连接器电线连接资料 ( 主机侧 ) (Feeder Power Distribution) (Feeder HLS) SERIAL Communication Safety Circuit: Emergency Stop Safety Circuit: Interlock (Through TB) SV -NET Converter CAN Communication+DC24V L1…

5OM-1602
5-21
1103-003B(02001)
单独搬送配线连接图
1091401300-08 1091401300-08
UB77:X2762
1091401300-09
CPU2(U85) X8511
1091401300-08
CPU2(U85) X8513
UB77:X2763
1091401300-09
X0804
X0803
1091401300-08
X0801
X1300F1
X0802
X1401
X1402
X1404
X1403
1091401300-08
X1300F1
1091401300-11
1091401300-11
2091401304-02
2091401304-02
2091401304-02
2091401304-02
2091401304-022091401304-02
A161A45 A47
X14106
X16104
CN4
B16101
B16101
M161
NA-W1
X4504
X4508
CN8
CN4
B4502
B4501
B4502
B4501
M45
NL-LB1
M46
NL-LB2
X4704
X4708
CN8
CN4
B4801
B4701
B4801
B4701
M47
NA-LB1
M48
NA-LB2
A53
B5301
X5304
CN4
B5401
X5308
CN8
M53
NA-BAL
M54
NA-BAR
CN1
X16101
CN1
X4501
CN5
X4505
CN1
X4701
CN5
X4705
CN1
X5301
CN5
X5305
X4510
CN10
X4710
CN10
X16110
CN10
X15306
X5310
CN10
N1 N2
N1 N2 N1 N2 N1 N2
X4509
CN9
CN9
X16109
CN9
X5309
CN9
X12762
X0840
X0841
A51
X5104
X5108
CN8
CN4
B5101
B5101
M51
CN1
X5101
NR-LB1
M52
CN5
X5105
NR-LB2
X14906
X5110
CN10
N2 N1
X5309
CN9
X12763
CN2A/2BCN1A/1B
/RX
RX
/TX
TX
9,10
7,8
5,6
3,4
/RX
RX
/TX
TX
9,10
7,8
5,6
3,4
U08
L
X0840
CN40
X0841
CN41
X0820
CN20
B0820
B0820
B0820T
X0833
CN33
X0837
X0836
CN36
CN37
X0839
CN39
Y0836
Y0837
Y0839
CN4
CN3
B4701
B4801
X0812
CN12
B0812,0813
X0813
CN13
Y0833
CN2A/2BCN1A/1B
/RX
RX
/TX
TX
9,10
7,8
5,6
3,4
/RX
RX
/TX
TX
9,10
7,8
5,6
3,4
X1414
CN14
B1414,1415
B1414
B1415
X1415
CN15
X1416
CN16
B1416,1417
B1416
B1417
X1417
CN17
X1437
X1436
CN36
CN37
X1439
CN39
Y1436
Y1437
Y1439
CN4
CN3
U14
R
CN3
X5303
CN7
X5307
AE-LINK Converter U181(R)
BA Side Panel
HLS Collective Section
PCB Stopper 6 (OP)
Movable Chute 3
PCB Support Pin Detection 3
BA Side Panel
Transfer L
Bank Feeder Change Cart
Connector Section (R)
Lane B Stop Sensor
Lane B Deceleration Sensor
Lane B Stop Sensor Mounting Section 1
Lane B Stop Sensor Mounting Section 2
BA Side Panel
Movable 3 Z Cylinder Down: L
Movable 3 Z Cylinder Up: L
PCB Stopper Lane B: L
PCB Stopper 6 (OP)
Movable Chute 3 Origin Sensor
Backup 1 Origin
Backup 2 Origin
Lane B Stop Sensor
HLS Collective Section
PCB Stopper Origin: BL
PCB Stopper Upper: BL
PCB Stopper Origin: BR
PCB Stopper Upper: BR
Transfer L
BA Side Panel
BA Side Panel
Bank Feeder Change Cart
Connector Section (F)
Movable 3 Z Cylinder
Down: R
Movable 3 Z Cylinder
Up: R
PCB Stopper Lane B: R
TB:DC1 TB:DC1
AE-LINK Converter U181(L)
TB:DC1
TB:DC1
(U12):X1202 (U06):X0602
TB:DC1
(UB32) (UB32)
Wiring for Optional Device
Wiring for Optional Device
Wiring for Optional Device

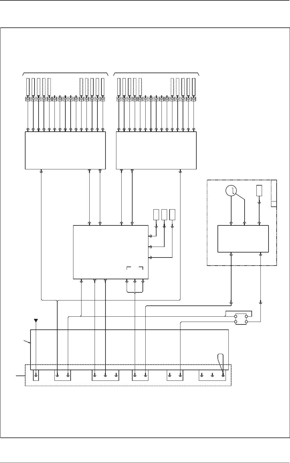
5OM-1602
5-22
1103-003
批量连接器电线连接资料 ( 主机侧 )
(Feeder Power Distribution)
(Feeder HLS)
SERIAL Communication
Safety Circuit: Emergency Stop
Safety Circuit: Interlock
(Through TB)
SV-NET Converter
CAN Communication+DC24V
L110, 210 and 310 Line TB
Electromagnetic Panel+TB
Relay PCB+TB
For SV-NET Converter
Mounting Panel with
Standard/
Special specifications
To ACV specially designed Ethernet Converter
Feeder Set Jig Connector
Connector for Single Tape Feeder
Feeder Connector Bracket
External Unit Bundled Connector Cable
(On the side of Main Machine)
Pneumatic Piping

5OM-1602
5-23
1201-002
批量连接器电线连接资料 ( 推车侧 )
X300B
X30
X300F
X300C
X300A
X300E
-X68100A
X100
-X6801
X01
-X6802
X02
X01
X02
-X6803
X03
-X6804
X04
X03
X04
-X6805
X05
-X6806
X06
X05
X06
-X6807
X07
-X6808
X08
X07
X08
-X6809
X09
-X6810
X10
X09
X10
-X6811
X11
-X6812
X12
X11
X12
-X6813
X13
-X6814
X14
X13
X14
-X6815
X15
X15
-X6301
CN1
-X6302-X16302
CN2
A63
SV-NET
-X68101
X101
-X68102
X102
M63(CUT)
CN3
-X6303
CN5
-X6305
B6302
CN7
-X6307
(PWR)
(PWR)
CU-SRS
U
-X68100A
-X6801
X16
-X6802
X17
X01
X02
-X6803
X18
-X6804
X19
X03
X04
-X6805
X20
-X6806
X21
X05
X06
-X6807
X22
-X6808
X23
X07
X08
-X6809
X24
-X6810
X25
X09
X10
-X6811
X26
-X6812
X27
X11
X12
-X6813
X28
-X6814
X29
X13
X14
-X6815
X30
X15
-X68101
-X68102
(PWR)
CN1
CN3
-X6901
-X6903
CN2
CN4
-X6902
-X6904
-X6908
CN8
(PWR)
CN9
CN6
(HLS)
(SERIAL)
-X6911
-X6912
-X6915
CN11
CN12
CN15
CN14
CN10
CN13
-U68
Connection PCB
(SV-NET)
-U69
I/O PCB
(STLT FB)
FB
-U68
Connection PCB
FB
-X6906
-X6909
-X6914
B6904
B6906
-X6913
Y6908
-X6910
M
X100
X101
X102
K52
X300D
Extermal Unit Collective Connector
HLS Communication
SERIAL Communication
Solenoide Valve
Drawer Connector
FEEDER(15 Lanes)
FEEDER(15 Lanes)
Extermal Unit Collective Connector Cable (On the side of Feeder)
CAN Communication
+DC24V
DC24V(Feeder HLS)
DC24V(Feeder Power Distribution)
For Offline Control
Pneumatic Piping
DC48V(CT-Axis Power)
Feeder Connection Confirmation
-K52-13,23
-K52-14,24
-K52-A2
-K52-A1