5OM-1602-004_w.pdf - 第166页
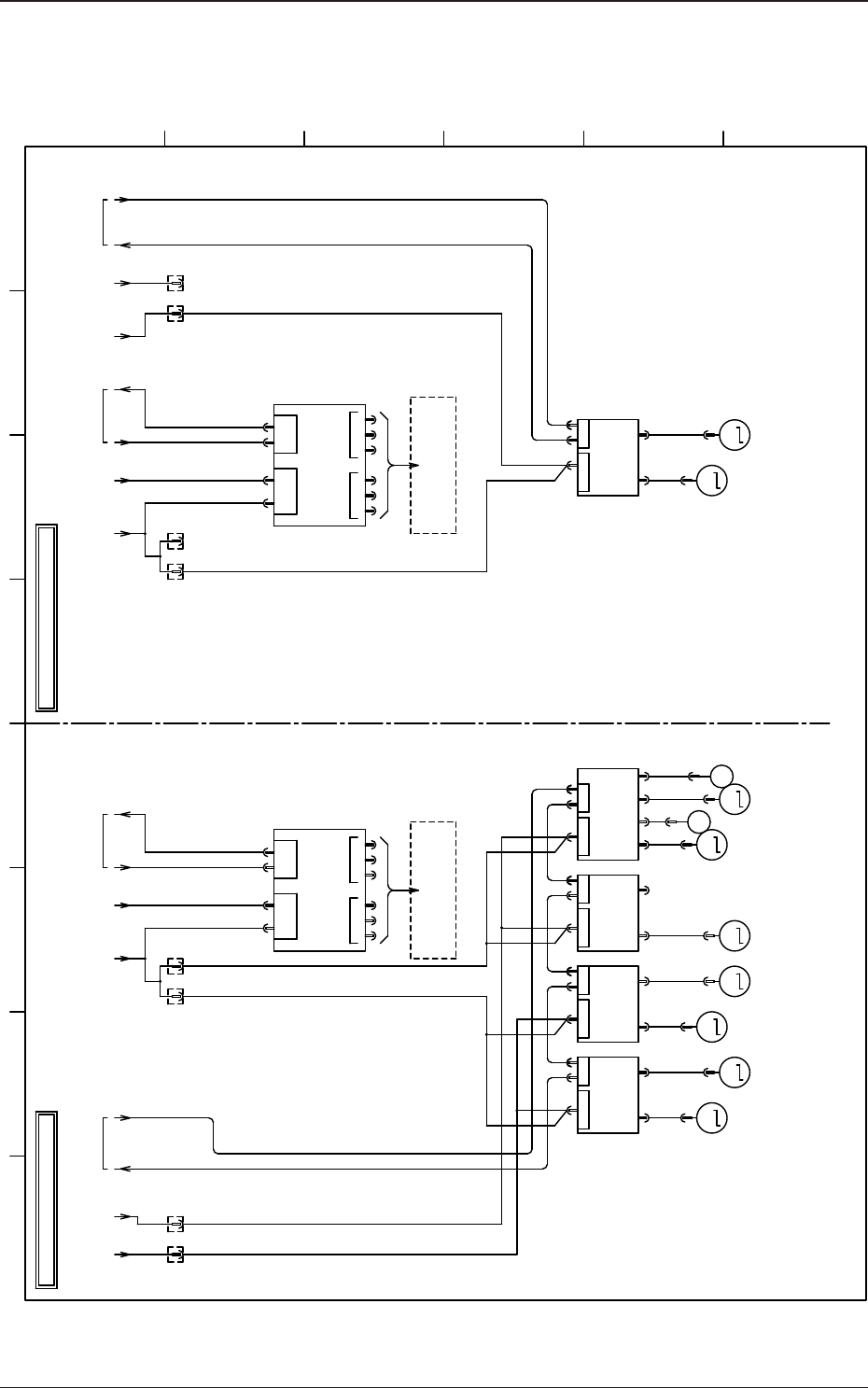
5OM-1602 4-49 1201-003A(M917W A---0211) S 搬送模块图 ( 固定 - 可动 ) 前 L 1 2 3 4 5 6 7 8 A B C D E F M46 M47 M51 NL-LB2 NA-LB1 NR-LB1 D4460 A45 D4460 A47 D4460 A161 D4460 A53 PG PG D4460 A51 U08 PWR HLS M45 NL-LB1 M48 NA-LB2 NA-W…

5OM-1602
4-48
U04 I/O PCB
1201-003-(M916WM---1013)
1 2 3 4 5 6 7 8
A
B
C
D
E
F
2 1
2 1
2 1
2 1
2 1
-X0414
-X0415
-X0401
-X0402
-X0403
CN3
CN2
CN1
CN14
Y0411
Y0407
Y0405
Y0404
Y0402
Y0401
Vacuum Switchover Valve 13
Vacuum Switchover Valve 8
Vacuum Switchover Valve 7
Vacuum Switchover Valve 5
Vacuum Switchover Valve 4
Vacuum Switchover Valve 3
Vacuum Switchover Valve 2
Vacuum Switchover Valve 1
GND
IN
DC5V
B0413 T
786
Y
W
PK
B0413T
:2
:1
:3
SENSOR HEAD (T)
(Slip Rings)
U37
U04
I/O P.C.B (STLT_HD)
(Head)
-783
-784
-770
-771
-772
2 1
2 1
-X0404
-X0405
-773
-774
2 1
-X0406
-775
Vacuum Switchover Valve 14
Vacuum Switchover Valve 15
CN4
CN5
CN6
Y0415
Y0414
Y0406
Vacuum Switchover Valve 6
CN15
Y0403
U04
I/O P.C.B (STLT_HD)
(Head)
CN20
28
28
CN1
CN2
CN3
CN4
CN5
CN6
CN7
CN8
CN9
:1
:2
[M-/12/8C]
(Slip Rings)
U37
[M-/12/8C]
:1
:2
:3
:4
2 1
2 1
2 1
2 1
2 1
-X0407
-X0408
-X0409
-X0410
-X0411
-776
-777
-778
-779
-780
2 1
2 1
-X0412
-X0413
-781
-782
CN7
CN8
CN9
CN10
CN11
CN12
CN13
Y0408
Y0409
Y0410
Y0412
Y0413
Vacuum Switchover Valve 9
Vacuum Switchover Valve 10
Vacuum Switchover Valve 11
Vacuum Switchover Valve 12
CN21
X10421
X10422
(UB99)
(UC01)
O
Y
GR
BL
R
BK
BR
W
V
1 2 3 4 5 6 7 8
A
B
C
D
E
F

5OM-1602
4-49
1201-003A(M917WA---0211)
S 搬送模块图 ( 固定 - 可动 ) 前 L
1 2 3 4 5 6 7 8
A
B
C
D
E
F
M46
M47 M51
NL-LB2
NA-LB1 NR-LB1
D4460
A45
D4460
A47
D4460
A161
D4460
A53
PG
PG
D4460
A51
U08
PWR HLS
M45
NL-LB1
M48
NA-LB2 NA-W1
-M161
NA-BAL
M53
M54
NA-BAR
M52
NR-LB2
AE
PWR AEPWR AE PWR AEPWRPWR AE
PWR HLS
24B1
10B
24A3
10A
24B1
10B
24A3
10A
48D3G
10D
HLS-LINK:2ch-1
48D3H
10D
CNVR-L CNVR-R
HLS-LINK:1ch-1AE-LINK:1CH AE-LINK:2CH
U14
48D3E
10D
48D3F
10D
X14106 X15306
X14110 X116110 X14310
X14906
M
M
M
M M
M
M
M
M
X15506X116210
Sensor
Load
Input 16 Points Output 16 Points
Sensor
Input 16 Points Output 16 Points
Transfer Unit Sensor and Load Transfer Unit Sensor and Load
Extermal Unit Connecting
Bundled Connector (Rear)
Input Machine
HLS
Extermal Unit Connecting
Bundled Connector (Front)
Input Machine
HLSU181R
CPU2CAN Converter
U85 U181F
CPU2CAN Converter
U85
Transfer Section Left Side Transfer Section Right Side
Load

5OM-1602
4-50
1103-003-(M917WNF--0211)
传送带 M 电路图 (1)
M
M
X4505
7
5
3
9
3
2
1
NC
BRK-
BRK+
CN6
A45
CN1
1
2
4
3
7
8
6
5
CN3
E/C A+
EGND
E+5V
E/C B-
E/C B+
E/C A-
E/C Z-
E/C Z+
3
4
2
1
A
B
A
B
CN5
1
2
4
3
7
8
6
5
CN7
E/C A+
EGND
E+5V
E/C B-
E/C B+
E/C A-
E/C Z-
E/C Z+
5
6
3
4
2
1
CN4
DOWN
SEN+
ORG
-LS
+LS
COM
5
6
3
4
2
1
CN8
DOWN
SEN+
ORG
-LS
+LS
COM
3
2
1
NC
BRK-
BRK+
CN2
4501
7
5
3
9
3
4
2
1
A
B
A
B
NL-LB1
M45
NL-LB2
M46
X4504
X4508
-
+
OUT
B4501
BR
BL
BK
B4501
:2
B4501
:3
:1
-
+
OUT
B4502
BR
BL
BK
B4502
:2
B4502
:3
:1
1
2
3
4
CN10
MGND
C+GND
5
6
M+48V
C+24V
1
2
4
3
N1
1
2
4
3
N2
ALM-
STP-
ALM+
STP+
1
2
3
4
CN9
10D
48D3E
X4510
X4509
X45N2
GND
COM B
+V
COM A
GND
COM B
+V
COM A
10B
24B1
AE-LINK UNIT
X45N1
[NF/12/8D]
+V
GND
COM A
COM B
[NF/18/3A]
[NF/18/3C]
390
10A
[NF/18/3A]
AE-LINK UNIT
[NF/18/3F]
GND
TR+
TR-
DC48V
DC24V
1 2 3 4 5 6 7 8
A
B
C
D
E
F
Conveyor
Emergency Stop
Input Machine
Output Machine
Main Circuit Power Supply
Lane B
Deceleration Sensor/L Flow
Stop Sensor/R Flow
Lane B
Stop Sensor/L Flow