5OM-1602-004_w.pdf - 第195页
5OM-1602 5-14 1 103-003J(01300-1 1) I/O PCB 连接图 3 CPU2 : U85 CH1-CN1(X8501) Beam Relay Panel (R) : X22507 Beam Relay Panel (F) : X22507 External Unit Bundled Connector (R) External Unit Bundled Connector (F) CPU2 U82 CPU…

5OM-1602
5-13
1103-003J(01300-11)
I/O PCB 连接图 2
Air Vacuum Switchover Y0638
Transfer (R) UB32:X1401
TB:DC1(10B)
U27:X2761
Transfer (L) UB32:X0801
CPU BOX Cooling Fan: M177
TB:DC1(10B)
K4-X1,A2
Lead Coplanarity Detection OP
Positioning
Check(F)
Stocker Additional
Installation
OPTION
High Speed/Multi-Functional
Head Change Over Y0639
FB2 Y-Direction Positioning Check 1 B0610
FB2 Y-Direction Positioning Check 2 B0611
FB2 Drop Detection Unit Backward Limit B0612
FB2 Drop Detection Unit Backward Limit B0613
FB2 Up Y0632
FB2 Down Y0633
Cylinder Upper Limit Detection B0614
Cylinder Lower Limit Detection B0615
Feeder Disengaged Latch
Detection(B) B0521
Pick-up Error Detection(B) B0515
Positioning Unit Drop Prevention Stopper 2 Y0642
External Unit Bundled
Connector (F)
Nozzle Stocker 2 Unit Lower Limit Detection 1 NST18
Nozzle Stocker 2 Shutter Closing Check 1 NST20
Nozzle Stocker 2 Clamping Check 1 NST22
Nozzle Stocker 2 Unit Lower Limit Detection 2 NST18
Nozzle Stocker 2 Shutter Closing Check 2 NST20
Nozzle Stocker 2 Clamping Check 2 NST22
Nozzle Stocker 2 Shutter Open / Close 1 NST35
Nozzle Stocker 2 Upper 1 NST36
Nozzle Stocker 2 Shutter Open / Close 2 NST35
Nozzle Stocker 2 Upper 2 NST36
Dust Air Blowing (F)
Nozzle Stocker Coplanarity Detection 1 B1611
Nozzle Stocker Coplanarity Detection 2 B1611
Front and Rear I/F BOX: X20701
Blue
Blue
Black
Safety Door Lock Switch: S112F
Safety Door Lock Switch: S112R
Pressure Switch : S141
Side Panel :X10520
Side Panel :X11234

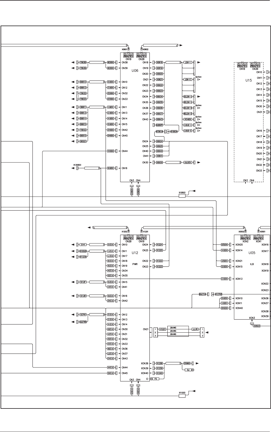
5OM-1602
5-14
1103-003J(01300-11)
I/O PCB 连接图 3
CPU2:U85 CH1-CN1(X8501)
Beam Relay Panel (R)
:X22507
Beam Relay Panel (F)
:X22507
External Unit Bundled
Connector (R)
External Unit Bundled
Connector (F)
CPU2 U82
CPU2 U82
Transfer (R) UB32:X1401
TB:DC1(10B)
TB:DC1(10B)
CPU BOX Cooling Fan: M177
Lead Coplanarity Detection OP
Stocker Additional
Installation
OPTION
Nozzle Stocker 2 Unit Lower Limit Detection 1 NST18
Nozzle Stocker 2 Shutter Closing Check 1 NST20
Nozzle Stocker 2 Clamping Check 1 NST22
Nozzle Stocker 2 Unit Lower Limit Detection 2 NST18
Nozzle Stocker 2 Shutter Closing Check 2 NST20
Nozzle Stocker 2 Clamping Check 2 NST22
Nozzle Stocker 2 Shutter Open / Close 1 NST35
Nozzle Stocker 2 Upper 1 NST36
Nozzle Stocker 2 Shutter Open / Close 2 NST35
Nozzle Stocker 2 Upper 2 NST36
Dust Air Blowing (F)
Nozzle Stocker Coplanarity Detection 1 B1611
Nozzle Stocker Coplanarity Detection 2 B1611
Front and Rear I/F BOX: X20701
Blue
Blue
Black

5OM-1602
5-15
1103-003J(01300-12)
CPUI( 操作 ) 电线连接资料 1
RECOG1
X9201
<ROBOT CABLE>
-X3601
-X13601
-X6101
-B61 (1)
-X3601
-X13601
-X6101
-B61 (2)
COUNTER
X9401
X2405R
U24R
X2405F
U24F
X19401
X29401
U92
U94
X9202
X9503
X9504
X9502
X9505
X6701
X9506
D91
DOM
AC200V
X9101
X9507
-E39
X9508
-E39 (1)
<ROBOT CABLE>
<ROBOT CABLE>
<ROBOT CABLE>
1-X1E39
-E39
2-X1E39
-E39 (2)
-B36 (2)
-E191 (1)
X6702
-E192 (1)
X6703
-E193 (1)
X6704
-E194 (1)
X6801
-E191 (2)
X6802
-E192 (2)
X6803
-E193 (2)
X6804
-E194 (2)
-B36 (1)
X9102
X9501
+3.3V,+5V,+12V,-12V
+12V
+5V
X91P7
X91P1
X91P6
X9109
(POWER)
G21
X9203
CPU1
U91
CN4
CN3
CN2
CN1
CN7
CN8
CN5
CN6
CAMERA
PIO
CN3
CN1
G07
COM1
X19102
X19103
X9103
COM2
VGA-1
INPUT
VGA-2
RS232C
DC5V
X16503
X16504
X16502
X16501
5J1
X9105
USB3
X19105
X9106
USB4
X19106
-X7403
-X7401
-X7405
DC24V
(TB)
FRONT
LCD
(TP)
-X7401
-X7403
-X7405
DC24V
(TB)
REAR
LCD
(TP)
X9104
X9108
X9107
VGA
LAN2
LAN1
U81
N.C
N.C
CPUM-OUT
LAN1
CPUM-LINE
LAN2
CPU1-LINE
LAN1
PEC Recognition Light
PEC Recognition Camera
Component Recognition Camera
Reference Mark B
Reference Mark A
Coaxial
Ring
Reference Mark B
Reference Mark A
Coaxial
Ring
LED Lighting Ctrl
Lower
U95
U165
Center
Upper
To CPU2(X8102:LAN2)
External LAN Connection Panel
Image Changer
DC Power Unit