5OM-1602-004_w.pdf - 第148页
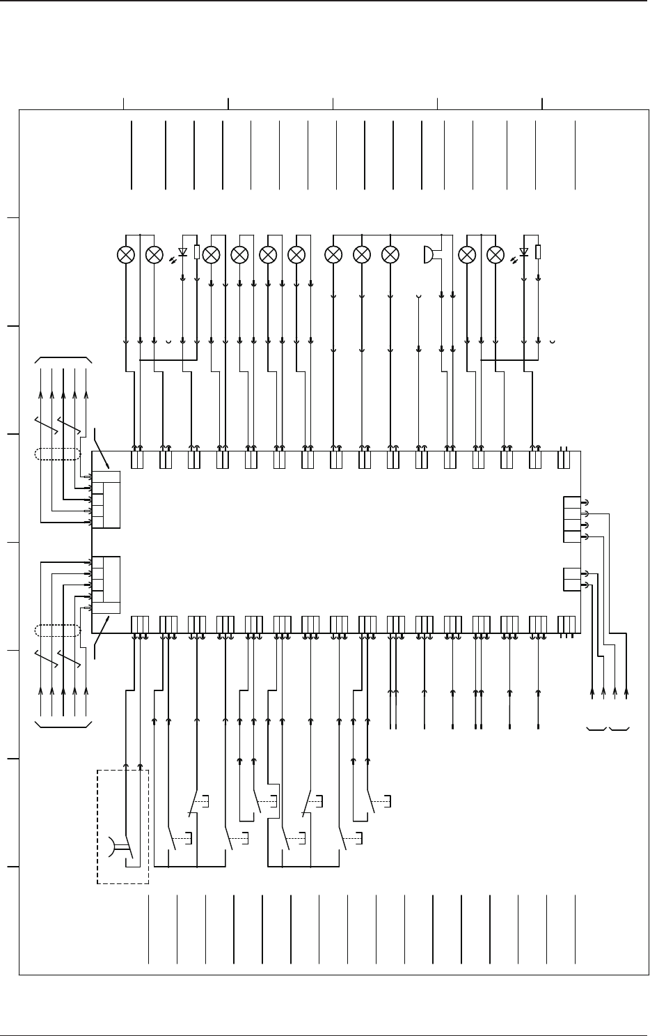
5OM-1602 4-31 1201-003C(M914WF---0002) U01 I/O PCB STLT PNL 1 2 3 4 5 6 7 8 A B C D E F CN1A/1B CN2A/2B CN10 1 2 3 CN4 CN3 2 1 24B1 10B 10A 24A1 CN1 1 CN12 CN13 CN14 CN15 CN16 CN17 CN18 CN19 CN20 CN21 CN22 CN23 CN25 1 2 …

5OM-1602
4-30
1201-004E(M914WF---0001)
CPU1 电路图
1
2 3 4 5 6 7 8 9 10 11 12
A
B
C
D
E
F
G
H
8
14
13
10
7
6
5
2
3
1
FG
R-GND
GND
GREEN
BLUE
RED
G-GND
GND
H-SYNC
V-SYNC
B-GND
(CN1)
(CN3)
CN1
(FRONT)
N74F
X16503
X16501
USB-IN
X7403F VGA
POWER
X7403B
U91
:14
:10
:8
:13
:7
:6
:5
:2
:3
:1
FG
X9104
(CN5)
FG
GND
24V
[R-/01/10C]
1
3
2
POWER
(CN5)
10B
FG
GND
24B3
24V
[B-/02/5C]
1
3
2
(REAR)
N74B
U91
[R-/01/10H]
FG
R-GND
GND
GREEN
BLUE
RED
G-GND
GND
H-SYNC
V-SYNC
B-GND
X7405F
X7405B
10B
24B3
[B-/02/5C]
X7401F
U91
[R-/01/10G]
X19105
X16502
8
14
13
10
7
6
5
2
3
1
FG
R-GND
GND
GREEN
BLUE
RED
G-GND
GND
H-SYNC
V-SYNC
B-GND
CN2
8
14
13
10
7
6
5
2
3
1
FG
R-GND
GND
GREEN
BLUE
RED
G-GND
GND
H-SYNC
V-SYNC
B-GND
CN3
8
14
13
10
7
6
5
2
3
1
FG
R-GND
GND
GREEN
BLUE
RED
G-GND
GND
H-SYNC
V-SYNC
B-GND
8
14
13
10
7
6
5
2
3
1
FG
R-GND
GND
GREEN
BLUE
RED
G-GND
GND
H-SYNC
V-SYNC
B-GND
(CN3)
U165
VGA
(CN1)
USB-IN
X7401B
X19106
+24V
GND
2
24B1
10B
POWER
X7307
[B-/02/5C]
CN4
1
Touch Panel Monitor
Touch Panel Monitor
To CPU1(USB)
To CPU1(USB)
Image Changer
To CPU1(VGA)

5OM-1602
4-31
1201-003C(M914WF---0002)
U01 I/O PCB STLT PNL
1 2 3 4 5 6 7 8
A
B
C
D
E
F
CN1A/1B
CN2A/2B
CN10
1 2
3
CN4
CN3
21
24B1
10B
10A
24A1
CN11
CN12
CN13
CN14
CN15
CN16
CN17
CN18
CN19
CN20
CN21
CN22
CN23
CN25
1
2
3
3
2
1
3
2
1
3
2
1
3
2
1
3
2
1
1
2
3
1
2
3
1
2
3
1
2
3
1
2
3
3
2
1
3
2
1
3
2
1
3
2
1
3
2
1
2
1
CN45
CN43
CN42
CN41
CN40
CN39
CN38
CN37
CN36
CN35
CN34
CN33
CN32
CN31
CN30
CN24
1
2
1
2
1
2
1
2
1
2
1
2
1
2
1
2
1
2
1
2
1
2
1
2
1
2
1
2
1
2
CN44
4
OUTIN
X0103 X0104
:3
:2
:5
:4
RX
/RX
TX
/TX
7 39 5
5 93 7
/TX
TX
/RX
RX
633
634
635
637
PUR
R
OR
GR
Y
:9
:3
:5
:7
K2
7 11
U27
612
613
614
S104R
S103R
611
630
629
628
627
626
H102R
632
631
618
X0101 X0102
610
:A6
X2761
:B6
ch2-1
X8503
U85 HLSC
[F-/13/5B]
(CH2-CN3)
ch2-1
X0901(CN1)
U09(STLT CT(1))
[D-/11/3A]
STLT_PNL
I/O P.C.B
U01
(Operation Panel)
616
617
615
640
639
638
619
620
621
622
623
624
636
X0110
X0111
X0112
X0113
X0114
X0115
X0116
X0117
X0118
X0119
X0121
X0122
X0123
X0124
X0130
X0131
X0132
X0133
X0134
X0135
X0136
X0137
X0138
X0139
X0140
X0141
X0142
X0143
X0144
X0145
X0120
X195-5
X195-6
X195-7
X195-8
X196-5
X196-6
X196-7
X196-8
OP
+
-
NO
NONO
NCNC
NCNC
:3
X1195
:4
:5
X1195
:6
X1195
:3
X1196
:4
:5
X1196
:6
X1196
(UB32)
H104AR
+
-
H104BR
H111R
+
-
NO
S102R
X01R :1
:3
:4
:2
S111R
:1
S111R
:2
10B
10B
10B
S104F
S103F
NO
NONO
NONO
NCNC
NO
S102F
:3
:4
:2
S111F
:1
S111F
:2
X01F :1
:1
:2
S111
:1
:2
S111
:5
X01R
:3S111R :3
S111
:6
:7
:8
:9
:4 :4
24A1
24A1
10B
10B
H111F
+
-
:3S111F :3
S111
:4 :4
24A1
H102F
+
-
H104AF
+
-
H104BF
:5
X01F
:6
:7
:8
:9
24A1
H1
H2
H3
H5
:1H01
:2
:3
:4
:6
:5XH01
:6
:7
:9
:8
:10
H11F
:3XH01 :1
H11F
:4 :2
24A1
H11R
BKW
:1XH01 :1
H11R
:2 :2
24A1
:5
24A1
10B
10B
BKW
:10
:1
:2
X640
H104BF
:1
:2
X628
:10
[FEEDER READY]
STOP (Rear)
PNL CHANGE (Rear)
START (Rear)
Connector Case
PNL CHANGE LED (Rear)
START LED (Rear)
LOCK LED (Rear)
[FEEDER READY]
Material Indicator (Rear)
Material Indicator (Front)
Light Tower (Red)
Light Tower (Yellow)
Light Tower (Green)
Buzzer
F READY (Front)
Connector Case
POWER ON
[B-/02/5C]
F READY (Rear)
STOP (Front)
PNL CHANGE (Front)
START (Front)
[FEEDER READY]
F READY LED (Rear)
[FEEDER READY]
F READY LED (Front)
PNL CHANGE LED (Front)
START LED (Front)
LOCK LED (Front)
Power for Input
[B-/02/5A]
Power for Output
SG
Shuttle Conveyor Connection
Confirmation (L)
Module Conveyor Connection
Confirmation (L)
Conveyor Reference
Confirmation (L)
SG
Shuttle Conveyor Connection
Confirmation (R)
Module Conveyor Connection
Confirmation (R)
Conveyor Reference
Confirmation (R)
Light Tower (Blue)
FG
(Connector Case)
FG
(Connector Case)

5OM-1602
4-32
1201-003A(M914WF---0011)
CPU2 电路图 1
8
7
4
6
5
2
3
1
U91
X9108
:2
:3
:4
:6
:5
:7
:8
FG
:1
N.C.
N.C.
TD+
RD+
TD-
N.C.
RD-
N.C.
CN8
X8102
[R-/01/10B]
LAN
8
9
7
4
6
5
2
3
1
CN1-1
CTS
RI
RTS
DCD
TxD
RxD
GND
DSR
DTR
SERIAL1
X8104
[D-/12/6D]
8
9
7
4
6
5
2
3
1
CN1-2
X8109
1
3
2
5
6
4
7
10
11
12
13
14
15
9
8
CN3
N.C.
GND
GND
GREEN
BLUE
RED
GND
DDC VCC
GND
N.C.
DDC DAT
H-SYNC
V-SYNC
DDC CLK
GND
VGA
KEY(PS/2)
GND
+5V
+5V
+5V
XG22P1
AC200V
L222
L122
XG2201
[B-/01/6H]
G22
Power Supply Unit
CPCI SLOT #1
J1
CPCI BUS
J2
1
2
3
4
5
6
7
8
9
10
11
12
13
14
15
16
17
18
19
20
+3.3VDC
COM
+5VDC
PWR OK
+5V SB
+12VDC
-12VDC
PS-ON#
-5VDC
+3.3VDC
+3.3VDC
COM
COM
COM
COM
COM
COM
+5VDC
+5VDC
+5VDC
+12VDC
COM
+5VDC
1
2
3
4
P6 P7
COM
+12VDC
COM
+5VDC
P2
P3
COM
P4 P5
COM
COM
+12VDC
+12VDC
1
2
3
4
+12VDC
COM
+5VDC
1
2
3
4
COM
1
2
3
4
COM
COM
+3.3VDC
COM
+5VDC
+3.3VDC
1
2
3
4
1
2
3
4
5
6
P8
AUX
1
2
3
4
1
2
3
4
AC Inlet
GND
+3.3V
U180
MOUSE(PS/2)
USB1
USB2
USB3
USB4
CN7
CTS
RI
RTS
DCD
TxD
RxD
GND
DSR
DTR
SERIAL2
CF
D81
CN6
CN5
CN4
CN2-2
CN2-1
U81
CPU2
(512MB)
J6
J8(Upper)
DIMM Memory
J7(Lower)
DIMM Memory
(512MB)
-X1300F2
[D-/22/6D]
-X1300F2
P1
CPU1(LAN2)
CPU2 Back Plane Board
Unmounted
1 2 3 4 5 6 7 8
A
B
C
D
E
F
Connector Case
Connector Case
External Unit Connecting Bundled
Connector (Front)
External Unit Connecting Bundled
Connector (Rear)