5OM-1602-004_w.pdf - 第185页
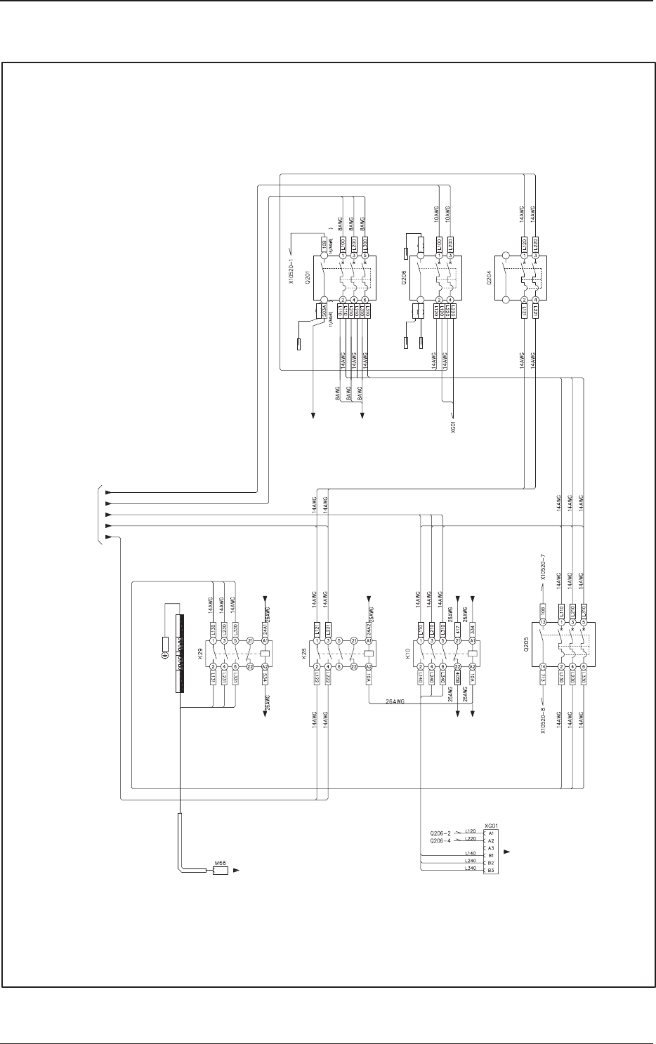
5OM-1602 5-4 1 103-003J(01300-6) 侧面面板 L X10520-10 X10520-9 A21,A22,A23(R) #L11 A21,A22,A23(F) #L11 A21,A22,A23(R) #L21 A21,A22,A23(F) #L21 NOISE FILTER:Z02 Q206-1,3 Q201-1,3,5 K10-1,3,5 K28-1,3 K28-2,4 External Unit Bund…

5OM-1602
5-3
1103-003A(13AAF)
横梁继电器盘连接资料 _ 机械电线 2
-X2200
-X12102
-X12410
-X12201
-X22501
-X22507
-X1E39
-X13601
-M22
-X12501
-X3601
-B2101
-B2102
-B2202
-E39
-U21
-U22

5OM-1602
5-4
1103-003J(01300-6)
侧面面板 L
X10520-10
X10520-9
A21,A22,A23(R) #L11
A21,A22,A23(F) #L11
A21,A22,A23(R) #L21
A21,A22,A23(F) #L21
NOISE FILTER:Z02
Q206-1,3
Q201-1,3,5
K10-1,3,5
K28-1,3
K28-2,4
External Unit Bundled Connector (R)
External Unit Bundled Connector (F)
OP: Coplanarity Detection Power Supply
CPU 1,CPU 3 Power Supply
CPU 2 Power Supply
Black
Green/Yellow
Black
Black
Black
Black
Black
Black
Black
Black
Black
Black
Black
Black
Black
Black
Black
Black
Black
Black
Black
Black
Black
Black
Note 4
Note 4
Note 4
Note 4
Note 3
Note 3
Note 3
Note 1
Note 2
Note 1
Note 2
Note 1
Note 3
Note 3
Note 3
Note 3
Note 3
Note 3
Note 3
Note 4
Note 4
Note 4
Note 3
Note 1
Note 3
Note 1
Note 3
Note 1
Black
Black
Blue
Blue
Blue
Blue
Blue
Blue
Brown
Grounding Green/Yellow
White
Grounding Green/Yellow
Red
Black
White
Grounding Green/Yellow
Red
Black
White
Grounding
Red
Black
Light Blue
Brown
Grounding Green/Yellow
Light Blue

5OM-1602
5-5
1103-003J(01300-7)
侧面面板 C 1
Green/Yellow
BlackRed
White
Black
Blue
Blue
Blue
Blue
Blue
Blue
Black
Black
Black
Black
Black
Black
Black
Black
Black
Black
Black
Black
Black
Black
Black
Black
Black
Black
Black
Black
Black
Black
Black
Black
Black
Black
Black
Black
Black
Black
Black
Black
Black
Black
Blue
Blue
Red
Yellow
Yellow
Red
Black
Black
Black
Black
Black
Red
White
Black
K3-34
K38-A22
U07:X27163-1
K33A-13
TB:P1
14AWG Green / Yellow
K33A-1,3,5
U07:X2723-2
TB:DC1(10A)
Vacuum Pump
G01,G02,G04,G07 Power Supply
TB:DC1(24A1)
TB:DC1(24A2)