5OM-1602-004_w.pdf - 第162页
5OM-1602 4-45 1 103-002-(M916WM---1001) 机械电缆连接电路图 1 -X131P1 :A2 :A1 :A3 -X131P1 :B3 :B4 :B5 :B1 :B2 -X12501 :C4 :C5 :D5 :C6 :1A -A31:CNP1 :4B :1 -U25:X1 :2 :3 :4 :1 -A31:CN1A :2 :1 -U25:CN1 :3 :5 :7 :9 :1 -U25:CN7 :2 :3 …

5OM-1602
4-44
1103-002-(M916WA---1001)
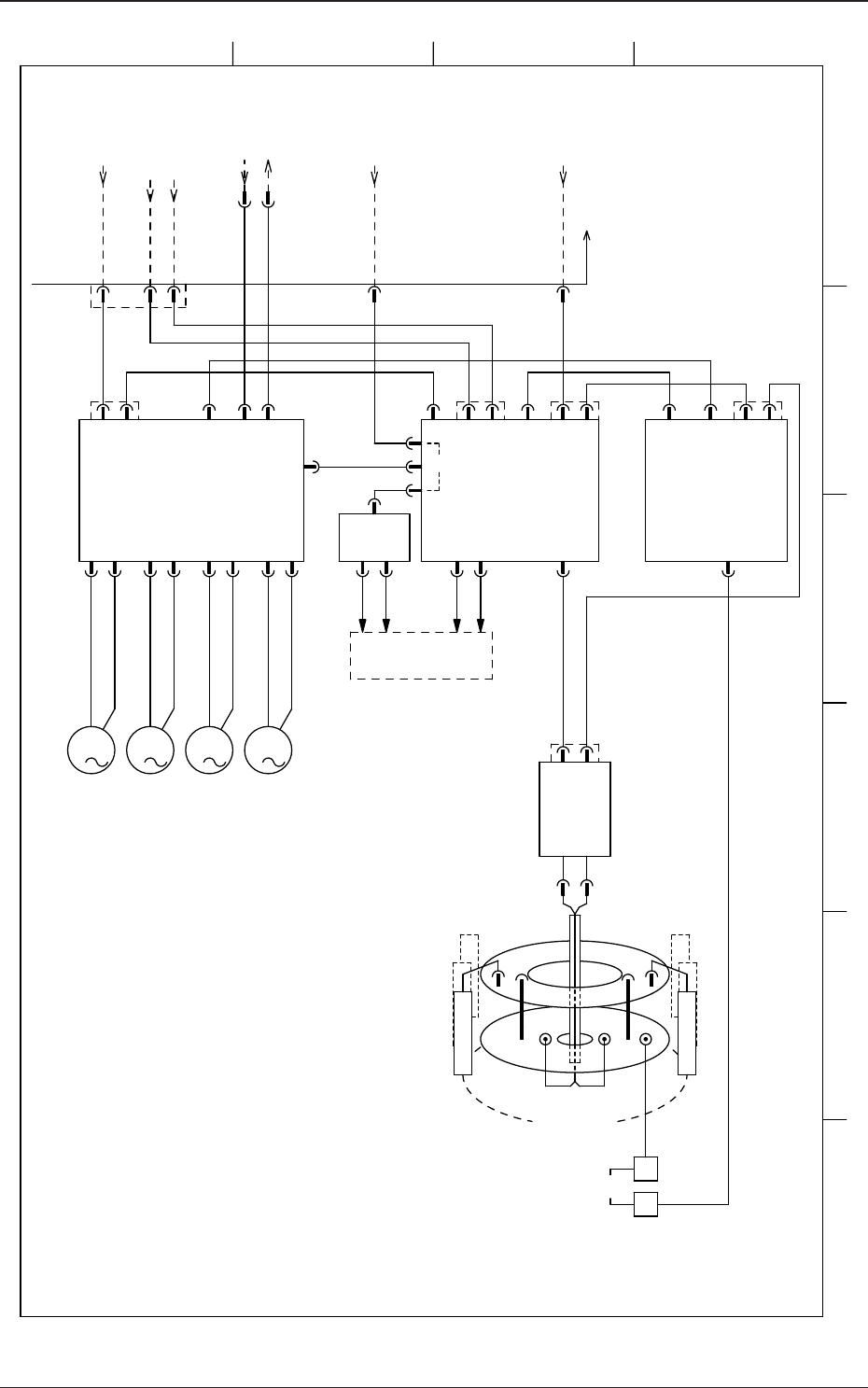
高速安装头模块图
3
M
3
M
3
M
3
M
HLS HLS
HLS
PWR
24B124F
24F
DC48V
SSCNET
(B1) (F)
DC24V
HLS
A31
Servo Motor AMP
U25
I/O PCB
U03
Line Sensor AMP
STLT HD2
U37
Slip Rings
U147
Connector
PCB
M31
DD
M32
NS
M33
HL
M34
NL
I/O
I/O
U04
I/O PCB
(STLT HD)
PWR
PWR HLS
PWR
24F24B1
SSCNET
24V48V
Robot Cable
PWR
X131P1 X12501 X22501
X1311A X1311B
Main Body Side
SENSOR HEAD
T
R
PWR HLS
Pulse
Head Section
Load and Sensor
Vacuum Switchover Valve 1
15 Nozzle Head
Vacuum Switchover Valve 15
1 2 3 4
A
B
C
D
E
F

5OM-1602
4-45
1103-002-(M916WM---1001)
机械电缆连接电路图 1
-X131P1
:A2
:A1
:A3
-X131P1
:B3
:B4
:B5
:B1
:B2
-X12501
:C4
:C5
:D5
:C6
:1A
-A31:CNP1
:4B
:1
-U25:X1
:2
:3
:4
:1
-A31:CN1A
:2
:1
-U25:CN1
:3
:5
:7
:9
:1
-U25:CN7
:2
:3
:4
-A31:CN1B
[M-/11/2A]
[M-/11/2C]
[M-/11/2D]
[M-/11/8G]
[M-/11/8A]
[M-/11/8F]
-X131P1
:A2
:A1
:A3
-X131P1
:B3
:B4
:B5
:B1
:B2
-X12501
:B1
:B2
:C3
:B3
:B4
-X12501
:C4
:C5
:D5
:C6
-A31:CNP1
-U25:X1
-A31:CN1A
-U25:CN1
-U25:CN7
-A31:CN1B
[M-/11/2A]
[M-/11/2C]
[M-/11/2D]
[M-/11/8G]
[M-/11/8A]
[M-/11/8F]
-X12501
:B1
:B2
:C3
:B3
:B4
-X1311A
-X1311B
48D3A
10D
Earthing
-X231P1
:A2
:A1
:A3
10B
24B1
10F
24F
Earthing
-X231P1
:B3
:B4
:B5
:B1
:B2
-X1311A
(:2)
(:1)
-X1311B
(:2)
(:1)
-X22501
:1
:6
:2
:7
:5
RX
-RX
TX
-TX
FG
HLS
[D-/02/7A]
RS232C
OP
I/O
DC48V
Power Supply
[B-/02/12A]
DC24V(B)
DC24V(F)
[B-/02/5C]
[B-/02/5F]
SSCNET
[F-/12/5A]
48D3B
10D
-X231P1
:A2
:A1
:A3
[B-/02/12B]
10B
24B1
10F
24F
-X231P1
:B3
:B4
:B5
:B1
:B2
DC24V(B)
DC24V(F)
[B-/02/5C]
[B-/02/5F]
-X22501
:1
:6
:2
:7
:5
RX
-RX
TX
-TX
FG
HLS
[F-/13/6C]
-X22507
:1
:9
:12
:2
[BL/01/7C]
508
RS232C
OP
I/O
-X22507
:1
:9
:12
:2
[BL/01/7C]
509
-X31P1
-X25X1
-X311A
-X311B
-X2501
-X2507
:1A
:4B
:1
:2
:3
:4
:1
:3
:5
:7
:9
:1
:2
:3
:4
-X31P1
-X25X1
X311A
X311B
-X2501
-X2507
U07(STLT IF)
CPU2:U85(CH2-2)
Main Machine Main Machine(Rear) (Front)
CPU2:U82(2CH)
:1
:2
:1
:2
:1
:2
:1
:2
:1
:2
(:2)
(:1)
(:2)
(:1)
:1
:2
:1
:2
U05(STLT ILB) U05(STLT ILB)
1 2 3 4 5 6 7 8
A
B
C
D
E
F
Earthing
DC48V
Power Supply
Earthing

5OM-1602
4-46
1103-003-(M916WM---1011)
伺服马达部电路图
1
2 3 4 5 6 7 8 9 10 11 12
A
B
C
D
E
F
G
H
(UB79)
A31
DC24V
DC48V
U25(X02)
[M-/01/4A]:(1)
[M-/11/8E]
SSCNET
Servo Motor AMP
[M-/01/4C]:(1)
3
M
MRR
P5G
MR
P5
U
SSG
DD
M31
V
W
E
B1
B2
MDR
SHD
MD
B2_C
[M-/01/8A]:(2)
[M-/01/8C]:(2)
SSCNET
[M-/01/4C]:(1)
N.C.(2)
B1_C
B2_D
B1_D
V
V
X25B1
1
2
3
4
5
6
1
2
3
4
5
6
X2505
1
2
3
4
5
6
1
2
3
4
5
6
7
X2506
1
2
1
2
X2503
1
2
BK
R
BK
R
Y0902
BK
R
1
2
3
4
(+)
(-)
OUT1
OUT2
BL
BK
W
BR
B01
1
2
3
4
B02
1
2
3
4
(+)
(-)
OUT1
OUT2
BL
BK
W
BR
B04
1
2
3
4
(+)
(-)
OUT1
OUT2
BL
BK
W
BR
B05
U147
1
2
3
4
5
6
7
X314B
1
2
3
4
5
6
7
8
9
10
11
12
13
14
CN4B
1
2
3
4
5
6
7
X314D
CN4D
1
2
3
4
5
6
7
X314C
CN4C
1
2
3
X3103
CN3
1
2
3
4
5
6
7
8
1
2
3
4
[M-/01/4E] :(1)
[M-/01/8E] :(2)
CN7
CN4
X2507
X2504
(+)
(-)
OUT1
OUT2
BL
BK
W
BR
(+)
(-)
OUT1
OUT2
1
2
3
4
B02
X25B2
B3103
B3106
X0305:2
X0305:1
X331P1:1
X13701:1
[M-/12/5D]
[M-/11/1B]
[M-/12/5C]
U37
A31
U03
1
2
3
4
[M-/01/8B] :(2)
24F
X01
X25X1
10B
24B1
10F
24F
1
3
5
7
CN1
X2501
9
2
4
6
8
10
HEADDWN_S
HEAD_STP
DO_08
DI_06
DO_07
DO_06
DI_04
DO_05
DI_05
1
2
3
4
5
6
X2502
1
2
DO_10
DI_07
DI_08
CN2
CN3
NZDWN_S
(UB27)
B3101
B3104
B3105
RX
-RX
TX
-TX
RX
-RX
TX
-TX
P24I
DI1
DI2
DI3
DO1
DO2
SGI
P24I
DI1
DI2
DI3
DO1
DO2
SGI
P24I
DI1
DI2
DI3
DO1
DO2
SGI
DICOM
EMG
DOCOM
A31
1
5
7
16
X3105
3
CN5
PA1
PAR1
PB1
PBR1
SHD
X0307:1
X0307:2
X0307:3
X0307:4
X0307:8
LINE SENSOR AMP(CN7)
[M-/12/5F]
U03
2B
1A
2A
1B
3A
3B
4A
4B
1A
1B
5A
2A
2B
CNP2A
X31P2A
X312A
CN2A
3
M
MRR
P5G
MR
P5
U
SSG
NS
M32
V
W
E
B1
B2
MDR
SHD
MD
VV
2B
1A
2A
1B
3A
3B
4A
4B
1A
1B
5A
2A
2B
CNP2B
X31P2B
X312B
CN2B
3
M
MRR
P5G
MR
P5
U
SSG
HL
M34
V
W
E
B1
B2
MDR
SHD
MD
VV
2B
1A
2A
1B
3A
3B
4A
4B
1A
1B
5A
2A
2B
CNP2C
X31P2C
X31P2C
CN2C
3
M
MRR
P5G
MR
P5
U
SSG
NL
M33
V
W
E
B1
B2
MDR
SHD
MD
VV
2B
1A
2A
1B
3A
3B
4A
4B
1A
1B
5A
2A
2B
CNP2D
X31P2D
X312D
CN2D
1A
1B
2A
4B
5A
5B
6A
6B
P48M
P48G
1
2
1
2
P24M
P24G
1
2
3
4
X31P3
CNP3
10F
48V
GND
U25
I/O P.C.B
STLT_HD2
CN1B
X311B
CN1A
X311A
CNP1
X31P1
X331P1:2
X13701:2
[M-/01/4B] :(1)
[M-/01/8D] :(2)
[M-/01/4D] :(1)
HLS LINK
X0306:1
X0306:5
X0306:3
X0306:7
X0306:9
LINE SENSOR AMP(CN6)
[M-/12/5A]
U03
:2
:1
X331P1
X25X2:6
X02
X25X2
DO_04
CN6
CN5
B01 X1
X14701
X147B1
X147B2
X147B4
X147B5
BL
BK
W
BR
B
7
8
X12501:B1
X12501:B2
X12501:B3
X12501:B4
X12501:C3
X131P1:B3
X131P1:B4
X131P1:B1
X131P1:B2
X12501:C4
X12501:C5
X12501:D5
X12501:C6
X131P1:A2
X131P1:A1
X25X2:5
N.C.
N.C.
X31P1(CNP1)
Slip Rings(J1)
LINE SENSOR AMP(CN5)
Head U/D (+)OL
Head U/D (-)OL
Nozzle Selection
Position Detection
Nozzle U/D (+)LO
Nozzle U/D (-)LO
Control Circuit
Power Supply
Main Circuit
Power Supply
Unused