文档中心
/
T-Solution2_User_Guide(Chi_Ver11.3).pdf
T-Solution2_User_Guide(Chi_Ver11.3).pdf - 第128页
在线预览 T-Solution2_User_Guide(Chi_Ver11.3).pdf PDF 文档。
目录
100%
显示:宽度
宽度
1 / 772
回到旧版
旧版
?
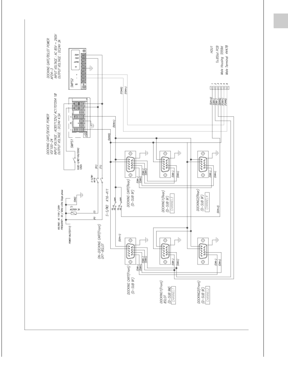
2-75
附加装置
2.5.4.2
.
控制方块图
安装程序
该页面需要启用 JavaScript 才能进行交互式预览。