T-Solution2_User_Guide(Chi_Ver11.3).pdf - 第91页
2-39 附加装置 5 USB HUB BK SM1-FWS-033 1 6 HSB HUB IR-4100 1 O 7B O L T M 4 x 1 0 L 9 8 WASHER M5 16 9 LCD ARM BSW-17 1 O 10 MONITOR 178B 1 O 1 1 BOL T M5x35L 6 12 CAP NUT M5 6 13 BOL T M4x12L 8 14 BOL T M4x12L 2 15 BOL T M5…

2-38
{TzYG|˅Gn{TzYG|˅Gn
2.3.4.7.
Table 分解图及零件表
序号 说明 零件号 数量 维修零件 备注
1 TABLE SM1-FWS-029 1
2 TABLE BK SM1-FWS-030 1
3 MOVE WHEEL SM1-FWS-031 1
4 MONITOR STANDER SM1-FWS-032 1 O

2-39
附加装置
5 USB HUB BK SM1-FWS-033 1
6 HSB HUB IR-4100 1 O
7BOLT M4x10L 9
8 WASHER M5 16
9 LCD ARM BSW-17 1 O
10 MONITOR 178B 1 O
11 BOLT M5x35L 6
12 CAP NUT M5 6
13 BOLT M4x12L 8
14 BOLT M4x12L 2
15 BOLT M5x10L 6
16 BOLT M5x6L 16
序号 说明 零件号 数量 维修零件 备注

{TzYG|˅Gn{TzYG|˅Gn
2-40
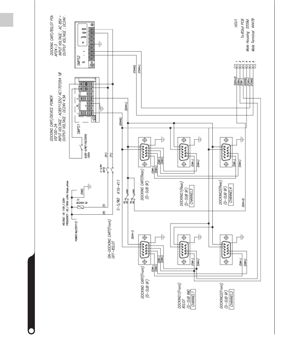
2.3.4.8.
控制方块图