TR8S_维修调整.pdf - 第78页
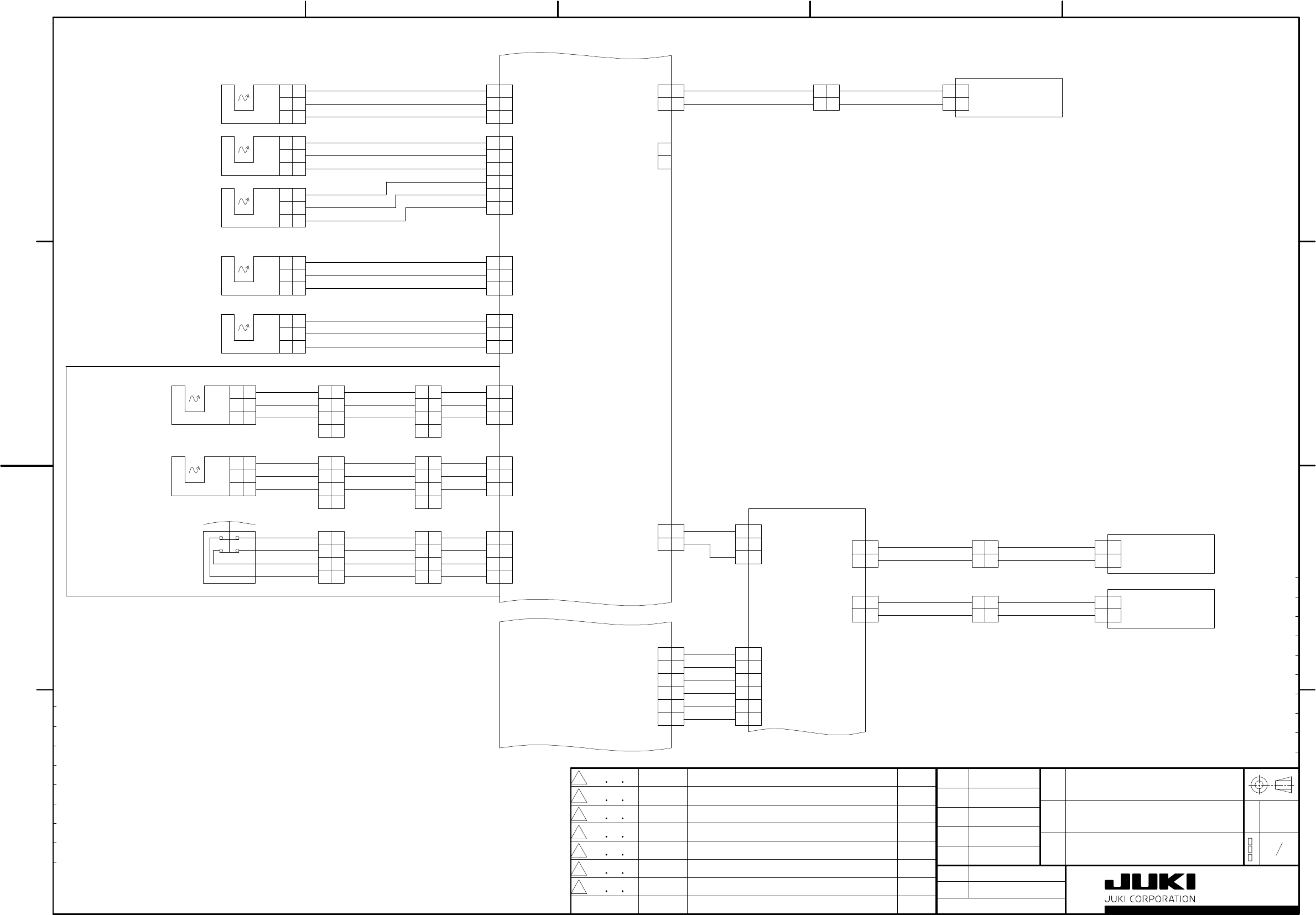
7 0 4 1 1 W I R I N G D I A G R A M 3 9 4 0 1 5 3 4 5 1 4 0 1 5 3 3 7 3 4 0 1 5 3 3 7 4 G N D G N D G N D + 5 V + 5 V + 5 V Z S _ O R G [ N ] X _ O R G [ N ] Y _ S H U N T [ N ] S _ O R G [ N ] T R A Y _ S E N S - [ N ] …

7
0
4
1
1
W
I
R
I
N
G
D
I
A
G
R
A
M
2
9
*
4
0
1
5
3
4
5
1
C
N
1
7
U
V
W
B
R
N
.
C
.
N
.
C
.
L
G
Z
M
_
L
A
Z
M
_
L
A
R
Z
M
_
L
B
Z
M
_
L
B
R
N
.
C
.
N
.
C
.
Z
M
_
D
I
R
N
.
C
.
+
2
4
V
N
.
C
.
N
.
C
.
Z
M
_
S
V
_
O
N
N
.
C
.
N
.
C
.
N
.
C
.
Z
M
_
A
L
M
_
R
S
T
[
N
]
+
2
4
V
+
2
4
V
N
.
C
.
N
.
C
.
Z
M
_
I
N
P
N
.
C
.
N
.
C
.
N
.
C
.
G
N
D
N
.
C
.
G
N
D
N
.
C
.
N
.
C
.
Z
M
_
Z
[
N
]
N
.
C
.
Z
M
_
P
U
L
S
E
N
.
C
.
N
.
C
.
N
.
C
.
N
.
C
.
N
.
C
.
Z
M
_
C
N
T
_
R
S
T
[
N
]
E
M
G
Z
M
_
L
M
T
+
Z
M
_
L
M
T
-
N
.
C
.
G
N
D
G
N
D
Z
M
_
A
L
M
Z
M
_
D
R
V
_
R
D
Y
N
.
C
.
M
A
I
N
P
C
B
(
2
/
8
)
4
0
1
5
7
8
9
2
Z
M
M
O
T
O
R
4
0
0
4
5
7
0
3
(
L
O
W
E
R
)
4
0
1
5
3
3
7
0
Z
M
D
R
I
V
E
R
(
2
/
2
)
4
0
0
4
5
7
0
2
F
G
4
0
0
4
5
0
4
8
4
0
1
5
3
3
7
1
4
0
0
4
9
5
2
1
P
5
L
G
M
R
M
R
R
M
D
M
D
R
B
A
T
S
D
+
2
4
V
D
Z
M
_
B
R
K
_
R
L
S
[
N
]
C
N
1
8
C
N
1
C
N
2
C
N
P
3
1
_
5
C
1
_
3
C
2
_
3
B
M
A
I
N
1
7
Z
M
1
M
A
I
N
1
8
Z
M
2
Z
M
P
3
C
N
3
C
N
2
+
5
V
Y
_
C
W
[
N
]
+
5
V
Y
_
C
C
W
[
N
]
+
5
V
Y
_
P
D
[
N
]
N
.
C
.
G
N
D
Y
_
A
L
M
[
N
]
G
N
D
C
N
2
1
M
A
I
N
P
C
B
(
3
/
8
)
4
0
1
5
7
8
9
2
Y
D
R
I
V
E
R
(
2
/
2
)
4
0
0
4
5
7
1
1
2
_
1
D
1
_
3
C
3
_
2
A
M
A
I
N
2
1
Y
D
R
V
3
Y
_
M
O
T
O
R
4
0
0
4
5
0
6
0
B
L
K
R
E
D
O
R
G
Y
L
W
B
L
U
4
0
1
5
3
3
7
2
F
G
Y
D
R
V
2
B
L
K
R
E
D
O
R
G
Y
L
W
B
L
U
C
N
0
0
4
4
0
0
4
9
5
2
2
Y
,
Z
D
R
I
V
E
R
3
2
1
5
4
3
2
1
5
4
6
6
3
2
1
5
4
3
2
1
5
4
6
6
1
1
1
0
9
1
3
1
2
1
1
1
0
9
1
3
1
2
1
4
1
4
3
2
1
5
4
3
2
1
5
4
6
6
8
7
8
7
1
1
1
0
9
1
3
1
2
1
1
1
0
9
1
3
1
2
1
4
1
4
3
2
1
5
4
3
2
1
5
4
6
6
8
7
8
7
N
.
C
.
N
.
C
.
N
.
C
.
N
.
C
.
3
2
1
5
4
3
2
1
5
4
6
6
8
7
8
7
2
1
2
1
2
1
2
1
3
2
1
4
3
2
1
4
3
2
1
3
2
1
3
2
1
5
4
3
2
1
5
4
6
6
8
7
8
7
1
1
1
0
9
1
3
1
2
1
1
1
0
9
1
3
1
2
1
4
1
4
3
2
1
5
4
3
2
1
5
4
6
6
8
7
8
7
2
5
2
4
2
3
2
7
2
6
2
5
2
4
2
3
2
7
2
6
2
8
2
8
1
7
1
6
1
5
1
9
1
8
1
7
1
6
1
5
1
9
1
8
2
0
2
0
2
2
2
1
2
2
2
1
3
9
3
8
3
7
4
1
4
0
3
9
3
8
3
7
4
1
4
0
4
2
4
2
3
1
3
0
2
9
3
3
3
2
3
1
3
0
2
9
3
3
3
2
3
4
3
4
3
6
3
5
3
6
3
5
4
5
4
4
4
3
4
7
4
6
4
5
4
4
4
3
4
7
4
6
4
8
4
8
5
0
4
9
5
0
4
9
1
1
1
0
9
1
3
1
2
1
1
1
0
9
1
3
1
2
1
4
1
4
3
2
1
5
4
3
2
1
5
4
6
6
8
7
8
7
2
5
2
4
2
3
2
7
2
6
2
5
2
4
2
3
2
7
2
6
2
8
2
8
1
7
1
6
1
5
1
9
1
8
1
7
1
6
1
5
1
9
1
8
2
0
2
0
2
2
2
1
2
2
2
1
3
9
3
8
3
7
4
1
4
0
3
9
3
8
3
7
4
1
4
0
4
2
4
2
3
1
3
0
2
9
3
3
3
2
3
1
3
0
2
9
3
3
3
2
3
4
3
4
3
6
3
5
3
6
3
5
4
5
4
4
4
3
4
7
4
6
4
5
4
4
4
3
4
7
4
6
4
8
4
8
5
0
4
9
5
0
4
9
N
O
T
尺
度
型
式
品
番
品
名
承
認
検
図
設
計
製
図
作
成
保
管
類
似
担
当
記
号
日
付
変
更
番
号
変
更
記
事
R
/
N
D
C
B
A
5
4
3
2
1
C
B
A
D
T
S
K
7
-
A
3
-
V
0
1
E
D
A

7
0
4
1
1
W
I
R
I
N
G
D
I
A
G
R
A
M
3
9
4
0
1
5
3
4
5
1
4
0
1
5
3
3
7
3
4
0
1
5
3
3
7
4
G
N
D
G
N
D
G
N
D
+
5
V
+
5
V
+
5
V
Z
S
_
O
R
G
[
N
]
X
_
O
R
G
[
N
]
Y
_
S
H
U
N
T
[
N
]
S
_
O
R
G
[
N
]
T
R
A
Y
_
S
E
N
S
-
[
N
]
D
O
O
R
_
S
_
L
O
C
K
S
T
K
_
S
_
S
E
T
_
S
E
N
S
[
N
]
S
T
K
_
S
_
L
O
C
K
[
N
]
S
T
K
_
M
_
M
I
S
_
S
E
T
S
T
K
_
S
_
M
I
S
_
S
E
T
T
R
A
Y
_
H
L
D
_
S
[
N
]
T
R
A
Y
_
R
L
S
_
S
[
N
]
S
T
K
_
M
_
S
P
L
Y
_
S
W
[
N
]
S
T
K
_
S
_
S
P
L
Y
_
S
W
[
N
]
H
L
_
V
A
C
_
O
N
[
N
]
H
R
_
V
A
C
_
O
N
[
N
]
S
P
A
D
_
L
_
V
A
C
_
O
N
[
N
]
S
P
A
D
_
L
_
S
M
L
[
N
]
B
G
A
_
L
_
R
L
S
[
N
]
S
P
A
D
_
R
_
V
A
C
_
O
N
[
N
]
S
P
A
D
_
R
_
S
M
L
[
N
]
B
G
A
_
R
_
R
L
S
[
N
]
X
_
F
A
N
_
A
L
M
Y
_
F
A
N
_
A
L
M
C
M
P
N
T
_
1
0
.
5
C
M
P
N
T
_
2
3
.
5
C
M
P
N
T
_
3
5
.
0
U
N
C
L
A
M
P
_
L
[
N
]
C
L
A
M
P
_
L
[
N
]
U
N
C
L
A
M
P
_
R
[
N
]
C
L
A
M
P
_
R
[
N
]
C
G
_
L
_
I
N
[
N
]
C
G
_
R
_
I
N
[
N
]
S
T
K
_
S
E
T
[
N
]
F
L
O
O
R
_
S
E
N
S
H
L
_
D
W
N
[
N
]
H
L
_
U
P
[
N
]
H
R
_
D
W
N
[
N
]
H
R
_
U
P
[
N
]
C
O
V
E
R
_
L
O
C
K
[
N
]
+
2
4
V
+
2
4
V
D
+
2
4
V
R
T
N
R
E
S
E
R
V
E
+
2
4
V
+
2
4
V
+
2
4
V
D
+
2
4
V
R
T
N
+
2
4
V
R
T
N
+
2
4
V
R
T
N
+
2
4
V
R
T
N
M
A
I
N
P
C
B
(
4
/
8
)
4
0
1
5
7
8
9
2
C
N
5
C
N
3
S
C
N
P
C
B
(
1
/
6
)
4
0
0
4
1
1
1
7
S
C
N
P
C
B
(
2
/
6
)
4
0
0
4
1
1
1
7
G
N
D
G
N
D
+
5
V
+
5
V
D
O
O
R
_
M
_
O
P
E
N
M
T
C
_
E
M
G
Z
M
_
L
M
T
-
Z
M
_
L
M
T
+
Y
_
L
M
T
-
Y
_
L
M
T
+
Z
M
_
O
R
G
[
N
]
Y
_
O
R
G
[
N
]
T
R
A
Y
_
S
E
N
S
+
[
N
]
D
O
O
R
_
M
_
L
O
C
K
S
T
K
_
M
_
S
E
T
_
S
E
N
S
[
N
]
S
T
K
_
M
_
L
O
C
K
[
N
]
S
H
T
_
C
L
O
S
E
[
N
]
S
H
T
_
O
P
E
N
[
N
]
T
R
A
Y
_
H
L
D
_
M
[
N
]
T
R
A
Y
_
R
L
S
_
M
[
N
]
+
2
4
V
+
2
4
V
+
2
4
V
+
2
4
V
R
T
N
+
2
4
V
R
T
N
+
2
4
V
R
T
N
S
C
N
P
C
B
(
3
/
6
)
4
0
0
4
1
1
1
7
M
A
I
N
P
C
B
(
5
/
8
)
4
0
1
5
7
8
9
2
C
N
6
4
0
1
5
3
3
7
5
G
N
D
G
N
D
+
5
V
+
5
V
D
O
O
R
_
S
_
O
P
E
N
Z
S
_
L
M
T
-
Z
S
_
L
M
T
+
X
_
L
M
T
-
X
_
L
M
T
+
S
_
L
M
T
-
S
_
L
M
T
+
C
O
V
E
R
_
O
P
E
N
T
R
6
S
[
N
]
T
R
6
D
[
N
]
T
R
5
S
[
N
]
T
R
5
D
[
N
]
C
N
4
4
0
1
5
3
3
7
6
2
_
4
C
3
_
3
A
3
_
1
D
3
_
4
A
3
_
3
D
3
_
5
A
3
_
2
D
4
_
2
A
4
_
2
C
C
N
0
1
S
C
N
0
1
C
N
1
2
C
N
0
8
C
N
0
5
_
5
S
M
A
I
N
0
5
M
A
I
N
0
3
S
C
N
0
8
S
C
N
0
5
S
C
N
1
2
M
A
I
N
0
6
M
A
I
N
0
4
R
E
S
E
R
V
E
R
E
S
E
R
V
E
R
E
S
E
R
V
E
S
E
N
S
O
R
I
/
O
S
O
L
E
N
O
I
D
I
/
O
+
2
4
V
D
+
2
4
V
D
O
O
R
_
M
_
L
O
C
K
_
O
N
[
N
]
D
O
O
R
_
S
_
L
O
C
K
_
O
N
[
N
]
S
H
T
_
O
P
E
N
_
S
V
[
N
]
T
R
A
Y
_
H
L
D
_
S
V
[
N
]
S
T
K
_
M
_
E
M
P
T
Y
_
L
A
M
P
[
N
]
S
T
K
_
S
_
E
M
P
T
Y
_
L
A
M
P
[
N
]
+
5
V
S
T
K
_
M
_
S
P
L
Y
_
L
D
[
N
]
S
T
K
_
S
_
S
P
L
Y
_
L
D
[
N
]
H
L
_
D
W
N
_
S
V
[
N
]
H
L
_
V
A
C
_
S
V
[
N
]
H
L
_
B
L
W
_
S
V
[
N
]
H
R
_
D
W
N
_
S
V
[
N
]
H
R
_
V
A
C
_
S
V
[
N
]
H
R
_
B
L
W
_
S
V
[
N
]
S
P
A
D
_
L
_
V
A
C
_
S
V
[
N
]
S
P
A
D
_
L
_
B
L
W
_
S
V
[
N
]
B
G
A
_
L
_
H
L
D
_
S
V
[
N
]
S
P
A
D
_
L
_
S
W
_
S
V
[
N
]
S
P
A
D
_
R
_
V
A
C
_
S
V
[
N
]
S
P
A
D
_
R
_
B
L
W
_
S
V
[
N
]
B
G
A
_
R
_
H
L
D
_
S
V
[
N
]
S
P
A
D
_
R
_
S
W
_
S
V
[
N
]
C
G
_
R
_
S
V
[
N
]
C
G
_
L
_
S
V
[
N
]
S
T
K
_
C
L
A
M
P
_
S
V
[
N
]
S
P
A
R
E
+
2
4
V
D
+
2
4
V
D
+
2
4
V
R
T
N
+
2
4
V
R
T
N
+
2
4
V
R
T
N
+
2
4
V
R
T
N
S
P
O
T
_
V
D
D
S
P
O
T
_
L
A
M
P
[
N
]
S
L
O
W
_
M
O
D
E
[
N
]
C
O
V
E
R
_
L
O
C
K
_
O
N
[
N
]
S
P
A
R
E
1
1
1
0
9
1
3
1
2
1
1
1
0
9
1
3
1
2
1
4
1
4
3
2
1
5
4
3
2
1
5
4
6
6
8
7
8
7
2
5
2
4
2
3
2
7
2
6
2
5
2
4
2
3
2
7
2
6
2
8
2
8
1
7
1
6
1
5
1
9
1
8
1
7
1
6
1
5
1
9
1
8
2
0
2
0
2
2
2
1
2
2
2
1
3
9
3
8
3
7
4
1
4
0
3
9
3
8
3
7
4
1
4
0
4
2
4
2
3
1
3
0
2
9
3
3
3
2
3
1
3
0
2
9
3
3
3
2
3
4
3
4
3
6
3
5
3
6
3
5
4
5
4
4
4
3
4
7
4
6
4
5
4
4
4
3
4
7
4
6
4
8
4
8
5
0
4
9
5
0
4
9
5
1
5
1
5
2
5
2
5
5
5
4
5
3
5
7
5
6
5
5
5
4
5
3
5
7
5
6
5
8
5
8
6
0
5
9
6
0
5
9
1
1
1
0
9
1
3
1
2
1
1
1
0
9
1
3
1
2
1
4
1
4
3
2
1
5
4
3
2
1
5
4
6
6
8
7
8
7
2
5
2
4
2
3
2
7
2
6
2
5
2
4
2
3
2
7
2
6
2
8
2
8
1
7
1
6
1
5
1
9
1
8
1
7
1
6
1
5
1
9
1
8
2
0
2
0
2
2
2
1
2
2
2
1
3
9
3
8
3
7
4
1
4
0
3
9
3
8
3
7
4
1
4
0
4
2
4
2
3
1
3
0
2
9
3
3
3
2
3
1
3
0
2
9
3
3
3
2
3
4
3
4
3
6
3
5
3
6
3
5
4
5
4
4
4
3
4
7
4
6
4
5
4
4
4
3
4
7
4
6
4
8
4
8
5
0
4
9
5
0
4
9
5
1
5
1
5
2
5
2
5
5
5
4
5
3
5
7
5
6
5
5
5
4
5
3
5
7
5
6
5
8
5
8
6
0
5
9
6
0
5
9
1
1
1
0
9
1
3
1
2
1
1
1
0
9
1
3
1
2
1
4
1
4
3
2
1
5
4
3
2
1
5
4
6
6
8
7
8
7
2
5
2
4
2
3
2
7
2
6
2
5
2
4
2
3
2
7
2
6
2
8
2
8
1
7
1
6
1
5
1
9
1
8
1
7
1
6
1
5
1
9
1
8
2
0
2
0
2
2
2
1
2
2
2
1
3
9
3
8
3
7
4
0
3
9
3
8
3
7
4
0
3
1
3
0
2
9
3
3
3
2
3
1
3
0
2
9
3
3
3
2
3
4
3
4
3
6
3
5
3
6
3
5
1
1
1
0
9
1
3
1
2
1
1
1
0
9
1
3
1
2
1
4
1
4
3
2
1
5
4
3
2
1
5
4
6
6
8
7
8
7
2
5
2
4
2
3
2
7
2
6
2
5
2
4
2
3
2
7
2
6
2
8
2
8
1
7
1
6
1
5
1
9
1
8
1
7
1
6
1
5
1
9
1
8
2
0
2
0
2
2
2
1
2
2
2
1
3
9
3
8
3
7
4
0
3
9
3
8
3
7
4
0
3
1
3
0
2
9
3
3
3
2
3
1
3
0
2
9
3
3
3
2
3
4
3
4
3
6
3
5
3
6
3
5
1
1
1
0
9
1
3
1
2
1
1
1
0
9
1
3
1
2
1
4
1
4
3
2
1
5
4
3
2
1
5
4
6
6
8
7
8
7
1
6
1
5
1
6
1
5
1
1
1
0
9
1
3
1
2
1
1
1
0
9
1
3
1
2
1
4
1
4
3
2
1
5
4
3
2
1
5
4
6
6
8
7
8
7
1
6
1
5
1
6
1
5
1
1
1
0
9
1
3
1
2
1
1
1
0
9
1
3
1
2
1
4
1
4
3
2
1
5
4
3
2
1
5
4
6
6
8
7
8
7
2
5
2
4
2
3
2
6
2
5
2
4
2
3
2
6
1
7
1
6
1
5
1
9
1
8
1
7
1
6
1
5
1
9
1
8
2
0
2
0
2
2
2
1
2
2
2
1
1
1
1
0
9
1
3
1
2
1
1
1
0
9
1
3
1
2
1
4
1
4
3
2
1
5
4
3
2
1
5
4
6
6
8
7
8
7
2
5
2
4
2
3
2
6
2
5
2
4
2
3
2
6
1
7
1
6
1
5
1
9
1
8
1
7
1
6
1
5
1
9
1
8
2
0
2
0
2
2
2
1
2
2
2
1
N
O
T
尺
度
型
式
品
番
品
名
承
認
検
図
設
計
製
図
作
成
保
管
類
似
担
当
記
号
日
付
変
更
番
号
変
更
記
事
D
C
B
A
5
4
3
2
1
C
B
A
D
T
S
K
7
-
A
3
-
V
0
1
E
D
A

7
0
4
1
1
W
I
R
I
N
G
D
I
A
G
R
A
M
4
9
4
0
1
5
3
4
5
1
S
C
N
0
6
C
N
0
6
+
5
V
Z
M
_
O
R
G
[
N
]
G
N
D
+
5
V
Z
M
_
L
M
T
-
G
N
D
Z
M
O
R
G
Z
M
L
M
T
-
Z
M
O
R
G
S
E
N
S
O
R
H
D
0
0
1
7
1
0
0
0
0
(
D
A
R
K
:
L
)
4
0
0
4
9
6
9
2
3
_
4
D
5
_
3
A
+
5
V
Z
M
_
L
M
T
+
G
N
D
C
N
2
4
S
C
N
2
4
V
c
c
O
U
T
G
N
D
Z
M
L
M
T
+
4
0
1
5
3
3
7
7
Z
M
L
M
T
+
S
E
N
S
O
R
H
D
0
0
1
7
0
0
0
0
0
(
D
A
R
K
:
H
)
Z
A
X
I
S
S
L
O
W
M
O
D
E
E
M
G
_
I
N
2
E
M
G
_
I
N
1
(
+
5
V
)
E
M
G
_
O
U
T
2
E
M
G
_
O
U
T
1
C
N
4
0
S
C
N
1
1
C
N
1
1
+
5
V
D
O
O
R
_
M
_
L
O
C
K
[
N
]
G
N
D
D
O
O
R
M
L
O
C
K
D
O
O
R
M
L
O
C
K
S
E
N
S
O
R
H
D
0
0
1
7
1
0
0
0
0
(
D
A
R
K
:
L
)
4
0
0
4
5
0
8
6
S
C
N
1
5
C
N
1
5
+
2
4
V
D
D
O
O
R
_
M
_
L
O
C
K
_
O
N
[
N
]
C
N
0
0
8
D
O
O
R
L
O
C
K
S
.
V
.
4
0
0
4
5
0
9
7
4
0
1
5
4
3
6
1
C
N
0
7
+
5
V
D
O
O
R
_
M
_
O
P
E
N
G
N
D
S
C
N
0
7
C
N
0
7
2
-
A
4
0
0
5
0
2
0
7
S
C
N
4
0
4
0
0
4
9
5
5
6
S
L
0
3
C
N
0
3
+
2
4
V
D
S
L
O
W
_
M
O
D
E
_
1
[
N
]
4
0
1
5
3
4
1
4
C
N
1
2
5
4
0
1
5
6
1
2
6
S
L
0
4
C
N
0
4
+
2
4
V
D
S
L
O
W
_
M
O
D
E
_
2
[
N
]
4
0
1
5
3
4
1
5
C
N
1
2
6
4
0
1
5
6
1
2
7
M
A
I
N
P
C
B
(
6
/
8
)
4
0
1
5
7
8
9
2
S
C
N
2
0
C
N
2
0
+
2
4
V
D
S
L
O
W
_
M
O
D
E
[
N
]
4
0
0
4
9
7
0
0
C
N
0
1
S
L
0
1
C
N
0
2
S
L
0
2
+
5
V
G
N
D
M
A
I
N
2
3
C
N
2
3
4
0
0
4
9
7
0
1
+
2
4
V
D
+
2
4
V
D
+
2
4
V
R
E
T
+
2
4
V
R
E
T
S
L
O
W
P
C
B
4
0
0
4
2
5
7
5
4
0
0
4
9
6
9
3
E
M
G
S
W
H
A
0
0
2
0
4
0
0
0
0
4
0
0
4
9
6
9
6
3
_
5
D
7
_
2
A
D
O
O
R
M
O
P
E
N
D
O
O
R
M
O
P
E
N
S
E
N
S
O
R
H
D
0
0
1
7
1
0
0
0
0
(
D
A
R
K
:
L
)
N
O
T
E
1
.
T
H
I
S
W
I
R
I
N
G
I
S
S
T
A
N
D
A
R
D
S
P
E
C
.
E
N
S
P
E
C
'
S
W
I
R
I
N
G
R
E
F
E
R
T
O
8
P
A
G
E
S
.
Z
M
L
M
T
-
S
E
N
S
O
R
H
D
0
0
1
7
0
0
0
0
0
D
A
R
K
:
H
S
C
N
1
4
C
N
1
4
+
5
V
D
O
O
R
_
S
_
L
O
C
K
[
N
]
G
N
D
D
O
O
R
S
L
O
C
K
D
O
O
R
S
L
O
C
K
S
E
N
S
O
R
H
D
0
0
1
7
1
0
0
0
0
(
D
A
R
K
:
L
)
4
0
0
4
5
0
9
0
C
N
4
9
+
5
V
D
O
O
R
_
S
_
O
P
E
N
G
N
D
S
C
N
4
9
4
0
1
5
5
5
5
7
4
0
1
5
5
5
8
4
D
O
O
R
S
O
P
E
N
D
O
O
R
S
O
P
E
N
S
E
N
S
O
R
H
D
0
0
1
7
1
0
0
0
0
(
D
A
R
K
:
L
)
C
N
1
6
+
2
4
V
D
D
O
O
R
_
S
_
L
O
C
K
_
O
N
[
N
]
S
C
N
P
C
B
(
4
/
6
)
4
0
0
4
1
1
1
7
N
O
T
E
1
.
2
3
1
2
3
1
3
2
1
3
2
1
2
1
2
1
2
1
2
1
2
1
2
1
V
c
c
O
U
T
G
N
D
2
3
1
2
3
1
V
c
c
O
U
T
G
N
D
2
3
1
2
3
1
V
c
c
O
U
T
G
N
D
1
2
3
1
2
3
V
c
c
O
U
T
G
N
D
1
2
3
1
2
3
V
c
c
O
U
T
G
N
D
1
2
3
1
2
3
V
c
c
O
U
T
G
N
D
1
2
3
1
2
3
3
2
1
3
2
1
6
5
4
6
5
4
2
1
3
2
1
3
2
1
3
2
1
3
2
1
3
2
1
3
2
1
3
2
1
3
2
1
3
2
1
3
2
1
3
2
1
3
2
1
3
2
1
3
2
1
4
4
3
2
1
3
2
1
4
4
3
2
1
3
2
1
2
1
2
1
2
1
2
1
2
1
2
1
2
1
2
1
2
1
2
1
3
2
1
3
2
1
4
4
5
5
6
6
3
2
1
3
2
1
4
4
5
5
6
6
5
_
2
A
4
4
4
4
C
N
0
7
3
C
N
0
7
5
3
2
1
3
2
1
3
2
1
3
2
1
4
4
4
4
4
0
0
4
9
6
9
4
4
0
1
5
5
2
6
9
C
N
0
6
3
3
2
1
3
2
1
4
4
4
0
0
4
9
6
9
7
C
N
0
7
2
-
B
C
N
0
7
4
-
A
C
N
0
7
4
-
B
C
N
1
0
7
-
A
C
N
1
0
7
-
B
S
L
O
W
M
O
D
E
1
S
.
V
.
(
T
R
A
Y
H
L
D
1
)
2
1
2
1
S
L
O
W
M
O
D
E
2
S
.
V
.
(
T
R
A
Y
H
L
D
2
)
2
1
2
1
N
O
T
尺
度
型
式
品
番
品
名
承
認
検
図
設
計
製
図
作
成
保
管
類
似
担
当
記
号
日
付
変
更
番
号
変
更
記
事
D
C
B
A
5
4
3
2
1
C
B
A
D
T
S
K
7
-
A
3
-
V
0
1
E
D
A