TR8S_维修调整.pdf - 第86页
Rev 1.0 维修调整要领书 9. 气动系统配管图 9- 1. 气动零部件清单 No. 品番 品名 使用箇所 1 40049595 TRAY HLD S.V. ASM Y 轴托盘卡盘部 2 PV1303060A0 3 通道电磁阀 Y 轴托盘卡盘部 L 侧 3 PV1303060A0 3 通道电磁阀 Y 轴托盘卡盘部 R 侧 4 PA1001524A0 AIR CYLINDER Y 轴托盘卡盘部 L 侧 5 PA1001524A0 AI…

Rev1.0
维修调整要领书
9.
气动系统配管图
9-1.
气动零部件清单
No.
品番
品名
使用箇所
1
40049595
TRAY HLD S.V. ASM
Y
轴托盘卡盘部
2
PV1303060A0
3
通道电磁阀
Y
轴托盘卡盘部
L
侧
3
PV1303060A0
3
通道电磁阀
Y
轴托盘卡盘部
R
侧
4
PA1001524A0
AIR CYLINDER
Y
轴托盘卡盘部
L
侧
5
PA1001524A0
AIR CYLINDER
Y
轴托盘卡盘部
R
侧
6
40049718
SHT OPEN S.V. CABLE 3 ASM
门锁定动作用
7
PA1001524A0
AIR CYLINDER
门锁定气缸
8
PA1001524A0
AIR CYLINDER
门锁定气缸
9
40049718
SHT OPEN S.V. CABLE 3 ASM
开闭闸门用
10
40049706
SLOW MODE (SHT) ASM
超低速模式闸门部
11
PA0601014A0
FREE MOUNT CYLINDER
开闭闸门用
12
PA0601014A0
FREE MOUNT CYLINDER
开闭闸门用
13
PC012401000
SPEED CONTROLLER
Y
轴托盘卡盘用
14
PC010519000
SPEED CONTROLLER
Y
轴托盘释放用
15
PC010508000
SPEED CONTROLLER
开闭闸门用
16
PC010508000
SPEED CONTROLLER
开闭闸门用
17
PC012401000
SPEED CONTROLLER
开闭闸门用
9-1

Rev1.0
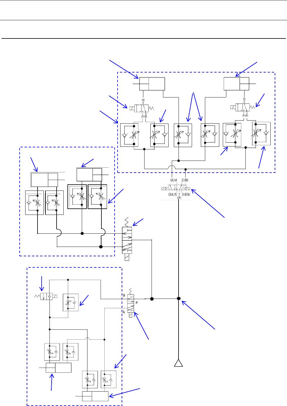
维修调整要领书
9-2.
气动系统配管图
⑪
⑩
⑨
⑧
⑦
⑥
⑤
④
➂
②
①
①
⑮
⑭
⑬
⑫
⑯
⑰
⑬
【闸门部】
⑬
⑬
A
B
P
【门锁定部】
【
Y
卡盘部】
9-2