D4+circuit(2006).pdf - 第108页
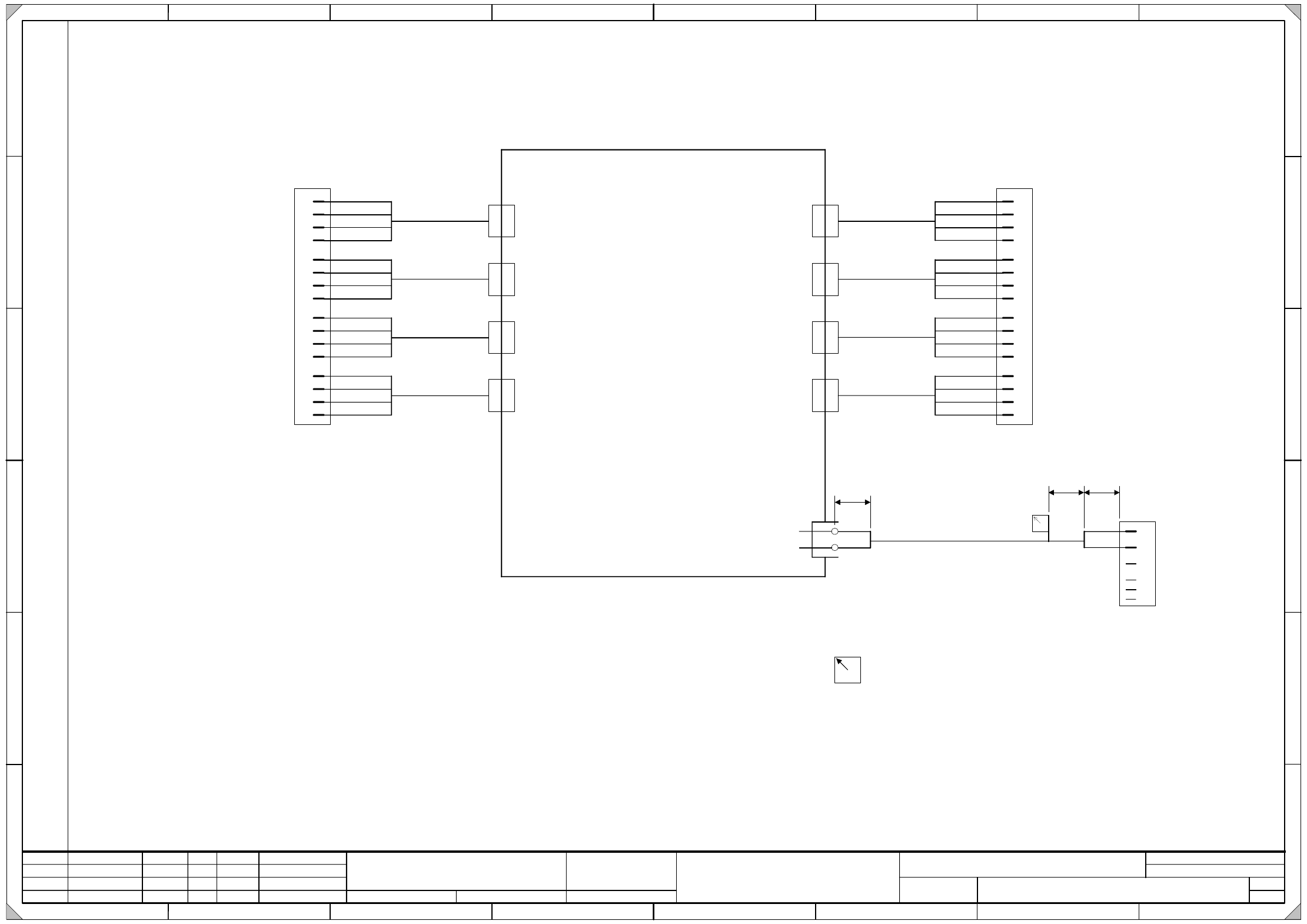
3 - 13 0303907 9-020 101LD3 A364 ax is un it, wirin g (sh. 1 of 2) Verdrahtung Axis Unit A364 0303907 9-020 101LD3 2 10.10.2005 Tekin Wiring a xis un it A364 Po mmer H. Tekin 20.01.06 402239 RS02 Tekin 10.08.06 402700 FS…

3 - 12
03032354-030101LD3 Distributor, sector 4 (sh. 4 of 4)
Verteiler Sektor 4
Distributor, sector 4
03032354-030101LD3
4
23.03.2005
Huber M.
23.12.05 HM
FS02 19.05.05 HM
Modif. X21df, X23df
RS02 S1 switch status 08.06.05 Tekin
FS03
Orig. Repl. by.Repl. f.
W
e
i
t
e
r
g
a
b
e
s
o
w
i
e
V
e
r
v
i
e
l
f
ä
l
t
i
g
u
n
g
d
i
e
s
e
r
U
n
t
e
r
l
a
g
e
,
V
e
r
w
e
r
t
u
n
g
u
n
d
M
i
t
t
e
i
l
u
n
g
i
h
r
e
s
I
n
h
a
l
t
s
n
i
c
h
t
g
e
s
t
a
t
t
e
t
,
s
o
w
e
i
t
n
i
c
h
t
a
u
s
d
r
ü
c
k
l
i
c
h
z
u
g
e
s
t
a
n
d
e
n
.
Z
u
w
i
d
e
r
h
a
n
d
l
u
n
g
e
n
v
e
r
p
f
l
i
c
h
t
e
n
z
u
S
c
h
a
d
e
n
e
r
s
a
t
z
.
A
l
l
e
R
e
c
h
t
e
v
o
r
b
e
h
a
l
t
e
n
,
i
n
s
b
e
s
o
n
d
e
r
e
f
ü
r
d
e
n
F
a
l
l
d
e
r
P
a
t
e
n
t
e
r
t
e
i
l
u
n
g
o
d
e
r
G
M
-
E
i
n
t
r
a
g
u
n
g
.
P
r
o
p
r
i
e
t
a
r
y
d
a
t
a
,
c
o
m
p
a
n
y
c
o
n
f
i
d
e
n
t
i
a
l
.
A
l
l
r
i
g
h
t
s
r
e
s
e
r
v
e
d
.
C
o
n
f
i
e
a
t
i
t
r
e
d
e
s
e
c
r
e
t
d
'
e
n
t
r
e
p
r
i
s
e
.
T
o
u
s
d
r
o
i
t
s
r
e
s
e
r
v
e
s
.
C
o
m
u
n
i
c
a
d
o
c
o
m
o
s
e
g
r
e
d
o
e
m
p
r
e
s
a
r
i
a
l
.
R
e
s
e
r
v
a
d
o
s
t
o
d
o
s
o
s
d
i
r
e
i
t
o
s
.
C
o
n
f
i
a
d
o
c
o
m
o
s
e
c
r
e
t
e
i
n
d
u
s
t
r
i
a
l
.
N
o
s
r
e
s
e
r
v
a
m
o
s
t
o
d
o
s
l
o
s
d
e
r
e
c
h
o
s
.
21 786543
21 786543
A
B
C
D
E
F
A
B
C
D
E
F
Date
Author
Checked
StandardNameModificationStat. Date
Sheet
Designer 9
Copyright reserved
SIEMENS AG
Item name / Benennung
of
Document no. /
Dokumentennummer:
402216
SIPLACE D4
4
X17df
1
2
3
4
5
6
S_LeftNozzles(open) M_PipettenLinks(auf)
Nozzle changer 1a
Pipettenwechsler 1a
S_RightNozzles(closed) M_PipettenRechts(zu)
Ctrl_ValveNozzles St_VentilPipetten
GND
+24V
GND
X18df
1
2
3
4
5
6
S_LeftNozzles(open) M_PipettenLinks(auf)
Nozzle changer 1b
Pipettenwechsler 1b
S_RightNozzles(closed) M_PipettenRechts(zu)
Ctrl_ValveNozzles St_VentilPipetten
GND
+24V
GND
X19df
1
2
3
4
5
6
S_LeftNozzles(open) M_PipettenLinks(auf)
Nozzle changer 4a
Pipettenwechsler 4a
S_RightNozzles(closed) M_PipettenRechts(zu)
Ctrl_ValveNozzles St_VentilPipetten
GND
+24V
GND
X20df
1
2
3
4
5
6
S_LeftNozzles(open) M_PipettenLinks(auf)
Nozzle changer 4b
Pipettenwechsler 4b
S_RightNozzles(closed) M_PipettenRechts(zu)
Ctrl_ValveNozzles St_VentilPipetten
GND
+24V
GND
X3qb_1
X3qb_2
X8qb_1
X8qb_2
X3qb_3
X8qb_3
X3qb_7
X8qb_4
X3qb_4
X3qb_5
X3qb_6
X3qb_8
X400_6C, X18df_4
X400_6B, X18df_6
X400_16D, X18df_2
X17df_2, X19df_2
X17df_4, X19df_4
X17df_6, X19df_6
X18df_2, X20df_2
X18df_4, X20df_4
X18df_6, X20df_6
X19df_2
X19df_4
X19df_6
X400_1D
Erdung PE Verteiler
Distributor grounding (PE)
WH (UL) / 1,0mm²
WH (UL) / 1,0mm²
WH (UL) / 1,0mm²
WH (UL) / 1,0mm²
WH (UL) / 1,0mm²
WH (UL) / 1,0mm²
WH (UL) / 1,0mm²
WH (UL) / 1,0mm²
BK (UL) / 0,5mm²
BK (UL) / 0,5mm²
BK (UL) / 0,5mm²
BK (UL) / 0,5mm²
BK (UL) / 0,5mm²
BK (UL) / 0,5mm²
BK (UL) / 0,5mm²
BK (UL) / 0,5mm²
BK (UL) / 0,5mm²
BK (UL) / 0,5mm²
BK (UL) / 0,5mm²
BK (UL) / 0,5mm²
OG (UL) / 1,0mm²
OG (UL) / 1,0mm²
OG (UL) / 1,0mm²
OG (UL) / 1,0mm²
GNYE (UL) / 2,5mm²
X400_1A
GNYE (UL) / 2,5mm²
Erdung PE X1df
X1df grounding (PE)
X400_2A
Erdung PE Maschinenständer
Machine frame grounding (PE)
GNYE (UL) / 2,5mm²
Länge/Length= 350mm
Von X4qe CAN-Interface
A2 (qe) 500 Kbit/s
From X4qe CAN-Interface
A2 (qe) 500Kbit/s
Zu X1df Modul B
To X1df B module
X1qf
CAN-Bus Abschluss
Be-Tisch
CAN bus terminator
Component table
A3 (qf)
SUBD
X3qf
X400_23C
X3df_2
Key
1
2
3
4
5
6
BK (UL) / 0,5mm²
BK (UL) / 0,5mm²
BK (UL) / 0,5mm²
BK (UL) / 0,5mm²
X400_9A
X1df_C5
10
9
X2qf
8
7
6
5
4
3
2
1
Key
Schraube / Bolt
Kontaktscheibe / Contact washer
Mutter DIN439 / DIN439 nut
Kabelschuhring / Annular cable lug
Mutter DIN439 / DIN439 nut
Sperrkantscheibe / Serrated lock washer
Blech / Plate
Erdungsanschluss nach Bauvorschrift 90010850-XXXXXXBD4:
Grounding terminal according to d esign specification 90010850-XXXXXXBD4:

3 - 13
03039079-020101LD3 A364 axis unit, wiring (sh. 1 of 2)
Verdrahtung Axis Unit A364
03039079-020101LD3
2
10.10.2005
Tekin
Wiring axis unit A364
Pommer H.Tekin20.01.06402239RS02
Tekin10.08.06402700FS02
SIPLACE D4
Orig. Repl. by.Repl. f.
W
e
i
t
e
r
g
a
b
e
s
o
w
i
e
V
e
r
v
i
e
l
f
ä
l
t
i
g
u
n
g
d
i
e
s
e
r
U
n
t
e
r
l
a
g
e
,
V
e
r
w
e
r
t
u
n
g
u
n
d
M
i
t
t
e
i
l
u
n
g
i
h
r
e
s
I
n
h
a
l
t
s
n
i
c
h
t
g
e
s
t
a
t
t
e
t
,
s
o
w
e
i
t
n
i
c
h
t
a
u
s
d
r
ü
c
k
l
i
c
h
z
u
g
e
s
t
a
n
d
e
n
.
Z
u
w
i
d
e
r
h
a
n
d
l
u
n
g
e
n
v
e
r
p
f
l
i
c
h
t
e
n
z
u
S
c
h
a
d
e
n
e
r
s
a
t
z
.
A
l
l
e
R
e
c
h
t
e
v
o
r
b
e
h
a
l
t
e
n
,
i
n
s
b
e
s
o
n
d
e
r
e
f
ü
r
d
e
n
F
a
l
l
d
e
r
P
a
t
e
n
t
e
r
t
e
i
l
u
n
g
o
d
e
r
G
M
-
E
i
n
t
r
a
g
u
n
g
.
P
r
o
p
r
i
e
t
a
r
y
d
a
t
a
,
c
o
m
p
a
n
y
c
o
n
f
i
d
e
n
t
i
a
l
.
A
l
l
r
i
g
h
t
s
r
e
s
e
r
v
e
d
.
C
o
n
f
i
e
a
t
i
t
r
e
d
e
s
e
c
r
e
t
d
'
e
n
t
r
e
p
r
i
s
e
.
T
o
u
s
d
r
o
i
t
s
r
e
s
e
r
v
e
s
.
C
o
m
u
n
i
c
a
d
o
c
o
m
o
s
e
g
r
e
d
o
e
m
p
r
e
s
a
r
i
a
l
.
R
e
s
e
r
v
a
d
o
s
t
o
d
o
s
o
s
d
i
r
e
i
t
o
s
.
C
o
n
f
i
a
d
o
c
o
m
o
s
e
c
r
e
t
e
i
n
d
u
s
t
r
i
a
l
.
N
o
s
r
e
s
e
r
v
a
m
o
s
t
o
d
o
s
l
o
s
d
e
r
e
c
h
o
s
.
21 786543
21 786543
A
B
C
D
E
F
A
B
C
D
E
F
Date
Author
Checked
StandardName
ModificationStat. Date
Sheet
Designer 9
Item name / Benennung
of
Document No. /
Dokumentennummer:
Copyright reserved
SIEMENS AG
1
X41
1
2
3
4
5
23
25
GY (UL), 1,5mm²
X46
1
2BK (UL), 1,5mm²
Vin+
Vin-
19
17
PK (UL), 1,5mm²
X49
1
2
DKBU (UL), 1,5mm²
-15V
+15V
21
12
BK (UL), 0,5mm²
PowerFail
PFailAU
20SteuerungEin
X47
1
2
3
BK (UL), 0,5mm²
BK (UL), 0,5mm²
13
14
BN (UL), 1,5mm²
PowerS"+"
11PowerZ/DP"+"
X45
1
2
3VT (UL), 1,5mm²
PowerS"+"
BN (UL), 1,5mm²
16
WH (UL), 2,5mm²
GND Z/Dp
X21
X22
X40
6
5
1
4
3
X42
1
2
3
5
4
1
GY (UL), 4mm²
2
GY (UL), 4mm²
3
GY (UL), 4mm²
4
BK (UL), 4mm²
BK (UL), 4mm²
6
BK (UL), 4mm²
5
X43
2
1
X44
2
1
18GND 15V
GY (UL), 4mm²
BK (UL), 4mm²
BK (UL), 4mm²
GY (UL), 4mm²
GNYE (UL), 6mm²
GNYE (UL), 4mm²
WH (UL), 2,5mm²
A1 (sq)
Backplane Achseinschub
Backplane, axis unit
PE Gehäuse bei Kontaktpaket 29-46 (Kabelschuhring)
PE housing by contacts 29-46 (Ring-type cable lug)
GNYE (UL), 4mm²
GNYE (UL), 4mm²
Sperrkantscheibe / serrated lock washer
Kabelschuhring M4 / Ring-type cable lug M4
Kontaktscheibe M4 / Contact washer SN70093 M4
Schraube M4 / Bolt M4
Schutzblech / Protective plate
Einpressmutter M4 / Injection nut M4
Sperrkantscheibe / serrated lock washer
Kabelschuhring M4 / Ring-type cable lug M4
Kontaktscheibe M4 / Contact washer M4
Schraube M4 / Bolt M4
Mutter M4 DIN439 / Nut M4 DIN439
Seitenteil rechts / Side plate right
Mutter M4 DIN439 / Nut M4 DIN439
28
27+24V
GND 24V
X1we
X2we
2
1
A3
Lüftereinheit unten
Fan unit bottom
03013969
A2
Lüftereinheit mitte
Fan unit center
03010613
RD (UL), 0,5mm²
BU (UL), 0,5mm²
RD (UL), 0,5mm²
BU (UL), 0,5mm²
PE Gehäuse bei Kontaktpaket 29-46 (Kabelschuhring)
PE housing by contacts 29-46 (Ring-type cable lug)
3
3
n. b.
not used
2
1
3
2
1
2
1
3
2
Erdungsanschlüsse nach Bauvorschrift 90010850-XXXXXXBD4.
Grounding terminals according to design requirement 90010850-XXXXXXBD4.
GNYE (UL), 6mm²
Power
X/Y-
Power
X/Y+
PE Gehäuse bei Kontaktpaket 11-28 (Kabelschuhring)
PE housing by contacts 11-28 (Ring-type cable lug)
n. b.
not used

3 - 14
03039079-020101LD3 A364 axis unit, wiring (sh. 2 of 2)
Verdrahtung Axis Unit A364
03039079-020101LD3
2
10.10.2005
Tekin
Wiring axis unit A364
Pommer H.Tekin20.01.06402239RS02
Tekin10.08.06402700FS02
SIPLACE D4
Orig. Repl. by.Repl. f.
W
e
i
t
e
r
g
a
b
e
s
o
w
i
e
V
e
r
v
i
e
l
f
ä
l
t
i
g
u
n
g
d
i
e
s
e
r
U
n
t
e
r
l
a
g
e
,
V
e
r
w
e
r
t
u
n
g
u
n
d
M
i
t
t
e
i
l
u
n
g
i
h
r
e
s
I
n
h
a
l
t
s
n
i
c
h
t
g
e
s
t
a
t
t
e
t
,
s
o
w
e
i
t
n
i
c
h
t
a
u
s
d
r
ü
c
k
l
i
c
h
z
u
g
e
s
t
a
n
d
e
n
.
Z
u
w
i
d
e
r
h
a
n
d
l
u
n
g
e
n
v
e
r
p
f
l
i
c
h
t
e
n
z
u
S
c
h
a
d
e
n
e
r
s
a
t
z
.
A
l
l
e
R
e
c
h
t
e
v
o
r
b
e
h
a
l
t
e
n
,
i
n
s
b
e
s
o
n
d
e
r
e
f
ü
r
d
e
n
F
a
l
l
d
e
r
P
a
t
e
n
t
e
r
t
e
i
l
u
n
g
o
d
e
r
G
M
-
E
i
n
t
r
a
g
u
n
g
.
P
r
o
p
r
i
e
t
a
r
y
d
a
t
a
,
c
o
m
p
a
n
y
c
o
n
f
i
d
e
n
t
i
a
l
.
A
l
l
r
i
g
h
t
s
r
e
s
e
r
v
e
d
.
C
o
n
f
i
e
a
t
i
t
r
e
d
e
s
e
c
r
e
t
d
'
e
n
t
r
e
p
r
i
s
e
.
T
o
u
s
d
r
o
i
t
s
r
e
s
e
r
v
e
s
.
C
o
m
u
n
i
c
a
d
o
c
o
m
o
s
e
g
r
e
d
o
e
m
p
r
e
s
a
r
i
a
l
.
R
e
s
e
r
v
a
d
o
s
t
o
d
o
s
o
s
d
i
r
e
i
t
o
s
.
C
o
n
f
i
a
d
o
c
o
m
o
s
e
c
r
e
t
e
i
n
d
u
s
t
r
i
a
l
.
N
o
s
r
e
s
e
r
v
a
m
o
s
t
o
d
o
s
l
o
s
d
e
r
e
c
h
o
s
.
21 786543
21 786543
A
B
C
D
E
F
A
B
C
D
E
F
Date
Author
Checked
StandardName
ModificationStat. Date
Sheet
Designer 9
Item name / Benennung
of
Document No. /
Dokumentennummer:
Copyright reserved
SIEMENS AG
X21 X22
29
30
31
32
35
36
37
38
41
42
43
44
34
40
45
46
X
0
7
_
3
X
0
7
_
3
03002164-W4
X
0
8
_
3
X
0
8
_
3
03002164-W3
X
1
1
_
3
X
1
1
_
3
03002164-W2
X
1
2
_
3
X
1
2
_
3
03002164-W1
BK (SCH)
WH
BN
GN
BK (SCH)
WH
BN
GN
29
30
31
32
35
36
37
38
41
42
43
44
34
40
45
46
DP2-Motor (U)
X
0
3
_
3
X
0
3
_
3
03002163-W4
X
0
4
_
3
X
0
4
_
3
03002163-W3
X
0
9
_
3
X
0
9
_
3
03002163-W2
X
1
0
_
3
X
1
0
_
3
03002163-W1
BK (SCH)
WH
BN
GN
DP2-Motor (V)
DP2-Motor (W)
DP1-Motor (U)
DP1-Motor (V)
DP1-Motor (W)
Z1-Motor (U)
Z1-Motor (V)
Z1-Motor (W)
S/Z2-Motor (U)
S/Z2-Motor (V)
S/Z2-Motor (W)
DP2-Motor (U)
DP2-Motor (V)
DP2-Motor (W)
DP1-Motor (U)
DP1-Motor (V)
DP1-Motor (W)
Z1-Motor (U)
Z1-Motor (V)
Z1-Motor (W)
S/Z2-Motor (U)
S/Z2-Motor (V)
S/Z2-Motor (W)
BK (SCH)
WH
BN
GN
BK (SCH)
WH
BN
GN
BK (SCH)
WH
BN
GN
BK (SCH)
WH
BN
GN
BK (SCH)
WH
BN
GN
2
X61
1
2
X23
1
6
KEY
nc
nc
nc
5
2
3
4
2x1,5mm²
50
± 5
50 ± 5
1
2
1
2
ÖLFLEX
®
150 QUATTRO (UL/CSA/HAR)
20 ± 5
Der Pfeil zeigt immer in die linke obere Ecke des Beschriftungsfeldes.
Angaben über Aufdruck und Beschaffenheit der Beschriftung siehe
aktuelle TBL (Technischen Bestell- und Lieferbedingungen).
The arrow always points to the upper left corner of the inscription label.
For details concerning the inscription and design of the labels,
please refer to the current TCOD (Technical Conditions of Orders and Deliveries).
A1 (sq)
Backplane Achseinschub
Backplane, axis unit