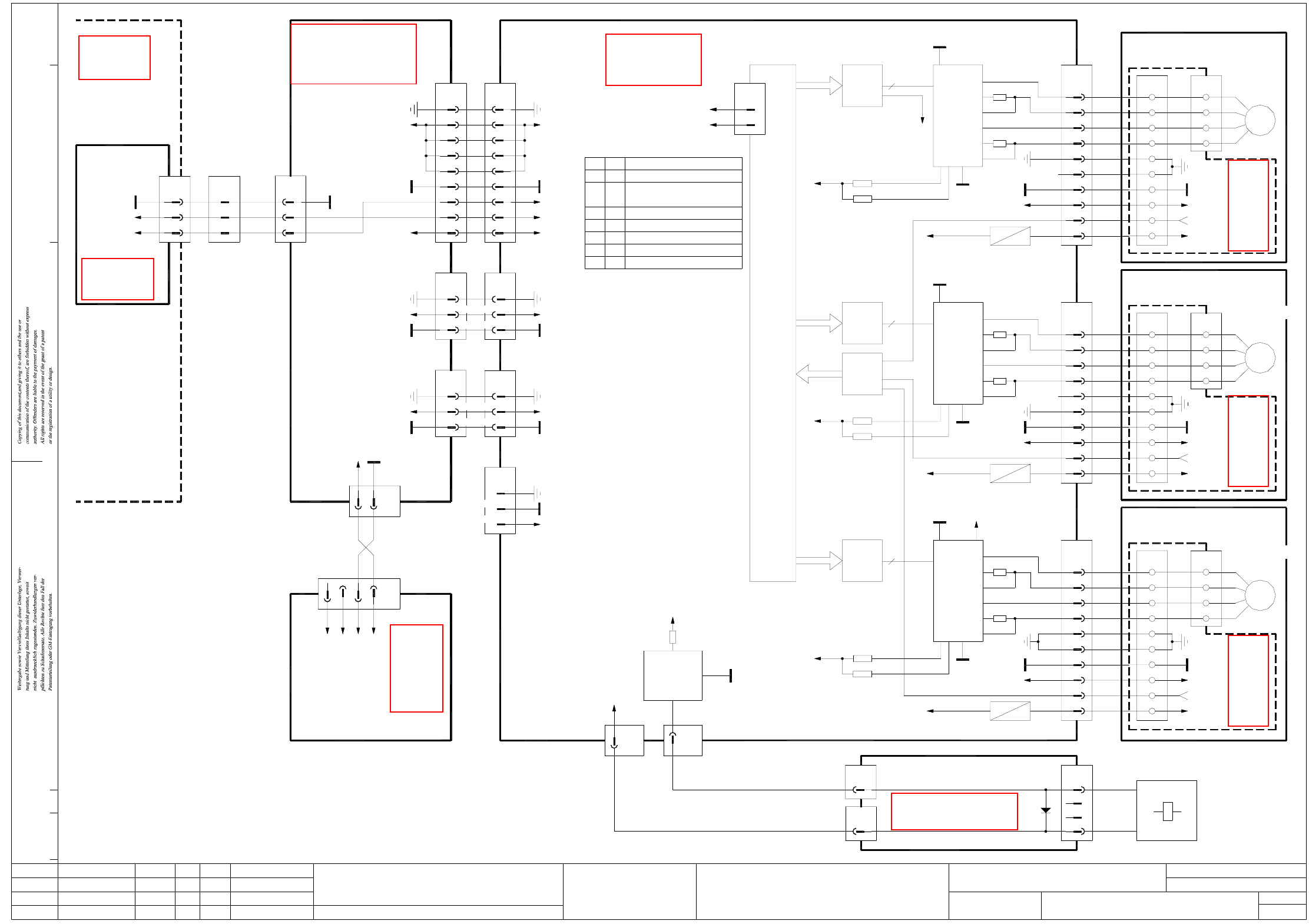
D4+circuit(2006).pdf - 第45页
2 - 1 1 DP01-0 10102L D3 DP axis , 12-segme nt Col lect&Pla ce head , gant ry 1 X21_4sq 7 8 1,4 10-pole GND D23 E23 Track A Track A Track B Track B Track N Track N GND n.u . n.u . n.u . n.u . 03032459 C22 +15V Tachom…

2 - 10
Z01-010102LD3 Z axis, 12-segment Collect&Place head, gantry 1
10,19,25,31
GND GND
32
X26aa
10
11
12
GND
1,34
1,34
5
2
3
29
30
33
32
X2aa
29
30
33
8
9
27
26
27
26
X2ac
6
SENSORSTOP
END_SENSOR
Z_BOTTOM
Z_TOP
ModifiedStatus Date
CAD file : Z01-010102LD3.DWG
Orig./Repl. f./Repl. byStand.Name
Check.
Stromlaufplan/Circuit diagram
Mat. no. :
Author Hi
Date
Sh.
Sh.
SIPLACE D4
1
1
Z axis, 12-segment Collect&Place head
X8df X15aa
+24V
03035887 (aa)
Cable carrier distrib.
03032381 - W1
+24V
Gantry 103032354 (df)
1
2
3
4
1,4,7
Distributor sector 4
Document st.
Product st.
Function st.
2. Hi
Hi1.
Hi1.
Z01-010102LD3
08.05.06
08.05.06
05.12.06
08.05.2006
Copyright reserved
SIEMENS AG
PE PE
Track A
Track A
Track B
Track B
Track N
Track N
14
13
n.u.
GND1
2
OFF
ON
S1
12 +24V
+24V
GND
GND
OG
WH
OG
WH
X400:4B
X400:12A
X400:4C
X400:11A
26-pole
6
12
13
14
10
9
8
3
5
2
X1sp/
Axis unit
03039648 (sq)
Backplane
1,4,7
PE
(S1.2 n.u.)
11
03032454
Track A
Track A
Track B
Track B
Track N
Track N
WH
BN
A/D22; B/E22,24,25; C20,25
C23
B/E18
C12
C13
B13
A13
B15
A14
B14
X21_3sq
A15
X3sa
A12
A16; B17
A17
A24
B19
A19
A25
A/C/E3,4,7,8,11
B16
B/D1,2,5,6,9-11
Axis unit
03042047
X04_2sq
A/C32
A/C30
C26; A/C28
C10
C18; A/C20
C14
C12
A12
A8
C8
A/C2
C4
A4
X1sq
25GY
BK
Vin-
Vin+
4 (W1)
3 (W1)
16,18WH 2 (W1)
11
14
13BN
BN
VT
1 (W3)
2 (W3)
1 (W1)
03032448
3
2
1
X9
11
10
P48V
N48V
X15
0V
1 (W3)
2 (W3)
1 (W1)
2 (W1)
N40V
P40V
+150V_Star
12-pole
Power supply
03039618
DC/DC converter 5V/±15V
00353449
DC/DC converter ±15V
00353450
X49sq
X51sq
X50sq
PGND
Z4,8,20
Z8,16
GND
AGND
PGND
+40V_Z/DP
+150V_Star
R2
L1
BU
WH
X1ac
03040932
X1aa
34-pole
20
20
13
X13ac
X2as
13
X1asX14ac
22
22
PE
Z_BOTTOM
Z_TOP
34-pole
32
33
35
39
38
36
35
33
32
39
38
36
Track A
Track A
Track B
Track B
Track N
Track N
Intermediate distributor
00330648 (as)
angular position encoder
Incremental
+5V
Track B
Track A
GND
9
7
5
3
4
1
X4as
10-pole
GND
Track N
03047845 - W1
03047845-W2
77
6 6
4
5
5
4
+24V
24V
+5V
+15V
-15V
Z_TOP (reference point)
Light barrier
12 12
"Z axis top"
10-pole
X10as
R5
L2
R6
L3
X04_1sq
n.u.
BN
WH
X04_3sq
X16aa
5
6
1,4
10-pole
GND
X21_4sq
5
6
1,4
10-pole
GND
D23
E23
Track A
Track A
Track B
Track B
Track N
Track N
GND
n.u.
n.u.
03032459
T +
T -
4-pole
n.u.
PE
T -
T +
Z motor +
Z motor -
13,16,28 13,16,28
X32
MT
RD
BK
8
10
9
GND
6
7
+15V
Output
GND
Light barrier
+5V
00347297
VCC
+15V
2929
30 30
22,34 22,34
28 28
31 31
15,19,25,37
1,40 1,40
PE
GND
GND
+5V
-15V
+15V
-15V
+15V
WH
BN
GN
YE
GY
Track A
Track A
Track B
Track B
Track N
Track N
T -
T +
T -
T +
03040931
13
13
Light barrier
Z axis bottom - RESET
Light barrier
Z_BOTTOM (sensor stop)
X5:106
40-pole40-pole
40-pole 40-pole
LOGIC
LO=RESET
HI
9
7
8
5
6
4
9
7
8
6
5
4
Z motor (V)
Z motor (W)
Z motor (U)
n.u.
n.u.
X3as
9
2
10
1
BU
WH
BK
RD
00321221
10-pole
7
8
5
6
2
1
4
3
03014578
Interference suppression board, Z motor
SP6-12, digital
X11as
8-pole
ENABLE
7
6
GND
2
1
00321524
Output
+15V
GND
"Z axis bottom"
Light barrier
6Track B
Track B
Track A
Track A
AGND
R
R
R
R
3
1
2
4
5
Track N
Track N
R
R
+5V 7
8
9
X13as10-pole
n.u.
10
C22 +15V
00321220
2
3
14
13
10
11
AGND
VCC
3
Key
Key
8
3
Key
7
Key
R590R
VCC
8
Key
AGND
AGND
R602K2
VCC
VCC
R612K2
R62
0R
AGND
WH
BN
n.u.
41
44
43
42
X31
03032446
1
2
3
X3sy/
03044424-W3
BN
RD
BK
BK
RD
BN
Phase_U
Phase_V
Phase_W
d22
+15V_Servo
-15V_Servo
+5V
+15V
-15V
D10,18
d30
Z28
Z20;D22
Z4; D6
d30
D10
Z28
Z16;D18
d6
-15V
+15V
2
1
8
X30_1sq
1
3
2
4
5
6
7
Powerfail_24VDC
BB1_CAN_L
GND
BB1_CAN_H
9
n.u.
n.u.
n.u.
n.u.
9
n.u.
1
5
n.u.
n.u.
7
8
6
n.u.
3
4
2
X30_2sq
BB2_CAN_H
BB2_CAN_L
Powerfail_24VDC
GND
2
X45sq
1
3
X40sq
4
2
X46sq
1
5
4
X41sq
3
2
1
1
2
3
GY
GY
GY 10+11
8+9
6+7
03032508
3 (W1)
4 (W1)
23
GND
AGND
-15V
+15V_Servo
+5V
X4sa
C1
C5
AGND End signal
03036027 (sa)
A364 axis card, gantry 1 TBS/3S1 servo amplifier
03012564 (sq)
Track A
Track A
Track B
Track B
Track N
Track N
OPTO_GND
UB_Power_OK
Inom_W
Inom_U
+15V_Servo
-15V_Servo
Servo_Ready
AGND
Inom_W
Inom_U
Servo_Enable
+40V_Z/DP
UB_Power_OK
+150V_Star
Phase_V
Phase_U
Phase_W
Gantry 1
n.u.
A18
C19
Servo_Enable
Servo_Ready
I²t
PGND
C22; A/C24
C16 I²t
9
23
24
8
9
23
24
8
4
1
2
3
X12aa
Gantry 1
03038002 (ac)
Gantry head distributor
S
ee page 5-29
S
ee page 5-24
See page 4-1
0
S
ee page 5-22
S
ee page 5-4
S
ee page 3-17
S
ee page 3-9
S
ee page 5-26
See page 5-
7
S
ee page 5-6
S
ee page 5-18
S
ee page 5-1
S
ee page 4-12

2 - 11
DP01-010102LD3 DP axis, 12-segment Collect&Place head, gantry 1
X21_4sq
7
8
1,4
10-pole
GND
D23
E23
Track A
Track A
Track B
Track B
Track N
Track N
GND
n.u.
n.u.
n.u.
n.u.
03032459
C22
+15V
Tachom. +
Tachom. -
4-pole
n.u.
PE
Tachom. -
Tachom. +
DP motor +
DP motor -
Tachom. +
Tachom. -
DP motor +
DP motor -
X12ac
16 16
15V
24V
X3
10-pole
AGND
(aa)
n.u.
3
4
2
1
BU
WH
BK
RD
Key
Key
5
6
7
8
T
RD
BK
BU
WH
00330573
Interference suppression board
DP motor
(ac)
VT
BK
WH
GY
BN
BN
11
16,18
25
23
13
14
X32
X31
3 (W1)
4 (W1)
2 (W1)
1 (W1)
2 (W3)
1 (W3)
6
+5V
SP6-12 intermediate distributor board, digital
00330648 (as)
Motor / Tachom. , DP axis
1
2
3
4
15V
5V
+15V
1,4,7
RSF digital shaft encoder / DLM1
Distributor sector 4
1
3
2
4
5
8
7
6
10
9
X16as
n.u.
1
Key
Document st.
Product st.
Function st.
2. Hi
Hi1.
Hi1.
DP01-010102LD3
08.05.06
08.05.06
05.12.06
08.05.2006
Copyright reserved
SIEMENS AG
10-pole
PE PE
Track A
Track A
Track B
Track B
Track N
Track N
14
13
n.u.
GND1
2
OFF
ON
S1
12 +24V
+24V
GND
GND
OG
WH
OG
WH
X400:4B
X400:12A
X400:4C
X400:11A
26-pole
6
12
13
14
10
9
8
3
5
2
X5vp/
Axis unit
03039648 (sq)
Backplane
1,4,7
PE
(S1.2 n.u.)
11
03032453
Track A
Track A
Track B
Track B
Track N
Track N
WH
BN
A/D22; B/E22,24,25; C20,25
C23
B/E18
C12
C13
E13
D13
E15
D14
E14
X23_3sq
D15
X3sc
C16
D16; E17
D17
D24
E19
D19
D25
A/C/E3,4,7,8,11
E16
B/D1,2,5,6,9-11
Axis unit
03042047
X12_2sq
A/C32
A/C30
C26; A/C28
C10
C18; A/C20
C14
C12
A12
A8
C8
A/C2
C4
A4
X1sq
GND
Track A
Track A
Track B
Track B
+5V
Track N
Track N
AGND
R
R
R
R
R
R
03047845 - W1
X14ac X1as
1,40
20
21
23
27
26
24
PE
Track N
Track N
Track B
Track A
Track B
Track A
GND
GND
PE 1,40
20
21
23
27
26
24
40-pole40-pole
15,19,25,37
31
+15V (DLM)
31
+15V (DLM)
22,34
28
+5V
-15V
22,34
28
+5V
-15V
Gantry 1
03038002
Gantry head distributor
7
1
2
6
10
9
WH
BN
n.u.
29
32
31
30
X32
03032447
1
2
3
X3tw/
03044425 - W1
BN
RD
BK
BK
RD
BN
Phase_U
Phase_V
Phase_W
d22
+15V_Servo
-15V_Servo
+5V
+15V
-15V
D10,18
d30
DC/DC converter 5V/±15V
00353449
DC/DC converter ±15V
00353450
X49sq
X51sq
X50sq
PGND
Z4,8,20
Z8,16
GND
AGND
PGND
+40V_Z/DP
+150V_Star
R46
L22
R47
L23
R48
L24
X12_1sq
n.u.
BN
WH
X12_3sq
X16aa
7
8
1,4
10-pole
GND
ModifiedStatus Date
CAD file : DP01-010102LD3.DWG
Orig./Repl. f./Repl. byStand.Name
Check.
Stromlaufplan/Circuit diagram
Mat. no. :
Author Hi
Date
Sh.
Sh.
SIPLACE D4
1
1
DP axis, 12-segment Collect&Place head
M
GND
1,34
1,34
10,19,25,31
GND GND
X8df X15aa
+24V
03035887
Cable carrier distrib.
03032381 - W1
+24V
00321218
Gantry 103032354 (df)
AGND
-15V
+15V_Servo
+5V
X4sc
C1
C5
AGND End signal
03036027 (sc)
A364 axis card, gantry 1 SDS60/1D1 servo amplifier
03002142 (sq)
Track A
Track A
Track B
Track B
Track N
Track N
OPTO_GND
UB_Power_OK
Inom_W
Inom_U
+15V_Servo
-15V_Servo
Servo_Ready
AGND
Inom_W
Inom_U
Servo_Enable
+40V_Z/DP
UB_Power_OK
+150V_Star
Phase_V
Phase_U
Phase_W
Gantry 1
n.u.
n.u.
n.u.
D18
C15
Servo_Enable
Servo_Ready
I²t
PGND
C22; A/C24
C16 I²t
+24V
3
11
12
2
3
11
12
2
4
1
2
3
X11aa
GND
Track N
Track N
Track B
Track B
Track A
Track A
+5V
+5V
Z28
Z20;D22
Z4; D6
d30
D10
Z28
Z16;D18
d6
-15V
+15V
2
1
8
X30_1sq
1
3
2
4
5
6
7
Powerfail_24VDC
BB1_CAN_L
GND
BB1_CAN_H
9
n.u.
n.u.
n.u.
n.u.
9
n.u.
1
5
n.u.
n.u.
7
8
6
n.u.
3
4
2
X30_2sq
BB2_CAN_H
BB2_CAN_L
Powerfail_24VDC
GND
2
X45sq
1
3
X40sq
4
2
X46sq
1
5
4
X41sq
3
2
1
1
2
3
GY
GY
GY 10+11
8+9
6+7
03032508
Vin-
Vin+
4 (W1)
3 (W1)
03032448
3
2
1
X9
11
10
P48V
N48V
X15
0V
1 (W3)
2 (W3)
1 (W1)
2 (W1)
N40V
P40V
+150V_Star
12-pole
Power supply
03039618
18
21
20
X2aa
Track B17
Track B18
Track A
Track A
21
20
X25aa
10
11
12
9
15
14
Track N
Track N
15
14
X2ac
03040932
6
5
2
3
17
00335990
X7as
9
4
10
7
88
5
3
2
S
ee page 5-29
S
ee page 5-24
See page 4-1
0
S
ee page 5-22
S
ee page 5-4
See page 3-9
S
ee page 5-26
See page 5-
7
S
ee page 5-6
S
ee page 5-3
S
ee page 3-17
S
ee page 4-12

2 - 12
ZM01-010102LD3 Adjustment drive units, forced air,
12-segment Collect&Place head, gantry 1
SENSE2
SENSE1
OUT2A
OUT2B
OUT1A
OUT1B
PIO_D0-7
VHC374
D15
Head processor
34-pole
55
28
GND
PE
6,25,31
10
11
+24V
28
10
11
6,25,31
03040931
1,34
2
3
4
34-pole
X1aa
3
4
1,34
2
X1ac
GND
PE
CAN_2L
+24V
43
38
X6ac
CAN_2H
CAN_2L
CAN_2H
CAN_2L
CAN_2H
P_SM+24V
03040932
1,34
10,19,25,31
PE
13,16,28
34-pole
X2aa
34-pole
PE
1,34
X2ac
+24V +24V
GNDGND
13,16,22,28
10,19,25,31
03040933
GND
+24V
X3aa
34-pole
1,34
PE
GND
+24V
PE
34-pole
X3ac
1,34
34-pole
PE
+24V
GND
X4ac
1,34
10,19,25,31
13,16,22,28
n.u.
Distributor sector 4
4
03032354 (df)
2
3
1
X8df
Gantry 1
Cable carrier distrib.
03035887 (aa)
GND
3
1,4
2
X16aa
10-pole
WH
BN
OG
WH
WH
OG
X400:12A
X400:4C
X400:11A
X400:4B
+24V
GND
GND
+24V
X15aa
2
1
+24V
GND
03032381 - W1
Gantry 1+4
Axis unit
03042047 (sq)
03032459
CAN_2H
GND
1,4
10-pole
X2341sq
X21_4sq
1,4
2
3
CAN_2L
2
3
03039648 (sq)
Axis unit
Backplane
R45
R70
VS
8
R27P_SM
R32
VS
8
8
R24P_SM
R62
VS
13
3
7
13 31
3113
13 31
BN
WH
Activation delay "OFF"
Gantry ID0
Internal function
Gantry ID1No.2 OFF
OFFNo.7 CAN ID1
No.8 OFF
No.4
No.5
No.6
No.3
OFF Boot
Reset
CAN ID0
OFF
OFF
LB bottom,OFF
Switch S1
No.1 OFF
ModifiedStatus Date
CAD file : ZM01-010102LD3.DWG
Orig./Repl. f./Repl. byStand.Name
Check.
Stromlaufplan/Circuit diagram
Mat. no. :
Author Hi
Date
Sh.
Sh.
SIPLACE D4
1
1
Adjustment drive units, forced air, 12-segment Collect&Place head
Document st.
Product st.
Function st.
2. Hi
Hi1.
Hi1.
OUT2B
OUT2A
OUT1B
OUT1A
+5V
+5V
VHC374
D8
21
14
34
PGND
PIO_D0-7
1,18,19,36
5
D4
L6258
Adjustment drive unit 2
M
Adjustment drive unit 3
X3X2
55
9
8
6
7
9
8
6
7
4
3
2
1
4
3
2
1
Output
+5V
4
3
2
1
YE
RD
OG
BN
Adjustment drive unit, placement circuit
X19ac
9
10
8
7
9
10
8
7
00368093
Output
+15V (LED)
+5V
00359364
M
Adjustment drive unit, reject circuit
22
4
5
6
3
4
5
6
3
X20ac
1
X2
1
OG2
4
3
YE
RD
00368092
X3
1
BN
X13ac
10
+24V
X14ac
10
V1
3
D8:19
2
BCR503
Gantry 1
03038002 (ac)
Gantry head distributor
n.u.
GND
1
A_FORCEDAIR_SP
R112
15V
15V
81+15V (DLM)
SM_BAS_INT
19
V1:2
A_FORCEDAIR_SP
P_SM
VS
27
GND
20
35
SENSE2
SENSE1
PIO_D0-7
VS
PGND
D11
VHC374
GND
34
27
20
21
35
14
L6258
D13
1,18,19,36
5
SENSE2
SENSE1
OUT2A
OUT2B
OUT1A
OUT1B
+5V
SM_DZS_INT
+15V (DLM)
15V
15V
81
SM_ZHS_INT
+15V (DLM)
15V
15V
81
PIO_D0-7
1,18,19,36
VS
PGND
D12
VHC374
GND
34
27
20
21
35
14
L6258
D21
5
4
+5V
03048125
Output
+15V (LED)
4 YE
Adjustment drive unit, turning station
1
3
2
X18ac
1
3
2
X2
10 10
03029481
1
3
2
X3
BN
RD
OG
+15V (LED)
Key
Key
Forced air
Adjustment drive unit
M
88
10
9
10
9
6
7
5
4
6
7
5
10
10
X2as
X1as
D5
+5V
03003526
Micro switching valve, Y1
RD3
Key
BK
1
4
2
X6as
ZM01-010102LD3
08.05.06
08.05.06
05.12.06
08.05.2006
Copyright reserved
SIEMENS AG
Gantry 1
00367074
03047845-W2
03047845 - W1
Intermediate distributor
SP6-12, digital
00330648 (as)
S
ee page 5-29
See page 4-1
0
S
ee page 5-22
S
ee page 5-10
See page 3-9
S
ee page 5-26
S
ee page 5-4
S
ee page 5-15
S
ee page 5-37