识别装置.pdf - 第18页
1. 3 1-18 ( ) Ver. 1a 1d 51 ~ 56 88 89 157 V7.0 0 L W 1) : L − (20%), + (10% ~ 20% ) 2) : W − (15% ~ 35% ), + (20% ) 3) : (51 ~ 54 ) ± 7.5[ ° ] (55 ~ 56 ) ± 5.0[ ° ] 4) : 90 ± 8[ ° ] (Top view ) 5) : ( ) ± 60[ ° ] ( ) ± …

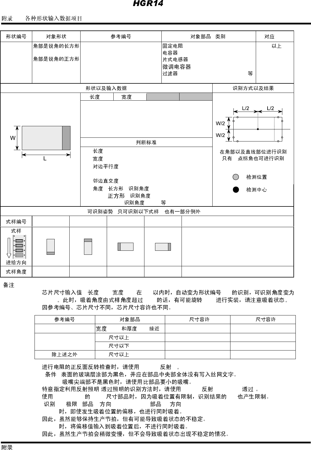
HGR14
附录
1.3
各种形状输入数据项目
附录
1-17
① 形状编号
② 对象形状
以本参考为对象的外形形状
③ 参考编号
④ 对象部品
以本参考为对象的主要部品
⑤ 对应
Ver.
只可识别本版本
⑥ 形状以及输入数据
⑦ 识别方法以及结果
⑧ 判断标准
轮廓识别的必要数据以及识别的简单说明
(
数据输入项目中,网状部分虽然是不需要的数据,但请务必输入
“0”
。
)
⑨ 可识别姿势
因参考不同,可识别姿势也不同。
⑩
(
备注
)
轮廓识别方面的注意事项等。请务必阅读。
HGR14-C-PMC01-A02-00

1.3
1-18
( ) Ver.
1a
1d
51 ~ 56
88
89
157
V7.00
L W
1)
: L
−
(20%),
+
(10% ~ 20%)
2)
: W
−
(15% ~ 35%),
+
(20%)
3)
: (51 ~ 54)
±
7.5[
°
]
(55 ~ 56)
±
5.0[
°
]
4)
: 90
±
8[
°
]
(Top view)
5)
: ( )
±
60[
°
]
( )
±
30[
°
]
(0603)
±
10[
°
]
( 3 )
:
:
( < > )
0 1 2 3
±
0
°
±
180
°
+
90
°
−
90
°
( )
1.
( L) / ( W) 1.2 “1d”
±
30[
°
]
60[
°
] 90[
°
]
2.
L W
54
(W) (T)
−
20%,
+
10%
−
35%,
+
20%
1005
−
20%,
+
10%
−
15%,
+
20%
55 ~ 56
0603
−
20%,
+
20%
−
15%,
+
20%
1005
−
20%,
+
10%
−
25%,
+
20%
3. No.89 ( )
(
)
4. / No.88 ( ) / No.157 ( )
5. No.55 ~ 56 0603 XY
( XY ) L :
±
0.2 [mm]
W :
±
0.1 [mm]
6. No.55
No.56
HGR14-C-PMC01-A02-
01

HGR14
附录
1.3
各种形状输入数据项目
附录
1-19
形状编号
对象形状
参考编号
对象部品
(
类别
)
对应
Ver.
1b
1e
角部是圆形的长方形
角部是圆形的正方形
59 ~ 60
柱形电阻
柱形电容器
等
V7.00
以上
形状以及输入数据
识别方式以及结果
长度
L
宽度
W
判断标准
1)
长度
: L
−
(30%),
+
(20%)
2)
宽度
: W
−
(30%),
+
(20%)
3)
对边的平行度
:
±
8[
°
]
4)
吸着角度
±
30[
°
] (
正方形
)
(Top view)
吸着角度
±
60[
°
] (
长方形
)
等
在角部及直线部分进行识别
:
检测位置
:
检测中心
可识别姿势
(
只可识别以下式样
<
也有一部分例外
> )
式样编号
0 1 2 3
式样
进给方向
式样角度
±
0
°
±
180
°
+
90
°
−
90
°
(
备注
)
1.
芯片尺寸输入值
(
长度
L)
/
(
宽度
W)
在
1.2
以内时,自动变为形状编号为
“1e”
的识别,可识别角度变
为
±
30[
°
]
。此时,吸着角度由式样角度超过
60[
°
]
的话,有可能旋转
90[
°
]
进行实装,请注意吸着状态。
HGR14-C-PMC01-A02-00