CP,SM Tape Feeder Total CS Manual(V200603).pdf - 第124页
4 7 4 8 4 6 4 1 5 7 4 4 6 1 6 8 6 3 5 2 5 1 4 5 5 5 2 6 4 9 6 7 3 8 3 1 4 0 2 3 5 6 6 5 5 0

24mm N-Pneumatic Feeder
Q'TY
12mm-N 16mm-N 24mm-N 32mmN-S 32mmN-L 44mmN-S 44mmN-L 56mm-N
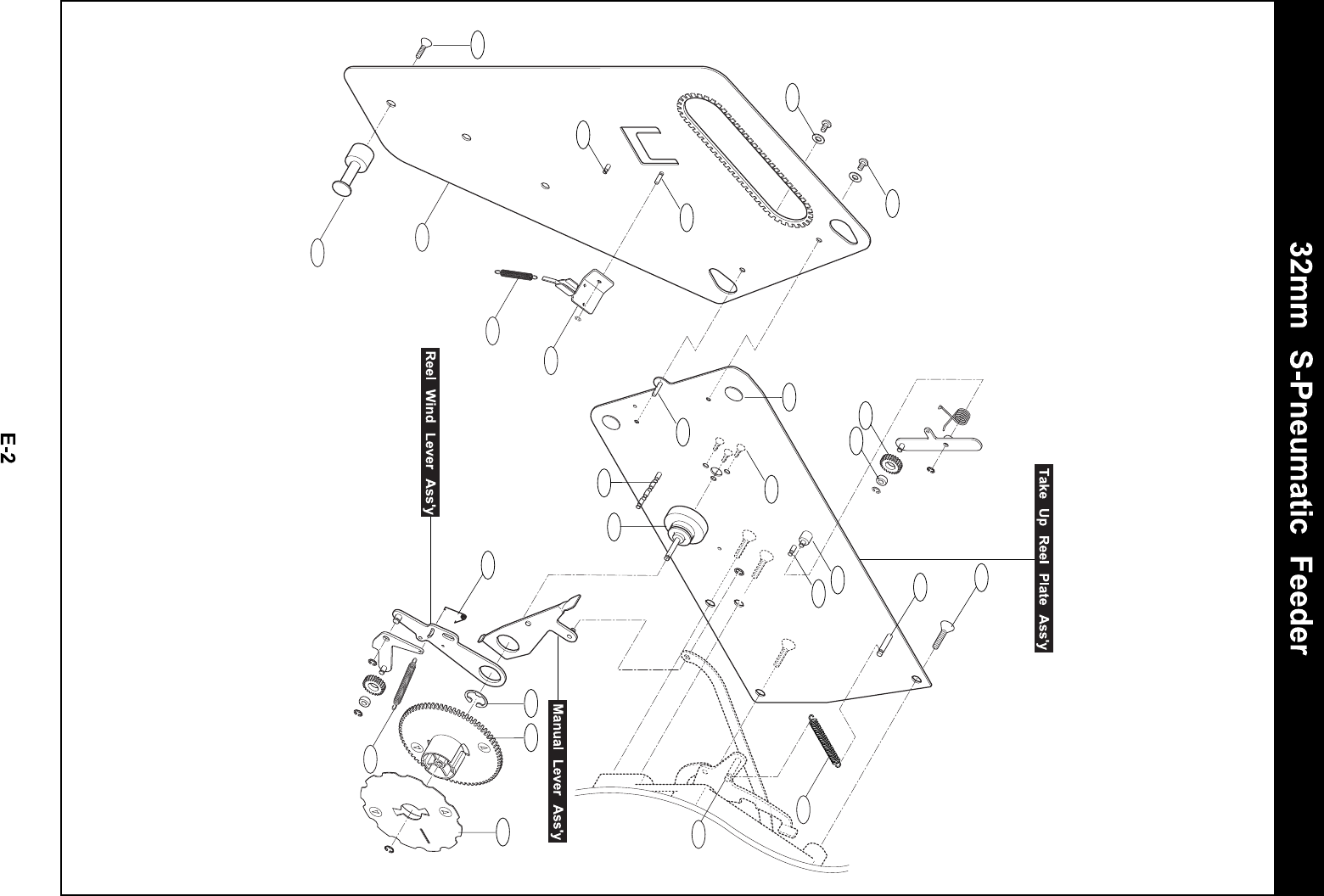
TAKE UP REEL PLATE ASS'Y (J9065111A)
1
J7065842A
TAKE UP REEL PLATE
0 0 1 1 1 1 1 1
TF24-N201
2
J7065779A
SPRING HOOK PIN
4 4 3 3 3 3 3 3
TF12-N203
3
J7065806A
CLAMP SPRING PIN 2
1 1 1 1 1 1 1 1
TF12-N232
4
J7065781A
HINGE SHAFT
1 1 1 1 1 1 1 1
TF12-N205
5
J7065799A
STOPPER OUT PIN 2
1 1 1 1 1 1 1 1
TF12-N224
6
J7065850A
TAPE COVER GUIDE 2
0 0 1 0 0 0 0 0
TF24-N242R Deletion
7
J7065790A
TAPE COVER GUIDE PIN
4 4 2 2 2 2 2 2
TF12-N215 Deletion
8
J7065217A
RELEASE PIN
1 1 1 1 1 1 1 1
TF12-094
9
J7065801A
DAMPER SHAFT
1 1 1 1 1 1 1 1
TF12-N227
REEL ARM PLATE ASS'Y (J9065091A)
1
J7065778B REEL ARM PLATE 1 1 1 1 1 1 1 1
TF12-N202R2
2
J7065780A BUSH 1 1 1 1 1 1 1 1 1
TF12-N204
3
J7065183A SPRING HOOK PIN 2 2 2 2 2 2 2 2
TF12-022
4
J7065796A STOPPER IN PIN 2 1 1 1 1 1 1 1 1
TF12-N221
5
J7065812B TAPE BRAKE SHAFT 1 1 1 1 1 1 1 1
TF12-N247R
STOPPER ASS'Y (J9065092A)
1
J7065794B
STOPPER OUTTER
1 1 1 1 1 1 1 1 TF12-N219R1
2
J7065800A
STOPPER OUT RATCHET
1 1 1 1 1 1 1 1 TF12-N225
3
J7065798A
STOPPER OUT PIN 1
1 1 1 1 1 1 1 1 TF12-N223
4
J7065793A
STOPPER INNER
1 1 1 1 1 1 1 1 TF12-N218R
5
J7065795B
STOPPER IN PIN 1
2 2 2 2 2 2 2 2 TF12-N220R
6
J7065797A
STOPPER IN BUSH
1 1 1 1 1 1 1 1 TF12-N222
REMARKNO. PART NO. PART NAME TYPE
- D-26 -

47
48
46
41
57
44
61
68
63
52
51
45
55
26
49
67
38
31
40
23
56
65
50

39
43
28
42
34
27
54
64
66
36
60
37
29
35
25
32
22
58
30
59
21
24
33
62
53
32
24