CP,SM Tape Feeder Total CS Manual(V200603).pdf - 第22页
2 9 5 2 4 9 5 4 7 1 6 6 3 2 7 7 2 2 2 5 2 1 7 9 2 7 3 5 2 7 8 0 6 7

33
50
51
38
45
58
78
72
46
41
47
61
28
11
24
59
39
43
34
63
30
26
36
42
37
41
62
55
44
23
60
31
20
40
68
73
64
57

29
52
49
54
71
66
32
77
22
25
21
79
27
35
27
80
67

0603P 1005P 1005N 8mm-P 8mm-N 8mm-N(E)
1
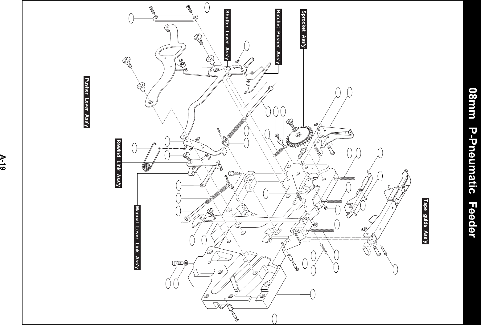
J7000773 SPROCKET ASS'Y
1 1 1 1 1 1
2
J7000774 TAPE GUIDE ASS'Y 0 0 1 0 0
3
J7000775 PUSHER LEVER ASS'Y 1 1 1 1 1 1
4
J7000776
SHUTTER LEVER ASS'Y
1 1 1 1 1 1
5
J7000777
RACHET PUSHER ASS'Y
0 0 0 1 1 1
6
J7000884
REEL WIND CLANK ASS'Y
1 1 1 1 1 1
7
J7000779
MANUAL LEVER LINK ASS'Y
1 1 1 1 1 1
8
J7000776
REWIND LINK ASS'Y
1 1 1 1 1 1
9
J7000882
TAKE UP REEL PLATE ASS'Y
1 1 1 1 1 1
10
J7000883
DRAIN PAWL ASS'Y
1 1 0 1 1 1
11
J2500520
MAIN FRAME
0 0 0 1 0 0
20
J1301152
SPRING PIN
PHI2*8 (SUS)
21
J1301159
FLAT HEAD CAP SCREW
M3*3 (SUS)
22
J1300468
SPRING WASHER
M3
23
J1301023
E-RING
DIA3 (SUS)
24
J1301151
HEX NUT
M6 (SUS)
25
J1301154
FLAT WASHER
M3 (SUS)
26
J1301155
STEEL BALL
DIA4 (NSK)
27
J1301157
FLAT HEAD CAP SCREW
M4*10 (SUS)
28
J1301160
E-RING
DIA2 (SUS)
29
J1301161
FLAT HEAD CAP SCREW
M2*3 (SUS)
30
J1301162
TAPE GUIDE SPRING
WL4-20 (MISUMI)
31
J1301163
SPRING PIN
DIA2*6 (SUS)
32
J1301164
BEARING
MR84zz (NSK)
33
J1301266
HEX NUT
M3 (SUS)
34
J1301448
FLAT HEAD CAP SCREW
M3*6 (SUS)
TYPE REMARK
8mm P-Pneumatic Feeder
NO. PART NO. PART NAME
Q'TY
A - 21