CP,SM Tape Feeder Total CS Manual(V200603).pdf - 第73页
16mm S-Pneumatic Feeder Q'TY 8mm-S 8mm-P 12mm-S 16mm-S 24mm-S 32mm-S 44mm-S 44mm-L 56mm 1 J7000787 TAPE GUIDE ASS'Y 0 0 0 1 0 0 0 0 0 2 J7000795 SPROCKET ASS'Y 0 0 0 1 0 0 0 0 0 3 J7000801 PUSHER LEVER ASS…

43
49
53
27
52
44
26
34
67
70
46
62
47
28
45
25
30
22
60
29
6121
24
31
64
58
30
24

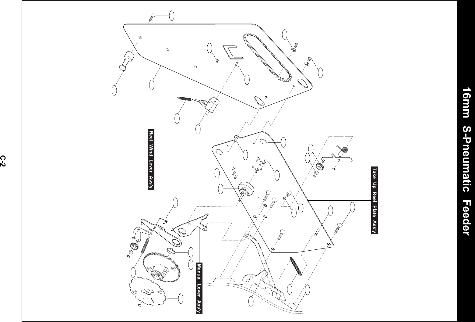
16mm S-Pneumatic Feeder
Q'TY
8mm-S 8mm-P 12mm-S 16mm-S 24mm-S 32mm-S 44mm-S 44mm-L 56mm
1
J7000787 TAPE GUIDE ASS'Y 0 0 0 1 0 0 0 0 0
2
J7000795
SPROCKET ASS'Y
0 0 0 1 0 0 0 0 0
3
J7000801
PUSHER LEVER ASS'Y
0 0 0 1 0 0 0 0 0
4
J7000807
SHUTTER LEVER ASS'Y
0 0 0 1 0 0 0 0 0
5
J7000809
REEL WIND LEVER ASS'Y
0 0 1 1 1 1 1 1 1
6
J7000811
PITCH LINK ASS'Y
0 0 1 1 0 0 0 0 0
7
J7000814
MANUAL LEVER ASS'Y
0 0 1 1 1 1 1 1 1
8
J7000815
CLAMP LEVER 1 ASS'Y
0 0 1 1 0 0 0 0 0
9
J7000818
CLAMP LEVER 2 ASS'Y
0 0 0 1 0 0 0 0 0
10
J7000823 SPROCKET LEVER ASS'Y 0 0 0 1 0 0 0 0 0
11
J7000828
CROSS LEVER LINK ASS'Y
0 0 1 1 0 0 0 0 0
12
J7000831
FEEDING SPRING LEVER ASS'Y
0 0 0 1 0 0 0 0 0
13
J7000887
TAKE UP REEL PLATE ASS'Y
0 0 0 1 0 0 0 0 0
14
J7000826
CROSS LEVER ASS'Y
0 0 0 1 0 0 0 0 0
15
J7000834
LINK 2 ASS'Y
0 0 0 1 0 0 0 0 0
16
J7000891
REEL ARM PLATE ASS'Y
0 0 1 1 1 1 1 1 0
17
18
19
20
21
J1301025
E-RING
DIA12 (SUS)
22
J1301154
FLAT WASHER
M3 (SUS)
23
J1301155
STEEL BALL
DIA4 (NSK)
24
J1301157
FLAT HEAD CAP SCREW
M4*10 (SUS)
25
J1301222
FLAT HEAD CAP SCREW
M3*4 (SUS)
26
J1301308
TENSION SPRING
AWS5-30 (MISUMI)
27
J1301309
CLAMP SPRING
E658 (ULTRA BANE)
REMARKNO. PART NO. PART NAME TYPE
- C-3 -

16mm S-Pneumatic Feeder
Q'TY
8mm-S 8mm-P 12mm-S 16mm-S 24mm-S 32mm-S 44mm-S 44mm-L 56mm
28
J1301448
FLAT HEAD CAP SCREW
M3*6 (SUS)
29
J1301606
BEARING
FC-4K (NSK)
30
J2500024
SPRING HOOK PIN
TF08-029
31
J2500058
REEL PLATE PIN
TF08-065
32
J2500118
PUSHER SUPPORT BRACKET
TF16-002
33
J2500121
LOCKER
TF16-013
34
J2500123
REEL ARM POST
TF16-024
35
J2500127
CLAMP LEVER SHAFT
TF16-048
36
J2500133
LOCKER SHAFT
TF16-067
37
J7065247B
TAPE GUIDE SHAFT
J7065247B
38
J2500135
VINYL GUIDE ROLLER
TF16-074
39
J2500136
VINYL GUIDE ROLLER SHAFT
TF16-075
40
J2500138
TAPE COVER
TF16-084
41
J2500140
TAPE COVER PLATE
TF16-092
42
J2500149
SPROCKET SHAFT
TF12-057
43
J2500152
REEL PLATE SPACER
TF12-086
44
J2500158
TAPE BRAKE
TF12-020
45
J2500159
TAPE BRAKE SHAFT
TF12-021
46
J2500160
SPRING HOOK PIN
TF12-022
47
J2500172
RELEASE PIN
TF12-094
48
J2500175
BACKUP GUIDE SCREW
TF44-017
49
J2500178
CLAMP SPRING PIN 2
TF44-045
50
J2500199
BACKUP SPRING
TF44-084
51
J7065234B
RATCHET PAWL
TF16-009R
52
J2500273
CLAMP SPRING PIN 1
TF44-043
53
J2500274
REEL WIND PAWL SPRING
TF44-052R
54
J2500283
RATCHET PAWL SPRING
TF44-075
REMARKNO. PART NO. PART NAME TYPE
- C-4 -