CP,SM Tape Feeder Total CS Manual(V200603).pdf - 第99页
3 8 5 7 2 6 5 6 3 3 2 5 5 1 6 6 6 8 3 5 6 1 3 6 2 7 3 4 2 4 3 0 2 1 5 9 2 8 6 0 2 0 2 3 3 1 6 3 5 0 3 0 2 3

43
53
52
46
45
37
44
42
64
22
55
40
62
69
54
65
48
58
49
29
39
67

38
57
26
56
33
25
51
66
68
35
61
36
27
34
24
30
21
59
28
60
20
23
31
63
50
30
23

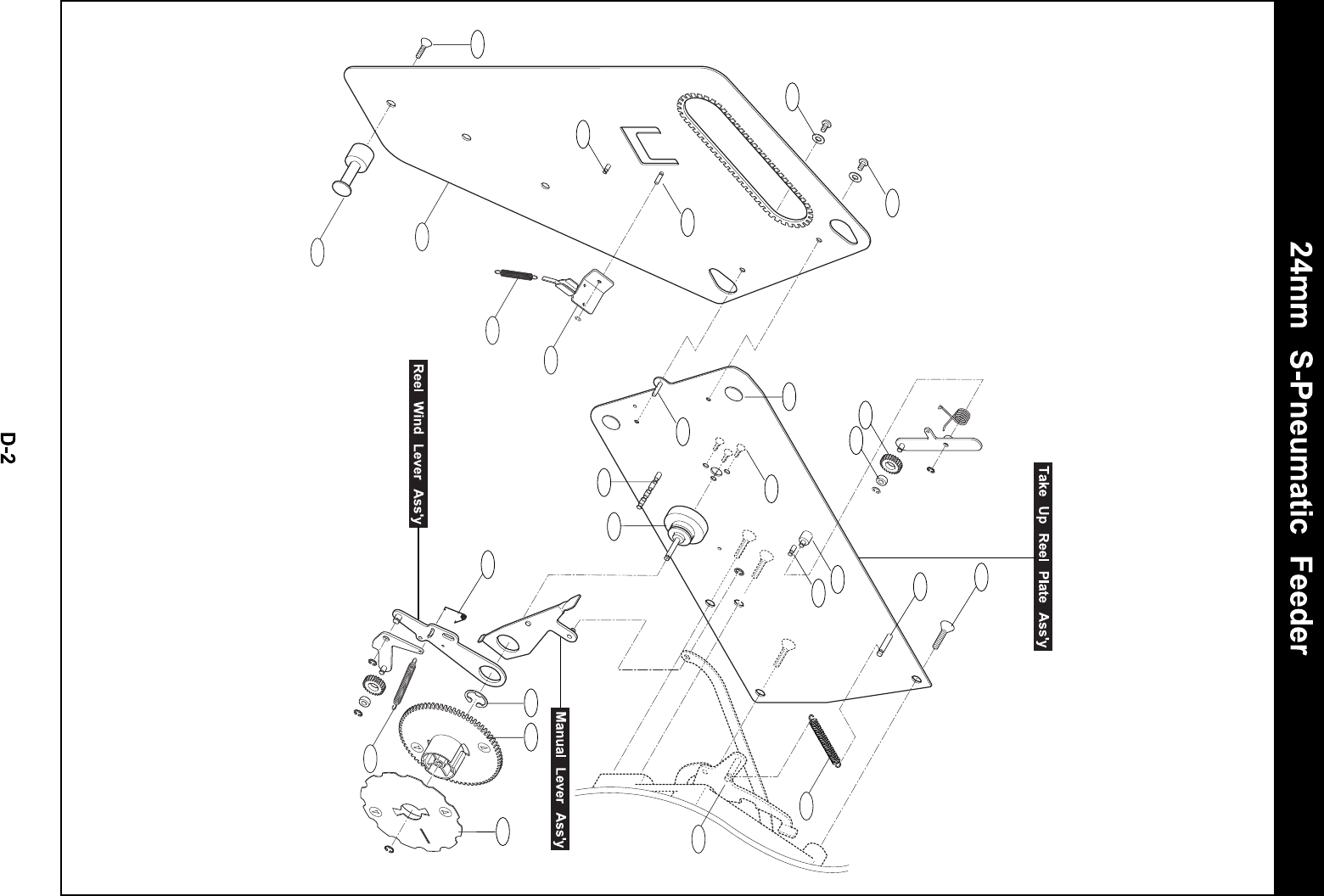
24mm S-Pneumatic Feeder
Q'TY
8mm-S 8mm-P 12mm-S 16mm-S 24mm-S 32mm-S 44mm-S 44mm-L 56mm
1
J7000885
SHUTTER LEVER ASS'Y
0 0 0 0 1 1 1 1 0
2
J7000788 TAPE GUIDE ASS'Y 0 0 0 0 1 0 0 0 0
3
J7000796 SPROCKET ASS'Y 0 0 0 0 1 0 0 0 0
4
J7000802
PUSHER LEVER ASS'Y
0 0 0 0 1 0 0 0 0
5
J7000809
REEL WIND LEVER ASS'Y
0 0 1 1 1 1 1 1 1
6
J7000812
PITCH LINK ASS'Y
0 0 0 0 1 0 0 0 0
7
J7000814
MANUAL LEVER ASS'Y
0 0 1 1 1 1 1 1 1
8
J7000816
CLAMP LEVER 1 ASS'Y
0 0 0 0 1 1 1 1 1
9
J7000819
CLAMP LEVER 2 ASS'Y
0 0 0 0 1 0 0 0 0
10
J7000824 SPROCKET LEVER ASS'Y 0 0 0 0 1 1 1 1 0
11
J7000827
CROSS LEVER ASS'Y
0 0 0 0 1 1 1 1 1
12
J7000829
CROSS LEVER LINK ASS'Y
0 0 0 0 1 1 1 1 1
13
J7000832
REWIND LEVER ASS'Y
0 0 0 0 1 1 1 1 1
14
J7000835
LINK 2 ASS'Y
0 0 0 0 1 1 1 1 1
15
J7000888
TAKE UP REEL PLATE ASS'Y
0 0 0 0 1 1 1 1 0
16
J7000891
REEL ARM PLATE ASS'Y
0 0 1 1 1 1 1 1 0
17
18
19
20
J1301025
E-RING
DIA12 (SUS)
21
J1301154
FLAT WASHER
M3 (SUS)
22
J1301155
STEEL BALL
DIA4 (NSK)
23
J1301157
FLAT HEAD CAP SCREW
M4*10 (SUS)
24
J1301222
FLAT HEAD CAP SCREW
M3*4 (SUS)
25
J1301308
TENSION SPRING
AWS5-30
26
J1301309
CLAMP SPRING
E658 (ULTRA
27
J1301448
FLAT HEAD CAP SCREW
M3*6 (SUS)
REMARKNO. PART NO. PART NAME TYPE
- D-3 -