CP,SM Tape Feeder Total CS Manual(V200603).pdf - 第153页
44mm S-Pneumatic Feeder Q'TY 8mm-S 8mm-P 12mm-S 16mm-S 24mm-S 32mm-S 44mm-S 44mm-L 56mm 1 J7000885 SHUTTER LEVER ASS'Y 0 0 0 0 1 1 1 1 0 2 J7000386 SPROCKET 2 ASS'Y 0 0 0 0 0 1 1 1 1 3 J7000791 TAPE GUIDE …

42
51
31
50
37
30
66
78
79
39
73
40
32
38
26
35
23
71
33
72
22
25
36
76
65
35
25

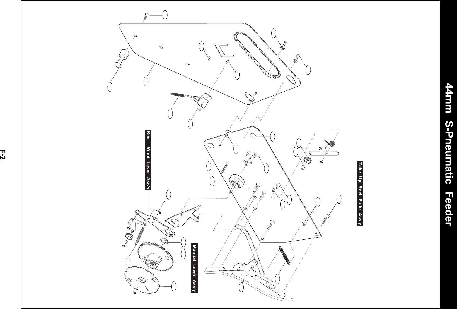
44mm S-Pneumatic Feeder
Q'TY
8mm-S 8mm-P 12mm-S 16mm-S 24mm-S 32mm-S 44mm-S 44mm-L 56mm
1
J7000885
SHUTTER LEVER ASS'Y
0 0 0 0 1 1 1 1 0
2
J7000386 SPROCKET 2 ASS'Y 0 0 0 0 0 1 1 1 1
3
J7000791 TAPE GUIDE ASS'Y 0 0 0 0 0 0 1 0 0
J7000792 TAPE GUIDE ASS'Y 0 0 0 0 0 0 0 1 0
4
J7000798 SPROCKET ASS'Y 0 0 0 0 0 0 1 1 0
5
J7000804
PUSHER LEVER ASS'Y
0 0 0 0 0 0 1 1 0
6
J7000809
REEL WIND LEVER ASS'Y
0 0 1 1 1 1 1 1 1
7
J7000813
PITCH LINK ASS'Y
0 0 0 0 0 1 1 1 1
8
J7000814
MANUAL LEVER ASS'Y
0 0 1 1 1 1 1 1 1
9
J7000816
CLAMP LEVER 1 ASS'Y
0 0 0 0 1 1 1 1 1
10
J7000821
CLAMP LEVER 2 ASS'Y
0 0 0 0 0 0 1 1 0
11
J7000824 SPROCKET LEVER ASS'Y 0 0 0 0 1 1 1 1 0
12
J7000827
CROSS LEVER ASS'Y
0 0 0 0 1 1 1 1 1
13
J7000829
CROSS LEVER LINK ASS'Y
0 0 0 0 1 1 1 1 1
14
J7000832
REWIND LEVER ASS'Y
0 0 0 0 1 1 1 1 1
15
J7000835
LINK 2 ASS'Y
0 0 0 0 1 1 1 1 1
16
J7000888
TAKE UP REEL PLATE ASS'Y
0 0 0 0 1 1 1 1 0
17
J7000891
REEL ARM PLATE ASS'Y
0 0 1 1 1 1 1 1 0
18
19
20
J2500028
LEVER CENTER SCREW
TF08-033
21
J1300870
FLAT WASHER
M4(SUS)
22
J1301025
E-RING
DIA12 (SUS)
23
J1301154
FLAT WASHER
M3 (SUS)
24
J1301155
STEEL BALL
DIA4 (NSK)
25
J1301157
FLAT HEAD CAP SCREW
M4*10 (SUS)
26
J1301222
FLAT HEAD CAP SCREW
M3*4 (SUS)
27
J1301225
SPRING WASHER
M4(SUS)
REMARKNO. PART NO. PART NAME TYPE
- F-3 -

44mm S-Pneumatic Feeder
Q'TY
8mm-S 8mm-P 12mm-S 16mm-S 24mm-S 32mm-S 44mm-S 44mm-L 56mm
28
J1301226
C-RING (SHAFT)
DIA12 (SUS)
29
J1301304
HEX NUT
M4(SUS)
30
J1301308
TENSION SPRING
AWS5-30
31
J1301309
CLAMP SPRING
E658 (ULTRA
32
J1301448
FLAT HEAD CAP SCREW
M3*6 (SUS)
33
J1301606
BEARING
FC-4K (NSK)
34
J2500009
STEEL BALL SPRING
TF08-011
35
J2500024
SPRING HOOK PIN
TF08-029
36
J2500058
REEL PLATE PIN
TF08-065
37
J2500158
TAPE BRAKE
TF12-020
38
J2500159
TAPE BRAKE SHAFT
TF12-021
39
J2500160
SPRING HOOK PIN
TF12-022
40
J2500172
RELEASE PIN
TF12-094
41
J2500175
BACKUP GUIDE SCREW
TF44-017
42
J2500178
CLAMP SPRING PIN 2
TF44-045
43
J2500197
PUSHER LEVER BUSH
TF44-072
44
J2500198
FEEDING SPRING GUIDE
TF44-074
45
J2500199
BACKUP SPRING
TF44-084
46
J2500237
SHUTTER LEVER
TF16-091R
47
J2500264
TAPE GUIDE SPRING
TF44-010
48
J2500267
PITCH PAWL
TF44-028
49
J2500268
PUSHER LEVER 2
TF44-031
50
J2500273
CLAMP SPRING PIN 1
TF44-043
51
J2500274
REEL WIND PAWL SPRING
TF44-052R
52
J2500279
FEEDING SPRING
TF44-065R1
53
J2500280
TAPE COVER PLATE
TF44-067
54
J2500283
RATCHET PAWL SPRING
TF44-075
REMARKNO. PART NO. PART NAME TYPE
- F-4 -