RL132四跨具部品书N7203A389B44.pdf - 第151页
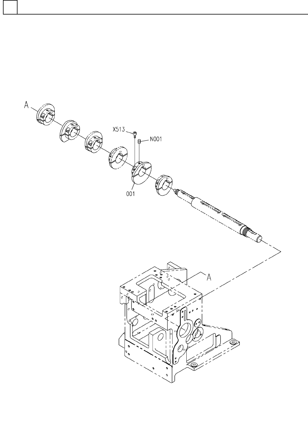
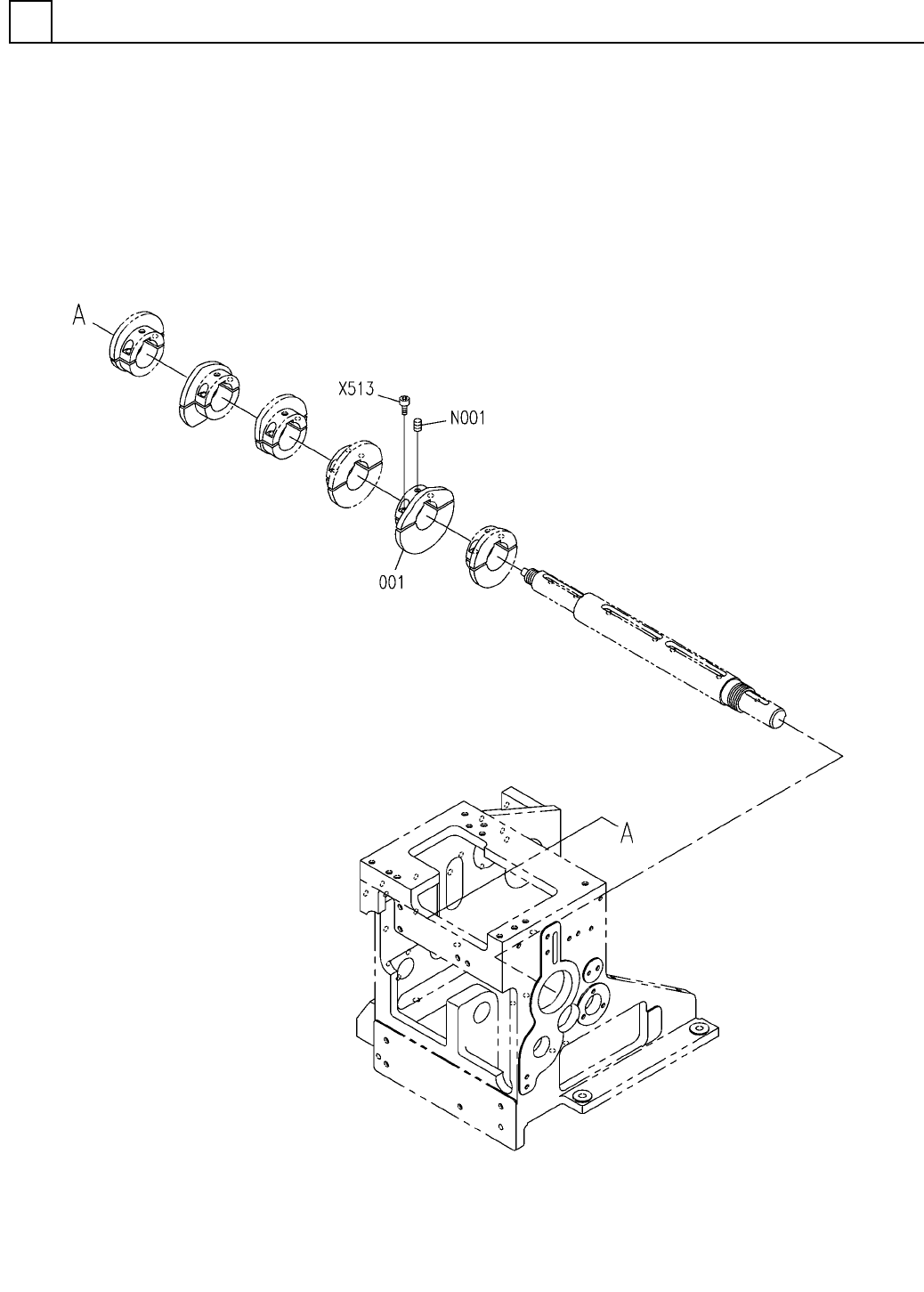
PART No. イラスト No. REF No. PART NAME REMARKS Q'TY 7 挿入ヘッ ド部(カム(2P) ) INSERT ION HEAD SECT. (CAM(2P)) 部 品 名 品 番 個数 備 考 R 2 R 3 R 1 1 N610130682AA INSERTION HEAD UNIT 1 001 N210145220AA CAM M8X10 45H A2J (Trivalent) 1…

挿入ヘッド部(カム(2P))
INSERTION HEAD SECT.(CAM(2P))
7
FN610130682AA_00
M117

PART No.
イラスト
No.
REF
No.
PART NAME
REMARKSQ'TY
7
挿入ヘッド部(カム(2P))
INSERTION HEAD SECT.(CAM(2P))
部 品 名品 番 個数 備 考
R
2
R
3
R
1
1
N610130682AA
INSERTION HEAD UNIT
1001 N210145220AA
CAM
M8X10 45H A2J (Trivalent)
1
N001
N510018388AA
HEX. SOCKET SET SCREW
M6X20-10.9 A2J (Trivalent)
2
X513
N510017435AA
HEX. SOCKET HEAD CAP BOLT
M118
FN610130682AA_00

挿入ヘッド部(カム(3P))
INSERTION HEAD SECT.(CAM(3P))
7
FN610130683AA_00
M119