RL132四跨具部品书N7203A389B44.pdf - 第565页
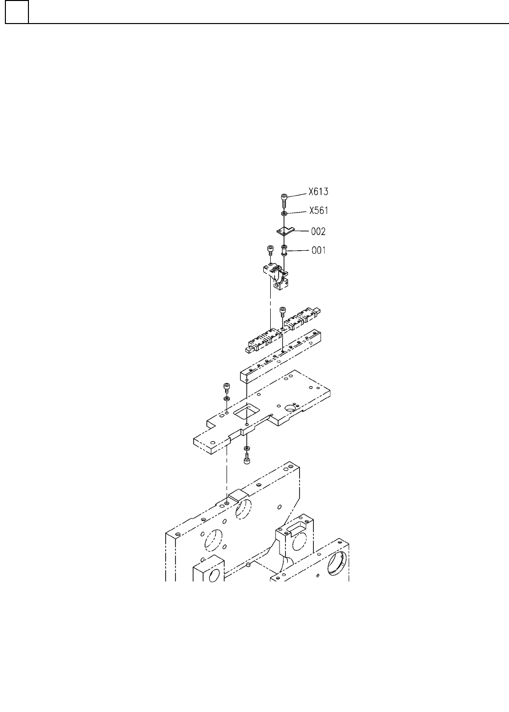
PART No. イラスト No. REF No. PART NAME REMARKS Q'TY 36 部品加工部(部品補 正部(3P) ) PARTS PROCESS SECT.( PARTS CORREC TION SECT.(3P) ) 部 品 名 品 番 個数 備 考 R 2 R 3 R 1 1 N610156772AA PARTS PROC ESS UNIT 2 001 N210181692AA COLLAR 1 0…

部品加工部(部品補正部(3P))
PARTS PROCESS SECT.(PARTS CORRECTION SECT.(3P))
36
FN610156772AA_00
M531

PART No.
イラスト
No.
REF
No.
PART NAME
REMARKSQ'TY
36
部品加工部(部品補正部(3P))
PARTS PROCESS SECT.(PARTS CORRECTION SECT.(3P))
部 品 名品 番 個数 備 考
R
2
R
3
R
1
1
N610156772AA
PARTS PROCESS UNIT
2001 N210181692AA
COLLAR
1002 N210181691AA
PLATE
3 10H A2J (Trivalent)
2
X561
N510018494AA
ROUND PLAIN WASHER
M3X25-10.9 A2J (Trivalent)
2
X613
N510017321AA
HEX. SOCKET HEAD CAP BOLT
M532
FN610156772AA_00

部品加工部(レバー固定)
PARTS PROCESS SECT.(LEVER FIXTURE)
36
FMTKA001603AA_00
M533