RL132四跨具部品书N7203A389B44.pdf - 第298页
部品加工 部(ボディ修正 2)(オプション ) PARTS PROCESS SECT.( BODY AMEND-2 )(OPTION) 20 FN610125686AA_08-2 M265

PART No.
イラスト
No.
REF
No.
PART NAME
REMARKSQ'TY
20
部品加工部(ボディ修正1)(オプション)
PARTS PROCESS SECT.(BODY AMEND-1)(OPTION)
部 品 名品 番 個数 備 考
R
2
R
3
R
1
1
N610125686AA
PARTS PROCESS UNIT
1003 N210148375AB
PLATE
1010 X01L1202401
PIN
2
011 X01L1202501
SPRING
2012 X01L12026
PIN
1013 X01L12029
HOOK
1
014 X01L12030
BRACKET(CYLINDER)
1
015 X01L12032
HOOK
1016 N210148378AD
HOUSING
1017 X01L12036
PIN
87MS4-10
2
N002
N510020878AA
PIN
SWA-4-10-2-AW
1
N003
MTNK002066AA
WASHER
4X25,STEEL
2
N005
XPL4A25WFW
SPRING PIN
HSR12R2UU+150L
1
N006
N510059879AA
LM GUIDE
1.5,STEEL,P.C
4
N008
XUC15FP
RETAINING RING E-TYPE
CJP2B10-15D
1
N009
N510058125AA
CYLINDER
M4X30-10.9 A2J (Trivalent)
1
N012
N510017361AA
HEX. SOCKET HEAD CAP BOLT
KQ2L04-M3G
2
N014
N510066705AA
FITTING
KQ2R06-04A
2
N015
N510066708AA
FITTING
M3X12-10.9 A2J (Trivalent)
4
X503
N510017308AA
HEX. SOCKET HEAD CAP BOLT
M4X8-10.9 A2J (Trivalent)
4
X615
N510017381AA
HEX. SOCKET HEAD CAP BOLT
M5X12-10.9 A2J (Trivalent)
2
X508
N510017390AA
HEX. SOCKET HEAD CAP BOLT
M5X16-10.9 A2J (Trivalent)
2
X509
N510017395AA
HEX. SOCKET HEAD CAP BOLT
M6X12-10.9 A2J (Trivalent)
2
X629
N510017428AA
HEX. SOCKET HEAD CAP BOLT
M4-6H-4T A2J (Trivalent)
2
X592
N510017855AA
HEXAGON NUT
4 10H A2J (Trivalent)
1
X562
N510018497AA
ROUND PLAIN WASHER
5 10H A2J (Trivalent)
2
X563
N510018499AA
ROUND PLAIN WASHER
M264
FN610125686AA_08-1

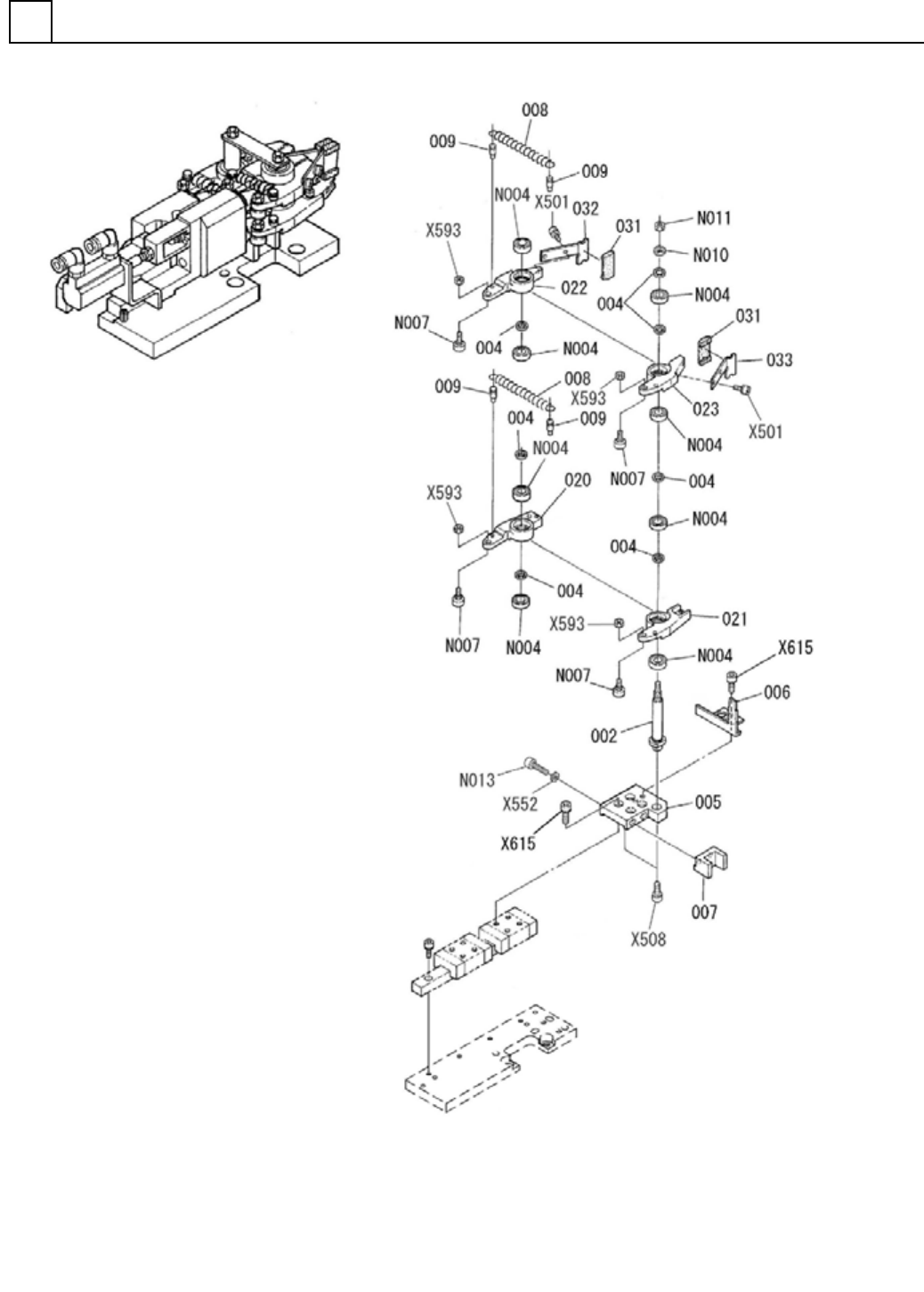
部品加工部(ボディ修正2)(オプション)
PARTS PROCESS SECT.(BODY AMEND-2)(OPTION)
20
FN610125686AA_08-2
M265

PART No.
イラスト
No.
REF
No.
PART NAME
REMARKSQ'TY
20
部品加工部(ボディ修正2)(オプション)
PARTS PROCESS SECT.(BODY AMEND-2)(OPTION)
部 品 名品 番 個数 備 考
R
2
R
3
R
1
1
002 X02G12103
PIN
7004 X01L12012
COLLAR
1005 N210148376AA
PLATE
1
006 N210166353AA
STOPPER
1007 X01L12020
FORK
2008 X01L1202101
SPRING
4
009 X01L12022
PIN
1
020 X01L1204101
LEVER
1021 X01L1204201
LEVER
1022 X01L12043A
LEVER
1
023 X01L12043B
LEVER
2
031 X01L1206001
RUBBER
1032 N210097365AA
GUIDE(PARTS)
1033 N210097366AA
GUIDE(PARTS)
688ZZ
8
N004
KXF00MGAA00
BALL BEARING
CFS5
4
N007
N532CFS5
CAM FOLLOWER
87FWSSB-D10.0-V6.0-T2.0
1
N010
N510038092AA
WASHER
M6-6H-4T A2J (Trivalent)
1
N011
N510017867AA
HEXAGON NUT
M4X40-10.9 A2J (Trivalent)
2
N013
N510017365AA
HEX. SOCKET HEAD CAP BOLT
M3X5-10.9 A2J (Trivalent)
4
X501
N510017333AA
HEX. SOCKET HEAD CAP BOLT
M4X8-10.9 A2J (Trivalent)
6
X615
N510017381AA
HEX. SOCKET HEAD CAP BOLT
M5X12-10.9 A2J (Trivalent)
1
X508
N510017390AA
HEX. SOCKET HEAD CAP BOLT
M5-6H-4T A2J (Trivalent)
4
X593
N510017862AA
HEXAGON NUT
4 10H A2J (Trivalent)
2
X552
N510018479AA
ROUND PLAIN WASHER
M266
FN610125686AA_08-2