FX-2操作手册.pdf - 第22页

操作手册Ⅱ 1-4-3 元件供给部分的构成 FX -2 在基板传送部分的前后、 Y 台轴左右共设 4 个送料器台架以供应元件(参见下图)。 元件由安装在送料器台架的带状送料器、 散件送料器、 管状送料器供应。 使用统一交换台 ( 选购 项 ) 时,可从 FX -2 主机上装卸送料器台架, 进行外部准备。 液晶モニ タ LR フィー ダ バンク RR フ ィー ダ バ ンク LF フィー ダ バンク RF フィー ダ バン ク 基板搬送 …

100%1 / 497
操作手册Ⅱ
1-4-2 基板传送部分构成
1-4-4 基板传送
传入传感器 传送电磁阀 减压阀
传出传感器 驱动轴 调节手柄
待命传感器 定位挡块 调节停止挡块
停止传感器 定心销 调整杆
C-OUT 传感器 支撑台 手柄
C-OUT2 传感器 中心马达 基板察觉挡销
支撑台原点传感器 /出马达 PWB 检查传感器
支撑销检测传感器 支撑销
基板传送方向
21
2
2
2
3
21
22
23
1-9
操作手册Ⅱ
1-4-3 元件供给部分的构成
FX-2 在基板传送部分的前后、Y 台轴左右共设 4 个送料器台架以供应元件(参见下图)。
元件由安装在送料器台架的带状送料器、散件送料器、管状送料器供应。使用统一交换台(选购
)时,可从 FX-2 主机上装卸送料器台架, 进行外部准备。
液晶モニ
LR フィーバンク
RR ィーンク
LF フィーバンク RF フィーバン
基板搬送
Y ーブル軸
基板
1-4-5 贴片机主机配置图
1-4-4 送料器台架各部分名称
把卷带式元件及装有管状元件的带状送料器、散件送料器、管状送料器在“安装板②”
“锁定轴④”定好位置、固定住。
传送元件由“驱动汽缸⑤”来驱动。
安装各送料器的位置请参照“位置标签⑥”也可参照送料器位置指示器FPI(选购项)
的提示。“台架标记⑦”是校正送料器台位置与姿势时用的标记。
①送料器台架 ④锁定轴 ⑦台架标记
②安装板 ⑤驱动汽缸
③安装板B ⑥位置标签
左后方送料器台架
右后方送料器台架
右前方送料器台架
左前方送料器台架
基板传送轨道
Y 台轴
液晶显示器
基板
1-10
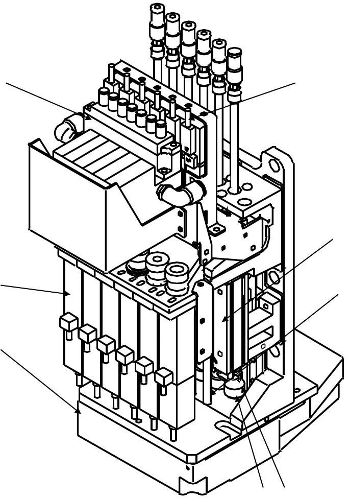
操作手册Ⅱ
1-4-5 贴片头装置的构成
贴片头由检测元件的位置偏移、角度偏移的 LNC60 传感器,以及可上下驱动与旋转的 Z
θ
构成。
FX-2 装有左右 2
LNC60 多吸嘴激光校准贴片头。
1-4-6 LNC60 贴片头构造图
吸嘴外轴 Z 滑动轴 贴片头上升汽缸
LNC60 传感器 θ轴马达 过滤器盒
Z 轴马达 滚珠丝杠
1-11