FX-1R-FX-1动作说明书.pdf - 第103页
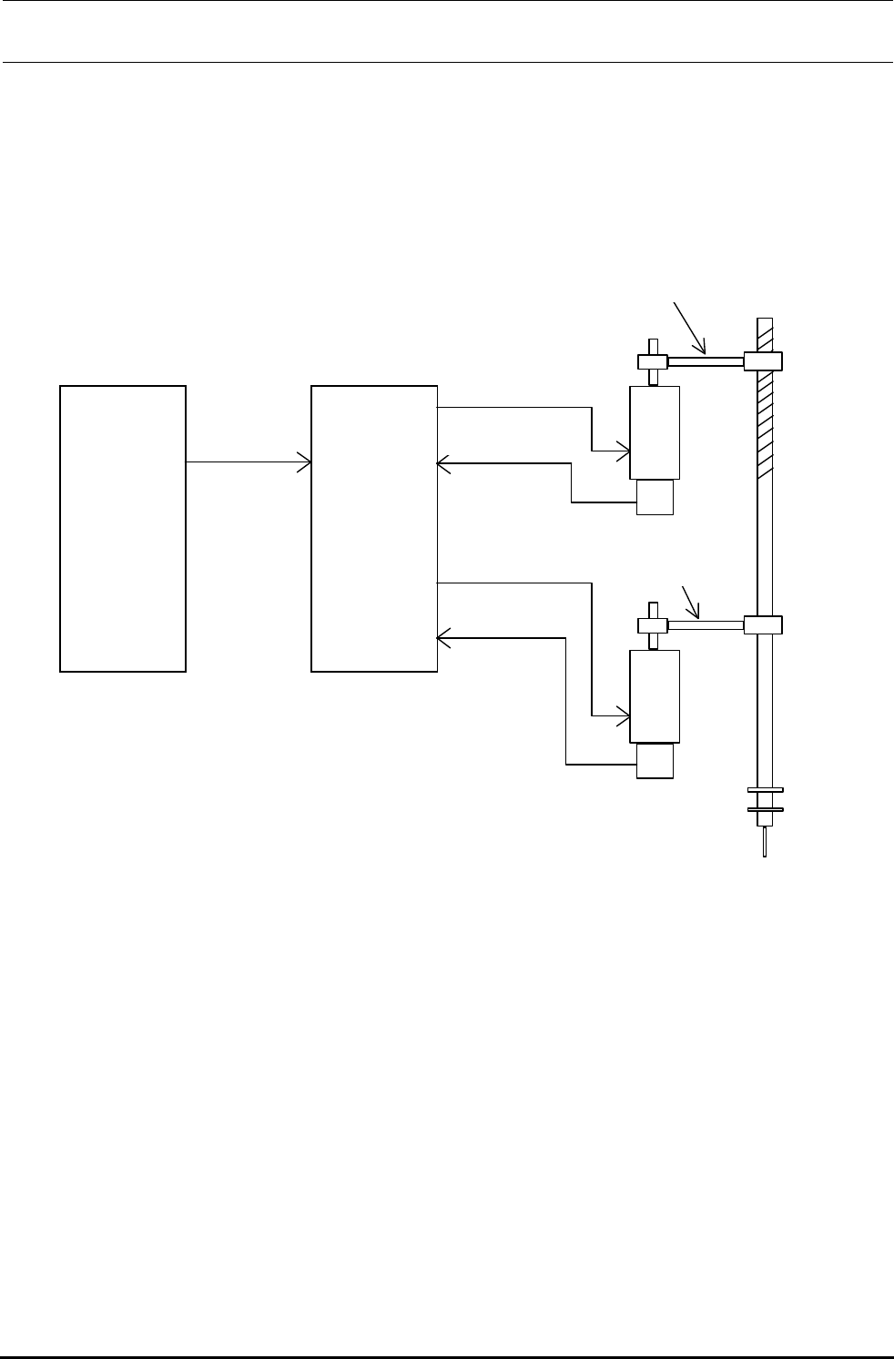
Rev.2 . 0 0 动作说明书 5-21 ④ YA 轴 (FX-1R) 图 5-2-4 YA 轴全交叉减弱方式 位置接口板 变换器输入 I/F装置 YA轴驱动器 旋转变换器信 线性变换器信号 (磁标尺) 位置供料 反馈信号 SSCNET Ⅱ 位置控制 信号 球螺丝 台 伺服马达 流 U 、 V 、 W 相 标尺头 磁标尺

Rev.2 . 0 0
动作说明书
5-20
② YB 轴
エンコーダ入力
I/Fユニット
モータ駆動電流
U、V、W 相
スケールヘッド
ステージ
ベルト マグネスケール
リニアエンコーダ信号
(マグネスケール)
ロータリーエンコーダ信号
サーボモータ
位置制御
信号
位置フィード
バック信号
ポジションボード YB軸 ドライバ
SSCNETⅡ
位置接口板
位置控制
信号
YB轴驱动器
位置供料
反馈信号
线性变换器信号
(磁标尺)
旋转变换器信号
伺服马达
变换器输入
I/F装置
马达驱动电流
台
标尺头
皮带
磁标尺
图5-2-2
YB 轴全交叉减弱方式
③ YA 轴 (FX-1)
モータ駆動電流
U、V、W 相
ボールネジ
ポジションボード YA軸 ドライバ
SSCNETⅡ
位置制御
ロータリーエンコーダ信号
ステージサーボモータ
信号
位置接口板
位置控制
信号
YA轴驱动器
伺服马达
旋转变换器信号
马达驱动电流
台
球螺丝
图5-2-3
YA 轴的半交叉减弱方式

Rev.2 . 0 0
动作说明书
5-21
④ YA 轴 (FX-1R)
图5-2-4 YA 轴全交叉减弱方式
位置接口板 变换器输入
I/F装置
YA轴驱动器
旋转变换器信
线性变换器信号
(磁标尺)
位置供料
反馈信号
SSCNETⅡ
位置控制
信号
球螺丝
台
伺服马达
流
U、V、W相
标尺头
磁标尺

Rev.2 . 0 0
动作说明书
5-22
5-2-2
.Z、θ轴的控制方式
Z、θ轴的马达控制采用半交叉减弱方式。
图5-2-5为
MNLA 贴装头用 Zθ 轴的方块图。
タイミングベルト
Z軸モータ
タイミングベルト
θ軸モータ
ノズル
θ軸エンコーダ信号
θ軸モータ駆動電流
U、V、W 相
Z軸モータ駆動電流
Z軸エンコーダ信号
U、V、W 相
信号
ポジションボード Zθ軸ドライバ
SSCNETⅡ
位置制御
同步皮带
位置接口板
位置控制
信号
Zθ轴驱动器
θ轴变换器信号
θ轴马达驱动电流
Z轴变换器信号
Z轴马达驱动电流
Z轴 马 达
同步皮带
θ轴马达
吸嘴
图5-2-5
MNLA 贴装头用 Zθ轴 方块图