FX-1R-FX-1动作说明书.pdf - 第79页
Rev.2 . 0 0 动作说明书 3-66 3-11-4-2 . 照明种类 照明种类 颜色 功能 特点 同轴照明 红 照射摄像机光轴 让表面的镜面状态标记有效 角度照明 红 照射基板中央部 朝向上方的 LED 的照射光用棱镜管反射, 对 光轴形成一定的 角度,使挠性基板上标记的 对比度保持良好。 3-11-4-3 . 照明图案 亮灯照明 对象基板 同轴+角度 坚硬基板、压电陶瓷基板 角度 挠性基板 3-11-4-4 . 电流调整值 (…

Rev.2 . 0 0
动作说明书
3-65
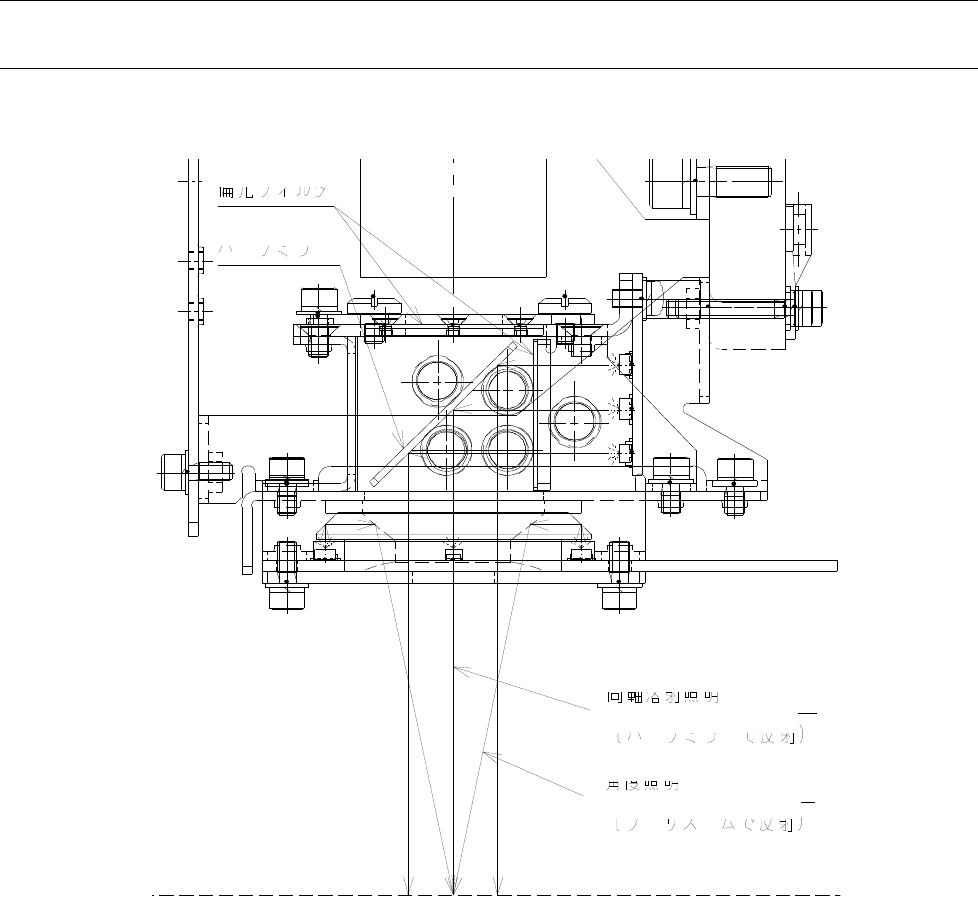
偏光滤光镜
半反光镜
同轴投射照明
(用半反光镜反射)
角度照明
(用 棱 镜 反 射)
OCC 照明装置的构成

Rev.2 . 0 0
动作说明书
3-66
3-11-4-2.照明种类
照明种类 颜色 功能 特点
同轴照明 红 照射摄像机光轴 让表面的镜面状态标记有效
角度照明 红 照射基板中央部 朝向上方的 LED 的照射光用棱镜管反射,对
光轴形成一定的角度,使挠性基板上标记的
对比度保持良好。
3-11-4-3.照明图案
亮灯照明 对象基板
同轴+角度 坚硬基板、压电陶瓷基板
角度 挠性基板
3-11-4-4.电流调整值
(单位∶mA)
标准值 偏离值
调整范围
(标准值+偏离值)
照明种类
最大值
TAP
(调整量)
最大值
TAP
(调整量)
最小值 最大值
同轴照明 180 0.703 128 0.500 0 308
角度照明 180 0.703 128 0.500 0 308

Rev.2 . 0 0
动作说明书
3-67
3-12.坏标记检测
3-12-1.坏标记检测
坏标记检测按照以下得顺序进行。
① 把X-Y轴移动到坏标记检测坐标。此时,开始移动之后,同时坏标记传感器的 LED 亮灯。
② X-Y轴检测结束之后,读取坏标记传感器的状态,实行电路或记录跳过之后,坏标记传感器的 LED
灭灯。
③ 从电路号码 1 到最后电路反复①~②。
另外,检测坏标记的电路顺序,与各电路的 BOC 标记相同,非矩阵基板的电路号码,用基板输入电路输
入位置的号码为顺序,矩阵基板的电路号码,为 X 轴的机械园地按电路 X 坐标的增加方向向 Y 轴元点坐标
增加的方向反复进行。(参照下图)
图3-12-1