QP341,351機械手冊-中.pdf - 第119页
第 3 部 第 2 章 注油 Edition 1. 0 3-2- 1 QP-341E/35 1E-MM 机械手册 2. 2. 2. 2. 注油 注油 注油 注油 注油时的注意事项 注油时的注意事项 注油时的注意事项 注油时的注意事项 1) 作业前务必关闭主电源 。 2) 润滑油的供给要适量。供给量太多, 则会到处飞散弄脏基 板或机器内部。 特别是弄脏 相机镜头时,会造成影 像处理错误或异常。 此时要用镜头清洁剂等擦 拭干净。 润滑剂的种…

第 1 章 清扫 第 3 部
QP-341E/351E-MM 机械手册 3-1-16 Edition 1.0
笔记
笔记笔记
笔记:
::
:

第 3 部 第 2 章 注油
Edition 1.0 3-2-1 QP-341E/351E-MM 机械手册
2.
2.2.
2.
注油
注油注油
注油
注油时的注意事项
注油时的注意事项注油时的注意事项
注油时的注意事项
1) 作业前务必关闭主电源。
2) 润滑油的供给要适量。供给量太多,则会到处飞散弄脏基板或机器内部。特别是弄脏
相机镜头时,会造成影像处理错误或异常。此时要用镜头清洁剂等擦拭干净。
润滑剂的种类
润滑剂的种类润滑剂的种类
润滑剂的种类
所用润滑剂的特征如下。
DAPHNEEPONEX
No. 2
BiRAL T&D
Table-lubCM

第 2 章 注油 第 3 部
QP-341E/351E-MM 机械手册 3-2-2 Edition 1.0
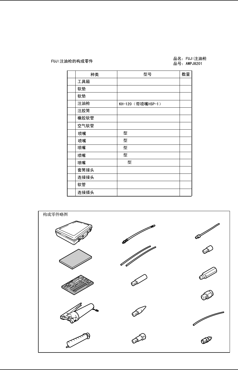
注油枪的介绍
注油枪的介绍注油枪的介绍
注油枪的介绍
FUJI 销售的注油枪(带有树脂外壳)几乎所有的机型都能够使用。在配套工具中,除注油泵
外还附有与各种润滑油接头相匹配的喷嘴。所以利用这套工具就可很方便地向各种位置注油。
如欲购买,请向代理店咨询。
No.
1
2
3
4
5
6
7
8
9
10
11
12
EA506J
WPJ1271
WPJ1281
JS-S30S
SPK-3C
TU0604B-310MM
N
P
L
U
N-1
1
1
1
1
1
1
2
1
1
1
1
1
13
14
WPJ1261
TS6-01
1
1
15
16
2x3-150 mm
PN-1/8-PT1/8-BS
1
1
QP3ML018CM
1
2
3
4
5
6
7
8
9
10
11
12
13
14
15
16
QP3ML017CM