QP341,351機械手冊-中.pdf - 第35页
第 1 部 第 2 章 各部分的功能 Edition 1. 0 1-2- 1 QP-341E/35 1E-MM 机械手册 2. 2. 2. 2. 各部 分的功能 各部分的功能 各部分的功能 各部分的功能 QP-341E QP-351E QPMN007CM MFU-6E PFU-3E MTU-8E/9E 置件关系 置件关系 置件关系 置件关系 XY XY XY XY 机械手 机械手 机械手 机械手 XY 机械手上装有 置件工作头,可向 X…

第 1 章 机器的构成部分 第 1 部
QP-341E/351E-MM 机械手册 1-1-8 Edition 1.0
笔记
笔记笔记
笔记:
::
:

第 1 部 第 2 章 各部分的功能
Edition 1.0 1-2-1 QP-341E/351E-MM 机械手册
2.
2.2.
2.
各部分的功能
各部分的功能各部分的功能
各部分的功能
QP-341E
QP-351E
QPMN007CM
MFU-6E
PFU-3E
MTU-8E/9E
置件关系
置件关系置件关系
置件关系
XY
XYXY
XY 机械手
机械手机械手
机械手
XY 机械手上装有置件工作头,可向 X 方向和 Y 方向移动。
置件工作头
置件工作头置件工作头
置件工作头
置件工作头上载有定位相机和 3 只吸嘴头。安装在吸嘴头上的吸嘴受 Q 轴和 Z 轴的独立的电
动机所控制。
另外,在载有胶着剂点胶机的机型中,胶着剂点胶机被安装在吸嘴头 C 的位置上,置件吸
嘴被安装在吸嘴头 A 和吸嘴头 B 上。
QP3MN016CM

第 2 章 机器的构成部分 第 1 部
QP-341E/351E-MM 机械手册 1-2-2 Edition 1.0
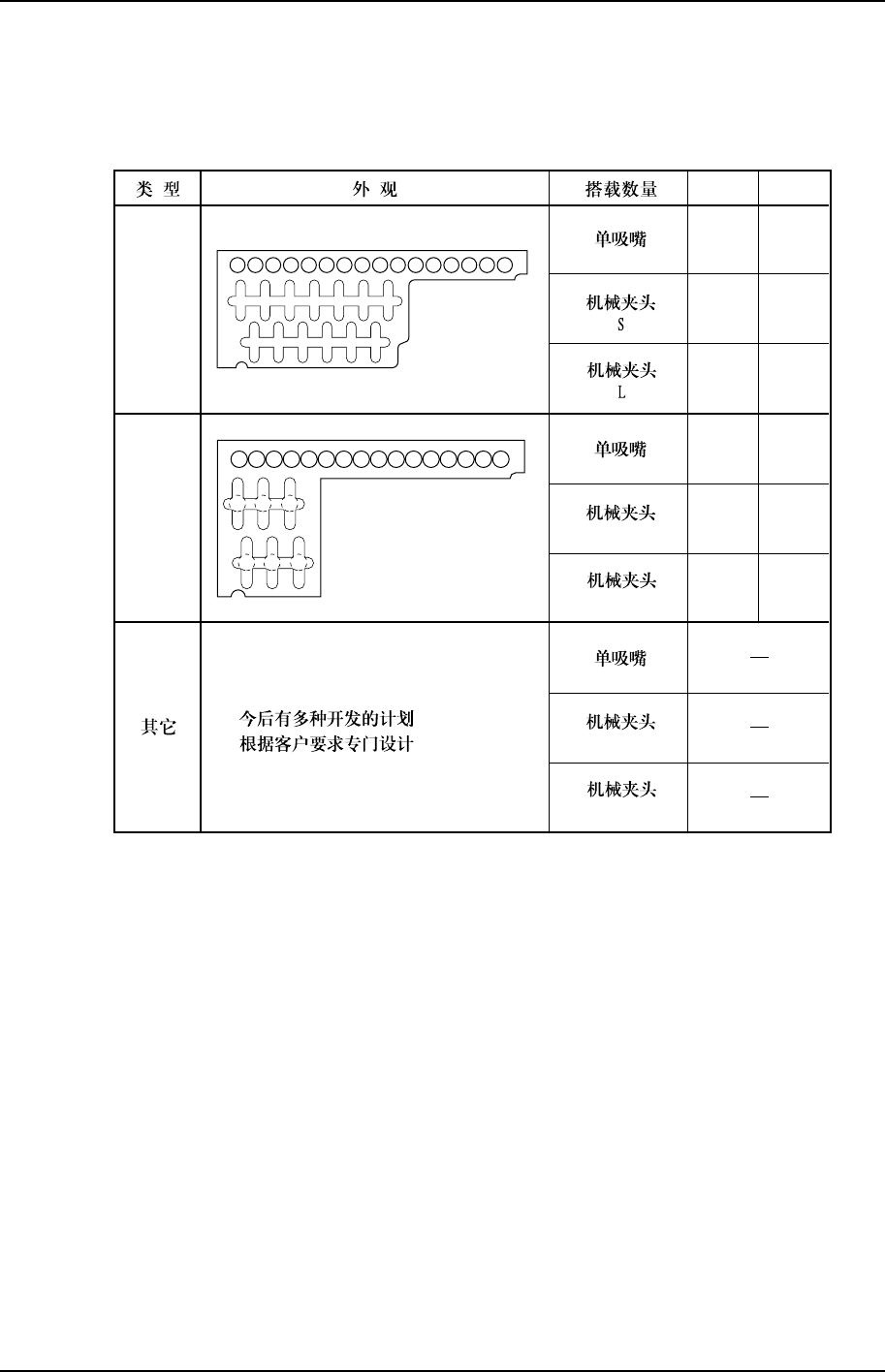
吸嘴置换单元
吸嘴置换单元吸嘴置换单元
吸嘴置换单元
保证在机器内更换的吸嘴。
根据用途的不同可从下图中选择。
341E 351E
A1
(B1)
A12
(B12)
S
L
S
L
16 18
13 13
00
16 18
67
00
QP3MNT07CM
备注)
备注)备注)
备注)
•
AI
AIAI
AI、
、、
、A12
A12A12
A12 为
为为
为 QP-341E-MM
QP-341E-MMQP-341E-MM
QP-341E-MM 机型,
机型,机型,
机型,B1
B1B1
B1、
、、
、B12
B12B12
B12 为
为为
为 QP-351E-MM
QP-351E-MMQP-351E-MM
QP-351E-MM 机型。
机型。机型。
机型。
•
后侧
后侧后侧
后侧(
((
(Side 2
Side 2Side 2
Side 2)装有
)装有)装有
)装有 2
22
2 台相机的机型为
台相机的机型为台相机的机型为
台相机的机型为 A12(
A12(A12(
A12(或是
或是或是
或是 B12)
B12)B12)
B12)类型。
类型。类型。
类型。
•
装有
装有装有
装有 4
44
4 台相机的机型只能使用
台相机的机型只能使用台相机的机型只能使用
台相机的机型只能使用 A12
A12A12
A12 或
或或
或 B12
B12B12
B12 类型。
类型。类型。
类型。
•
吸嘴装载数根据开发的情况会有变更。
吸嘴装载数根据开发的情况会有变更。吸嘴装载数根据开发的情况会有变更。
吸嘴装载数根据开发的情况会有变更。
•
对于机械夹头今后计划开发。
对于机械夹头今后计划开发。对于机械夹头今后计划开发。
对于机械夹头今后计划开发。