NXT-IIc 系统手册.pdf - 第155页
SYS-NXTIIc-4.0S 4. 生产 NXT IIc 系统手册 137 先行贴装的元件的高度限制 (仅限于 A 型) 在设置了 A 型的低反射板的位置后,先行贴装的元件 的高度受到限制。请参考下图。 使用低反射板时不能配置支撑销的范围 安装了低反射板后, 在低反射板的周围不能 够配置支撑销。 能够安装低反射板的范围如下。

4. 生产 SYS-NXTIIc-4.0S
136 NXT IIc 系统手册
低反射板的安装
如果是使用电路板轮廓进行补正,请在支撑板上设置低反射板。低反射板通过背面的磁铁能
够得到固定。
(X 方向)
(Y 方向)
如果影像处理时的 Y 坐标为默认值 (12 mm)时,低反射板的 Y 方向设置如下所示。
在通道 2 中,安装时请不要遮住支撑销检测传感器的光轴。如果遮住了光轴,受光侧传感器
的红灯就会灭灯。

SYS-NXTIIc-4.0S 4. 生产
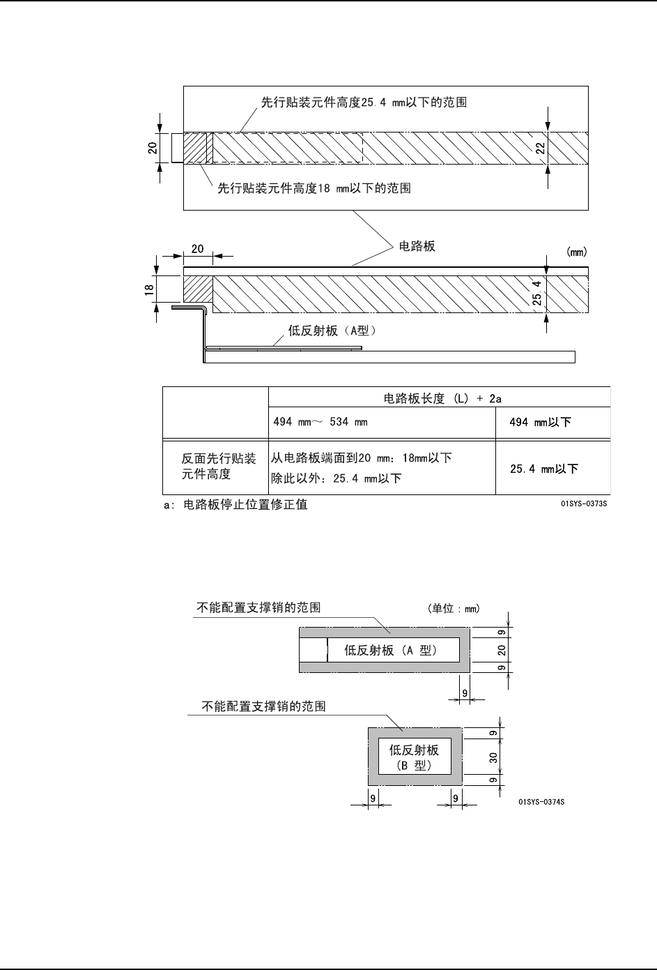
NXT IIc 系统手册 137
先行贴装的元件的高度限制 (仅限于 A 型)
在设置了 A 型的低反射板的位置后,先行贴装的元件的高度受到限制。请参考下图。
使用低反射板时不能配置支撑销的范围
安装了低反射板后,在低反射板的周围不能够配置支撑销。能够安装低反射板的范围如下。

4. 生产 SYS-NXTIIc-4.0S
138 NXT IIc 系统手册
使用电路板停止位置补正功能时的异常
说明在使用电路板停止位置补正功能时所发生的异常及其对策。
电路板轮廓的测出失败时
操作画面上显示异常向导。
a. 请按下 OK 按钮,拉出模组。
b. 请除去短路板。如果进行根据电路板轮廓的补正,请擦去附着在低反射板和支撑板上
的污垢。
c. 请按下 OK 按钮。
d. 请插入模组。
另外,当按下 MONITOR 按钮后,就能够确认影像的状态。比较电路板与背景 (低反射板),
如果有对比度小的部分时,请按照以下变更 Job 的设定。
a. 取入对比度大的部分。
b. 将取入范围变小。