NXT-IIc 系统手册.pdf - 第280页

5. 换线 SYS-NXTIIc-4.0S 262 NXT IIc 系统手册 6. 如果有其他料槽的料盘更换的向导,请重 复上述 3. 项~ 5 . 项。当完成所有的补充后 , 就会显示按下 COPLT 按钮的向导。 7. 请放下料盘挡块。 8. 请 关闭正面门,按下 COMPLETE 按钮。开始生产 。 备注 )请轻轻关闭正面门,以免料盘单元 -M 受到冲击。

100%1 / 449
SYS-NXTIIc-4.0S 5. 换线
NXT IIc 系统手册 261
5.8.3 料盘安装步骤 (Verify OFF 时)
1. 打开料盘单元 -M 的正面门。
2. 请抬起料盘挡块。
3. 一边在作业向导画面上进行确认,一边将料盘设置在正确的料槽位置上。
注意 )在将料盘放置到料槽时,请轻轻放置以免产生冲击。另外,请不要使料盘接触到料槽
最里面的挡块。如果接触,请将料盘退回一些。
4. 需要指定料盘吸取点时,在这里进行设定。请参照 " 4.9.3 指定料盘元件的吸取开始点
"。
5. 在补充的料槽被选择的状态下,按下操作面板上的 OK 按钮。
5. 换线 SYS-NXTIIc-4.0S
262 NXT IIc 系统手册
6. 如果有其他料槽的料盘更换的向导,请重复上述 3. 项~ 5. 项。当完成所有的补充后
就会显示按下 COPLT 按钮的向导。
7. 请放下料盘挡块。
8. 关闭正面门,按下 COMPLETE 按钮。开始生产
备注 )请轻轻关闭正面门,以免料盘单元 -M 受到冲击。
SYS-NXTIIc-4.0S 5. 换线
NXT IIc 系统手册 263
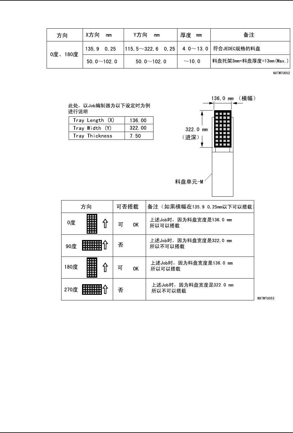
5.8.4 料盘单元 -M 中可以使用的料盘尺寸
料盘方向和搭载条件