TR6SNR_维修调整.pdf - 第107页
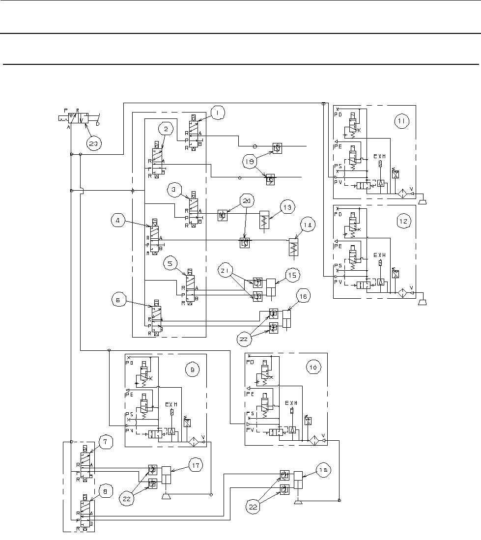
维修调整要领书 8-1 8. 气动 系 统 配管 图 8- 1. 气动零部件清 单 No. 货号 品名 使用部位 1 PV150209300 5 通道电磁阀 梭动器 R 侧吸盘切换 2 PV150209300 5 通道电磁阀 梭动器 L 侧吸盘切换 3 PV150209300 5 通道电磁阀 梭动器 BGA L 侧 4 PV150209300 5 通道电磁阀 梭动器 BGA R 侧 5 PV150209300 5 通道电磁阀 Y 轴托盘…

维修调整要领书
7-18
7-16. 梭动器真空吸盘的更换
请将无线电钳子等插入吸盘④的孔内,慢慢地拉出吸盘的身体。
④真空吸盘(货号:PX50006000)
如是选择了大吸盘的状态,请拆下前端的黑色橡皮部分。
更换时,橡皮端面发光的一方是抛光面,安装时该面要朝上。
⑤橡皮环(货号:E2151723000)

维修调整要领书
8-1
8.
气动系统配管图
8-1. 气动零部件清单
No.
货号
品名
使用部位
1
PV150209300
5
通道电磁阀
梭动器
R
侧吸盘切换
2
PV150209300
5
通道电磁阀
梭动器
L
侧吸盘切换
3
PV150209300
5
通道电磁阀
梭动器
BGA L
侧
4
PV150209300
5
通道电磁阀
梭动器
BGA R
侧
5
PV150209300
5
通道电磁阀
Y 轴托盘卡盘部
6
PV150209300
5 通道电磁阀
闸门开闭用
7
PV150209300
5
通道电磁阀
贴装头
L
侧
UP
/
DOWN
用
8
PV150209300
5
通道电磁阀
贴装头
R
侧
UP
/
DOWN
用
9
40045132
真空发生器
贴装头
L
侧
10
40045133
真空发生器
贴装头
R
侧
11
40045158
真空发生器
梭动器
L
侧
12
40045159
真空发生器
梭动器
R
侧
13
PA0402001A0
超小型气缸
梭动器
BGA L
侧
14
PA0402001A0
超小型气缸
梭动器
BGA R
侧
15
PA1001524A0
Y 气缸
Y
轴托盘卡盘部
16
PA1001024A0
闸门气缸
开闭闸门用
17
PA0603004A0
贴装头 2 气缸 贴装头 L 侧 UP/DOWN 用
18
PA0603004A0
贴装头 1 气缸 贴装头 R 侧 UP/DOWN 用
19
PC012401000
速度控制器
20
PC012402000
速度控制器
21
PC010519000
速度控制器
22
PC010508000
速度控制器
23
PV010006000
手控阀
24 40045177
SLOW MODE (HR UP)
CABLE 2 ASM
选项:低速
2
模式
贴片头
R
侧
UP
用
25 40045179
SLOW MODE (HR DOWN)
CABLE 2 ASM
选项:低速
2
模式
贴片头
R
侧
DOWN
用
26 40045181
SLOW MODE (HL UP)
CABLE 2 ASM
选项:低速
2
模式
贴片头
L
侧
UP
用
27 40045183
SLOW MODE (HL DOWN)
CABLE 2 ASM
选项:低速
2
模式
贴片头
L
侧
DOWN
用
28 40045187
SLOW MODE (TRAY)
CABLE 2 ASM
选项:低速
2
模式
Y
轴托盘卡盘部
29 40045185
SLOW MODE (SHT)
CABLE 2 ASM
选项:低速
2
模式
闸门闭侧

维修调整要领书
8-2
8-2. 气动系统配管图(标准)