TR6SNR_维修调整.pdf - 第110页
维修调整要领书 9-1 9. 调试模式 为了校验传感器的动作,托盘收进部上下移动时、 装配和更换零件时进行单独的动作检查,可使用的 简单的自我診断模式,这就是调试模式。 调试模式由下列菜单组成。 但 12 ~ 19 在初始化尚未结束时不能执行。 20 . Convey or ADJ 和 21 . Conveyor 则是在传送带自动调整宽度被确定为选项时有显示。 1. I nitializ e 2. Sensor Check 3. Hea…

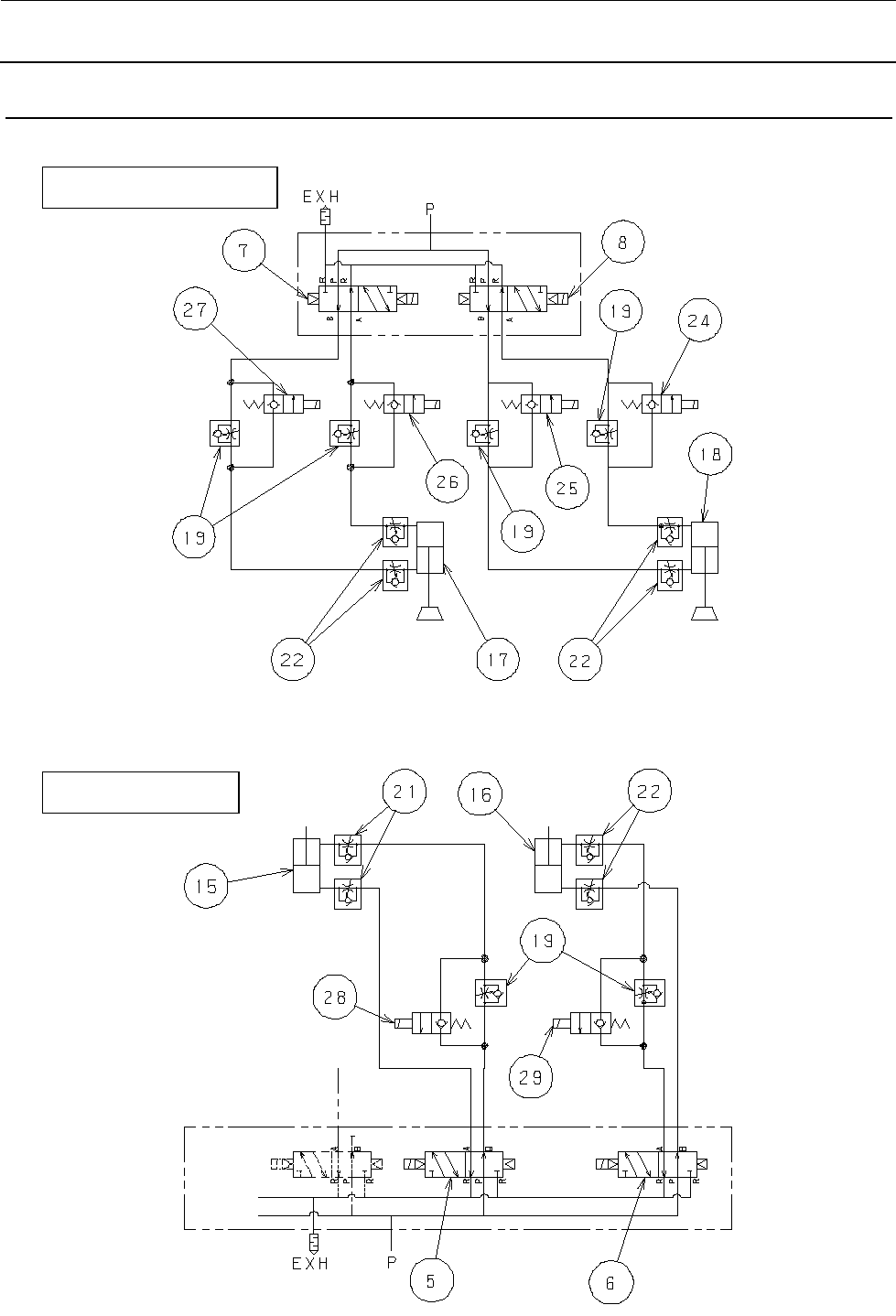
维修调整要领书
8-3
8-3. 气动系统配管图(选配:低速 2 模式)
贴装头
UP
/
DOWN
部
Y
卡盘部、闸门部

维修调整要领书
9-1
9.
调试模式
为了校验传感器的动作,托盘收进部上下移动时、装配和更换零件时进行单独的动作检查,可使用的
简单的自我診断模式,这就是调试模式。
调试模式由下列菜单组成。
但 12~19 在初始化尚未结束时不能执行。
20. Conveyor ADJ 和 21. Conveyor 则是在传送带自动调整宽度被确定为选项时有显示。
1. Initialize
2. Sensor Check
3. Head Vacuum
4. Shuttle Vacuum
5. Head
6. BGA Holder
7. Y Holder
8. Shutter
9. Concentric Nozzle
10. Z JOG
11. Speed Select
12. Teach In
13. Input Cmpnt Count
14. Complex Movement
15. X Unit
16. Y Unit
17. Z Unit
18. Shuttle
19. XY ADJ
20. Conveyor ADJ
21. Conveyor

维修调整要领书
9-2
9-1. 向调试模式转移和结束
按住 ONLINE ENTER 键并同时接通电源,即可转移到调试模式。
要结束时,使电源 OFF 即可结束。
首先是显示下载程序修订版。
图 9-1-1 显示下载程序修订版
R20:修订版 V01:版本 L01C:级别
DLL:下载程序 8:机种编号
在显示过程中按住 ONLINE ENTER 键也会转移到调试模式。
转移到调试模式后,所有 LCD 在几秒钟内显示“■”,然后显示 ROM 修订版,再显示菜单选择。
图 9-1-2 调试模式的初始显示
图 9-1-3 显示 ROM 修订版
R01:修订版 V01:版本 L01:级别
STD:标准规格 5:机种编号
图 9-1-4 调试模式菜单选择的初始显示
FLS Revision
R20-V01-L01C DLL 8
ROM Revision
R01-V01-L01 STD 5
TEST MODE
1. Initialize