TR6SNR_维修调整.pdf - 第91页
维修调整要领书 7-3 7- 3. 闸门 、 托盘卡盘 、 梭动器之电磁阀的更换 请卸下阀盖,更换各自的电磁阀。 ②电磁阀 BAGL (货号: PV150209300 ) ③电磁阀 BAGR (货号: PV150209300 ) ④电磁阀 PADL (货号: PV150209300 ) ⑤电磁阀 PAD R (货号: PV150209300 ) ⑥电磁阀 Y HOLDER (货号: PV150209300 ) ⑦电磁阀 闸门(货号: P…

维修调整要领书
7-2
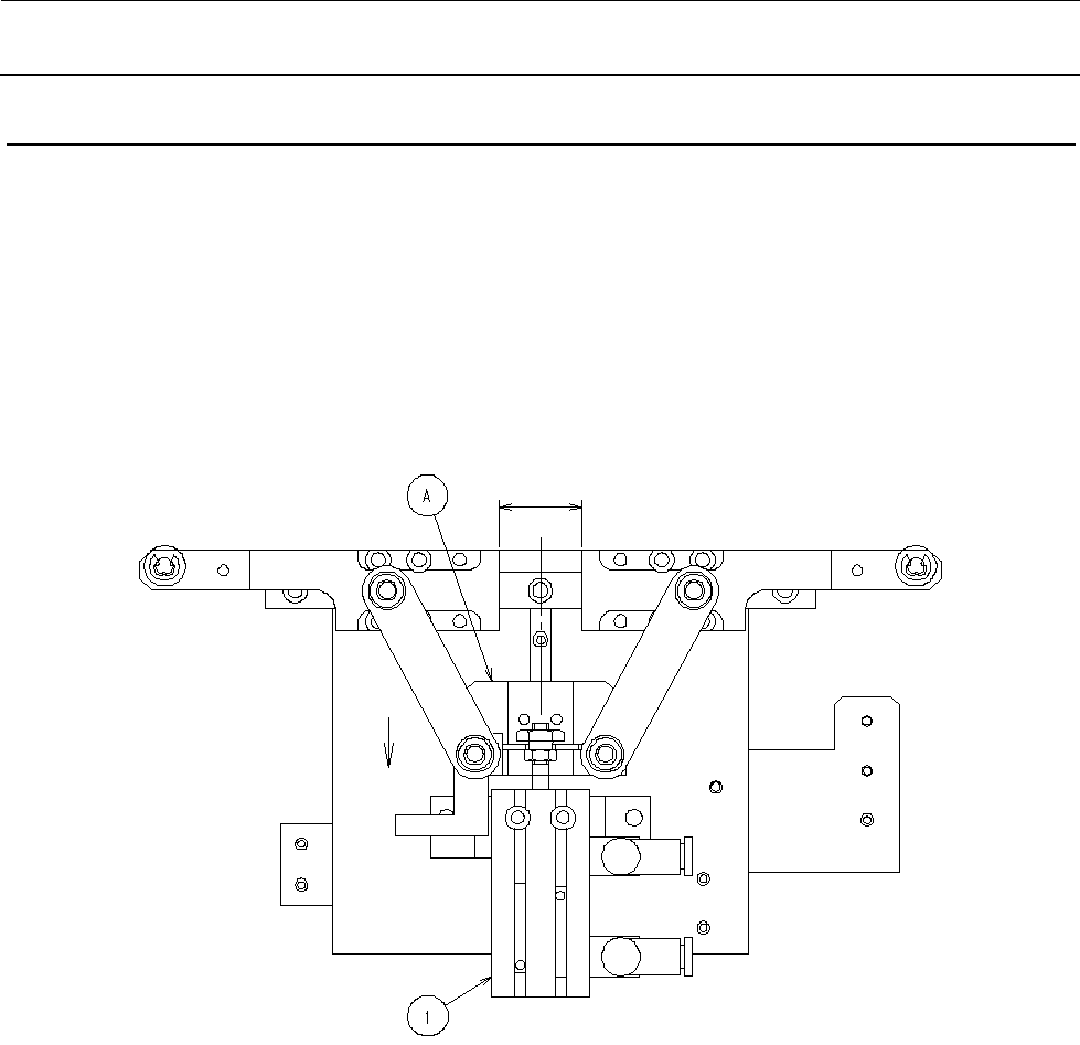
7-2. 托盘卡盘气缸的更换
请拆下气缸①止动螺丝更换气缸。
请在气缸①的拉回侧行程末端将 Y LINK BASE(A)朝箭头方向推压,调整到下图所示的尺寸。
更换后,请进行托盘传感器的调整。
再有,如利用调试模式的 Y Holder 执行单独动作,操作面板上会显示“打开”、“关闭”的动作时间,
请调整速度控制器使“打开”为 96±10msec,“关闭”为 75±10msec。
进行调整时的状态应该是,在托盘座板拉出位置上 Y 夹持器的轴承进入托盘座板的缺口。
①气缸 Y HOLDER(货号:PA1001524A0)
20.0
~
20.5

维修调整要领书
7-3
7-3. 闸门、托盘卡盘、梭动器之电磁阀的更换
请卸下阀盖,更换各自的电磁阀。
②电磁阀 BAGL(货号:PV150209300)
③电磁阀 BAGR(货号:PV150209300)
④电磁阀 PADL(货号:PV150209300)
⑤电磁阀 PADR(货号:PV150209300)
⑥电磁阀 Y HOLDER(货号:PV150209300)
⑦电磁阀 闸门(货号:PV150209300)

维修调整要领书
7-4
7-4. 闸门、托盘卡盘、减速用电磁阀的更换(选配:低速 2 模式)
请卸下阀盖,更换各自的电磁阀。
⑧电磁阀 Y HOLDER(货号:HM001780010)
⑨电磁阀 闸门(货号:HM001780010)