TR6SNR_维修调整.pdf - 第6页
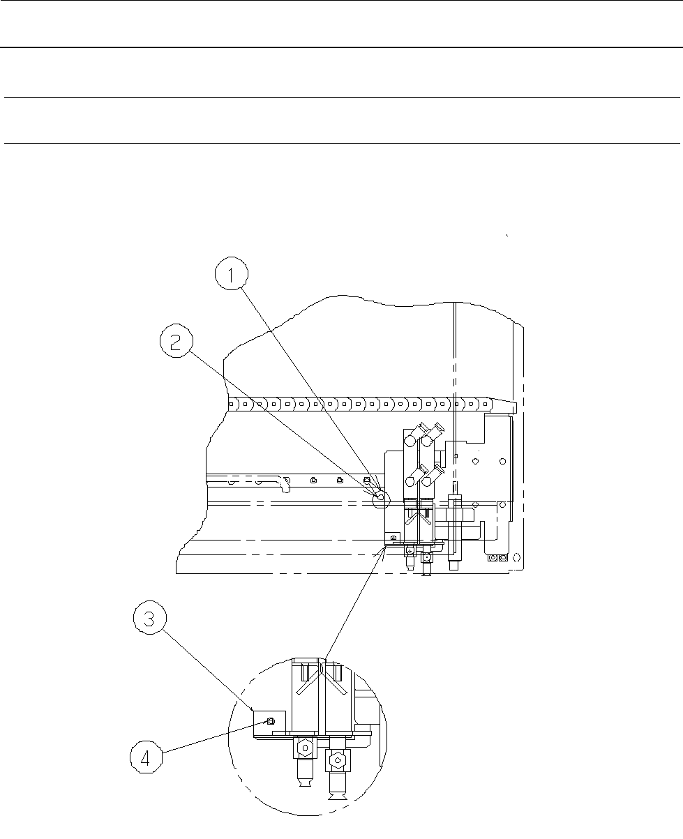
维修调整要领书 1-1 1. 设置方法 1- 1. 卸下运输用的金属固定具 以 M4 内六角螺栓②拆下用来固定 X 轴之滑架的限动器①。 接着,以 M3 内六角螺栓④拆下用来固定贴装头部的 F IX B R ③。 注意: 如在无空气通入的状态下拆下 FI X BR ③,贴装头部分有时会降下。在这种状态下用手移动 X 轴的滑架时,有可能损坏贴装头部分,故请充分注意。

维修调整要领书
8.
气动系统配管图
..................................................................................... 8-1
8-1. 气动零部件清单 ........................................................................................................................ 8-1
8-2. 气动系统配管图(标准) ......................................................................................................... 8-2
8-3. 气动系统配管图(选配:低速 2 模式) ................................................................................... 8-3
9.
调试模式
................................................................................................ 9-1
9-1. 向调试模式转移和结束 ............................................................................................................. 9-2
9-2. Initialize(初始化) ................................................................................................................... 9-3
9-3. Sensor Check(传感器校验) ................................................................................................. 9-3
9-4. Head Vacuum(贴装头真空阀) .............................................................................................. 9-4
9-5. Shuttle Vacuum(梭动器真空阀) ........................................................................................... 9-5
9-6. Head(贴装头) ....................................................................................................................... 9-5
9-7. BGA 夹持器 ............................................................................................................................... 9-6
9-8. Y 夹持器 .................................................................................................................................... 9-7
9-9. Shutter(闸门) ........................................................................................................................ 9-8
9-10. Concentric Nozzle(环列吸嘴) ............................................................................................ 9-9
9-11. Z JOG(Z 装置 JOG) ......................................................................................................... 9-9
9-12. Speed Select(选择速度) .................................................................................................. 9-10
9-13. Teach In(示教) ................................................................................................................. 9-10
9-14. Input Cmpnt Count(输入元件数量) .................................................................................. 9-11
9-15. Complex Movement(复合动作) ........................................................................................ 9-13
9-16. X Unit(X 装置) .................................................................................................................. 9-14
9-17. Y Unit(Y 装置) .................................................................................................................. 9-14
9-18. Z Unit
(Z 装置) ................................................................................................................... 9-15
9-19. Shuttle Unit(梭动器装置) .................................................................................................. 9-16
9-20. XYZ ADJ(XYZ 调整) ........................................................................................................ 9-17
9-21. Conveyor ADJ(调整传送带)(自动调整宽度:选项) ..................................................... 9-20
9-22. Conveyor(传送带)(自动调整宽度:选项) .................................................................... 9-21

维修调整要领书
1-1
1.
设置方法
1-1. 卸下运输用的金属固定具
以 M4 内六角螺栓②拆下用来固定 X 轴之滑架的限动器①。
接着,以 M3 内六角螺栓④拆下用来固定贴装头部的 FIX BR③。
注意: 如在无空气通入的状态下拆下 FIX BR③,贴装头部分有时会降下。在这种状态下用手移动 X
轴的滑架时,有可能损坏贴装头部分,故请充分注意。

维修调整要领书
1-2
1-2. 电压规格的确认
请确认电压的规格是否符合。
装置后面右下方贴着的额定值标牌上有 Volts 一栏,用圆圈标示(印制标牌时)或用刻印标示(铝制
标牌时)的值即为已设定的电压规格。
与要使用的电压不同时必须切换电压。
取下 E COVER F ①可看到切换电压用的端子台。
切换②的线束即可切换电压规格。
200
220
240
380
400
415
N.C
0
Volts 200 220 240 380 400 415
200に丸が付いている
場合は200V仕様
200
带有圆圈时为
200V
规格
按照电压规格用冲头刻印