TR6SNR_维修调整.pdf - 第18页
维修调整要领书 3-3 3- 2. 电 气部分布置图( CE 规格机 ) No. 货号 品名 备注 1 HB001430000 安全继电器装置 2 HB001390000 继电器 3 E9641040000 继电器 MY2 DC24V

维修调整要领书
3-2
No.
货号
品名
备注
10
HX005500000
开关式电源
11
40045016
AC FAN MOTOR ASM
12
40046217 ※1
MAIN PCB A (6S) ASM
备用零件货号:40169057
TR6SNR 用
40095247 ※1
MAIN PCB A ASM (6S)
备用零件货号:40169057
TR6SNX/6SNV
用
40137757 ※1
MAIN PCB A ASM (6S)
备用零件货号:40169057
TR6SNR 用
40169057
※
1
MAIN PCB ASM 6S
TR6SNR/6SNX/6SNV
用
13
40042575
SLOW MODE CTRL PCB ASM
低速
2
模式:选配
14
40042153
AWC PCB ASM
自动调整宽度:选配
*1 板组件,这是由每个装置的机器修订版附是不同的。
4013****和 4016****无需光盘安装。它是一个软件程序已在发货时间在写。

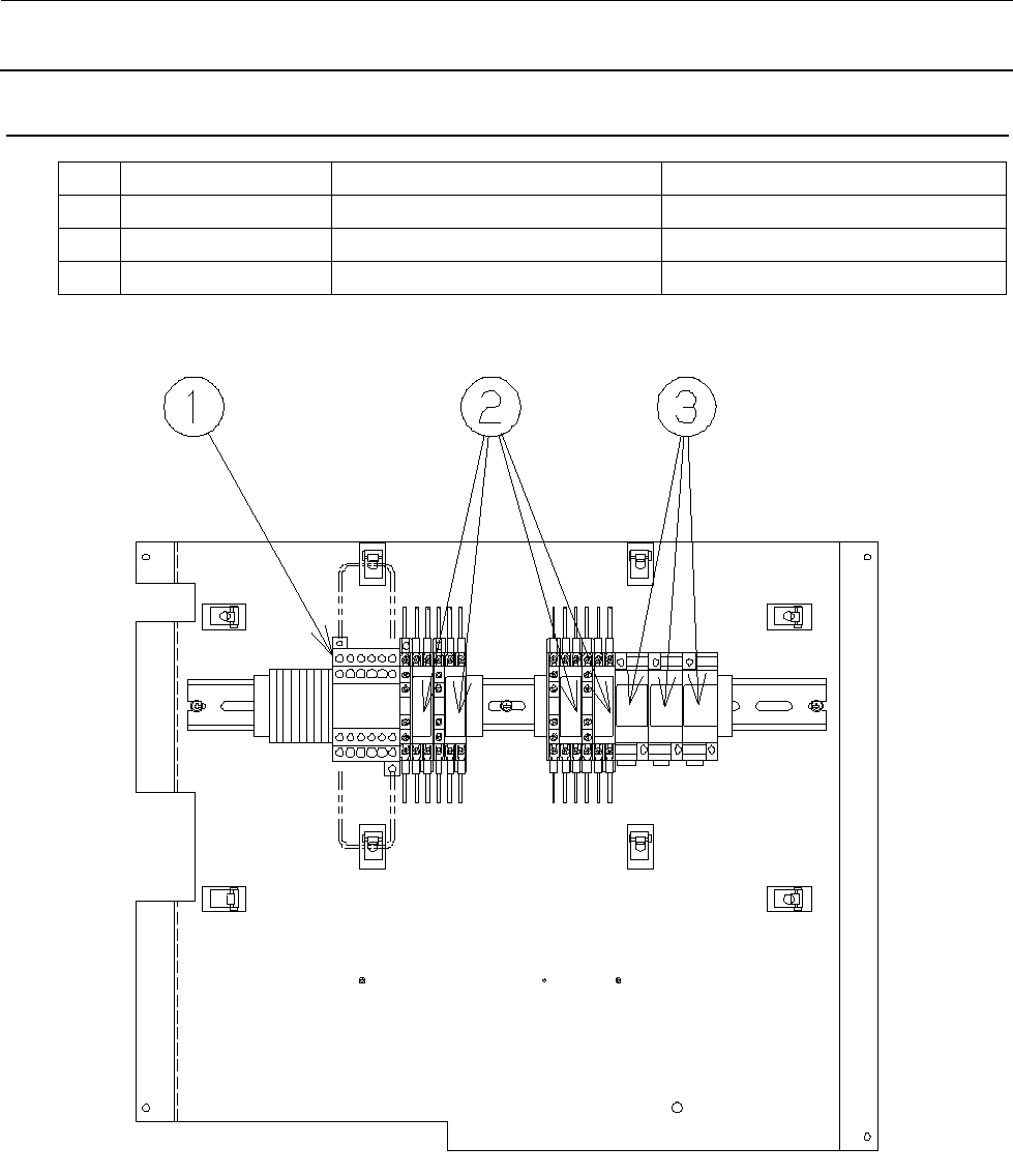
维修调整要领书
3-3
3-2. 电气部分布置图(CE 规格机)
No.
货号
品名
备注
1
HB001430000
安全继电器装置
2
HB001390000
继电器
3
E9641040000
继电器
MY2 DC24V

维修调整要领书
3-4
3-3. 电路保护器的更换
拆下 A 部的螺丝后即可连同托架向身前拉出。
请按照下表更换为相同额定值的部件。
名称
额定
货号
适用
CP1
3A
HA005240000
主电源
CP2 10A HA00524000C
伺服驱动器
CP4 5A HA00524000A
X 轴脉冲驱动器
CP5 5A HA00524000A
Y 轴脉冲驱动器
CP6 5A HA00524000A
梭动器轴脉冲驱动器
CP7 3A HA005240000
传送电动机
CP1
CP7
CP6
CP5
CP4
CP2