D系列电路图00194841-02_DC_SIPLACED12_DE+EN.pdf - 第172页
6 - 8 0305589 4-010101 ND3 La yout für P neumatika ufkleber / D 2 Layout for pneumat ic label / D 2 260 accuracy principle DIN 7167 A3 Copyr ight Re se rve d SID: SAP-Sta tus : Mate rial Format Document - No. / Unter lag…

6 - 7
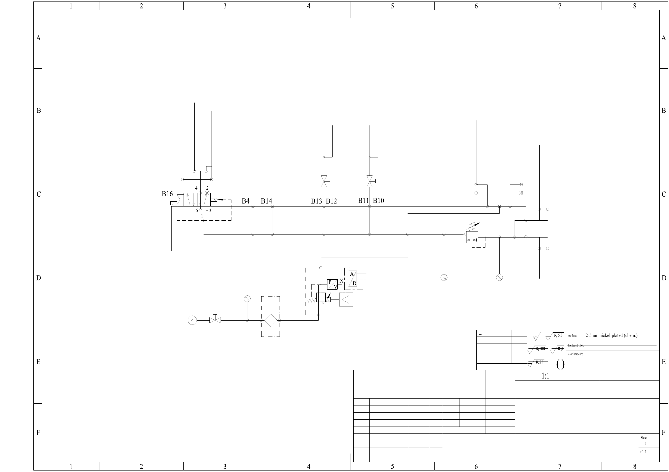
03055893-010101ND3 Layout für Pneumatikaufkleber / D1
Layout for pneumatic label / D1
Sentronic-Ventil
Sentronic-Valve
Filter
p=2,5±0,2 bar
digital
SOLL-Wert
intern
extern
Ventilblock/Valve block
5u
B1
B11
B13
p max. = 10 bar
p min. = 5,5bar
max. flowrate 1300 Nl/min
B2
B7
B8
B16
B14B4
B12
B10
B3
p=5,2±0,1 bar
p=5,2±0,1 bar
p=2,5±0,2 bar
auf die Innenseite der Türe
03042277-01 aufgeklebt
glued on the inside of door
03042277-01
Portal 1
Gantry 1
Pneumatik D1
D1 pneumatic system
Tisch/Table 1
Tisch/Table 2
BE-Tisch
Component Table
Bulk-Case-
Förderer
Bulk-Case-
Feeder
BCF 1
BCF 2
Pipettenwechsler
Nozzle changer
Sektor/Sector 2
Sektor/Sector 1
Schneide-
einrichtung
Tape cutter
Hubtisch/Lifting table
Sektor/Sector 2
Sektor/Sector 1
Modular single conveyor
Modular dual conveyor
Material
DT EA
±0,8
±0,5
±0,3
±0,2
±0,1
>400...1000
>120...400
>30...120
>6...30
<6
Copying of this document, and giving it to others and the use
or communication of the contents thereof, are forbidden with-
out express authority. Offenders are liable to the payment of
damages. All rights are reserved in the event of the grant of
a patent or the registration of a utility model or design.
Weitergabe sowie Vervielfältigung dieser Unterlage, Verwer-
tung und Mitteilung ihres Inhalts nicht gestattet, soweit nicht
ausdrücklich zugestanden. Zuwiderhandlungen verpflichten zu
Schadenersatz. Alle Rechte fÏr den Fall der Patenterteilung
oder GM-Eintragung vorbehalten.
Replacement for
General tolerances for
nominal Dimensions without
spec.tolerance
ISO 2768 mH
SIEMENS AG
Change
Request No.
Modification / ECO No. Date Name
General Tolerances
NameDate
Drawn
Checked
Standards
Scale
Document - No. / Unterlagen - Nr. (FS RS US UA SP F)
of
Sheet
Copyright Reserved
03055893-010101ND3
Layout f. Pneumatikaufkleber/D1
Layout f. pneumatic label/D1
Panduit Laser Printable Label
PEL-A4-Y2-2 or 3M 7815
08.05.06
FS 01 neu/new 03.08.04 Franz
Mohdrar
1
accuracy principle
DIN 7167

6 - 8
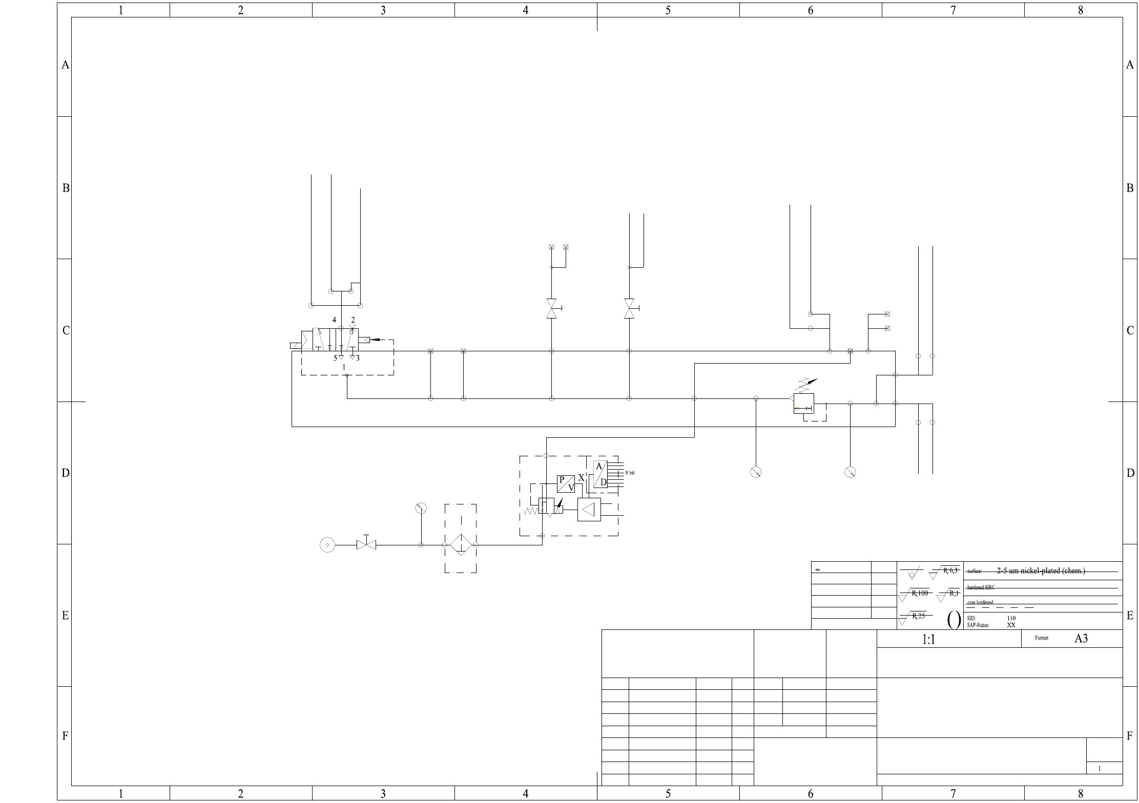
03055894-010101ND3 Layout für Pneumatikaufkleber / D2
Layout for pneumatic label / D2
260
accuracy principle
DIN 7167
A3
Copyright Reserved
SID:
SAP-Status:
Material
Format
Document - No. / Unterlagen - Nr. (FS RS US UA SP F)
Scale
Standards
Checked
Drawn
Date Name
General Tolerances
NameDateModification / ECO No.
Change
Request No.
SIEMENS AG
General tolerances for
nominal Dimensions without
spec.toleranz
ISO 2768 mH
Replacement for
110
XX
Weitergabe sowie Vervielfältigung dieser Unterlage, Verwer-
tung und Mitteilung ihres Inhalts nicht gestattet, soweit nicht
ausdrücklich zugestanden. Zuwiderhandlungen verpflichten zu
Schadenersatz. Alle Rechte fÏr den Fall der Patenterteilung
oder GM-Eintragung vorbehalten.
Copying of this document, and giving it to others and the use
or communication of the contents thereof, are forbidden with-
out express authority. Offenders are liable to the payment of
damages. All rights are reserved in the event of the grant of
a patent or the registration of a utility model or design.
<6
>6...30
>30...120
>120...400
>400...1000
±0,1
±0,2
±0,3
±0,5
±0,8
DT EA
auf die Innenseite der Türe
03042277-01 aufgeklebt
glued on the inside of door
03042277-01
03055894-010101ND3
Layout f. Pneumatikaufkleber/D2
Layout f. pneumatic label/D2
Panduit Laser Printable Label
PEL-A4-Y2-2 or 3M 7815
08.05.06 Mohdrar
p=2,5±0,2 bar
p=5,2±0,1 bar
p=5,2±0,1 bar
B3
B8
B7
B2
p max. = 10 bar
p min. = 5,5bar
max. flowrate 1300 Nl/min
B1
5u
Ventilblock/Valve block
extern
intern
SOLL-Wert
8 bit
digital
p=2,5±0,2 bar
Filter
Sentronic-Ventil
Sentronic-Valve
FS 01 neu/new 03.08.04 Franz
Modular single conveyor
Modular dual conveyor
Sektor/Sector 1
Sektor/Sector 2
Hubtisch/Lifting table
Schneide-
einrichtung
Tape cutter
Sektor/Sector 1
Sektor/Sector 2
Pipettenwechsler
Nozzle changer
BCF 2
BCF 1
Bulk-Case-
Förderer
Bulk-Case-
Feeder
BE-Tisch
Component Table
Tisch/Table 2
Tisch/Table 1
Pneumatik D2
D2 pneumatic system
Portal 2
Gantry 2
Portal 1
Gantry 1

6 - 9
00329906-010101ED3 Pneumatik-Symbole
Pneumatic symbols
1
5/2-way solenoid valve without manual override
8
Sheet
Sh.
1234 765
F
E
D
C
A
B
F
E
D
C
A
B
1234 8765
Copyright reserved
SIEMENS AG
FS ES US UA S F
1
00329906-010101ED3
Pneumatik-Symbole
01.07.2001
Hi
Hi
01.07.01
Name
Status
Date
DS 01
new
Modified
Name
Date
Stand.
Author
Check.
Main no.
(Drawing number)
with pneumatic spring return
with mechanical spring return
5/2-way solenoid valve with manual override
3/2-way solenoid valve without manual override
with mechanical spring return
2/2-way solenoid valve with manual override
with mechanical spring return
3/2-way valve, manually operated
by push-button
3/2-way valve, manually operated
Electrical switch
with mechanical spring return
Flow control valve, adjustable
Flow control valve
Flow control valve with flow adjustable in one direction
Quick acting coupling uncoupled,
Pressure source
Filter with water separator
Pressure gauge
closed by non-return valve
Shut-off valve
Plug Regulator with exhaust
Pressure / voltage converter
Analog / digital converter
Silencer
Air reservoir
Double acting cylinder
with manual draining
53
24
1
1
53
42
A
RP
ab
A2
R3 P1
b
a
DT EA
SIPLACE D1/D2