D系列电路图00194841-02_DC_SIPLACED12_DE+EN.pdf - 第55页
2 - 22 ZM02_D2 -020101L D3 Zustelleinhei ten, Blaslu ft, C&P12- Kopf, Portal 1, S IPLACE D2 Adjustme nt units, fo rced air, C&P12 hea d, gantry 1, SIPLACE D2 Modified St atus Date CAD file : ZM02_D2-020101LD3.DWG…

2 - 21
ZM01-020101LD3 Zustelleinheiten, Blasluft, C&P12-Kopf, Portal 1, SIPLACE D1, D2
Adjustment units, forced air, C&P12 head, gantry 1, SIPLACE D1, D2
ModifiedStatus Date
CAD file : ZM01-020101LD3.DWG
Orig./Repl. f./Repl. byStand.Name
Check.
Stromlaufplan/Circuit diagram
Mat. no. :
Author
Date
Sh.
Sh.
SIPLACE D1/D2
1
1
Document st.
Product st.
Function st.
ZM01-020101LD3
26.09.2006
00367074
03047845-W2
03047845 - W1
Intermediate distributor
SP6-12, digital
00330648 (s)
10
10
X2s
X1s
D5
+5V
03003526
Micro switching valve, Y1
RD3
Key
BK
1
4
2
X6s
Air kiss
Adjustment drive unit
M
88
10
9
10
9
6
7
5
4
6
7
5
4
+5V
03048125
Output
+15V (LED)
4 YE
Adjustment drive unit turning station
1
3
2
X18ac
1
3
2
X2
10 10
03029481
1
3
2
X3
BN
RD
OG
+15V (LED)
Key
Key
OUT2B
OUT2A
OUT1B
OUT1A
+5V
+5V
VHC374
D8
21
14
34
PGND
PIO_D0-7
1,18,19,36
5
D4
L6258
Adjustment drive unit 2
M
Adjustment drive unit 3
X3X2
55
9
8
6
7
9
8
6
7
4
3
2
1
4
3
2
1
Output
+5V
4
3
2
1
YE
RD
OG
BN
Adjustment drive unit, placement circuit
X19ac
9
10
8
7
9
10
8
7
00368093
Output
+15V (LED)
+5V
00359364
M
Adjustment drive unit, reject circuit
22
4
5
6
3
4
5
6
3
X20ac
1
X2
1
OG2
4
3
YE
RD
00368092
X3
1
BN
X13ac
10
+24V
X14ac
10
V1
3
D8:19
2
BCR503
Gantry 1
03038002 (ac)
Gantry head distributor
LB bottom,
Gantry ID1
Boot
Internal function
CAN ID1
Gantry ID0
OFFNo.2
No.3
No.4
No.6
No.5
No.7
No.8 OFF
OFF
OFF
OFF
OFF
OFF
Switch S1
No. 1 OFF
n.u.
GND
1
A_FORCED_AIR_SP
R112
15V
15V
81+15V (DLM)
SM_BAS_INT
19
V1:2
A_FORCED_AIR_SP
P_SM
VS
27
GND
20
35
SENSE2
SENSE1
PIO_D0-7
VS
PGND
D11
VHC374
GND
34
27
20
21
35
14
L6258
d13
1,18,19,36
5
SENSE2
SENSE1
OUT2A
OUT2B
OUT1A
OUT1B
+5V
SM_DZS_INT
+15V (DLM)
15V
15V
81
SM_ZHS_INT
+15V (DLM)
15V
15V
81
PIO_D0-7
1,18,19,36
VS
PGND
D12
VHC374
GND
34
27
20
21
35
14
L6258
D21
5
SENSE2
SENSE1
OUT2A
OUT2B
OUT1A
OUT1B
PIO_D0-7
VHC374
D15
Head processor
CAN ID0
Reset
34-pole
55
28
GND
PE
6,25,31
10
11
+24V
28
10
11
6,25,31
03038789 (D2)
1,34
2
3
4
34-pole
X1aa
3
4
1,34
2
X1ac
GND
PE
CAN_2L
+24V
43
38
X6ac
CAN_2H
CAN_2L
CAN_2H
CAN_2L
CAN_2H
P_SMP_SM
03038788 (D2)
1,34
10,19,25,31
PE
13,16,28
34-pole
X2aa
34-pole
PE
1,34
X2ac
+24V +24V
GNDGND
13,16,22,28
10,19,25,31
03038787 (D2)
GND
+24V
X3aa
34-pole
1,34
PE
GND
+24V
PE
34-pole
X3ac
1,34
34-pole
PE
X4ac
1,34
13,16,22,28
10,19,25,31
Sub-distributor
4
03048966 (af) (D1)
2
3
1
X8af
Gantry 1
Trailing cable distributor
03038690 (aa)
GND
3
1,4
2
X41aa
10-pole
WH
BN
OG
WH
WH
OG
X200:9d
X200:3c
X200:10d
X200:3d
+24V
GND
GND
+24V
X50aa
2
1
+24V
GND
03040345 - W1
Axis unit
03057572 (sq)
03040080 (D2)
CAN_2H
GND
1,4
10-pole
X21_4sq
CAN_2L
2
3
03048879 (sq)
Axis unit
Backplane
R45
R70
VS
8
R27P_SM
R32
VS
8
8
R24P_SM
R62
VS
13
3
7
13 31
3113
13 31
BK
3
4
5 WH
03050177 (af) (D2)
(D1) = SIPLACE D1
(D2) = SIPLACE D2
PLEASE NOTE:
P_SM
03038801 (D1)
X4aa
1,34
PE
+24V
GND
not in D2
34-pole
+24V
GND
03038802 (D1)
03038803 (D1)
03038804 (D1)
Activation delay "OFF"
03040069 (D1)
1.
2.
1.
01.04.08 Hick
01.04.08
01.04.08
Hick
Hick Hick
Copyright reserved
SIEMENS AG
DT EA
SIPLACE D1, D2
Zustelleinheiten, Blasluft, C&P6/12-Kopf, Portal 1
2
3
X23_41sq
1,4
10-pole
2
3
X23_42sq
1,4
10-pole
CAN_2H
CAN_2L
GND
CAN_2H
CAN_2L
GND
03040069 (D1)
03040080 (D2) 03040069 (D1)
See page 5-37
See page 4-14
See page 5-30
See page 5-28
See page 5-4
See page 5-13
See page 5-18
See page 5-35
See page 3-15
See page 3-11

2 - 22
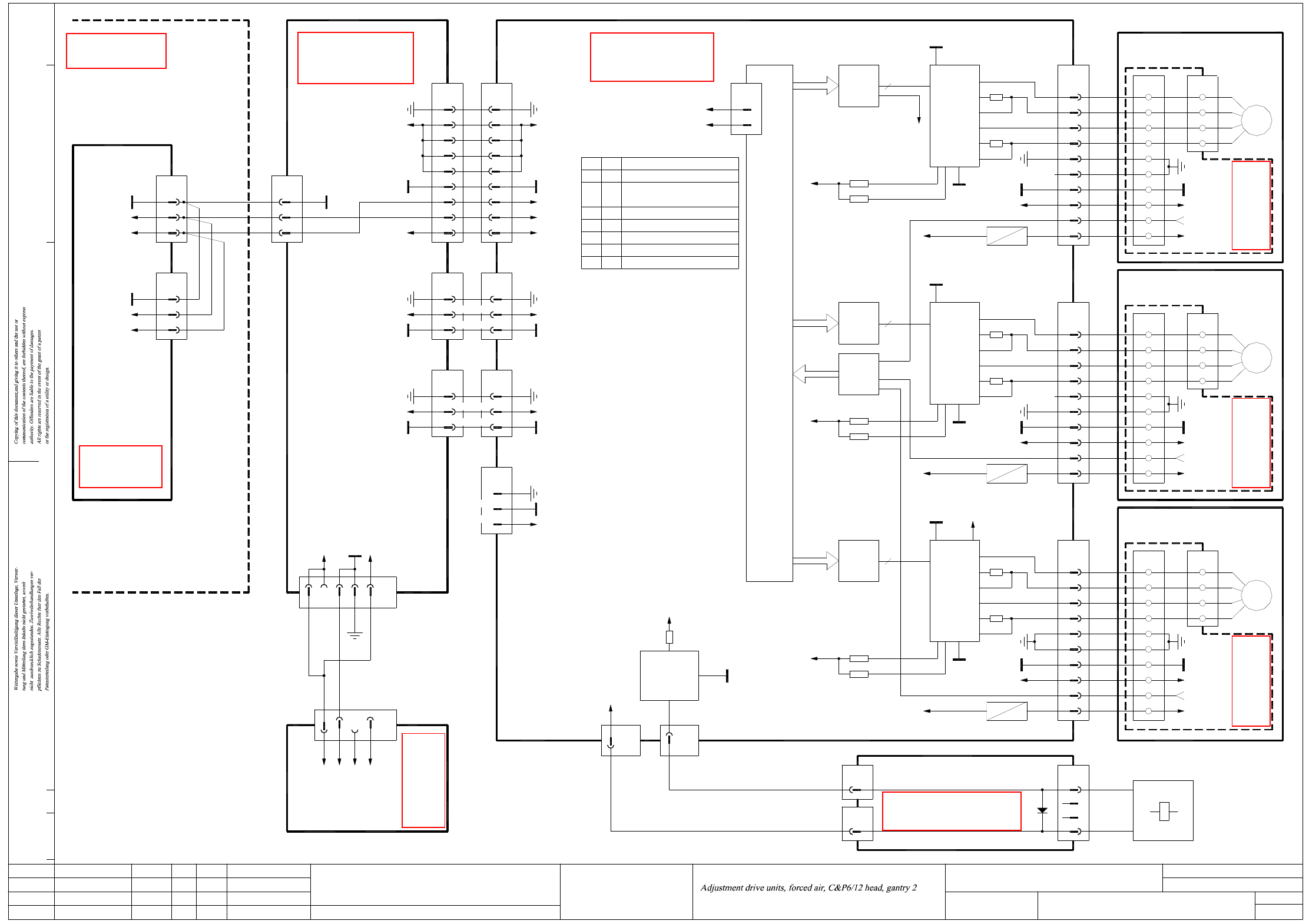
ZM02_D2-020101LD3 Zustelleinheiten, Blasluft, C&P12-Kopf, Portal 1, SIPLACE D2
Adjustment units, forced air, C&P12 head, gantry 1, SIPLACE D2
ModifiedStatus Date
CAD file : ZM02_D2-020101LD3.DWG
Orig./Repl. f./Repl. byStand.Name
Check.
Stromlaufplan/Circuit diagram
Mat. no. :
Author
Date
Sh.
Sh.
SIPLACE D2
1
1
Document st.
Product st.
Function st.
ZM02_D2-020101LD3
26.09.2006
00367074
03047845-W2
03047845 - W1
Intermediate distributor
SP6-12, digital
00330648 (s)
10
10
X2s
X1s
D5
+5V
03003526
Micro switching valve, Y1
RD3
Key
BK
1
4
2
X6s
Air kiss
Adjustment drive unit
M
88
10
9
10
9
6
7
5
4
6
7
5
4
+5V
03048125
Output
+15V (LED)
4 YE
Adjustment drive unit turning station
1
3
2
X18bc
1
3
2
X2
10 10
03029481
1
3
2
X3
BN
RD
OG
+15V (LED)
Key
Key
OUT2B
OUT2A
OUT1B
OUT1A
+5V
A_FORCED_AIR_SP
R112
15V
15V
81+15V (DLM)
SM_BAS_INT
19
V1:2
A_FORCED_AIR_SP
P_SM
VS
27
GND
20
35
SENSE2
SENSE1
PIO_D0-7
VS
PGND
D11
VHC374
GND
34
27
20
21
35
14
L6258
d13
1,18,19,36
5
SENSE2
SENSE1
OUT2A
OUT2B
OUT1A
OUT1B
+5V
SM_DZS_INT
+15V (DLM)
15V
15V
81
SM_ZHS_INT
+15V (DLM)
15V
15V
81
PIO_D0-7
1,18,19,36
VS
PGND
D12
VHC374
GND
34
27
20
21
35
14
L6258
D21
5
SENSE2
SENSE1
OUT2A
OUT2B
OUT1A
OUT1B
PIO_D0-7
VHC374
D15
Head processor
34-pole
55
28
GND
PE
6,25,31
10
11
+24V
28
10
11
+5V
VHC374
D8
21
14
34
PGND
PIO_D0-7
1,18,19,36
5
D4
L6258
Adjustment drive unit 2
M
Adjustment drive unit 3
X3X2
55
9
8
6
7
9
8
6
7
4
3
2
1
4
3
2
1
Output
+5V
4
3
2
1
YE
RD
OG
BN
Adjustment drive unit, placement circuit
X19bc
9
10
8
7
9
10
8
7
00368093
Output
+15V (LED)
+5V
00359364
M
Adjustment drive unit, reject circuit
22
4
5
6
3
4
5
6
3
X20bc
1
X2
1
OG2
4
3
YE
RD
00368092
X3
1
BN
X13bc
10
+24V
X14bc
10
V1
3
D8:19
2
BCR503
Gantry 2
03038002 (bc)
Gantry head distributor
n.u.
GND
1
6,25,31
03038796
1,34
2
3
4
34-pole
X1ba
3
4
1,34
2
X1bc
GND
PE
CAN_2L
+24V
43
38
X6bc
CAN_2H
CAN_2L
CAN_2H
CAN_2L
CAN_2H
P_SM+24V
03038795
1,34
10,19,25,31
PE
13,16,28
34-pole
X2ba
34-pole
PE
1,34
X2bc
+24V +24V
GNDGND
13,16,22,28
10,19,25,31
03038794
GND
+24V
X3ba
34-pole
1,34
PE
GND
+24V
PE
34-pole
X3bc
1,34
34-pole
PE
+24V
GND
X4bc
1,34
10,19,25,31
13,16,22,28
n.u.
Gantry 2
Trailing cable distributor
03038690 (ba)
GND
3
1,4
2
X41ba
10-pole
CAN_2H
GND
1,4
10-pole
X22_4sq
CAN_2L
2
3
R45
R70
VS
8
R27P_SM
R32
VS
8
8
R24P_SM
R62
VS
13
3
7
13 31
3113
13 31
03050177 (af)
OG
WH
WH
OG
X200:3c GND
+24V
GNDX200:3d
X200:10d
+24VX200:9d
Sub-distributor D2
4
3
WH
1
2
X8af
BN
WH
03040345-W2
BK
5
4
3
1
2
X50ba
P_SM
GND
+24V
Internal function
Gantry ID1
Gantry ID0
Activation delay "OFF"
OFFNo.2
OFFNo.7 CAN ID1
No.8 OFF
No.4
No.5
No.6
No.3
BootOFF
Reset
CAN ID0
OFF
OFF
LB bottom,OFF
Switch S1
No. 1 ON
1.
2.
1.
01.04.08 Hick
01.04.08
01.04.08
Hick
Hick Hick
SIEMENS AG
Copyright reserved
DT EA
Zustelleinheiten, Blasluft, C&P6/12-Kopf, Portal 2
SIPLACE D2
03057572 (sq)
Axis unit
Axis unit
03048879 (sq)
Backplane
10-pole
3
X23_42sq
2
1,4
CAN_2L
CAN_2H
GND
03040091
See page 5-37
See page 4-14
See page 5-30
See page 5-28
See page 5-4
See page 3-15
See page 5-13
See page 5-18
See page 5-35

2 - 23
ZPP_D1-020101LD3 Z-Achse, P&P-Kopf, Portal 1, SIPLACE D1 (Bl. 1 v. 3)
Z axis, P&P head, gantry 1, SIPLACE D1 (sh. 1 of 3)
X30:27
X30:26
X30:29
X30:33
+5V 1
GND 5
6
4
2
Key
3
Encoder
03000102
PP_Z axis
PP_Z temperature sensor
PP_Z motor W
PP_Z motor V
10
X5
Key
PP_Z track N
PP_Z track N 9
8
BN
GY
PP_Z track B
PP_Z track B 6
7
5
PP_Z track A
4
3
PK
RD
BK
YE
WH
RI
RI
GND
+5V
T2
T2
T1
30
X4
PE 1
PP_Z track A 2
WHGN
GN
PP_Z motor W
PP_Z motor V
29
27
28
26
30
T1
29
27
28
26
BN7
GND 8 YE
Key
Key
Key
6
5
3
4
2
BU
GY
Temperature sensor
00353135
PP_Z axis
Linear drive
Linear motor
U-Sensor
C700 force measuring board, P&P head
PP_Z motor U
PP_DP motor W
PP_DP motor V1
PP_DP motor V2
PP_DP motor U
GNDGND 1919
PP_Z motor U 24
25
23
21
22
20
24
25
23
21
22
20
13
-15V
VCC
+15V_PP
16
18
17
15
14
ModifiedStatus Date
CAD file : ZPP_D1-020101LD3_SH01.DWG
Orig./Repl. f./Repl. byStand.Name
Check.
Mat. no. :
Author
Date
Sh.
Sh.
SIPLACE D1
1
3
1.
2.
1.
01.04.08
Hick
01.04.08
01.04.08
Hick
Hick Hick
Copyright reserved
SIEMENS AG
DT EA
SIPLACE D1
Z-Achse, P&P-Kopf, Portal 1
12 12 PP_ID_Bit
X2:111
Document st.
Product st.
Function st.
ZPP_D1-020101LD3
26.09.2006
PP_Z reference point
PP_DP motor U
PP_DP motor V
PP_DP motor W
PP_Z temperature sensor
PP_Z force SCLK
PP_Z force SCLK
PP_Z force dir
PP_Z force dir
PP_Z force CS
PP_Z force CS
PP_Z force DATA
PP_Z force DATA
21
23
24
X30ac
50
33
34
41,44,46
32
PP_Z temperature sensor
PP_Z reference point
PP_Z clamping
PE
PP_Z track A
PE
PP_Z track A
PP_Z temperature sensor24
PP_Z clamping
PP_Z reference point
23
21
d6X2:78 green
03004332-W2
X30
n.u.
41,44,46
50
PP_Z track A
PP_Z track A
34
33
PE
32
V1green
30
2
4
5
3
1
7
9
8
15
14
16
18
17
19
20
21
23
22
6
24
26
27
25
29
28
X31ac
PE
10
12
11
9
8
13
-15V16
18
17
VCC
+15V_PP
15
14
10
12
11
9
8
2
3
6
2
1
9
7
10
14
15 J13
-
1
J12
+
PP_DP track B
PP_DP track B
PP_DP track A
PP_DP track A
PP_DP track N
PP_DP track N
Force sensor
DP unit control cable
03005289
PP_DP track B
PP_DP track N
PP_DP track N
PP_DP track B
PP_DP track A
5
7
6
4
3
X8
PP_DP track A
PE
2
1
5
7
6
4
3
X8
2
1 PE
00352809
C37
220n
B- (W)
B+ (V)
A- (V)
A+ (U)
X17
1
Key
1
2
WH
GY
X16
5
Key
4
3
6
BN
BU
YE
03014681
DISC-Magnetic-Motor
P310
OUT +
U-Sensor +
OUT -
4
X15
GND
1
3
2
03000100
Force transducer
RI
RI
T1
T2
T2
GND
+5V
T1
6
8
7
5
4
X18
+5V
GND
2
3
1
Encoder
03000046
Pick&Place module
U sensor
Key
+5V
GND
50-pole 50-pole
GND GND
31,35,38 31,35,38
VCC
PP_Z track B
PP_Z track B
+24V
PP_Z track N
PP_Z track N
+15V_PP
PP_Z force DATA
PP_Z force DATA
PP_Z force SCLK
PP_Z force SCLK
-15V
PP_Z force dir
PP_Z force CS
PP_Z force CS
GND
PP_Z force dir
Gantry head distributor, digital
03038002 (ac)
Sheet 2
PP_Z motor W
PP_Z motor V
PP_Z motor U
Key
PE
PE9
VCC19
PP_Z track B
PP_Z track B
PP_Z track N
PP_Z track N
29
30
28
+24V
27
26
25
+15V_PP
PP_Z force SCLK
PP_Z force SCLK
PP_Z force DATA
PP_Z force DATA
-15V22
23
24
20
21
PP_Z force dir14
PP_Z force CS
PP_Z force CS
PP_Z force dir
17
18
15
16
GND
X30cd:4, 5
X30:2, 3
X30cd:6, 7
03004332 - W1
PP_Z motor V
PP_Z motor W
6
7
8
4
5
PP_Z motor U
X31
2
3
1
n.u.
PE
00352833
C600 head main board, P&P head
X30:32
X30:30
See page 5-7
See page 5-8