D系列电路图00194841-02_DC_SIPLACED12_DE+EN.pdf - 第34页
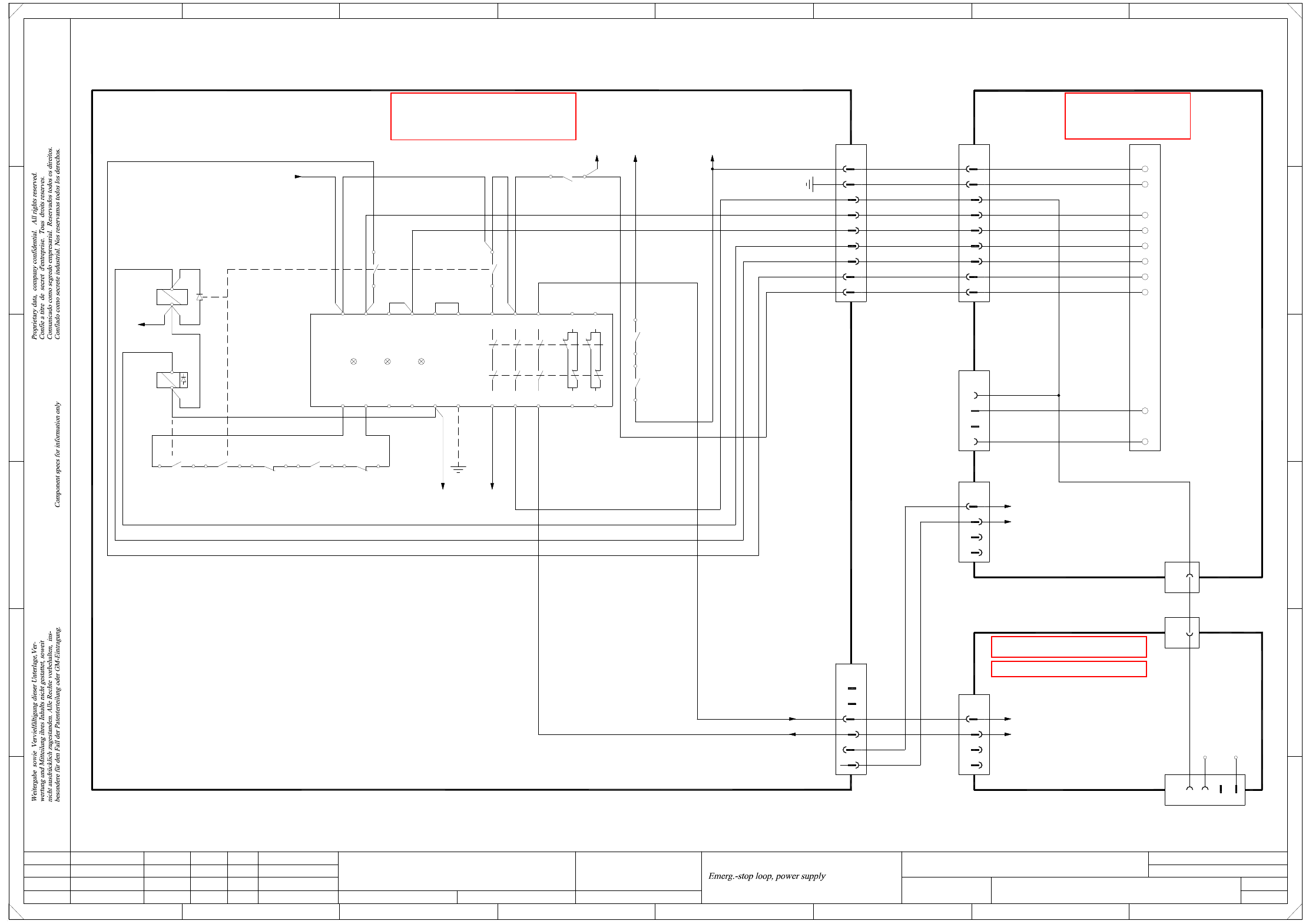
2 - 1 2 Wirkschaltpläne / Det ailed circuit diagrams NH-020 101LD3 NOT-HAL T -Schl eife, Stromversor gung (B l. 1 v . 3) Emergency stop loo p, power su pply (sh. 1 o f 3) = Date Check. Stand. Author Sheet Orig. Repl. f. …
2 - ii
SIPLACE D1/D2 Detailed Circuit Diagrams Folder
Ausgabe 06/2008 DE/EN Edition
ZPP_D1-020101LD3 Z-Achse, P&P-Kopf, Portal 1, SIPLACE D1 (Bl. 2 v. 3)
Z axis, P&P head, gantry 1, SIPLACE D1 (sh. 2 of 3) 24
ZPP_D1-020101LD3 Z-Achse, P&P-Kopf, Portal 1, SIPLACE D1 (Bl. 3 v. 3)
Z axis, P&P head, gantry 1, SIPLACE D1 (sh. 3 of 3) 25
DPPP_D1-020101LD3 DP-Achse, P&P-Kopf, Portal 1, SIPLACE D1 (Bl. 1 v. 3)
DP axis, P&P head, gantry 1, SIPLACE D1 (sh. 1 of 3) 26
DPPP_D1-020101LD3 DP-Achse, P&P-Kopf, Portal 1, SIPLACE D1 (Bl. 2 v. 3)
DP axis, P&P head, gantry 1, SIPLACE D1 (sh. 2 of 3) 27
DPPP_D1-020101LD3 DP-Achse, P&P-Kopf, Portal 1, SIPLACE D1 (Bl. 3 v. 3)
DP axis, P&P head, gantry 1, SIPLACE D1 (sh. 3 of 3) 28
LPT-010201LD3 LP-Einfach/Doppeltransport, Transportsteuerung TSP-201 (Bl. 1 v. 11)
PCB single/dual conveyor, TSP 201 conveyor control (sh. 1 of 11) 29
LPT-010201LD3 LP-Einfach/Doppeltransport, Transportsteuerung TSP-201 (Bl. 2 v. 11)
PCB single/dual conveyor, TSP 201 conveyor control (sh. 2 of 11) 30
LPT-010201LD3 LP-Einfach/Doppeltransport, Umsetzplatine "Transport" (Bl. 3 v. 11)
PCB single/dual conveyor, conversion board "conveyor" (sh. 3 of 11) 31
LPT-010201LD3 LP-Einfach/Doppeltransport, Umsetzplatine "Transport" (Bl. 4 v. 11)
PCB single/dual conveyor, conversion board "conveyor" (sh. 4 of 11) 32
LPT-010201LD3 LP-Einfach/Doppeltransport, Umsetzplatine "Transport" (Bl. 5 v. 11)
PCB single/dual conveyor, conversion board "conveyor" (sh. 5 of 11) 33
LPT-010201LD3 LP-Einfach/Doppeltransport, Umsetzplatine "Transport" (Bl. 6 v. 11)
PCB single/dual conveyor, conversion board "conveyor" (sh. 6 of 11) 34
LPT-010201LD3 LP-Einfach/Doppeltransport, Umsetzplatine "Transportwange A" (Bl. 7 v. 11)
PCB single/dual conveyor, conversion board "conveyor rail A" (sh. 7 of 11) 35
LPT-010201LD3 LP-Einfach/Doppeltransport, Umsetzplatine "Transportwange B" (Bl. 8 v. 11)
PCB single/dual conveyor, conversion board "conveyor rail B" (sh. 8 of 11) 36
LPT-010201LD3 LP-Einfach/Doppeltransport, Umsetzplatine "Transportwange C" (Bl. 9 v. 11)
PCB single/dual conveyor, conversion board "conveyor rail C" (sh. 9 of 11) 37
LPT-010201LD3 LP-Einfach/Doppeltransport, Umsetzplatine "Transportwange D" (Bl. 10 v. 11)
PCB single/dual conveyor, conversion board "conveyor rail D" (sh. 10 of 11) 38
LPT-010201LD3 LP-Einfach/Doppeltransport, Umsetzplatine "Hubtisch",
Spuren 1+2 (Bl. 11 v. 11)
PCB single/dual conveyor, conversion board "lifting table",
tracks 1+2 (sh. 11 of 11) 39
BEW-010101LD3 Schnittstelle, BE-Wagen
Interface, CO trolley 40
GS-010101LD3 Gurtschneidgerät, Stellplatz 2, Hauptverteiler (Bl. 1 v. 2)
Tape cutter, location 2, main distributor (sh. 1 of 2) 41
GS-010101LD3 Gurtschneidgerät, Stellplatz 1, Unterverteiler, Hauptventil (Bl. 2 v. 2)
Tape cutter, location 1, sub- distributor, main valve (sh. 2 of 2) 42
PW-010101LD3 Pipettenwechsler
Nozzle changer 43

2 - 1
2 Wirkschaltpläne / Detailed circuit diagrams
NH-020101LD3 NOT-HALT-Schleife, Stromversorgung (Bl. 1 v. 3)
Emergency stop loop, power supply (sh. 1 of 3)
=
Date
Check.
Stand.
Author
Sheet
Orig. Repl. f. Repl. byNameDateModifiedStatus
Sh.
+
2
F
3
F
8
A
2
D
3
C
B
A
5
B
41
E
5
41
C
D
E
678
76
2.
1.
1.
01.04.08
01.04.08
01.04.08
26.09.2006
Hick
NH-020101LD3
1
3
Hick
Hick
Hick
Function st.
Product st.
Document st.
SIPLACE D1/D2
NOT-HALT-Schleife, Stromversorgung
CAD file : NH-020101LD3_SH01.DWG
Main distributor D1/D2
03050178 (sheet 2)
21b
25c
23c
24c
1d
28d
26c
X400
27d
BK
4
X9af
2
3
1
8
9
X12
6
7
5
4
1
2
3
WH+BN
GNYE
1
3
2
GN+YE
GY
PK
BU
(W1)
(W1)
(W1)
(W1)
(W2)
(W2)
(W1)
(W2)
(W2)
3P40V
RGP
S_Ready
S_ControlOn
Button ON
Axis power ON
Emerg.-stop
Emerg.-stop loop, begin
Pw_TapeCutter
Power supply
03039393
03041504
2
4
6
5
3
X13
1
n.u.
n.u.
1 (W1)
2 (W1)
1(W2)
2(W2)
PCC 34
PCC 33
n.u.
n.u.
n.u.
n.u.
03041505
BK
43
(SZ1)
K1.4
K23.4
2
1
(SZ23)(SZ4)
6
514 13
(Rel1)
K2.4
(SZ2)
2 1
Y33 Y34 Y43 Y44 A2 PE 24 3414 5242
X100 PE
N24V (ICLS.73)
Ctrl_XY (ICLS.72)
Y11A1 Y10 13Y21Y12 Y22 3323 41 51
PCC
3TK2825
Power Channel 1 Channel 2
-K1
43
12
SZ4
43
(SZ2)
4
(SZ2)
3
Rel1
SZ4
A1(+)
A2(-)
A1(+)
A2(-)
Di1
M (A1:M)
F12:2
P24V
43
K23.2
(SZ23)
1P40V
F8:2
BK
GNYE
BK
BK
BK
BK
BK
X6_1
3P40V
(PCB conveyor)
PCC 33
PCC 34
PCC 43
PCC 44
X9bf
1
2
3
4
n.u.
n.u.
X30af_A1 (sheet 3)
X30af_A2 (sheet 3)
SIPLACE D1 only
WPC4_Emergency stop loop
4
3
X11af
1
2
n.u.
WH
PK
BK
X200_8b (+5V)
X200_2c (GND)
Tape cutter
Location 1
X6af
1
1
X6bf
9-pole
9-pole
BK
03040343
Sub-distributor D1, 03048966
Sub-distributor D2, 03040177
Location 2
Tape cutter
Spare
3
4
1
2
X11bf
n.u.
BK
PK
WH
X22bf
2
9
8
7
4
6
5
3
1
S_ControlOn
S_Ready
Axis power ON
Button ON
Emerg.-stop
Emerg.-stop loop, begin
PE
Spare
3c
8c
GND
+5V
SIEMENS AG
Copyright reserved
DT EA
X8:6
K2.2
K2.1
See page 3-20
See page 3-3
See page 3-15
See page 3-11

2 - 2
NH-020101LD3 NOT-HALT-Schleife, Hauptverteiler (Bl. 2 v. 3)
Emergency stop loop, main distributor (sh. 2 of 3)
3
14 22
13 21
GY
BU
BN
R1 1K
PK
YE
WH
GN
YE
GN
03041693
(W1 +W2)
BU+GY 9
W1
PK
YE
7
8
6
BN
GN
YE
4
5
3
Option
BN
WH
W2
03026242
WH+BN+WH
GN
1
2
4
3
2
1
YE
WH
GN
BN
BU
PK
GY
WH+BN
GN+YE
YE
03041515
W2
W1
X86
WH+BN
GN
YE
WH
GN
BN
3
4
2
1
=
Date
Check.
Stand.
Author
Sheet
Orig. Repl. f. Repl. byNameDateModifiedStatus
Sh.
+
2
F
3
F
8
A
2
D
3
C
B
A
5
B
41
E
5
41
X400_12d (+24V)
3BN
GN
X25bf
4
WH
YE
X5bf
2
1
L_End
S_Hood
L_Begin
+24V
1YE
GN
BN
WH
4
3
2
X4bf
+24V
S_Hood
L_Begin
L_End
BK
WH
BK
BK
BK
BK
BK
OG
BK
OG
BK
BK
OG
BK
BK
BK
BK
BK
BK
OG
5
6
X1bf
BK
BK
BK
BK
A6
RD
A3
A5
A4
BK
L_Begin
L_End
12-pole
Location 2
CO trolley
Emerg.-stop (loop begin)
X400_26a
X400_12a (24V)
X3qa_4
CAN bus terminator
03046863
A3 (qa)
X6bf
BK
BK
C
D
E
678
76
26.09.2006
NH-020101LD3
2
3
Function st.
Product st.
Document st.
SIPLACE D1/D2
NOT-HALT-Schleife, Hauptverteiler
CAD file : NH-020101LD3_SH02.DWG
Main distributor D1/D2
03050178 (ba)
R1d
22c
19c
20c
21c
28c
X400
X25b
YE
BN
GN
WH
1
2
CO counter
COM
RST
Start/StopButton,
Emergency-stop, CO counter
Power supply side
4
HS
Stop
3
Start
4
3
4
CO flap 2
EmergStop
3
YE
2
GN
9-pole
03040343
X5qb_7
X5qb_6
A1 (qb)
00355051
CAN I/O module 1
To X6af
D1: 03048966 (af)
Sub-distributor
D2: 03050177 (af)
(Sheet 3)
GY
GN+YE
BU
YE
GN
WH
BN
WH+BN
5
S_StartButton
L_End
S_CO_Begin
9
8
S_CO_Flap
6
7
S_Emerg.-StopButton
L_Begin
2
S_CO_end
S_Hood
4
3
X3bf
1
W2
D2: 03050177 (af)
(Sheet 3)
D1: 03048966 (af)
To X3af
Sub-distributor
PK
S_StopButton
W1
03040342
CAN bus terminator
A3 (qa)
03046863
X3qa_1
CO table
17c
S_StartButton
S_StopButton
S_CO_Flap
S_Emerg.-StopButton
S_Hood
Loop begin, emerg.-stop
Loop begin, S_CO
1.
1.
2.
01.04.08
01.04.08
01.04.08
Hick
Hick
Hick
Hick
Copyright reserved
SIEMENS AG
DT EA
03044618
BN
YE
WH
GN
BN
YE
WH
GN
14 22
Hood 2
13 21
Hood, PCB input
14 22
13 21
00335263
03032515
WH
YE
n.u.
n.u.
GN
BN
1YE
WH
GN
BN
4
6
5
3
2
X8b
03041513
X400_12c (+24V)
X7qb_5
X400_2a (GND)
S_StartButton
L_CO_Counter
GND
S_StopButton
L_End
L_Begin
S_Emerg.-StopButton
BU 9
PK
GY
WH+BN
GN+YE
YE
7
8
6
4
5
3
X10bf
WH+BN
GN
1
2
GN
YE
BN
WH
3
4
2
1
+24V
L_End
S_CO_Flap
+24V
L_Begin
See page 3-19
See page 2-3
See page 2-3
See page 5-11
See page 5-34
See page 5-34