D系列电路图00194841-02_DC_SIPLACED12_DE+EN.pdf - 第180页
7 - 5 0037191 6-020 101FD3 S topper, Lange Leite rplatte, Sensor / Endscha lterkabe l S topper L ong board , sensor / limit swit ch cable 1. 2. Lee Stopper, Lange Leiter platt e Sensor / Endschal terk abel Stopper Long b…

7 - 4
00371907-010201LD3 Verkabelung Stopper, Option Lange Leiterplatte
Wiring, stopper, Long board option
Name
Raabe
Raabe
Raabe
SIEMENS AG
SIPLACE D1/D2
Copyright reserved
Stopper Option lange Leiterplatte
00371907-010201LD3
1 .
1 .
2 .
28.03.03
Document status
Product status
Function status Date
Author
Check.
DT EA
05.09.03
28.03.03
28.03.03
Raabe
Verkabelung /
1
1
X34/35
Conveyor conversion board, track 1
00359425-xx (kt)
X34/2
X34/2
Stopper wiring for placement area 1
X34kt
00372253-xx
Sonar sensor
PCB detection
Limit switch 2
Width adjustment
Teach-In button
Sonar sensor
Limit switch 1
Width adjustment
Cylinder switch
Valve
00371916-xx /w2
00371916-xx /w1
00372261-xx
Conveyor track 1 Conveyor track 2
X34/1
X34/1
00371916-xx /w3
00371916-xx /w4
X34/2
X34/2
00372253-xx
Sonar sensor
PCB detection
Limit switch 2
Width adjustment
Teach-In button
Sonar sensor
Limit switch 1
Width adjustment
Cylinder switch
Valve
00371916-xx /w2
00371916-xx /w1
00372261-xx
X34/1
X34/1
00371916-xx /w3
00371916-xx /w4
X35kt
X34/35
X34ku X35ku
Conveyor conversion board, track 2
00359425-xx (ku)
Status Modified Date Stand. Orig. Repl. f. Repl. by
Sheet
Sh.
Weitergabe sowie Vervielfältigung dieser Unterlage,Ver-
wertung und Mitteilung ihres Inhalts nicht gestattet, soweit
nicht ausdrücklich zugestanden. Zuwiderhandlungen ver-
pflichten zu Schadenersatz. Alle Rechte vorbehalten, ins-
besondere für den Fall der Patenterteilung oder GM-Eintragung
Proprietary date, company confidential. All rights reserved.
Confie a titre de secret d´entreprise. Tous droits reserves.
Comunicado como segredo empresarial. Reservados todos os direilos.
Confiado como secrete industrial. Nos reservamos todos los derechos.

7 - 5
00371916-020101FD3 Stopper, Lange Leiterplatte, Sensor / Endschalterkabel
Stopper Long board, sensor / limit switch cable
1.
2. Lee
Stopper, Lange Leiterplatte
Sensor / Endschalterkabel
Stopper Long board
Sensor / limit switch cable
00371916-020101FE3
2.
1
19.07.2006
Raabe
Raabe
Raabe
02.09.2003
15.10.2002
15.10.2002
SIEMENS AG
Copyright reserved
DT EA
Stat.
Modified Date Name Standard Orig. Repl. f.
Repl. by
Document status
Product status
Function status Date
Author
Checked
Sheet
Sh.
W
e
i
t
e
r
g
a
b
e
s
o
w
i
e
V
e
r
v
i
e
l
f
ä
l
t
i
g
u
n
g
d
i
e
s
e
r
U
n
t
e
r
l
a
g
e
,
V
e
r
-
w
e
r
t
u
n
g
u
n
d
M
i
t
t
e
i
l
u
n
g
i
h
r
e
s
I
n
h
a
l
t
s
n
i
c
h
t
g
e
s
t
a
t
t
e
t
,
s
o
w
e
i
t
n
i
c
h
t
a
u
s
d
r
ü
c
k
l
i
c
h
z
u
g
e
s
t
a
n
d
e
n
.
Z
u
w
i
d
e
r
h
a
n
d
l
u
n
g
e
n
v
e
r
-
p
f
l
i
c
h
t
e
n
z
u
S
c
h
a
d
e
n
e
r
s
a
t
z
.
A
l
l
e
R
e
c
h
t
e
v
o
r
b
e
h
a
l
t
e
n
,
i
n
s
b
e
s
o
n
d
e
r
e
f
ü
r
d
e
n
F
a
l
l
d
e
r
P
a
t
e
n
t
e
r
t
e
i
l
u
n
g
o
d
e
r
G
M
-
E
i
n
t
r
a
g
u
n
g
P
r
o
p
r
i
e
t
a
r
y
d
a
t
e
,
c
o
m
p
a
n
y
c
o
n
f
i
d
e
n
t
i
a
l
.
A
l
l
r
i
g
h
t
s
r
e
s
e
r
v
d
.
C
o
n
f
i
e
a
t
i
t
r
e
d
e
s
e
c
r
e
t
d
´
e
n
t
r
e
p
r
i
s
e
.
T
o
u
s
d
r
o
i
t
s
r
e
s
e
r
v
e
s
.
C
o
m
u
n
i
c
a
d
o
c
o
m
o
s
e
g
r
e
d
o
e
m
p
r
e
s
a
r
i
a
l
.
R
e
s
e
r
v
a
d
o
s
t
o
d
o
s
o
s
d
i
r
e
i
l
o
s
.
C
o
n
f
i
a
d
o
c
o
m
o
s
e
c
r
e
t
e
i
n
d
u
s
t
r
i
a
l
.
N
o
s
r
e
s
e
r
v
a
m
o
s
t
o
d
o
s
l
o
s
d
e
r
e
c
h
o
s
.
A
B
C
D
E
F
1 2 3 4 5 6 7 8
1
2 3 4 5 6 7 8
A
B
C
D
E
F
1
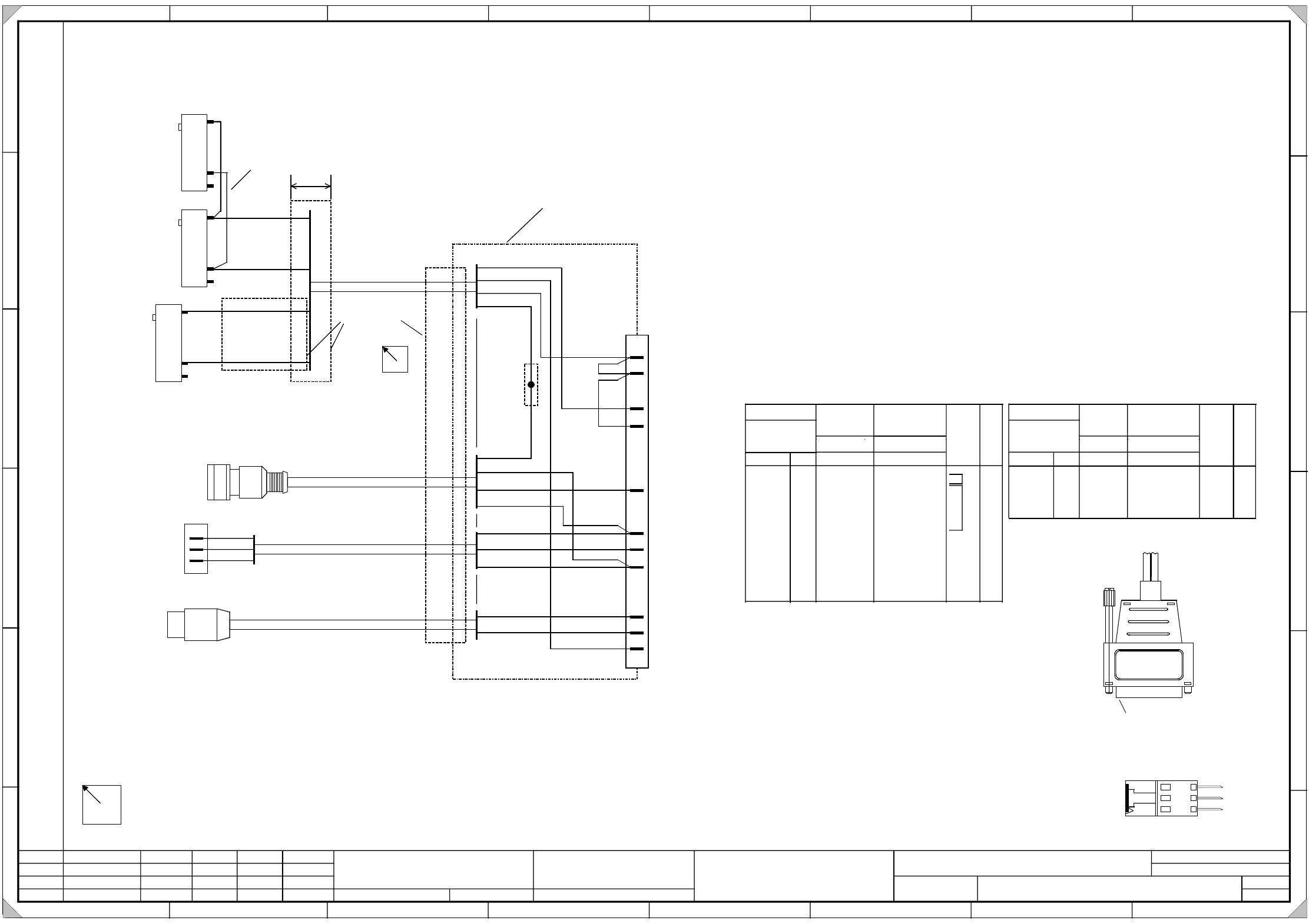
Dimension / Plug designation / Labeling
The arrow always points to the upper left corner of the inscription field.
For details concerning the inscription and design of the labels, please
refer to the current TCOD (Technical Conditions of Orders and Deliveries).
A: Wire end ferrules
C: Crimp contact
C/Bu: Crimp contact, socket
C/ST: Crimp contact, plug
F: Flat pin bushing
L: Soldered joint
KR: Cable lugs (ring-type)
KS: Cable lugs (pin)
KG: Cable lugs (fork-type)
SCH: Screen installation
Plug 1
Plug labeling
X34/1
Pin Key
1
2
3
4
5
6
7
8
9
10
11
12
13
14
Conductor
color
Wire connection
technology
Type
Cross-sect.
Jumper
Key
C/ST 0,25-0,56
C/ST 0,25-0,56
C/ST 0,25-0,56
C/ST 0,25-0,56
C/ST 0,25-0,56
C/ST 0,25-0,56
C/ST 0,25-0,56
C/ST 0,25-0,56
C/ST 0,25-0,56
C/ST 0,25-0,56
C/ST 0,25-0,56
/
/
/
Verdrahtung
1
2
4
1
2
4
Jumper length
40mm.
GN
BN
B
N
G
N
1
2
4
Limit switch
width adjustment
Teach-In,
sonar sensor
Plug 2, sonar sensor
Plug 1
WH
BU
BN
BK
P24
GND
Sensor
Limit switch
WH
YE
Limit switch,
width adjustment
YE
WH
BN
GN
S
t
i
c
k
l
a
b
e
l
o
n
w
1
,
w
2
,
w
3
,
w
4
w1
w2
15
Plug 1
housing
S
o
l
d
e
r
e
d
j
o
i
n
t
,
s
h
r
i
n
k
-
f
i
t
s
l
e
e
v
e
w3
Plug 3, valve
BK/RD
BK
1
2
3
4
5
6
7
8
9
10
Plug 2,
cylinder switch
w4
BN
GN
WH
BN
GN
WH
GND
P24
Key
Key
Cylinder switch
Valve
Shrink-fit sleeve
MTE pin connector
3-pole
Plug 2
1
2
3
w1/BN
/
w2/BN,w4/BN
w2/BK
w4/GN
w1/GN
/
w2/BU,w4/WH
w3/BK
w3/BKRD
w1/YE
/
/
/
Plug 2
Plug labeling
X34/2
Pin Key
1
2
3
Conductor
color
Wire connection
technology
Type
Cross-sect.
Jumper
Key
C/ST AWG 26-22
C/ST AWG 26-22
C/ST AWG 26-22
w4/BN
w4/GN
w4/WH
Wire connection technology:
SUB-D 15-pole
Plug 1
11
GND
1
w1-w4
br
br
Pin 1

SIPLACE
Bestückautomat
SIPLACE D1/D2
Placement System
ab Serien-Nr. C1171
from serial no. C1171
Wirkschaltplanmappe
Detailed Circuit
Diagrams Folder
Ausgabe 06/2008 DE/EN
Edition
Bestell-Nr. / Order no.
00194841-02