D系列电路图00194841-02_DC_SIPLACED12_DE+EN.pdf - 第43页
2 - 10 Y02_D2-020101LD3 Y -Achse, Porta l 2, SIPLACE D2 (Bl. 1 v . 2) Y axis, ga ntry 2, SIPLACE D 2 (sh. 1 o f 2) M 5 3 2 Y axis X11bb 9 1 7 4 8 WHGN RD BK BN GY PK YE GN 8 9 33 32 Track N Track N 33 32 X3bb 03038792 6 …

2 - 9
Y01-020101LD3 Y-Achse, Portal 1, SIPLACE D1, D2 (Bl. 2 v. 2)
Y axis, gantry 1, SIPLACE D1, D2 (sh. 2 of 2)
Z4,8,20; D22
DC/DC converter
(W2)
(W2)
(W2)
03052562
X50sq
D6
GY
WH
YE
2
1
X47sq
3
B/D/Z/32
B/D/Z/30
B/D/Z22
B/D/Z24
B/D/Z26,28
B/D/Z18
B/D/Z20
GND
POWER_FAIL
POWER_FAIL_24VDC
To sheet 1, X02_3sq:2
To sheet 1, X02_3sq:3
To sheet 1, X02_3sq:4
To sheet 1, X02_2sq:B/D/Z26,28
To sheet 1, X02_2sq:B/D/Z30
To sheet 1, X02_2sq:B/D/Z32
Phase_V
Phase_W
Phase_U
Motor_V
Motor_U
Motor_W
PGND
X02_4sq
DBM / 3P / 3-01
Dynamic brake
00353448 (sq)
D6
B8
Z8
D8
Z6
B6
Z2
B2
X1sq
To sheet 1, X02_2sq:D6
Brake_Enable
PGND
3
GY 4.0 mm²2
PA2_CAN_H
POWER_FAIL_24VDC
PA2_CAN_L
6
X30_2sq
1
2
3
4
5
n.u.
n.u.
GND
7
8
9
n.u.
n.u.
Axis unit
03057572
1
2
X61sq
+200V_2
PGND_2
+200V_1
PGDND_1
+200V
+200V
+200V
PGND
To sheet 1
To sheet 1, X02_2sq:B2,4; B/Z6;
B8,10,12,14,16; B/D/Z22,24
X02_2sq:B/D/Z18,20
X60sq
D22,26; Z24
D10; Z12
Z16;D18
D30; Z32
3
BK2
4
1
X44sq
1
2
GY
Load connection
LSZ200/1000
00344207
2
2
4
3
BK
X43sq
1
1
GY
PGND
ModifiedStatus Date
CAD file : Y01-020101LD3_SH02.DWG
Orig./Repl. f./Repl. byStand.Name
Check.
Stromlaufplan/Circuit diagram
Mat. no. :
Author
Date
Sh.
Sh.
SIPLACE D1/D2
2
2
Document st.
Product st.
Function st.
Y01-020101LD3
26.09.2006
1.
2.
1.
01.04.08 Hick
01.04.08
01.04.08
Hick
Hick Hick
Copyright reserved
SIEMENS AG
DT EA
SIPLACE D1, D2
Y-Achse, Portal 1
EMERG._STOP_MAIN_AXIS
03048879 (sq)
Axis unit
Backplane
+15V_SERVO
5V/±15V
PA1_CAN_H
POWER_FAIL_24VDC
PA1_CAN_L
+15V_AXISn.u. 5
4
X30_1sq
1
2
3
n.u.
GND
6
5
7
9
8
n.u.
n.u.
n.u.
Vin(-)
Vin(+)
Vin(+)
Vin(-)
Vin(-)
Vin(+)
GND
-15V_AXIS
Z8; D10; Z16; D18
Z20;D22
(W3)
(W3)
03052562
00353450
n.u.
n.u.
1
2
4
3
X46sq
2
1
D30
Z28
DC/DC converter
±15V
00353449
Z4; D6
X51sq
Z28
D30
D10
Z16;D18
-15V_AXIS
AGND
+15V_AXIS
-15V_SERVO
+5V
POWER_FAIL_AXIS
SERVO_ENABLE
POWER_FAIL_24VDC
Vin(-)Axis
Vin(+)Axis
Power supply
03039393
12 GY
10 1
11 2
X8
6WH
YE9
X42sq
1
2
4
3
1
2
BK
BK
4
4.0 mm²
4.0 mm²
n.u.
5
Key
Ballast resistor
Key
6
03006796
RD 6 2
4
3
1
2
X24
PK
BU
GY
YE
4
5
3
GN
BN
WH
2
1
X23
1
+200V 14
9
+200V
+200V
+200V
1
X41sq
1
2
GY
9 17
611
7
8
15
16
5
4
10
9
4.0 mm²
GNYE
3
2
5
4
X42_1sq
13
1
1
2
4
3
2
X40sq
6.0 mm²
+200V
+200V
GNYE
712
8 13
6
5
8
7
12
4
3
6
2
X41_1sq
1
03052598
14
X15
+200V
17
11
16
15
10
9
X14
0V
Power supply
03039393
5
4
3
X16
+200V
12
13
8
7
1
6
2
GNYE
0V
X14
X15
X16
See page 5-37
See page 4-13
See page 3-3
See page 5-10
See page 5-9
See page 3-3

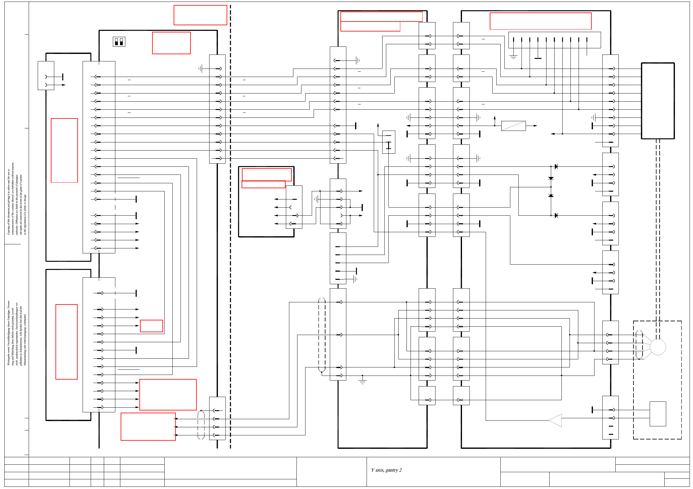
2 - 10
Y02_D2-020101LD3 Y-Achse, Portal 2, SIPLACE D2 (Bl. 1 v. 2)
Y axis, gantry 2, SIPLACE D2 (sh. 1 of 2)
M
5
3
2
Y axis
X11bb
9
1
7
4
8
WHGN
RD
BK
BN
GY
PK
YE
GN
8
9
33
32
Track N
Track N
33
32
X3bb
03038792
6
5
2
3 32
33
33
32
X6ba
Track B32
Track B33
Track A
Track A
33
32
X21ba
10
11
12
GND
5V
24V
14
13
n.u.
YTEMP
OFF
ON
S1
12
JP1
3
2
1
Z_TOP
+24V
W1
GND
X12bb
4
3
2
1
+
_
Key
n.u.
BN
BK
W2
T
+24V
+24V
GND
GND
OG
WH
OG
WH
X200:3d
X200:9d
X200:3c
X200:10d
26-pole
6
12
13
14
10
9
8
3
5
2
Axis unit
03048879 (sq)
Backplane
1,4,7
(S1.2 n.u.)
11
n.u.
03040087
Track A
Track A
Track B
Track B
Track N
Track N
YERROR
ENDY
YTEMP
GND
WH
BN
1
2
3
4
X06_3sq
GN
BN
03038791
X2bb
21-26
15-20
00333148
1
2
GNYE
D2: 03050177 (af)
6
WH
00343442
+5V
+24V
X8bb
5
1
3
29 29
YERROR
SENSORY2
Gantry distributor, gantry 2
03035888 (bb)
X8ba X1bb03038790
3
03038792
1,9-27,34
X6ba
X3bb
4
1
Linear motor, primary part
3 ~
1
2
3
4
+5V
1,4,7
Incremental encoder
Sub-distributor
WH
BN
GN
V3
V1
V4
V2
1
3
2
4
5
8
7
6
10
9
X10bb
Key
10Key
GND
Document st.
Product st.
Function st.
Y02_D2-020101LD3
26.09.2006
34-pole34-pole
Track A
Track A
Track B
Track B
Track N
Track N
4Key
2
Key
34-pole34-pole
+5V
1,27,341,27,34
31 31
GND
X8af
D1: 03048966 (af)
03035887 (ba)
Trailing cable distributor, gantry 2
03040345-W2
29,3029,30
+24V
1,27,341,27,34
X6ba
30
X3bb
30
5
X7bb
1
3
+24V
X11ba
2
X7ba
To sheet 2, X06_4sq:B/D/Z32
To sheet 2, X06_4sq:B/D/Z30
To sheet 2, X06_4sq:B/D/Z26,28
To sheet 2
X06_4sq:Z2
To sheet 2, X44sq:2
X2bbX7ba
03038791
34-pole34-pole
X1bb 34-pole
03038790
34-pole X8ba
34-pole34-pole X7ba X2bb
03038791
28
28
30,31
29
30,31
29
GND
03038792
28
31
28
31
GND
ENDYENDY
DISTY DISTY
YTEMPYTEMP
GND
GND
GND
X31ba
7
5
8
9
1,10
DISTY
GND
10-pole
YERROR
SENSORY2
YERROR
SENSORY2
YERROR
GND
21-26
15-20
1,27,34
9-14
1,27,34
9-14
GND
GND
X4bb
3
4
1
2
3
YTEMP
X9bb
DISTY
+24V
Key
2
5
1
3
6-pole
6-pole
6-pole
PE
Motor_W
Motor_V
Motor_U
n.u.
n.u.
n.u.
14-pole
X06_1sq
-15V
C3
A/C/E15,18,19,22,23
B/D15-17,20,21,24,25
A/D4; B/E1,2,4; C1,6
03040089
Temperature sensor
WH 5
X50ba
4
3
BK
1
2
GND
+24V
P_SMWH
BN
1.
2.
1.
01.04.08
Hick
01.04.08
01.04.08
Hick
Hick Hick
Copyright reserved
SIEMENS AG
DT EA
SIPLACE D2
Y-Achse, Portal 2
ModifiedStatus Date
CAD file : Y02_D2-020101LD3_SH01.DWG
Orig./Repl. f./Repl. byStand.Name
Check.
Stromlaufplan/Circuit diagram
Mat. no. :
Author
Date
Sh.
Sh.
SIPLACE D2
1
2
WH
n.u.
To sheet 2, X06_4sq:B/D/Z18
To sheet 2, X06_4sq:B/D/Z22
To sheet 2, X06_4sq:B/D/Z20
C4
A/D10; B/E8
C14
C13
E13
d13
E11
D12
E12
X22_1sq
D11
X1sb
C10
E9
D9
D2
E7
D7
D1
E10
SENSOR2Y
SENSOR1Y
ENDY
YW
YV
YU
Axis unit
03057572
X06_2sq
B/D/Z/32
B/D/Z30
B/D/Z26,28
D10
B/D/Z18,20
D14
D12
Z12
Z8
D8
d6
Z4
B2,4; B/Z6; B8,10,12,14,16
D4
X1sq
B/D/Z22,24
GND
AGND
+15V
+15V_Servo
+5V
X4sb
A1
A5
AGND
End signal
03036027 (sb)
Axis card A364, gantry 2 Servo amplifier TBS200/15Y1
00344205 (sq)
Track A
Track A
Track B
Track B
Track N
Track N
OPTO_GND
YTEMP
ENDY
YERROR
Servo_Ready
Servo_Enable
UB_Power_OK
Inom_W
Inom_U
PGND_2
-15V_Servo
+15V_Servo
Servo_Ready
AGND
Inom_W
Inom_U
Servo_Enable
Brake_Enable
UB_Power_OK
+200V_2
Phase_V
Phase_U
Phase_W
See page 5-37
See page 5-26
See page 4-14
See page 5-30
See page 5-25
See page 3-11
See page 3-15
See page 4-6

2 - 11
Y02_D2-020101LD3 Y-Achse, Portal 2, SIPLACE D2 (Bl. 2 v. 2)
Y axis, gantry 2, SIPLACE D2 (sh. 2 of 2)
Z4,8,20; D22
DC/DC converter
(W2)
(W2)
(W2)
03052562
X50sq
D6
GY
WH
YE
2
1
X47sq
3
B/D/Z/32
B/D/Z/30
B/D/Z22
B/D/Z24
B/D/Z26,28
B/D/Z18
B/D/Z20
GND
POWER_FAIL
POWER_FAIL_24VDC
To sheet 1, X06_3sq:2
To sheet 1, X06_3sq:3
To sheet 1, X06_3sq:4
To sheet 1, X06_2sq:B/D/Z26,28
To sheet 1, X06_2sq:B/D/Z30
To sheet 1, X06_2sq:B/D/Z32
Phase_V
Phase_W
Phase_U
Motor_V
Motor_U
Motor_W
PGND
X06_4sq
DBM / 3P / 3-01
Dynamic brake
00353448 (sq)
D6
B8
Z8
D8
Z6
B6
Z2
B2
X1sq
To sheet 1, X06_2sq:D6
Brake_Enable
PGND
3
GY 4.0 mm²2
Axis unit
PA2_CAN_H
POWER_FAIL_24VDC
PA2_CAN_L
6
X30_2sq
1
2
3
4
5
n.u.
n.u.
GND
7
8
9
n.u.
n.u.
03057572
1
2
X61sq
+200V_2
PGND_2
+200V_1
PGDND_1
+200V
+200V
+200V
To sheet 1
To sheet 1, X06_2sq:B2,4; B/Z6;
B8,10,12,14,16; B/D/Z22,24
X06_2sq:B/D/Z18,20
PGND
X60sq
D22,26; Z24
D10; Z12
Z16;D18
D30; Z32
3
BK2
4
1
X44sq
1
2
GY
Load connection
LSZ200/1000
00344207
2
2
4
3
BK
X43sq
1
1
GY
PGND
ModifiedStatus Date
CAD file : Y02_D2-020101LD3_SH02.DWG
Orig./Repl. f./Repl. byStand.Name
Check.
Stromlaufplan/Circuit diagram
Mat. no. :
Author
Date
Sh.
Sh.
SIPLACE D2
2
2
X42sq
1
2
4
3
1
2
BK
BK
4
4.0 mm²
4.0 mm²
n.u.
5
Key
Ballast resistor
Key
6
03006796
RD 6 2
4
3
1
2
X24
PK
BU
GY
YE
4
5
3
GN
BN
WH
2
1
X23
1
+200V 14
9
+200V
+200V
+200V
1
X41sq
1
2
GY
9 17
611
7
8
15
16
5
4
10
9
4.0 mm²
GNYE
3
2
5
4
X42_1sq
13
1
1
2
4
3
2
X40sq
6.0 mm²
+200V
+200V
GNYE
712
8 13
6
5
8
7
12
4
3
6
2
X41_1sq
1
03052598
14
X15
+200V
17
11
16
15
10
9
X14
0V
Power supply
03039393
5
4
3
X16
+200V
12
13
8
7
1
6
2
GNYE
0V
X14
X15
X16
Document st.
Product st.
Function st.
Y02_D2-020101LD3
26.09.2006
1.
2.
1.
01.04.08 Hick
01.04.08
01.04.08
Hick
Hick Hick
SIEMENS AG
Copyright reserved
DT EA
SIPLACE D2
Y-Achse, Portal 2
EMERG._STOP_MAIN_AXIS
03048879 (sq)
Axis unit
Backplane
+15V_SERVO
5V/±15V
PA1_CAN_H
POWER_FAIL_24VDC
PA1_CAN_L
+15V_AXISn.u. 5
4
X30_1sq
1
2
3
n.u.
GND
6
5
7
9
8
n.u.
n.u.
n.u.
Vin(-)
Vin(+)
Vin(+)
Vin(-)
Vin(-)
Vin(+)
GND
-15V_AXIS
Z8; D10; Z16; D18
Z20;D22
(W3)
(W3)
03052562
00353450
n.u.
n.u.
1
2
4
3
X46sq
2
1
D30
Z28
DC/DC converter
±15V
00353449
Z4; D6
X51sq
Z28
D30
D10
Z16;D18
-15V_AXIS
AGND
+15V_AXIS
-15V_SERVO
+5V
POWER_FAIL_AXIS
SERVO_ENABLE
POWER_FAIL_24VDC
Vin(-)Axis
Vin(+)Axis
Power supply
03039393
12 GY
10 1
11 2
X8
6WH
YE9
See page 5-37
See page 4-13
See page 3-3
See page 5-10
See page 5-9
See page 3-3