D系列电路图00194841-02_DC_SIPLACED12_DE+EN.pdf - 第74页
2 - 41 GS-010 101LD3 Gurtschne idgerät, Stellplat z 2, Haup tverteiler ( Bl. 1 v . 2) T ap e cutter, location 2, ma in distributor (sh. 1 of 2) Modi fi ed Status Date CAD file : GS -010101LD3_SH01.DWG Orig./Repl. f./Repl…

2 - 40
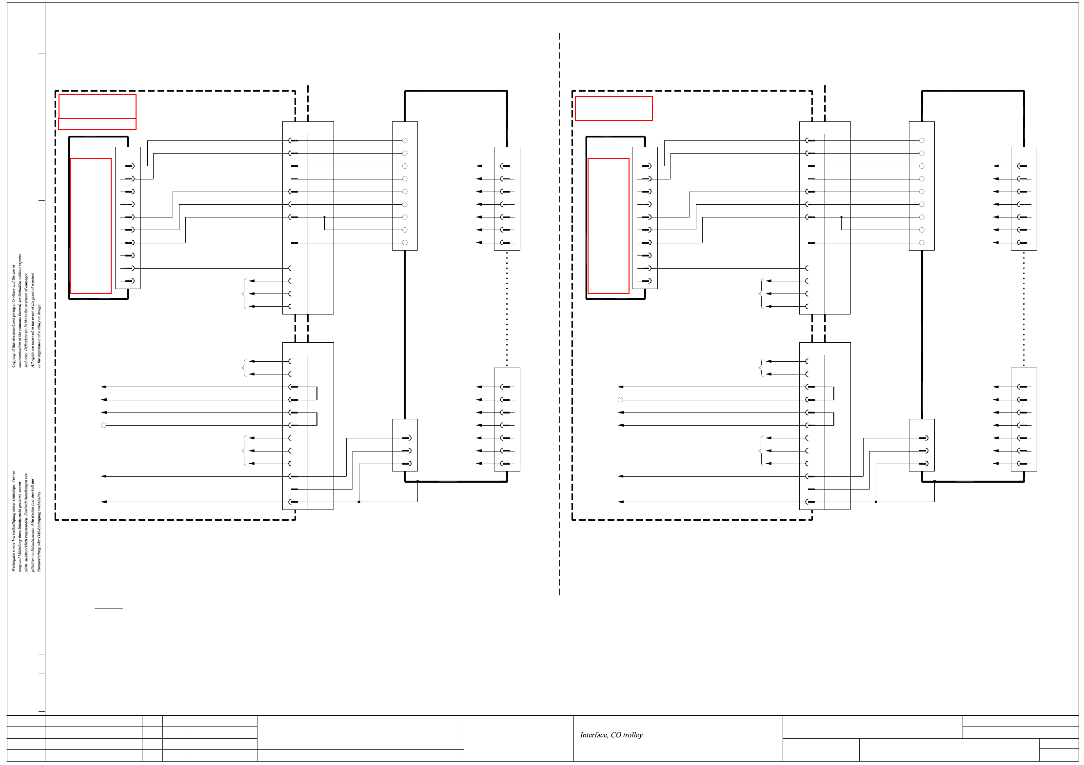
BEW-010101LD3 Schnittstelle, BE-Wagen
Interface, CO trolley
ModifiedStatus Date
CAD file : BEW-010101LD3.DWG
Orig./Repl. f./Repl. byStand.Name
Check.
Stromlaufplan/Circuit diagram
Mat. no. :
Author Hick
Date
Sh.
Sh.
SIPLACE D1/D2
1
1
Document st.
Product st.
Function st.
1. Hick
Hick1.
Hick1.
BEW-010101LD3
26.09.06
26.09.06
26.09.06
26.09.2006
Output 1
Output 2
Input 2
Input 1
Input 1
Input 2
Output 2
Output 1
8
X200_15c
X200_6a
X200_16d
10
X3rb_4
X3af_9
X16af_3
2
Key
03048966 (af) (D1)
X2rb
CAN bus terminator, CO table
A2 03046863 (rb)
1
5
7
6
3
9
4
Sub-distributor
B10
00350061
A6S_End
n.u.
GND
P50V_CO
2A11
A12 3
A10
A9
A8
A7
1
L_End
S_Begin
L_Begin
A4
A5
A3
A2
X1af
A1
B12
B11
4
X13av
CO trolley
Location 1
2
3
1
7
Spare
6
5
X15
2
+30VDC
3
CANH
GND
Address_Bit 1
GND_Address
Address_Bit 0
B8
B9
B6
B7
B3
B4
B5
B2
Interface
X1bf
+30VDC
GND
Spare
Input 1
Input 2
Output 2
Output 1
X13bv
4
CO trolley
Location 2
2
3
1
7
6
5
2
3
X15
1
GND
+30VDC
Spare
Output 1
Output 2
Input 2
Input 1
2
CO trolley
00330037
6
9
3
4
5
1
8
7
6
7
5
4
1
3
2
X1
Communication unit
X15bv
n.u.
n.u.
n.u. n.u.
n.u.
n.u.
GNYEGNYE
CAN bus terminator, CO table
A3 03046863 (qa)
BK
BK
BK
BK
BK
BK
OG
BK
BK
BK
WH
BU
OG
WH
BU
BK
BK
BK
WH
RD
BK
BU
PK
GN
GY
YE
BN
BK
BK
BK
BK
BK
BK
BK
B1
BK
B2
BK
B1
BK
B2
P50V_CO
n.u.
GND
(D1) = SIPLACE D1
(D2) = SIPLACE D2
PLEASE NOTE:
03050177 (af) (D2)
BU
BNSplice detection
03048972
Splice detection
BU
BN
WHBN
03048972
+24V
Splice detection
OG
WHOG
WHGN
03048972
Splice detection
03048972
Splice detection
OG
WHOG
WHGN
03048972
Splice detection
GN
WHBU
03048972
SIEMENS AG
Copyright reserved
DT EA
Schnittstelle, BE-Wagen
GND
1
00337738
WHB1CANL
CO table 1
Address_Bit 1
GND_Address
GND
Address_Bit 0
CANH
B8
B9
B7
B6
RD
BK
BU
PK
B3
B5
B4
B2
GN
GY
YE
BN
Interface
X1af
CO trolley
2
00330037
6
9
3
4
5
1
8
7
+30VDC
6
7
Spare
5
4
GND
1
3
2
X1
Communication unit
X15av 00337738
00350061
B10
8
X400_12a
X400_3a
X400_15a
X3qa_4
X400_26a
X10bf_5
Key
10
2
A6S_End
WHBN
2
A11
A12 3
A9
A10
A7
A8
1
WHBU
GN
L_End
S_Begin
L_Begin
A4
A5
A3
A2
A1
X1bf
B11
B12
03050178 (ba)
1
5
7
6
3
9
4
X2qa
Main distributor
B1CANL
CO table 2
See page 3-11
See page 3-15
See page 3-19
See page 5-34
See page 5-34

2 - 41
GS-010101LD3 Gurtschneidgerät, Stellplatz 2, Hauptverteiler (Bl. 1 v. 2)
Tape cutter, location 2, main distributor (sh. 1 of 2)
ModifiedStatus Date
CAD file : GS-010101LD3_SH01.DWG
Orig./Repl. f./Repl. byStand.Name
Check.
Stromlaufplan/Circuit diagram
Mat. no. :
Author Hick
Date
Sh.
Sh.
SIPLACE D1/D2
1
2
BN
BU
BK Output
-
+
~
~
Sensor, right
Piston extended
RD
BK
00332896
Signal
0V
Extend left piston
Valve
GND
Key
S3
BK6
5
3 BK
+5V
X9bh
2 BN
BK
BU
00332894
Output
-
BN +
Piston retracted
~
~
Sensor, right Sensor, left
Piston extended
5
GND
Key
6
BK BK Output
S2
+5V
3
2
BK
BN
X8bh
BN
BU
00332894
-
+
~
~
BK6GND
Key
S1
+5V
BK3
5
2
X7bh
BN
OutputBK
BU
BN
00332894
-
+
Piston retracted
~
~
Sensor, left
BK2
0V
Valve
5 RD
X6bh
1BK
RD
00334380
2
0V
Valve
Extend right piston
Signal
Power supply
03039393
X12
3
Ctrl_tape_cutter
1(W2)
ADR1_1
CANL
ADR1_0
GND
n.u.
GND
3
X5qe
1
2
5
4
6
GND_ADDR1
n.u.
CANH
8
7
9
CAN interface
03032346
03050165
X6bf
1
9-pole
WH+BN
03040343
To sheet 2
X6af:1
X22bf
3BK
n.u.
4
3
GND
+5V
Ctrl_tape_cutter
X11bf
2
1
03050178 (ba)
Main distributor
WH
PK
BK
X400:3c
X400:8c
GN+YE
03041504
03032383
BK
9-pole
1(W2)
Control signals
Power supply
To X4ah
Tape cutter
03006411 (ah)
Location 1
9-pole
Copyright reserved
SIEMENS AG
DT EA
Gurtschneidgerät, Stellplatz 2, Hauptverteiler
Document st.
Product st.
Function st.
1. Hick
Hick1.
Hick1.
GS-010101LD3
26.09.06
26.09.06
26.09.06
26.09.2006
X10bh
5
6
3
2
BK
BN
BK
Tape cutter
Location 2
03006411 (bh)
X2bh
5
6
3
4
2
1
GND
+5V
+30V switchable
YE
GN
BN
Key
Key
WH
X4bh
5
GND
6
n.u.
n.u.
3
4
2
1
9
7
8
CANH
GND
n.u.
CAN_Reset
CAN_INT
CANL
9-pole
S4
+5V
GND
Key
X5bh
Valve
0V
5
2
RD
BK
1
2
00332894
See page 3-19
See page 3-3
See page 5-23
See page 5-2

2 - 42
GS-010101LD3 Gurtschneidgerät, Stellplatz 1, Unterverteiler, Hauptventil (Bl. 2 v. 2)
Tape cutter, location 1, sub- distributor, main valve (sh. 2 of 2)
Document st.
Product st.
Function st.
1. Hick
Hick1.
Hick1.
GS-010101LD3
26.09.06
26.09.06
26.09.06
26.09.2006
X10ah
5
6
3
2
BK
BN
BK
Tape cutter
Location 1
03006411 (ah)
X2ah
5
6
3
4
2
1
GND
+5V
+30V switchable
YE
GN
BN
Key
Key
WH
S4
+5V
GND
Key
X5ah
Valve
0V
5
2
RD
BK
1
2
00332894
BN
BU
BK Output
-
+
~
~
Sensor, right
Piston extended
RD
BK
00332896
Signal
0V
Extend left piston
Valve
GND
Key
S3
BK6
5
3 BK
+5V
X9ah
2 BN
BK
BU
00332894
Output
-
BN +
Piston retracted
~
~
Sensor, right Sensor, left
Piston extended
5
GND
Key
ADR1_0
5
4
6
n.u.
GND
8
7
9
n.u.
CANH
CO table
03050165
BK
To X4bh
03006411 (bh)
Location 2
Tape cutter
(D1) = SIPLACE D1
(D2) = SIPLACE D2
PLEASE NOTE:
03046863
BN
WH
03049062
2
1
X90
Tape cutter
Main valve
SIEMENS AG
Copyright reserved
DT EA
Gurtschneidgerät, Stellplatz 1, Unterverteiler, Hauptventil
ModifiedStatus Date
CAD file : GS-010101LD3_SH02.DWG
Orig./Repl. f./Repl. byStand.Name
Check.
Stromlaufplan/Circuit diagram
Mat. no. :
Author Hick
Date
Sh.
Sh.
SIPLACE D1/D2
2
2
6
BK BK Output
S2
+5V
3
2
BK
BN
X8ah
BN
BU
00332894
-
+
~
~
BK6GND
Key
S1
+5V
BK3
5
2
X7ah
BN
OutputBK
BU
BN
00332894
-
+
Piston retracted
~
~
Sensor, left
BK2
0V
Valve
5 RD
X6ah
1BK
RD
00334380
2
0V
Valve
Extend right piston
Signal
2
X96
1
X6af
1
9-pole
WH+BN
03040343
To sheet 1
X6bf:1
4
3
X2af
2
1
BK
n.u.
4
3
GND
+5V
Ctrl_tape_cutter
X11af
2
1
03040177 (af) (D2)
Sub-distributor
03048966 (af) (D1)
WH
PK
BK
X200:4b GND
X200:2c
X200:8b
GN+YE
GN+YE
WH+BN
03041507 03041525
9-pole
CANL
CAN_INT
GND
n.u.
n.u.
2
X4ah
1
3
4
5
CAN_Reset
n.u.
CANH
GND
7
6
8
9
CAN bus terminator
ADR1_1 1
X1rb
2
3GND
CANL
GND_ADDR1
See page 3-11
See page 3-15
See page 5-34
See page 5-2