D系列电路图00194841-02_DC_SIPLACED12_DE+EN.pdf - 第68页
2 - 35 LPT-010201LD3 LP-Ein fach/Doppelt ransport, Umsetzpla tine "Transportw ange A" (B l. 7 v . 1 1 ) PCB sing le/dual c onveyor , con version boa rd "conve yor rai l A" (sh. 7 o f 1 1) 5 6 4 3 X9kv…

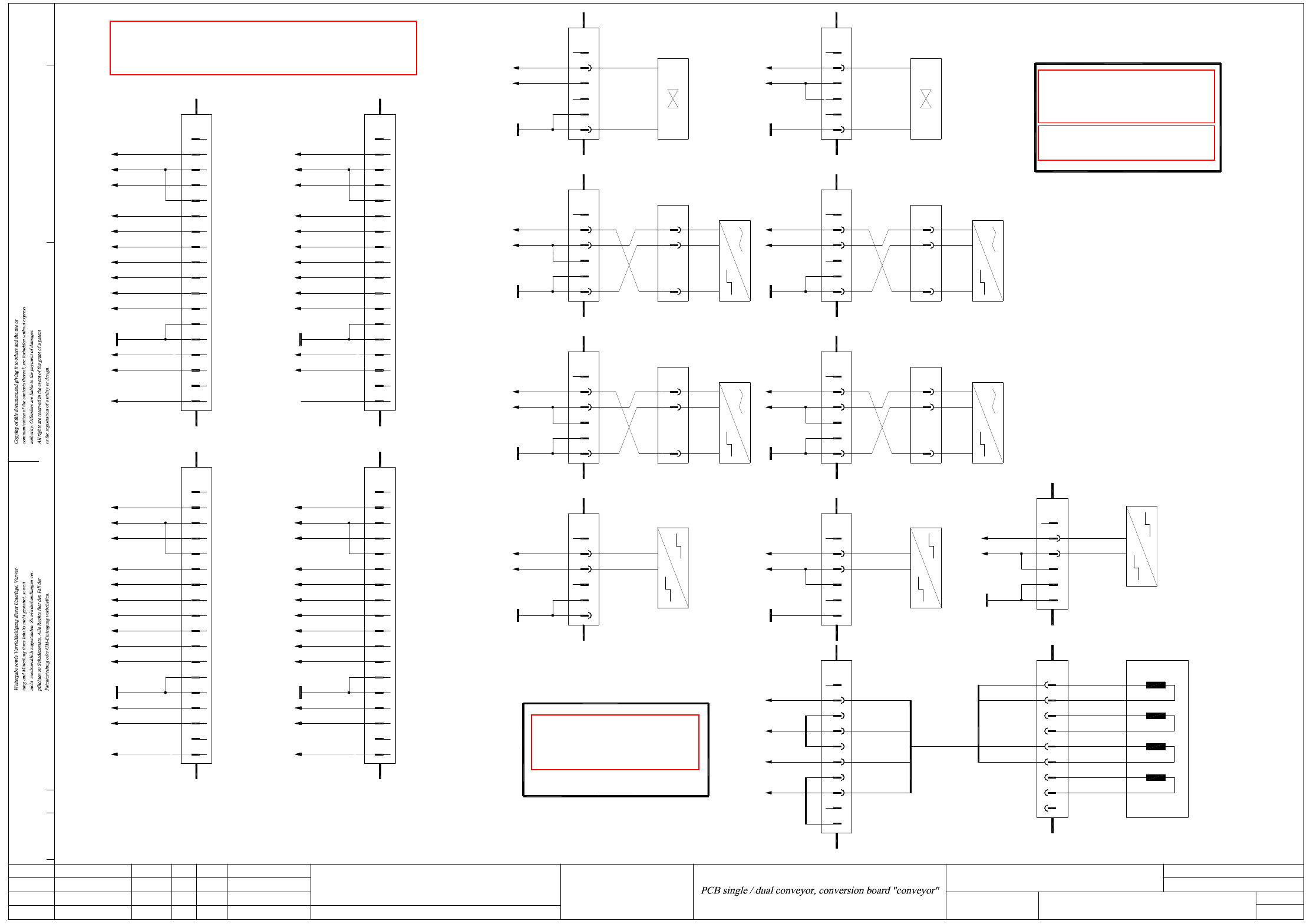
2 - 34
LPT-010201LD3 LP-Einfach/Doppeltransport, Umsetzplatine "Transport" (Bl. 6 v. 11)
PCB single/dual conveyor, conversion board "conveyor" (sh. 6 of 11)
5
14GND
A2.37
A2.36
A2.35
Key
18
17
16
15
A2.34
A2.33
A2.32
A2.29
A2.31
A2.30
A2.28
12
13
11
10
7
9
8
6
Special design/ options
Track 2
A2.27
+24VDC
A2.26
X35kt
Key
4
3
2
1
5
14GND
A2.37
A2.36
A2.35
18
17
Key
16
15
A2.34
A2.33
A2.32
12
13
11
10
A2.29
A2.31
A2.30
A2.28
7
9
8
6
X37kt
A2.27
+24VDC
A2.26
4
3
2
1
Key
X12kt ... X23kt not used
X 25kt ... X27kt not used
WH
BK
5
6
4
3
X41kt
2
1
+24VDC
Key
GND
A1.32
Width adjustment
Adjustment unit 1, valve Adjustment unit 2, valve
Width adjustment
GND 6
5
WH
A1.33
+24VDC
BK
2
Key
3
4
X45kt
1
X46kt
GND 6
5
GND 6
5
Width adjustment
Adjustment unit 1, cylinder switch
X42kt
2
BK
OG
X49kt
7
8
9
10
SM_B-
BN
GN
YE
4
1
3
2
5
6
7
8
9
BN
WH
GN
YE
YE
BU
BN
RD
WH
GN +
-
-
+
+
-
-
+
A
A
B
B
Width adjustment
00360901
Step motor
5
GND 6
X24kt
+24VDC
A1.15
4
3
Key
WH
2
1
BN
4
1
Mounting trough
03039521
Limit switch
Stromlaufplan/Circuit diagram
PLEASE NOTE:
All connections from A1.xx
to connector X52kt see sheet 3
to connector X53kt see sheet 4
All connections from A2.xx
PLEASE NOTE:
All connections from SM_xx
to connector X51kt see sheet 3
SIPLACE D1/D2
Key
X43a
2
1
3
03040795
n.u.
BN
WH
GN
BN
BU
BK
03039353
WH
BN
Key
GN
WH
GN BN
03040795
3
2
BK
BU
X47a
1
BN
03039354
WH
BN
Key
GN
WH
n.u.
GN BN
03040796
3
2
BK
BU
X46b
1
BN
03039352
WH
BN
Key
GN
WH
n.u.
GN BN
03040796
3
2
BK
BU
X42b
1
BN
n.u.
LPT-010201LD3
LP-Einfach/Doppeltransport, Umsetzplatine "Transport"
DT EA
SIEMENS AG
Copyright reserved
LPT-010201LD3_SH06.DWG
HickHick
Hick
Hick
01.04.08
26.09.06
01.04.08
2.
1.
1.
Status
Document st.
Modified
Function st.
Product st.
Date Name Stand.
Check.
Date
Author
26.09.2006
CAD file :
Mat. no. :
Orig./Repl. f./Repl. by
Sh.
Sh.11
6
Conversion board "conveyor"
(kt)00359426
4
6
8
7
5
3
2
X34kt
1
9
10
A2.16
A2.15
A2.14
Key
+24VDC
11
12
13
14
15
16
17
18
GND
A2.17
A2.18
A2.19
A2.20
A2.21
A2.22
A2.23
A2.24
A2.25
Key
Track 1
Special design/ options
A2.22 12
A2.25
18
17
Key
A2.24
A2.23
GND
16
15
14
13
A2.21
A2.20
A2.19
A2.18
11
10
8
9
A2.17
A2.16
+24VDC
A2.15
5
6
7
4
3
Track 1
A2.14
Special design/ options
X36kt
2
1
Key
Track 2
Special design/ options
A1.23
+24VDC 3
4
1
Width adjustment
Adjustment unit 2, cylinder switch
2A1.24
+24VDC 3
4
1
03040327 03040328
X47kt
Width adjustment
Adjustment unit 1, side panel sensor
55
GND
6
03039351
WH
GND 6
X43kt
+24VDC
4
3
A1.13
1
2
BN
Key
GN
+24VDC
4
3
A1.14
1
2
Adjustment unit 2, side panel sensor
Width adjustment
X48kt
GND 6
5
03039519
Key
GND 6
5
Limit switch, right spindle
Width adjustment
X44kt
2A1.21
+24VDC
3
4
1
BN
WH
Limit switch, left spindle
2A1.22
+24VDC 3
4
1
Width adjustment
03039520
BN
WH
Key
1
4 4
1
03041835
4
SM_B+
5
6
SM_A-
SM_A+
3
2
WH
X40kt
1
See page 5-15
See page 2-31
See page 2-31
See page 2-32

2 - 35
LPT-010201LD3 LP-Einfach/Doppeltransport, Umsetzplatine "Transportwange A" (Bl. 7 v. 11)
PCB single/dual conveyor, conversion board "conveyor rail A" (sh. 7 of 11)
5
6
4
3
X9kv
1
2
Key
BU
6
5
4
3
EA0 2
2
Light barrier
03039271
Receiver, output belt
X8kv
1
6
5
3
4
Light barrier
Receiver, placement area
X7kv
1
6
5
3
4
Light barrier
Receiver, input belt
X6kv
1
+24VDC
BN
GND
GND
EA1
+24VDC
GND
EA2
+24VDC
GND
EA3
+24VDC
GND
EA4
+24VDC
EA7
GND
+24VDC
EA9
GND
+24VDC
EA8
GND
+24VDC
EA5
EA6
GND
+24VDC
GND
+24VDC
BN
2
5
6
4
3
Not used
1
2
X15kv
5
6
4
3
Not used
1
2
X14kv
Key
WH
Cable belt motor
Input belt
03039311
22
31
34
33
32
29
30
28
27
24
26
25
23
3
17
21
20
19
18
15
16
14
13
8
10
12
11
9
7
6
5
4
X16kv
1
2
Placement area
4
Key
WH
6
5
Cable belt motor
BN
3
2
X2kv
1
03039312
M
Output belt
4
Key
WH
6
5
Cable belt motor
BN
3
2
X3kv
1
03039313
M
4
MOT4- 6
5
MOT4+
3
2
X4kv
1
4
MOT5- 6
5
MOT5+
3
2
X5kv
1
2
BK
5
6
4
3
X10kv
1
2
Stromlaufplan/Circuit diagram
SIPLACE D1/D2
6
5
4
3
GN
2
2
Limit switch, width adjustment
03039009
1
X13kv
6
5
3
4
1
X12kv
WH
BN
6
5
3
4
Receiver module, placement area
03039272
Light barrier
Key
1
X11kv
4
1
Not used
Not usedNot used
Not used
Not used
MOT_OB1-
MOT_OB1+
MOT_PA1-
MOT_PA1+
MOT_IB1+
MOT_IB1-
MOT_IB1-
MOT_PA1+
MOT_PA1-
MOT_OB1+
MOT_OB1-
MOT_IB1+
03039270
BU
BN
Key
BK
BU
n.u.
BK BN
3
2
BK
BU
X7.1
1
BN
03039269
BU
BN
Key
BK
BU
n.u.
BK BN
3
2
BK
BU
X6.1
1
BN
n.u.
n.u.
LPT-010201LD3
LP-Einfach/Doppeltransport, Umsetzplatine "Transportwange A"
DT EA
SIEMENS AG
Copyright reserved
LPT-010201LD3_SH07.DWG
HickHick
Hick
Hick
01.04.08
26.09.06
01.04.08
2.
1.
1.
Status
Document st.
Modified
Function st.
Product st.
Date Name Stand.
Check.
Date
Author
26.09.2006
CAD file :
Mat. no. :
Orig./Repl. f./Repl. by
Sh.
Sh.11
7
Conversion board "conveyor rail"
Side panel A
WH
BN
5
6
4
3
X1kv
2
1
Key
MOT5-
MOT5+
MOT4-
MOT4+
(Sheet 3)
"Conveyor"
Conversion board
To connector X54kt
03039314
(kv) 00359424
GND
EA0
EA2
EA4
EA6
EA8
EA1
EA3
EA5
EA7
EA9
+24VDC
00359426
M
See page 5-14
See page 2-31

2 - 36
LPT-010201LD3 LP-Einfach/Doppeltransport, Umsetzplatine "Transportwange B" (Bl. 8 v. 11)
PCB single/dual conveyor, conversion board "conveyor rail B" (sh. 8 of 11)
4
1
GND 6
1
+24VDC
EA1
5
4
2
3
X9kw
Key
03039287
Transmitter module, placement area
Light barrier
WH
BN
Not used
Not used Not used
BU
BN
Not used
Not used
Not used
X7.1
BN
3
1
Not used
n.u.
2
BU
n.u.
BU
BN
3
2
X6.1
1
n.u.
LP-Einfach/Doppeltransport, Umsetzplatine "Transportwange B"
LPT-010201LD3
DT EA
SIEMENS AG
Copyright reserved
LPT-010201LD3_SH08.DWG
HickHick
Hick
Hick
01.04.08
26.09.06
01.04.08
2.
1.
1.
Stromlaufplan/Circuit diagram
SIPLACE D1/D2
24
26
25
23
3
17
21
20
19
18
15
16
14
13
8
10
12
11
9
7
6
5
4
X16kw
1
2
Not used
4
MOT2- 6
5
MOT2+
3
2
X2kw
1
Not used
4
MOT3-
6
5
MOT3+
3
2
X3kw
1
Not used
4
MOT4- 6
5
MOT4+
3
2
X4kw
1
4
MOT5- 6
5
MOT5+
3
2
X5kw
1
2
5
6
4
3
X10kw
1
2
Light barrier
03039285
Transmitter, output belt
6
5
4
3
EA0 2
2
BN
X8kw
1
Status
Document st.
Modified
Function st.
Product st.
Date Name Stand.
Check.
Date
Author
26.09.2006
CAD file :
Mat. no. :
Orig./Repl. f./Repl. by
Sh.
Sh.11
8
Conversion board "conveyor rail"
Side panel B
5
6
4
3
X1kw
2
1
MOT1-
MOT1+
(Sheet 3)
"Conveyor"
Conversion board
To connector X55kt
03039315
(kw) 00359424
GND
EA0
EA2
EA4
EA6
EA8
EA1
EA3
EA5
EA7
EA9
+24VDC
00359425
22
31
34
33
32
29
30
28
27
6
5
3
4
Light barrier
03039284
Key
Transmitter, placement area
X7kw
1
Key
BU
6
5
3
4
Light barrier
03039283
Transmitter, input belt
X6kw
1
BN
+24VDC
BU
GND
GND
EA1
+24VDC
GND
EA2
+24VDC
GND
EA4
+24VDC
EA7
GND
+24VDC
EA9
GND
+24VDC
EA8
GND
+24VDC
EA5
EA6
GND
+24VDC
GND
+24VDC
BN
2
5
6
4
3
1
2
X15kw
5
6
4
3
Key
1
2
X14kw
Key
WH
6
5
4
3
2
2
Limit switch, width adjustment
03039009
1
X13kw
6
5
3
4
1
X12kw
6
5
3
4
1
X11kw
See page 5-14
See page 2-31