D系列电路图00194841-02_DC_SIPLACED12_DE+EN.pdf - 第87页
3 - 9 0304028 4-010201 LD3 Kabel zum Unter verteiler (Bl. 3 v . 4) Cabl e to s ub-di str ibut or ( sh. 3 o f 4) 030402 84-0102 01LD 3 4 14.10.2005 Tu . Siemens AG Copyr ight r eserv ed SIPLAC E D1/D 2 Repl. by . Repl. f.…

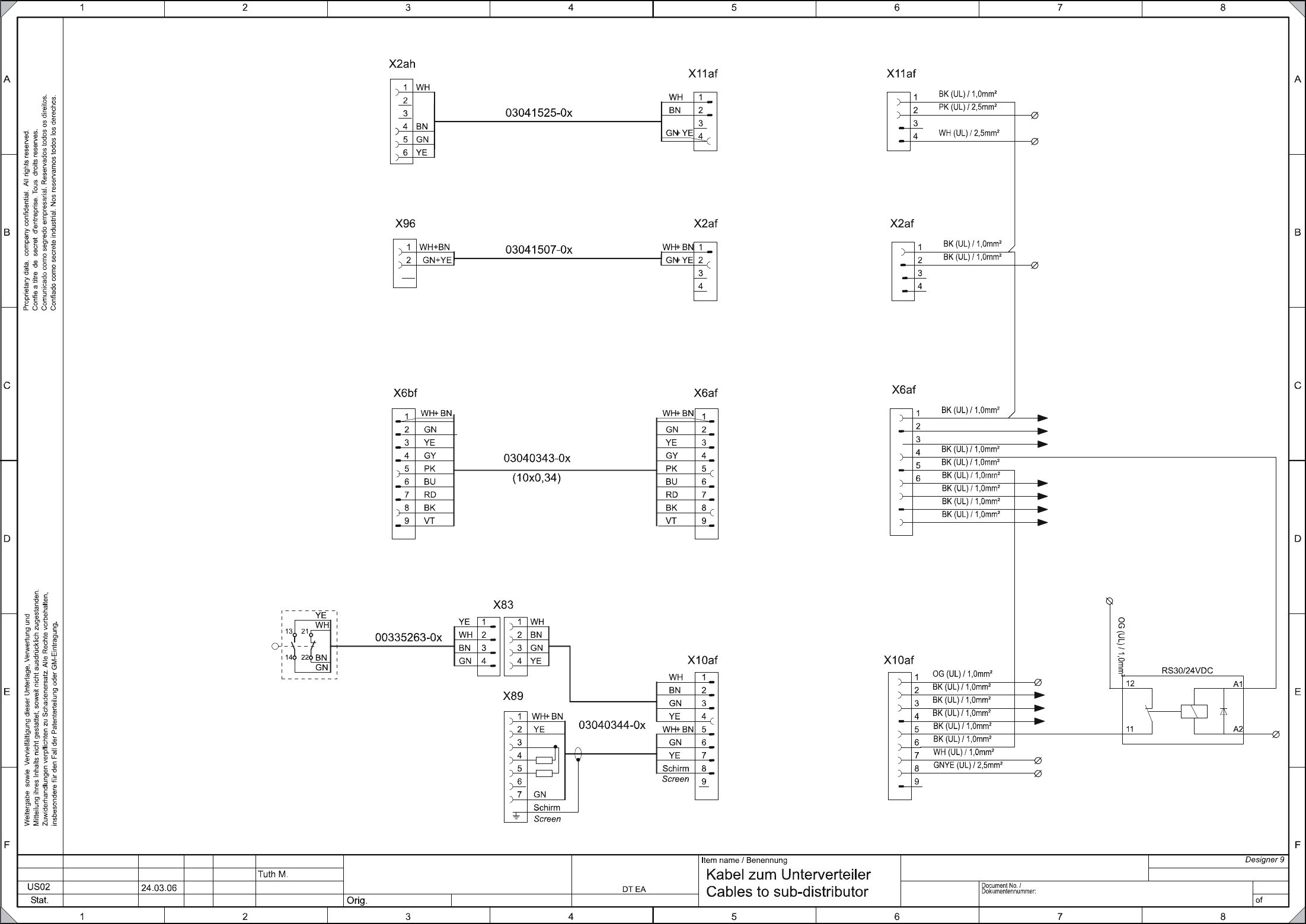
3 - 8
03040284-010201LD3 Kabel zum Unterverteiler (Bl. 2 v. 4)
Cable to sub-distributor (sh. 2 of 4)
03040284-010201LD3
4
14.10.2005
Tu.
Siemens AG
Copyright reserved
SIPLACE D1/D2
Repl. by.Repl. f.
Date
Author
Checked
StandardNameModification
Date
Sheet
2
K1
X
2
0
0
_
6
c
_
(
G
N
D
)
X
2
0
0
_
3
b
(
G
N
D
)
X
2
0
0
_
1
5
b
(
+
2
4
V
)
Pneumatic system
Pneumatik
M_Drucksensor
Druckluft Aus
GND
St_Gurts.
Empty tape cutter
main valve
Gurtschneider
Hauptventil
GND
X
2
0
0
_
4
b
(
G
N
D
)
St_Gurts.
+5V
GND
infeed
empty tape cutter 2
Speisung
Gurtschneider 2
Res.
X
2
0
0
_
8
b
(
+
5
V
)
X
2
0
0
_
2
c
(
G
N
D
)
Signals
Main-distributor
Signale
Hauptverteiler
St_Gurts.
M_Drucksensor
Druckluft Aus
+24V
S_Anfang
Hood
PCP Output
Haube
LP-Ausgabe
PE
Res.
X
2
0
0
_
1
b
(
P
E
)
X
2
0
0
_
1
2
b
2
4
V
X
2
5
a
f
_
3
X
1
6
a
f
_
2
Res.
Stoerlampe1
Stoerlampe2
GrueneLampe2
GrueneLampe1
X
1
2
a
f
_
1
X
1
2
a
f
_
2
X
1
2
a
f
_
3
X
1
2
a
f
_
4
S_Ende
M_Haube
X
5
a
f
_
4
Res.
(4x0,34)
(4x0,34)
(4x0.34)
Ctrl_TapeCutter
+5V
GND
GND
Spare
Spare
Ctrl_TapeCutter
GND
Ctrl_TapeCutter
S_PressureSensor
CompressedAirOff
FaultIndLamp1
FaultIndLamp2
GreenFaultIndLamp2
GreenFaultIndLamp1
X
2
0
a
f
_
4
WPCReady_S
WPCEmerg.Stop_S
WPC-Bereit_M
WPC-Not-Halt_M
X
3
0
a
f
_
A
7
X
3
r
e
_
1
(4x0,34)W2
(4x0,34)W1
St_Gurts.
+5V
GND
GND
Res.
Res.
St_Gurts.
GND
St_Gurts.
M_Drucksensor
Druckluft Aus
Stoerlampe 1
Stoerlampe 2
Gruene Lampe 2
Gruene Lampe 1
WPC-Bereit_M
WPC-Not-Halt_M
S_Press.Sensor
Compr.AirOff
GND
+24V
L_Begin
PE
Spare
L_End
S_Hood
Ctrl_TapeCutter
S_Press.Sensor
Compr.AirOff
FaultIndLamp1
FaultIndLamp2
GreenFaultIndLamp2
GreenFaultIndLamp1
WPCReady_S
WPCEm.Stop_S
Ctrl_TapeCutter
GND
Ctrl_TapeCutter
+5V
GND
Spare
Spare
Spare

3 - 9
03040284-010201LD3 Kabel zum Unterverteiler (Bl. 3 v. 4)
Cable to sub-distributor (sh. 3 of 4)
03040284-010201LD3
4
14.10.2005
Tu.
Siemens AG
Copyright reserved
SIPLACE D1/D2
Repl. by.Repl. f.
Date
Author
Checked
StandardNameModification
Date
Sheet
3
Unregulated
DC voltages
power supply
ungeregelte
DC-Spannungen
Stromversorger
X
2
0
0
_
1
7
a
(
P
4
8
V
)
X
2
0
0
_
1
6
a
(
P
5
0
V
_
B
E
)
PPC
periphery
power supply
SSK
Peripherie
Stromversorger
X
2
0
0
_
4
a
(
G
N
D
)
X
2
0
0
_
5
a
(
G
N
D
)
Fan 1-2 (gantry arm)
Luefter 1-2 (Portaltraeger)
X
2
0
0
_
1
2
a
(
+
2
4
V
)
X
2
0
0
_
2
b
(
G
N
D
)
Regulated
DC voltages
power supply
geregelte
DC-Spannungen
Stromversorger
X
2
0
0
_
9
a
(
+
2
4
V
)
X
2
0
0
_
8
a
(
+
5
V
)
X
2
0
0
_
6
b
(
G
N
D
)
X
2
0
0
_
2
a
(
G
N
D
)
infeed
gantry distributer
Speisung
Schlepp Verteiler
X
2
0
0
_
9
d
(
+
2
4
V
)
X
2
0
0
_
3
c
(
G
N
D
)
X
2
0
0
_
1
a
(
P
E
)
X
2
0
0
_
3
a
(
G
N
D
)
Main fault indicator
Hauptstoerleuchte
X
6
a
f
_
6
X
6
a
f
_
7
X
6
a
f
_
8
X
6
a
f
_
9
X
3
0
a
f
_
A
1
X
3
0
a
f
_
A
2
(nur für D2 notwendig)
(required for D2 only)
W1
W2
X7bf
zum Hauptverteiler
(4x0,34)W2
(5x2,5)
(2x0,75)
(2x1,5)
W1
X9bf
zum Hauptverteiler
N50V_BE
P50V_BE
N48V
P48V
Res.
Res.
+24V
GND
+24V
SSK/PCC
SSK/PCC
SSK/PCC
SSK/PCC
N5V
P5V
P5V
N5V
N24V
N24V
P24V
P24V
PE
X
2
0
0
_
1
0
d
(
+
2
4
V
)
X
2
0
0
_
3
d
(
G
N
D
)
+24V
GND
+24V
(2x0,75)
X1me
W1
W2
(2x1,5)W2
N50V_BE
P50V_BE
N48V
P48V
SSK
SSK
Res.
Res.
+24V
GND
Res.
Res.
P24V
N24V
N5V
P5V
Res.
+24V
GND
PE
GND
Stoerlampe1
Stoerlampe2
GrueneLampe2
GrueneLampe1
+24V
GND
(3x0,34)W2
(3x0,34)W1
(4x0,34)W1
Steckerbelegung: siehe Blatt 2 beiden Kabeln zum Hauptverteiler
For the connector pin assignment see sheet 2 of the cables to main distributor
N50V_CO
P50V_CO
N48V
P48V
PCC
PCC
Spare
Spare
+24V
GND
Spare
Spare
P24V
N24V
N5V
P5V
Spare
PE
GND
FaultIndLamp1
FaultIndLamp2
GreenFaultIndLamp2
GreenFaultIndLamp1
(
P
5
0
V
_
C
O
)
N50V_CO
P50V_CO
N48V
P48V
Spare
Spare
1. Kreis
1 circuit
st
2. Kreis
2 circuit
nd
To main distributor

3 - 10
03040284-010201LD3 Kabel zum Unterverteiler (Bl. 4 v. 4)
Cable to sub-distributor (sh. 4 of 4)
03040284-010201LD3
4
14.10.2005
Tu.
Siemens AG
Copyright reserved
SIPLACE D1/D2
Repl. by.Repl. f.
Date
Author
Checked
StandardNameModification
Date
Sheet
4
Vision IC Kamera
res
GND
+24V
+24V
PE
X
2
0
0
_
5
b
(
G
N
D
)
X
2
0
0
_
1
3
a
(
+
2
4
V
)
GND
+42V
res
X
2
0
0
_
2
d
(
G
N
D
)
Vision IC Kamera
res
GND
+24V
GND
+42V
res
X
2
0
0
_
4
d
(
G
N
D
)
X
2
0
0
_
1
3
b
(
+
2
4
V
)
X
2
0
0
_
4
c
(
G
N
D
)
X
2
0
0
_
5
c
(
G
N
D
)
X
2
0
0
_
1
4
b
(
+
2
4
V
)
Koplan Modul
St_Gurts.
res
A
1
_
X
2
r
c
_
8
A
1
_
X
2
r
c
_
9
(4x0,75)
(4x0,75)
(4x0,75)
X
6
a
f
_
1
(
2
4
V
g
e
s
c
h
a
l
t
e
t
/
)
s
w
i
t
c
h
e
d
X
2
0
0
_
1
c
(
P
E
)
res
GND
Spare
GND
+24V
+24V
PE
GND
+42V
Spare
Spare
GND
+24V
GND
+42V
Spare
Ctrl_TapeCutter
Spare
Spare
GND