IPC-7351B CN_edit.pdf - 第105页
2 0 1 0 年 6 月 I P C - 7 3 5 1 B C N 附 录 A ( 资 料 性 ) 测 试 模 型 - 工 艺 评 估 以 下 的 测 试 模 型 已 经 有 相 应 的 标 准 ,用 于 对 标 准 印 制 板 材 料 的 评 估 , 包 括 各 种 不 同 的 标 准 部 件 。 这 些 连 接 盘 图 形 代 表 了 来 自 I P C - S M - 7 8 2 连 接 盘 图 形 原 始 标 准 中 的 连…

IPC-7351B CN
2010年 6 月
片式阵列
藤
1
m
IPC-7351b-16-01-cn
图 1 6 - 1 常用封装的元器件0 角度
封装
元器件示例
0角度
92

2010 年 6 月 IPC-7351BCN
附 录 A
( 资料性)
测试模型-工艺评估
以下的测试模型已经有相应的标准,用于对标准印制板材料的评估,包括各种不同的标准部件。这些连
接盘图形代表了来自IPC -S M -782连接盘图形原始标准中的连接盘图形设计。
测试样品包括导体和镀铜孔以及以菊花链形式连接的部件。菊花链的一端连接到公共地,另一端则连接
到连接盘图形上,然后再连接到镀铜孔,镀铜孔可以焊接导线用于测试目的。
图 A -1和 图 A - 2 中的电路包括了很多以下所列的元器件:
A . 1 测 试 试 样 另一个测试样品用于测试印制电路板结构,旨在提供主要用于安装无引线芯片载体的P
& I 结构。这个测试板在表面贴装连接盘图形底片中有描述。测 试 板 是 1 2 层的多层板,有 3 8 个位置可以
用来安装无芯片芯片载体类型表贴封装,从而评估印制电路板和材料。按照这个底片制作的测试板可能
含有金属芯或者可以控制封装与互连结构热膨胀系数的其他层结构。
以下是可用作抑制芯的材料类型的一些示例:
a ) 无 机 材 料 (铝 )
b ) 瓷化覆箔铁镍合金材料
c ) 键合在低膨胀支持结构上的印制板(金属或非金属)
d) 挠性层结构
e ) 金属芯印制板
图 A - 1 工艺测试连接图形和互连的通用描述
93

IPC-7351B CN
2010 年 6 月
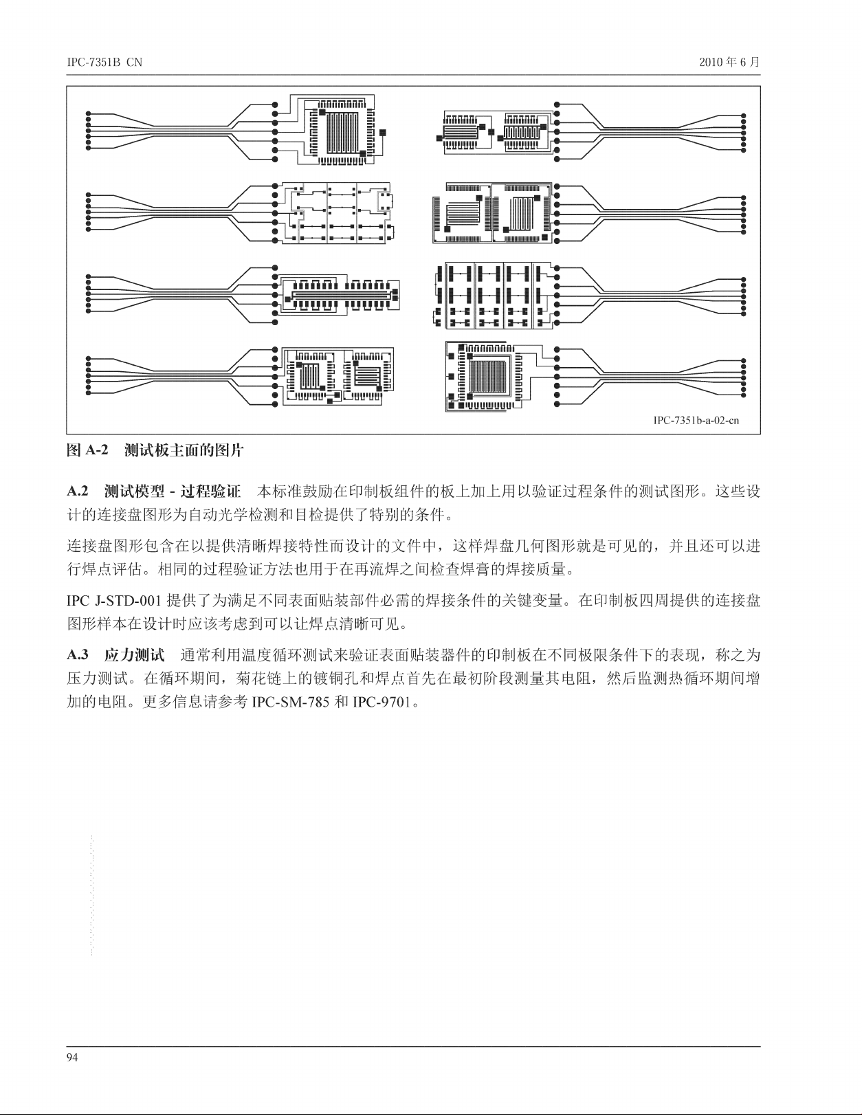
I.PC-7351b-a-02-cii
園 A - 2 测试板主面的图片
A . 2 测 试 模 型 - 过 程 验 证 本 标 准 鼓 励 在 印 制 板 组 件 的 板 上 加 上 用 以 验 证 过 程 条 件 的 测 试 图 形 。这些设
计的连接盘图 形为自动 光学检测 和目检提 供了特别的条件。
连 接 盘 图 形 包 含 在 以 提 供 清 晰 焊 接 特 性 而 设 计 的 文 件 中 ,这样焊 盘 几 何 图 形 就 是 可 见 的 ,并且还可以进
行焊点评估 。相同的过程验证方法 也用于在再流焊之间检查焊膏的焊接质量。
IPC J-STD -001提供了 为 满足不同表面贴装 部 件 必 需 的 焊 接 条 件 的 关 键 变 量 。在印制板四周提供的连接盘
图形样本在设计时应该考虑到可以让焊点清晰可见。
A . 3 应 力 测 试 通 常 利 用 温 度 循 环 测 试 来 验 证 表 面 贴 装 器 件 的 印 制 板 在 不 同 极 限 条 件 下 的 表 现 ,称之为
压 力 测 试 。在 循 环 期 间 ,菊 花 链 上 的 镀 铜 孔 和 焊 点 首 先 在 最 初 阶 段 测 量 其 电 阻,然后 监测热循环 期间增
加 的 电 阻 。更多 信 息 请 参 考 IPC-S M -785和 IPC-9701。
I_ IUI
WH1IUU
/ 2||LlnninnG
S l l . f “
\ : j
一
i n n n n n Q iI
i j ii i i i i ii i * 赢
H H H
H
a—■
a—■
a
H
a—■
Iflflflflflfll
圖I
r fl l i
酬 u_
94