KE-2050_KE-2050R_KE-2055R_KE-2060_KE-2060R-Rev14-.pdf - 第103页
- - REF.NO N OTE PA RT NO D E S C R I P T I O N Qty 1 400-01304 HM S S U PP ORT 1 2 SL -6 04 0 8 92- T N BOLT 2 3 400-01298 HM S B ASE 1 4 SL -6 04 0 8 92- T N BOLT 2 5 SM -6 03 20 0 2-T N SCREW M 3X 0 .5 L =20 2 6 HX-…

- -
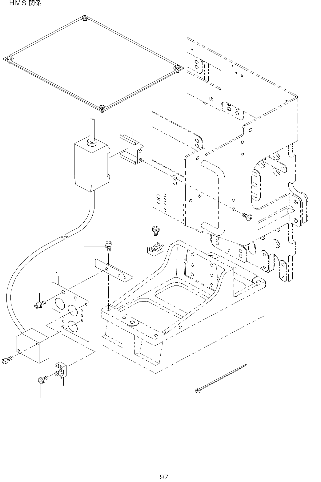
49.HMS COMPONENTS
1
2
4
5
6
7
6
7
8
9
3 1 3
1 0
1 1
1 2

- -
REF.NO NOTE PART NO D E S C R I P T I O N Qty
1 400-01304 HMS SUPPORT 1
2 SL-6040892-TN BOLT 2
3 400-01298 HMS BASE 1
4 SL-6040892-TN BOLT 2
5 SM-6032002-TN SCREW M3X0.5 L=20 2
6 HX-0029400-00 FIXED BASE 2
7 SL-4030691-SC SCREW M3X6 2
8 EA-9500B01-00 CABLE BAND 7
9 400-02185 HIGHT SENSOR CABLE ASM 1
10 400-01722 HMS BASE AMP 1
11 SM-3040652-TN SCREW M4 L=6 2
12 400-01980 HMS5 PCB ASM 1
13
#01
400-16068 HMS BASE EC 1

- -
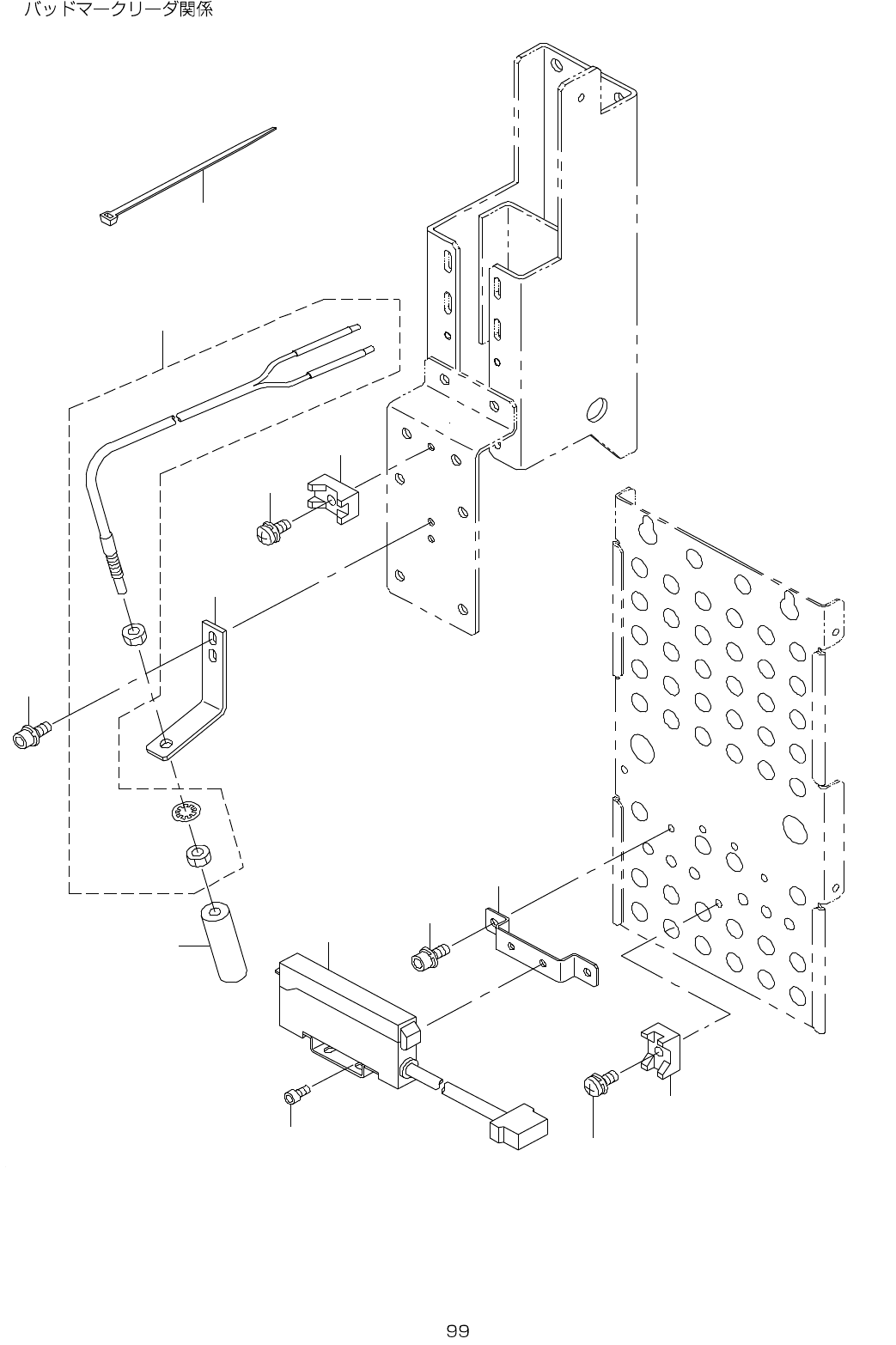
50.BAD MARK READER COMPONENTS
1
2
5
8
7
7
8
6
9
1 1
4
1 0
3