KE-2050_KE-2050R_KE-2055R_KE-2060_KE-2060R-Rev14-.pdf - 第157页
- - RE F .N O NO T E P ART NO D E S C R I P T I O N Q t y 1 #01 40 0- 0 218 5 H IGH T SE NS O R C AB L E AS M 1 2 E 9 63 8-72 9- 000 F I BER LEN S 1 3 HD -0 01 310 0 -3 0 FI BE R U NI T 1 4 4 00- 0 226 7 B A D M AR K S…

- -
76.SYSTEM DIAGRAM (9)(FOR KE-2060,2060R)
1 - 3 C
1 - 3 C
C N 7C N 4
8 - 3 A
I P - X 3
P C B
C N 4 7 8
C N 4
C N 3
O C C 1 ( R )
O C C 2 ( R )
O C C A ( )
O C C V ( )
O C C A ( )
O C C 2 ( L )
O C C C A M E R A ( R )
O C C ( R )
C N 6
O C C ( L )
O C C C A M E R A ( L )
O C C 1 ( L )
C N 4 7 9
L I G H T C T L
P C B
8 - 1 A
C N 1 C N 2
C N 5C N 1
O C C
P C B
X Y C A B L E
B E A R H E A D
O C C V ( )
C N 8
C N 3
( C N 2 )
C N 6
Z 5
C N 1
P C B
( C N 3 )
C N 7
Z 5
( C N 5 )
C N 9
V
( C N 4 )
C N 8
D Z 5
Z 5 - C N1
( C N 2 )
C N 6
C N 1
Z 3 4 - C N 1
( C N 3 )
C N 7
( C N 5 )
C N 9
V
( C N 4 )
C N 8
D
C N 2
( C N 6 )
C N 3
( C N 7 )
C N 5
( C N 9 )
C N 4
( C N 8 )
D
V
Z 4
Z 4
Z 4
Z 4
Z 3
Z 3
Z 3
Z 3
C N 4
V
D Z 2
C N 4
( C N 8 )
C N 5
( C N 9 )
Z 2
C N 3
( C N 7 )
Z 2
Z 2
C N 2
( C N 6 )
Z 1D
( C N 4 )
C N 8
V
( C N 5 )
C N 9
Z 1
( C N 3 )
C N 7
Z 1 2 - C N 1
O P T I O N ( )
O P T I O N ( )
C T R L - P W R
P C B
C N 8 5 2
3 - 3 D
1 0 - 4 A
5 - 3 C
3 - 3 C
H E I G H T
S E N S O R
P C B
A M P
H E I G H T
S E N S O R
A M P
B A D M A R K
S E N S O R
H E A D M A I N
P C B
C N 5 8 C N 5
C N 2 C N 1
Z 1
Z 1
( C N 2 )
C N 6
C N 2 4 6
C N 9
X , Y C A B L E B E A R
C N 1 0
C N 1 1
1
3
4
2
6
5
7 8
9 1 0
1 1 1 2 1 3 1 1 1 2 1 3
1 6
1 8 1 2 1 3 1 8 1 31 2 1 9 2 0 2 1 2 3 2 6
6
2 7 1 5
2 4 2 4
2 4 2 4
2 4
1 7
2 5
1 4
Z 5
H E A D
S E N S O R
P C B
H E A D
S E N S O R
P C B

- -
REF.NO NOTE PART NO D E S C R I P T I O N Qty
1
#01
400-02185 HIGHT SENSOR C ABLE ASM 1
2 E9638-72 9-000 FIBER LEN S 1
3 HD -0013100-30 FIBER UNIT 1
4 400-02267 BAD MAR K SENSOR ASM 1
5 400-02092 H EAD PWR CABLE ASM. 1
6 400-02234 XY BEAR HEAD CABLES ASM. 1
7 400-02181 Z12 SENSOR RELAY CABLE ASM. 1
8 400-02182 Z34 SENSOR RELAY CABLE ASM. 1
9 400-02183 Z5 SENSOR RELAY CABLE ASM. 1
10 400- 02188 OC C R ELAY POWER CABLE ASM. 1
11 400- 02222 Z12 SENSOR CABLE ASM. 1
12 400- 02186 Z VACUU M CABLE ASM. 1
13 400- 02187 Z BLOW CABLE ASM. 1
14 400- 02226 Z5 SENSOR RELAY CABLE ASM. 1
15 400- 02151 OC C C AMER A CABLE ASM. 1
16 400- 02189 Z5 VACUUM CABLE ASM. 1
17 400- 02190 Z5 BLOW CA BLE AS M. 1
18 400- 02224 Z34 SENSOR CABLE ASM. 1
19 400- 02155 OC C C AMER A(L )CABLE ASM. 1
20 400- 02156 OC C C AMER A(R )CA BLE ASM. 1
21 400- 02153 OC C L IGHT(L)CAB LE ASM. 1
22
#03
400-62792 OC C L IGHT(L) 1 ASM 1
23
#03
400-62793 OC C L IGHT(L) 2 ASM 1
24 400- 01266 E JECTOR 60 1
25
#02
400-02185 HIGHT SENSOR C ABLE ASM 1
26 400- 02154 OC C L IGHT(R)CABLE ASM . 1
27 400- 02140 OC C L IGHT CABLE ASM. 1

- -
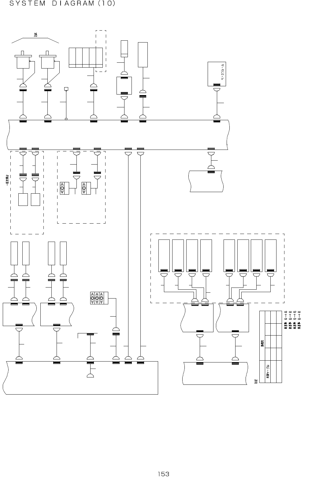
77.SYSTEM DIAGRAM (10)
3 - 2 D
1 - 3 C
O P T I O N ( F E E D E R P O S I T I O N I N D I C A T E R )
O P T I O N ( N O N - S T O P O P . )
N O N - S T O P
S I G N A L
L I G H T ( R )
C N 6 2 4M P T L _ R
CN 2 4
C N 2 3
C N 6 2 3
C N 2 6
C N 6 2 6
L S 3 - 3
C N 3
L S 3 - 1
C N 1
O P T I O N ( )
1
1
C N 1
( E N )
O U T M O T O R
C N 6 0 3 C N 6 7 2
C N 3
( C N 3 9 )
C N 6 2 5M P T L _ F
N O N - S T O P
S I G N A L
L I G H T ( F )
C N 6 2 7
C N 2 7
T H E R M A L
S E N S O R
P C B
( )
6 - 2 A
2 - 4 C
C N 6 6 9
C N 3 8C N 3 8
A T C
S H A P E Y
S H A P E X
S T O P P E R
C N 6 3 0
C N 3 0
C N 6 2 8
C N 2 8
CN 4 9 2
C N 4 9 1
C A L S . V
C A L P C B
C N 2
C A R R Y P C B .
N O . 2 2
N O . 2 0
C N 6 7 1
C N 6 7 0
R R :
R L :
F R :
F L :
C N 3C N 3
C N 2C N 2
C N 3 9C N 3 9
R RR LF RF L
C N 6 1 2
C N 1 2
S . V .
C N 6 0 2
C N 2
( C N 3 8 )
TB
I N M O T O R
C N 5 2 C N 3 7
C N 6 3 7
C N 4 3 5
C N 4 3 6
B A N K U P
S E N S O R ( R )
B A N K U P
S E N S O R ( F )
C N 6 4 2
C N 6 4 3
C N 4 2
C N 4 3
CN 2 5
B U - L O C K
4 - 1 B
7 - 1 A
C T R L P W R
C O N N E C T O R
P A N E L
F G - T A P
F R O N T
F P I - L E D
P C B ( R 3 - 2 )
C N 1
C N 5 4 1
C N 5 5 1
C N 1
F P I - L E D
P C B ( R 3 - 1 )
C N 5 6 1
C N 5 7 1
F P I - L E D
P C B ( R 2 - 1 )
C N 1
C N 1
F P I - L E D
P C B ( R 2 - 2 )
F P I - L E D
P C B ( F 2 - 1 )
C N 1
C N 1
F P I - L E D
P C B ( F 2 - 2 )
C N 5 7 1
C N 5 6 1
F P I - L E D
P C B ( F 1 - 2 )
C N 1
C N 5 5 1
C N 5 4 1
C N 1
F P I - L E D
P C B ( F 1 - 1 )
7 - 1 A
C N 2
C N 1
B A N K / F P I
- F P C B .
C N 2
C N 6 2 1 FL S 4 - 2
5 - 2 A
C N 3
C N 3
5 - 2 B
C N 6 2 1 R
B A N K / F P I
- R P C B .
C N 1
C N 2
C N 1
L S 4 - 1
C N 5 0 2
C N 5 0 3
C N 5 0 3
C N 5 0 2
I / O C T R L
P C B
L S 3 - 4 R
C N 4 R
C N 6
F E E D E R ( R L )
C N 1
B A N K / F P I
- R P C B .
C N 5 0 1 R
C N 5 0 6 R
BK - R L
5 - 2 C
C N 7
C N 5 0 7 R
BK - R R
F E E D E R ( R R )
F E E D E R ( F R )
BK - F R
C N 5 0 7 F
C N 7
L S 3 - 6
5 - 2 C
L S 3 - 4 F
BK - F L
C N 5 0 6 F
C N 5 0 1 F
C N 4 F
B A S E - F E E D E R
P C B
S I G N A L L I G H T
C N 4 8 3
C N 2
C N 6
M T C I / F
( L )
C O V E R
C N 1 1
L S 3 - 2
B A N K / F P I
- F P C B .
C N 1
F E E D E R ( F L )
C N 6
C A L V A C U U M
S E N S O R
1
2 3
74 6
5
8 1 0 1 19
1 2
1 3 1 5
1 4
1 6
1 7 1 9
1 8
3 1
3 2
2 0 2 2 2 4 2 5
2 1 2 3
2 6
2 7
2 8
2 9
3 0
3 3 3 4
3 5 3 63 5
3 6
3 63 63 5 3 5
3 7