KE-2050_KE-2050R_KE-2055R_KE-2060_KE-2060R-Rev14-.pdf - 第161页
- - REF.NO N OTE PA RT NO D E S C R I P T I O N Qty 1 400-02078 CRY SAFE C ABL E AS M. 1 2 400-02202 SAF ETY CABLE ASM . 1 3 E9 3 78 -7 2 9-0 A 0 SMEMA C A BLE (L) ASM. 1 4 400-02334 SM EM A C A BLE (R) ASM 1 5 400-020…

- -
78.SYSTEM DIAGRAM (11)
C N 5
3 - 2 C
C N 1
Z 4 - C N 1L S 1 - 5
Z E X T P C B
2 1 - 2 A
2 0 5 1
S Y N Q N E T
R E L A Y P C B
C N 3
L S 1 - 6 X Y - C N 1
C N 1
2 - 2 D
1
C O V E R
C N 0 3
L S 1 - 2
C N 2
S M E M A ( R )
C N 1
L S 1 - 1
7 - 1 A
C N 4
C N 7 0 4L S 1 - 3
C N 3
O P E R A T I O N P C B .
C N 1 1
C N 6 1 1
S A F E T Y P C B
1 - 3 C
C N 4
L S 1 - 4
C N 0 2
S M E M A ( L )
C O V E R
C N 6 2 2
C N 2 2
C N 6 2 1
C N 2 1
C N 1
C N 4 0 1
5 - 4 D
C A R R Y P C B .
C N 2 0
C N 4 2 0 R C N 4 3 4
F E E D E R D E T E C T S E N S O R
C N 1 9
C N 4 1 9 R C N 4 3 3
F E E D E R F L O A T S E N S O R ( R R )
C N 1 8
C N 4 1 8 R C N 4 3 2
F E E D E R F L O A T S E N S O R ( F F )
C N 4 1 5 R C N 4 3 1
C N 1 5
F E E D E R F L O A T S E N S O R ( R F )
C N 1 4
C N 4 3 0C N 4 1 4 R
F E E D E R F L O A T S E N S O R ( F R )
F E E D E R D E T E C T S E N S O R
C N 4 1 3 R C N 4 2 9
C N 1 3
C N 0 8C N 4 1 2 R
C N 1 2
S E N S O R
C N 4 0 9 R C N 4 4 5
C N 9
A W C O R G S E N S O R
A T C C L O S E S E N N S O R ( L )
C N 4 0 3 R
C N 3
C N 4 0 2 R
C N 2
A T C O P E N S E N N S O R ( L )
C A R R Y
P C B ( R )
B A C K U P P I N S E N S O R
C N 4 2 0 L C N 4 4 3
O P T I O N
( )
C N 2 0
C N 1 9
C N 4 2 8C N 4 1 9 L
F E E D E R F L O A T S E N S O R ( R F )
C N 4 1 8 C N 4 2 7
F E E D E R F L O A T S E N S O R ( F R )
C N 1 8
C N 4 4 0C N 4 1 7 L
C N 1 7
C N 4 1 6 L C N 4 4 1
C . O U T S E N S O R ( L )
C N 1 6
C N 4 2 6C N 4 1 5 L
F E E D E R F L O A T S E N S O R ( R R )
C N 1 5
F E E D E R F L O A T S E N S O R ( F F )
C N 4 1 4 L C N 4 2 5
C N 1 4
C N 4 0 9 L
C N 9
B U O R G S E N S O R
O P T I O N
( )
C N 4 4 4C N 4 0 8 L
C N 8
B A C K U P P I N S E N S O R
C N 4 4 2C N 4 0 7 L
C N 7
T P I N S E N S O R ( L )
E N
C N 4 4 6C N 4 0 5 L
C N 5
B U L O C K S E N S O R
C N 4 0 4 L C N 4 3 9
C N 4
W A I T S E N S O R
C N 4 3 8C N 4 0 3 L
C N 3
O U T S E N S O R
C N 4 0 2 L
C N 2
C A R R Y
P C B ( L )
I N S E N S O R
C N 4 3 7
C N 1
C N 4 2 1
S T O P S E N S O R ( L )
1 2 3 4 5 6
7 8
1 0
9
1 2
1 1
1 4
1 3
1 6
1 5
1 8
1 7 1 9
2 0 2 1
2 2
2 3
2 4
2 5
2 6
2 7
2 8
2 9
3 0
3 1
3 2
3 3
3 4
3 5
3 6 3 7
3 9
3 8 4 0
4 1
4 2
4 3
4 4
4 5
4 6
4 7
4 8
4 9
5 0
5 1
5 2
5 3
C N 4 0 9 L
5 4
N O T E 2
F L O A T S E N S O R i s a s e t o f E m i t t e r a n d R e c e i v e r .
S u f f i x _ 1 : E m i t t e r
S u f f i x _ 2 : R e c e i v e r
N O T E 2
N O T E 2
N O T E 2
N O T E 2
N O T E 2
N O T E 2
N O T E 2
N O T E 2
N O T E 2
N O T E 2
N O T E 1
C A B L E C O N N E C T I O N P O I N T
C A R R Y D I R E C T I O N L R
E 9 3 7 8 : C N 1
2 3 3 4 : C N 2
C A R R Y D I R E C T I O N R L
E 9 3 7 8 : C N 2
2 3 3 4 : C N 1

- -
REF.NO NOTE PART NO D E S C R I P T I O N Qty
1 400-02078 CRY SAFE CABLE ASM. 1
2 400-02202 SAFETY CABLE ASM. 1
3 E9378-729-0A0 SMEMA CABLE (L) ASM. 1
4 400-02334 SMEMA CABLE (R) ASM 1
5 400-02077 SAFETY LMT CABLE ASM. 1
6 400-02071 SAFETY ALM CABLE ASM. 1
7 400-02073 CRY SENSOR(R)CABLE ASM. 1
8 400-02074 CRY SENSOR(L)CABLE ASM. 1
9 400-02209 IN SENS CABLE ASM. 1
10 400-02208 IN_SENS_ASM 1
11 400-02211 OUT SENS CABLE ASM. 1
12 400-02210 OUT SENS ASM. 1
13 400-02213 WAIT SENS CABLE ASM. 1
14 400-02212 WAIT SENS ASM 1
15 400-02242 BU LOCK CABLE ASM 1
16 400-02241 BU LOCK SENS ASM. 1
17 400-02123 T.PIN CABLE ASM. 1
18 400-02122 T.PIN SENS ASM. 1
19 400-02240 BU PIN RCV CABLE ASM. 1
20 400-02239 BU PIN RECEIVE SENS ASM 1
21 400-02124 BU ORG SENS ASM. 1
22 400-02158 FD FLOAT(FF)RCV CABLE ASM. 1
23 401-53653 FD-FLOAT(FF) SENS SET ASM 1
24 400-02164 FD FLOAT(RR)RCV CABLE ASM. 1
25 401-53656 FD-FLOAT(RR) SENS SET ASM 1
26 400-02236 C.OUT SENS CABLE ASM. 1
27 400-02235 C.OUT SENS ASM. 1
28 400-02215 STOP SENS CABLE ASM. 1
29 400-02214 STOP SENS ASM. 1
30 400-02159 FD FLOAT(FR)CABLE ASM. 1
31 401-53654 FD-FLOAT(FR) SENS SET ASM 1
32 400-02161 FD FLOAT(RF)CABLE ASM. 1
33 401-53655 FD-FLOAT(RF) SENS SET ASM 1
34 400-02238 BU PIN CABLE ASM. 1
35 400-02237 BU PIN SENS ASM 1
36 400-02128 ATC OPEN SENS ASM 1
37 400-02127 ATC CLOSE SENS ASM 1
38 400-02121 AWC ORG CABLE ASM. 1
39 400-02120 AWC ORG SENS ASM 1
40 400-02178 AIR PRESSRE CABLE ASM. 1
41 400-02333 AIR PRESSURE METER ASM. 1
42 400-02166 FD SENS RCV CABLE ASM 1
43 401-53657 FD SENS SET ASM 1
44 400-02160 FD FLOAT(FR)RCV CABLE ASM. 1
45 401-53654 FD-FLOAT(FR) SENS SET ASM 1
46 400-02162 FD FLOAT(RF)RCV CABLE ASM. 1
47 401-53655 FD-FLOAT(RF) SENS SET ASM 1
48 400-02157 FD FLOAT(FF)CABLE ASM. 1
49 401-53653 FD-FLOAT(FF) SENS SET ASM 1
50 400-02163 FD FLOAT(RR)CABLE ASM. 1
51 401-53656 FD-FLOAT(RR) SENS SET ASM 1
52 400-02165 FD SENS CABLE ASM. 1
53 401-53657 FD SENS SET ASM 1
54 400-02345 BU ORG RLY CABLE ASM 1

- -
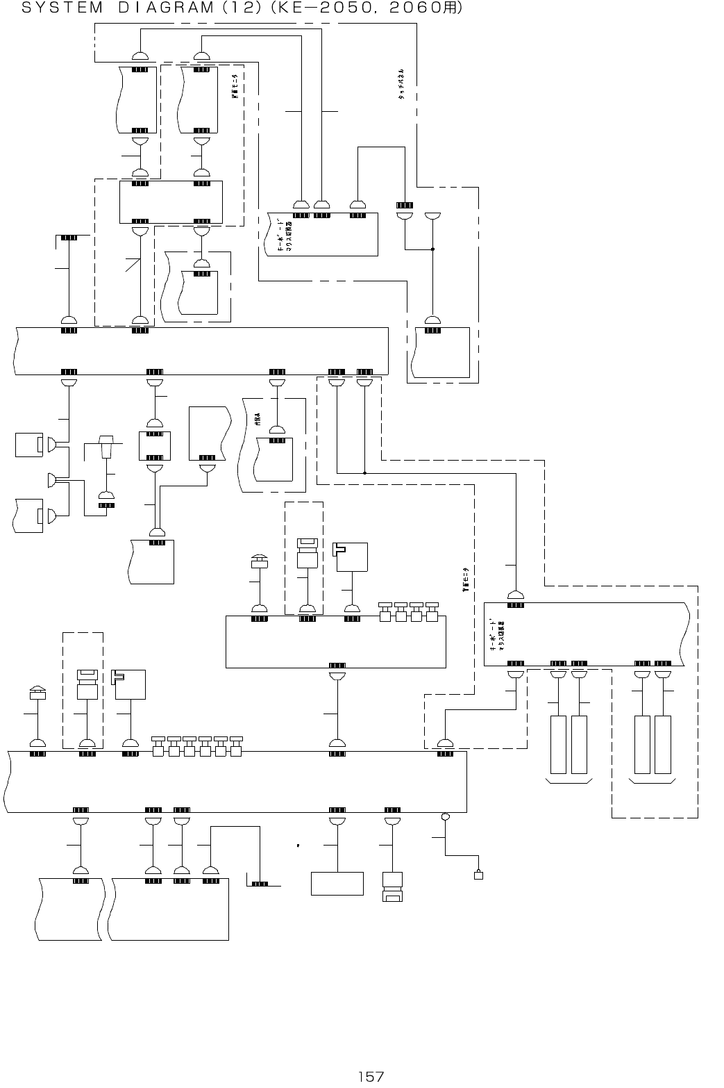
79.SYSTEM DIAGRAM (12)(FOR KE-2050,2060)
1 - 2 B
O P T I O N ( )
O P T I O N ( )
C H 2
C H 1
R S - P C
7 - 2 D
R S 2 3 2 C
E X T E N T I O N
P C B
1 - 3 C
7 - 4 B
R S 1
R S 2 3 2 C
R S 2 3 2 C
R S 2
R E A R L C D
V I D E O
1 - 5 B
O U T 2
7 - 3 B
V I D E O
F R O N T L C D
1 - 3 C
O U T 1
P A N E L - L I N K
D I S T R I B U T O R
P A N E L
L I N K
I N
M O U S E
K B
C N 7 2 0
C N 2 0
E X K B / M S P C
O P T I O N ( )
K B 2
K E Y B O A R D
( R E A R )
T R A C K B A L L
M S 2
M S 1
T R A C K B A L L
( F R O N T )
K E Y B O A R D
K B 1
D C 1 2 V
7 - 5 A
F R O N T L C D
F D D P W R
F D D
F D D
F D D I / F
C D R O M
H D D
C O P Y
H D D
C O V E R
P R I N T E R
C N 1 3
L P T
C P U
H D D I / F
C O M 1
P O W E R U N I T
1 - 1 C
R S - 2 3 2 C
( 2 / 3 )
U P S
C N 0 5 5
C T R L
- P W R
P C B
C O V E R
H A R D D I S K
A C C E S S L A M P
7 - 1 A
C N 2
C N 6
C N 7
F E E D E R
S W ( R )
C O V E R
O P E N
S W ( R )
E M G S W _ R R
C N 7 4 2
C N 7 4 6
N O N S T O P O P E R A T I O N
O P E R A T I O N
P C B .
C N 7 4 1
C N 1C N 3
C N 7 0 3
C N 7
N O N S T O P O P E R A T I O N
C N 7 1 9
C N 1 9
C N 7 1 8
C N 1 8
H O D
B O X
C N 0 2
C N 7 1 1
C N 1 1C N 5 4
C N 1 2
M T C I / F ( R )
C O V E R
L S 4 - 1
C N 1
L S 4 - 2
C N 1
C N 7 0 1
C N 4
F G - T A P
F R O N T
O P E - E 1
K E Y
C H A N G E
S W
S T A R T S W
S T O P S W
S E R V O F R E E S W
C Y C L E S W
C T R L - P W R
C O N N E C T O R
P A N E L
O P E R A T I O N
P C B .
S W ( R )
C N 7 1 5
C N 1 5
C N 5
O N L I N E S W
O R I G I N S W
S T A R T S W
S T O P S W
S E R V O F R E E S W
C Y C L E S W
C N 7 0 5
E M G S W _ F R
C O V E R
O P E N
S W ( F )
I / O C O N T R O L
P C B .
5 - 3 C
7 - 3 B
5 - 1 D
6 - 2 B
S W 2
S W 1
S W 6
S W 5
S W 1 0
S W 9
S W 6
S W 5
S W 1 0
S W 9
C N 6
L S 4 - 6
F E E D E R
S W ( F )
1 2 3 4 8 2 6 9
1 0
5 76 1 1
1 4
1 3 1 6 1 7
1 5
1 8
7
1 2
6
1 9
2 1
2 0
2 2
2 3
2 4 2 7
2 8 2 9
P O W E R U N I T
( 3 / 3 )
U P S
2 4
2 5